单片机创意小制作,ARM7音乐播放器
在校学习期间,教我单片机的王老师时常提起ARM处理器。她提醒我说,我们是计算机专业的,应该研究嵌入式系统。起因是,我喜欢单片机,而单片机偏偏在我们学校是电子系的专业。把单片机玩转了,对于计算机专业的我,就显得偏离专业了。那时,我还是头脑一热,在网上买了一个AT91SAM7S64最小系统。但是,一直没有像样地玩它。只是断断续续地写了几个简单的程序,像学习51单片机一样学它。随着时间的推移,它被遗忘在一边了。不过这几天在整理零碎时,我又开始注意到它了。
这次制作的主题是——做一款能够媲美山寨CD机的音乐播放器。随着MP3、MP4、手机、PMP等便携播放器的出现,在市场上很少看到专门卖CD机的柜台了。想想也是,现在马路上很少看到有人拿个硕大的CD机听音乐。最主要的原因,估计是CD光盘尺寸偏大,携带不便,所以现在听MP3的人越来越多了。但是,不管怎样,CD的音质还是相当好的。还记得去年,我制作了一款M8音乐播放器,朋友听了后,直接评价那音质不行。我解释说,那是8位的播放器,还是被他鄙视了。太伤我心了。于是,我又琢磨着做一款新的播放器,希望它超过普通MP3的音质。这回做好后,又特意给那位朋友试听了一下,这次他评价说,这音质的确超过普通MP3了。下面我会和大家分享制作它的过程。
主要芯片介绍
这次制作的音乐播放器使用了TI公司的PCM1770,它是24位低功耗立体声音频DAC。由于它能够直接驱动耳机,所以选择它作为音频解码器。当耳机的阻抗为16Ω时,它的输出功率为13mW。PCM1770使用的电源范围为1.6~3.6V,支持标准的I2S音频接口。对DAC的操作是通过SPI接口实现的。它的音量也由软件控制,音量控制一共分为64个等级。
电路的处理器使用Atmel公司的AT91SAM7S64。它有64KB的FLASH程序存储器,16KB的内部SRAM,是高性能的32位RISC架构的ARM7处理器,最高工作频率可达55MHz。它一共有64个引脚,PIO控制的I/O驱动电流可以达到8mA,PA0~PA3可以达到16mA,但所有I/O电流之和不能超过150mA。这款处理器具有SSC同步串行控制器,支持I2S标准,也有SPI接口,可以设定8到16位的数据长度,每个SPI接口有4个片选线。这样,处理器与DAC解码器的数据传输、控制命令的发送都可以在硬件上连接实现。
可实现功能
这个制作完成后,将CD音质的WAV文件复制到SD卡内,文件必须存放在根目录下。程序通过AT91SAM7S64的SSC串行控制器,把音频的数据流通过SSC接口传输到TI的音频DAC上。这样,耳机就播放出动听的音乐了。播放器使用普通的微动按钮控制,一共用了5个按钮,分别实现音量、选曲、播放、暂停等控制。
工作原理
整个制作,由图11.1所示的AT91SAM7 S64 最小系统(左边)、洞洞板(中间)和转接成DIP封装的PCM1770 DAC(右边)组成。
图11.1 制作所需的各部分实物
这款音乐播放器的工作原理并不复杂。主要由5大部分组成:
(1)AT91SAM7S64最小系统,比51单片机最小系统稍微复杂些。
(2)PCM1770 I2S音频解码器,用于驱动耳机或音响,播放音乐。
(3)SD卡存储卡,存放44.1kHz/16位的WAV格式的音乐文件。
(4)5个普通的微动按钮,功能分别为:控制音量、前后选择音乐和播放/暂停音乐。
(5)简单的用稳压芯片将5V的USB电源转换成3.3V的电路工作电源。
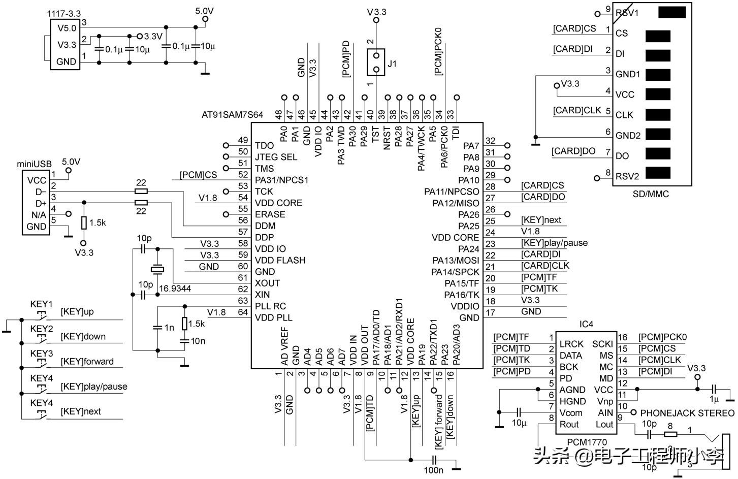
音乐播放器的原理图如图11.2所示,可分为5大部分:左上角为稳压电路,左下角为5个微动按钮,右上角为SD卡,右下角为TI的音乐DAC芯片,中间的就是AT91SAM7S64的最小系统了。
图11.2 电路原理图
它使用1117-3.3V的稳压芯片,把USB接口的5V电源转换成3.3V。4个电容起到滤波作用。稳压芯片可以采用SPX1117-3.3V、LM1117-3.3V或AMS1117-3.3V。如果使用有极性的电解电容,不要粗心地把正负极性弄反。
这5个微动按钮排列成经典的上下、左右、中间的十字结构,它的控制功能大家很容易理解,分别是上下为音量控制、左右为切换歌曲控制、中间为暂停/继续播放控制。
3. SD 卡
使用了它的SPI接口,直接和ATM7的SPI接口的NPCS0、MOSI、MISO、SPCK连接,在程序中我使用了系统时钟16.9344MHz作为SPCK时钟,这样它的传输速率才可以超过CD音乐格式标准的数据流速度。
4. TI的DAC
这是这个系统最关键的地方,它需要SPI接口控制它,同时又需要I2S接口给它提供数据流。它的SPI控制接口与AT91SAM7S64的NPCS1、MOSI、MISO、SPCK引脚相连,程序通过拉低 NPCS0 与 NPCS1 这两个引脚来片选 SD 卡或 DAC 芯片。在传输数据时,可以拉低不同的片选信号来指定传输的方向。DAC的LRCK、DATA、BCK接口分别与RAM7的TF、TD、TK连接。但由于DAC芯片还需要系统时钟,它可以是128fs、192fs、256fs或384fs(fs为音乐的采样率,如44.1kHz采样率)。所以,我通过ARM7的PCK0引脚输出384fs频率的时钟。最后,还可以通过控制DAC的PD引脚为0,让DAC休眠,减低它的功耗。
5. AT91SAM7S64 最小系统
正确连接好处理器各内部控制器的电源,如VDDFALSH、VDDIO、VDDCORE、VDDPLL等,确认USB的D+上拉电阻到3.3V。在播放44.1kHz音乐时,确认使用的是16.9344MHz晶体(在下载程序时使用18.432MHz)。最后,在AT91SAM7S64的PLL RC引脚上连接 PLL滤波用的电容。这样,ARM7上电后就能运行代码了。
AT91SAM7S64的电源系统比较复杂,但还好仅仅需要单一的3.3V电压,即可解决所有供电问题。电源使用USB的5V电压,经过1117-3.3V稳压芯片稳压,然后给DAC、AT91SAM7S64、SD卡供电。AT91SAM7S64还需要1.8V的电源电压,好在它内部集成的电压调节功能,能输出1.8V电压。
AT91SAM7S64处理器只要正确连接好需要的2种电源电压(3.3V、1.8V),焊接上18.432MHz的外部晶体,并且连接上简单的USB接口电路,在物理上就能够下载程序了。注意,当使用18.432MHz的外部晶体时,烧录文件才能通过USB接口下载。但由于音乐播放器需要16.9344MHz的外部晶体,才能以正常的速率播放CD采样率(44.1kHz)的音乐。因此,下载好程序后,还需要切换晶体。这一步麻烦些。
程序首先初始化AT91SAM7S64的SPI接口和SSC接口,并使能PIOA引脚(连接按钮的引脚)和SSC接口(I2S接口)的中断。等初始化接口完毕后,程序才能通过已经正确配置的接口,初始化音频DAC、SD卡设备。等这些操作完成后,程序会通过读取SD卡的特定扇区,识别文件系统种类,并搜索根目录下的第1个音乐文件。最后,通过按钮控制,实现音乐的播放。
使用方法
先要格式化SD卡,使用FAT(FAT12与FAT16的合集)或FAT32都可以。然后,复制44.1kHz、16位的WAV音乐到SD卡上(注意,请复制到根目录)。插上USB电源后,按中间的播放/暂停按钮播放音乐(音乐播放器在上电时不能自动播放,还需要按下播放/暂停按钮才能播放)。
烧录文件的下载与使用
1. 引导代码简介
AT91SAM7S64内部含有一段叫SAM-BA BOOT的程序,它在出厂时已被固化,不会被擦除,也不会被改变。在特定的条件下,它会被复制到内部Flash中,这个复制的过程叫系统程序恢复。系统程序恢复后,下一次上电或手动复位时,SAM-BA BOOT代码就会运行了,它使用片上集成的USB或DEBUG串口与上位机通信,实现自编程。
2. 恢复启动代码
在PA0、PA1、PA2、TST这4个引脚保持高电平的状态下,上电并等待10s。由于上电时PA0、PA1、PA2默认上拉电阻使能了,所以这3个引脚可以悬空。而TST引脚内部下拉电阻使能,因此需要通过外部电路将TST引脚拉高。
10秒后当芯片再次上电时(记得恢复TST引脚为低电平),就会运行SAM-BA BOOT程序了。这时,把芯片的USB接口连接上电脑,电脑上就会发现新硬件,并自动安装驱动。当然,前提是你在电脑上已经安装了SAM-BA ISP下载软件。
3. 关于 ERASE 引脚
上电时ERASE引脚的上拉可以用来擦除内部Flash的安全位,并且会在50ms的时间内完成。它的作用是使整个内部Flash存储器的内容被清除掉。当完成这些操作后,安全位才会清除。
当你使用SAM-BA对器件编程后,执行了Enable Security Bit操作,即编程了Flash安全位,那么下一次恢复系统程序前必须拉高ERASE引脚。
4. SAM-BA 软件使用
首先,安装SAM-BA ISP软件,它会连同驱动一起安装的。这样,当把已经恢复启动代码的ARM7插入USB接口时,驱动即可自动安装,并在设备管理器里多出如图11.3所示的设备。
然后,双击软件运行,出现图11.4所示的运行画面。选择图11.4所示的连接方式“\usb\ARM0”和开发环境“AT91SAM7S64-EK”后,按“Connect”后连接。接着,烧录软件的主界面就会跳出,如图11.5所示。
图11.3
图11.4
图11.5
然后,点击“Send File”按钮,选择烧录用的BIN文件。最后,点击“Send”发送即可。期间会弹出扇区解锁确认和扇区锁定确认对话框,点击“Yes”即可。
几秒后,程序就烧录完毕了。重新上电后,音乐播放器的代码就能成功运行了。
制作简介
其实,整个制作对刚学习ARM7处理器的人也不难。买一个AT91SAM7S64的最小系统,它的32个PIO口一般都会引出来的,并用插针连接。只需要自己做底板,焊接好插座,就能方便地合并了。
我做的这个底板是用万用板制作的,尺寸大约是10cm×10cm。仔细观察的朋友,还会发现,这个底板的功能不仅仅是特意用来做音乐播放器的,还可以做许多关于ARM7的小实验。
底板的反面我用绝缘导线连接线路,这也是我目前喜欢的做法(见图11.6)。如果觉得难看,大家还可以自制PCB的底板,这样也能轻松焊接。
为了使自己的制作更美观,我又在网上买了片1.8mm厚的有机玻璃板。用小锯切割成10cm×10cm大小后,用砂纸仔细打磨。打磨好后在合适的位置上钻孔,最后用2mm的螺丝和对应的铜座固定,这个制作的外观就完成了(见图11.7)。
大家会发现制作的正面还有一根飞线,这是由于我买的最小系统,3.3V的电源插针没有向下引出,只好拿了条杜邦线连接到底板了。
图11.6 用绝缘导线连接底板背面的线路
图11.7 用有机玻璃制作播放器的外壳
单片机实例分享,自定义提醒闹钟
图14.1 电子钟
想起那时刚学习单片机,仅仅会写几段汇编代码。后来的几个月,自己也学写了一个电子钟程序,不过做得非常简陋,也没使用什么时钟芯片,仅仅通过单片机的定时器来累计计时,功能上实现了时、分、秒的显示以及简单的闹钟功能。不过,我还真是怀念以前学习单片机的美好时光,也很高兴那时自己能专心学习单片机。后面我也做了一款像样的电子钟(见图14.1),在下面的内容里,我会和大家分享制作它的过程。
零件清单
零件清单是制作这款电子钟的基本元件,还有一些边角料,不再列出。从零件列表(见表14.1)中大家可以看出,整体的成本不超过80元。不过,最近这段时期,AVR单片机涨价厉害,在网上也要18元左右才能买到。如果液晶屏在淘宝网上购买的话,建议以关键字ST7565搜索,这样才能搜索到ST7565控制器的128×64液晶屏。至于其他零件比较常用,一般电子市场都能购买得到。
图14.2 零件全家福
表14.1 材料表
电路原理
如图14.3所示,微控制器(MCU)我选择了AVR单片机的Atmega8,因为比较熟悉。它的程序存储器大小为8KB,数据RAM大小为1KB,工作电源电压范围为2.7~5.5V,最大工作温度为+85℃,最小工作温度为-40℃。时钟芯片选择DS1302,DS1302是美国DALLAS公司推出的一种高性能、低功耗、带RAM的实时时钟电路,它可以对年、月、日、周日、时、分、秒进行计时,具有闰年补偿功能,工作电压为2.5~5.5V。采用三线接口与MCU进行同步通信。最后,通过使用SD卡的SPI模式和单片机的SPI接口连接,进行数据交换。SD卡相当于容量很大的SPI接口的FLASH,在制作过程中,也可以替换成大容量的FLASH芯片。128×64液晶仅仅需要4根线和单片机连接。由于使用的控制器是ST7565,它不带中文、英文字库,因此需要自己建立字库。但这种液晶屏价格便宜,外观也很小巧。我购买的这款液晶屏,背光是橘黄色的,到了晚上会发出迷人的光泽。
图14.3 电路原理图
工作原理
在制作之前,我先介绍一下它的工作原理。控制芯片使用的是AVR的atmega8单片机,简称M8。大家也可以使用熟悉的51单片机(程序可以到本书配套光盘中下载,大家根据需要自己修改或移植)。程序通过读取SD卡内的TXT文件,显示每天需要提醒的内容。因此,可以通过电脑,方便地修改提醒的内容,如节日、生日、纪念日等。不必再为了修改液晶屏上的提醒内容而特意修改程序代码,仅仅通过编辑TXT文件即可。SD卡是通过它的SPI接口和单片机进行数据交换。液晶屏使用的是串口128×64的黑白液晶屏,控制器是ST7565,它和单片机连接也仅仅需要4个I/O口。时钟芯片使用的是DS1302,大家对它应该不陌生吧。时钟芯片通过3个I/O口和单片机连接,电源使用USB接口的5V电源,经过1117-3.3电源稳压芯片转换成3.3V电压,供给单片机、液晶和SD卡使用,大家也可以使用3.3V的电源直接供电。这款电子钟通过两个按钮实现时间和闹钟的设置。当时钟正常运行时,第2个按钮可以单独开启闹钟或关闭闹钟。
使用方法
(1)在计算机的WinXP系统下把SD卡格式化成FAT文件系统。
(2)先复制字体到SD卡内,这样才能在液晶上显示中文。
(3)在根目录下新建“提醒.txt”文本文件。
(4)在文件内写入一行内容,如下:****-02-13"明天是情人节",这样每年的2月13号,电子钟就会提醒你明天是情人节了。
大家会发现,这款电子钟没有农历的显示,如果要显示农历怎么办呢?如果朋友的生日是按农历来算的怎么办呢?其实也挺简单的,通过在文件中写入公历和农历的对应时间关系即可。如:2010-02-13"农历2009-12-30"。注意:*号是通配符,表示任意的意思。例如:2010-**-**"虎年",表示2010年的任意日期,都会显示虎年。
字库的制作及使用
这是本次制作的知识要点之一。GB2312是中国国家标准简体中文字符集,全称《信息交换用汉字编码字符集·基本集》,又称GB0,由中国国家标准总局发布,1981年5月1日实施。GB2312编码通行于中国大陆,新加坡等也采用此编码。中国大陆绝大多数中文系统和国际化的软件都支持GB2312。
GB2312标准共收录6763个汉字,其中一级汉字3755个,二级汉字3008个;同时收录了包括拉丁字母、希腊字母、日文平假名及片假名字母、俄语西里尔字母在内的682个字符。GB2312的出现,基本满足了汉字的计算机处理需要。GB2312中对所收汉字进行了“分区”处理,每区含有94个汉字/符号。这种表示方式也称为区位码。
01~09区为特殊符号。
16~55区为一级汉字,按拼音排序。
56~87区为二级汉字,按部首/笔画排序。
10~15区及88-94区则未有编码。
举例来说,“啊”字是GB2312之中的第一个汉字,它的区位码就是1601。
在电脑上的TXT文本文件中,每个汉字及符号以两个字节来表示。第一个字节称为“高位字节”,第二个字节称为“低位字节”。为了和原有的ASCII码兼容,“高位字节”使用了0xA1~0xF7(把01~87区的区号加上0xA0),“低位字节”使用了0xA1~0xFE(把01-94加上0xA0)。由于一级汉字从16区起始,汉字区的“高位字节”的范围是0xB0~0xF7,“低位字节”的范围是0xA1~0xFE,占用的码位是72×94=6768。其中,有5个空位是D7FA~D7FE。例如,“啊”字在文件中会以两个字节“0xB0(第一个字节)0xA1(第二个字节)”储存。
制作步骤
1 按图在洞洞板上安插好各个元件,并插上已经烧录好程序的芯片。
2 根据电路原理图,依次连接导线
3 将各个组件准备好了后,就可以组装起来。
4 最后插上USB电源,就可正常工作了。
DIY的过程不仅仅是制作过程,还是一个让作品更美好的过程,为此,我又开始了这个自定义提醒闹钟的美化过程。
将钢丝弯曲成如图的形状,在钢丝上拧上螺丝,在万用板上也拧上螺丝。
用内六角扳手、普通扳手拧紧螺丝。
那么如何定位字库中的点阵数据呢?文件编码的区码范围是从0xA1(十六进制)开始,对应区位码中区码的第一区,第二个字节为汉字的位码,范围也是从0xA1(十六进制)开始,对应某区中的第一个位码。就是说,将汉字编码减去0xA0A0就得到该汉字的区位码。例如,汉字“啊”的机内码是十六进制的“0xB0A1”,其中前两位“0xB0”表示编码的区码,后两位“0xA1”表示编码的位码。所以“啊”的区位码为0xB0A1-0xA0A0=0x1001,将区码和位码分别转换为十进制16和01,得到汉字“啊”位于第16区的第1个字的位置,那么点阵数据在文件中的位置为第“32×[(16-1)×94+(1-1)]=45120”以后的32个字节。这就是“啊”的显示点阵需要的字节数据了。其中,32为16×16点阵的取模字节数,表示32字节大小。单片机通过取这连续的32个字节,送到LCD的相应位置,就能正确显示汉字、图形符号了。
最后,使用字库生成工具,就能生成自己需要的字库了。这样的工具软件在网上有许多,请自行选择。我使用未注册的“汉字取模字库生成”小工具,使用次数有一定的限制,但偶尔用于生成字库还是够用的。由于这款液晶显示数据是1列(8个点)为一个地址单位的,而不是1行(8个点)或点地址为单位。因此,取模时需使用纵向(列)取模方式取模,这样方便后期程序的编写。当然也可以直接选择“@宋体”这类字体。通过工具预览后,你会发现,这种字体旋转了90°。点击生成字库,在弹出的菜单中输入的路径和文件名。按“确认”后就会生成需要的字库了,注意后缀名为.dot。程序读取经过旋转后的32字节字体数据,即点阵列数据,就能显示一个汉字了。
存储整个字库数据是个难点,GB2312汉字库有200多字节的大小,单片机的FLASH可是没有足够的空间用来保存它。那么怎么办呢?其实,方法也挺多的。有一种实用、简单、方便的方法就是外接FLASH存储芯片。如SST25VF020、AT45DB161等,它们都是串行接口,可以节省许多I/O,读取速度也够快,但增加了制作成本。还有一种方法,可以直接放在SD卡内,但程序会复杂很多。同时,显示字体的速度也没外接FLASH快。不过最后我还是选择了第2种方法,以后的小制作中再试试第1种方法。
为了让电脑和单片机互相交换数据容易些,需要把SD卡格式化成FAT文件系统,然后单片机解读SD卡格式化后FAT文件系统,在此基础上再读取txt文件,最后调用相应的字库数据在液晶屏上显示。具体如何实现,请读者朋友自行分析源代码。源代码可到本书配套光盘上下载。
编程说明
当我烧录完程序后,迫不及待地要运行这个电路了。把电子钟插上电源后,程序会先初始化硬件(液晶、SD卡和时钟芯片)。之后会读取单片机EEPROM里的闹钟信息,没有的话会新建初始化内容,并写入EEPROM。最后,液晶就会分4行显示时间、日期、星期和闹钟。当有提醒信息时,闹钟时间和提醒的内容会交替闪烁。在程序的循环体内,程序会定时读取SD卡内的TXT文件,如果TXT文件内定义的日期和时钟芯片的日期一致,那么单片机会读取文本文件内对应的显示内容,并在液晶的第4行显示。如果没有相等的日期,单片机会显示默认的字符串“MADEBYZBJ”,大家可以改成自己定义的字符串。
电子钟的右侧有4个按钮,但是本次制作只使用了上面2个按钮,另外2个按钮功能未用。这4个按钮的一端都连到了单片机的中断引脚,并把这个中断引脚设置为上拉,在程序中等待下降沿中断。按钮的另一端和单片机的4个普通I/O连接,这4个I/O设置为低电平。当按钮按下时,就会引发下降沿中断,此时程序修改中断,引为低电平,并把4个普通I/O口上拉,再分别读取4个引脚的电平状态。如果,某个引脚读到低电平,就可以判断对应的这个按钮按下了。最后,等待按钮的释放,不断循环此过程。
当时钟在运行状态时,按第1个按钮,将会进入时钟设置状态,再次按下第1个按钮,就会进入下一个设置选项,以此类推,直到退出最后一个选项(注意闹钟关闭状态,不会进入闹钟设置选项),这样电子钟就会退出设置状态,再次进入运行状态了。电子钟在设置状态下,设置的项目会反显,可以通过按第2个按钮,改变设置的数值。
当时钟在运行状态时,按下第2个按钮,闹钟将会开启或关闭,这取决于原来的状态。在液晶屏上会显示相应的闹钟状态信息。闹钟数据虽然保存在M8单片机的EEPROM中,但不会直接使用。当单片机上电运行时,会自动载入RAM中使用,这样是为了延长EEPROM的使用寿命。但当RAM中的闹钟数据改变时,修改的数据才会同步更新,写入EEPROM。程序会比较RAM中的闹钟时间和时钟芯片的时钟是否一致,当两者一致时,闹钟就会“嘀嘀”地叫了。至于鸣叫多久,大家可以根据自己的需要修改程序中的设置。
更多源程序可以到qq群657864614进行下载!
有没有因为想买一本书,因为价格偏高而犹豫?现在我来帮你解决这个问题,把书名作者直接告诉我,我来帮你找,通常价格均为1元,难一点的也就几块钱,先查询,后付款,诚信经营! 代找各种电子书电子图书教材文献查找代查代找中文pdf格式-淘宝网
相关问答
那种 光盘 存储空间最大?-ZOL问答DVD-ROM:一般容量在4.5G左右。是最大的光盘。CD-ROM:一般容量在700MB(约0.7G),是普通的光盘,也就是广义上我们所说的光盘,如平常所说的“XP系统盘...
51单片机 usb serial 340 驱动安装_其他问答_系统粉下载一个驱动精灵,自动检测安装,试下
51单片机 串口驱动安装了还是不能用?现在的单片机开发板上的串口驱动芯片一般是CH340,旧版的比较多的是PL2303,你安装光盘自带的串口驱动试试,如果还不行的话,保持开发板与电脑的连接,电脑上安...
怎么使用 单片机 开发板?如果是购买的开发板,那么就会有配套的资料光盘,学习的步骤则是1、先看清开发板的原理图,也就是板子上面都有哪些可用的模块2、在资料光盘内寻找到说明文件,一...
烧录可开启数据DVD与烧录数据DVD的不同-ZOL问答可启动数据DVD是可以引导电脑启动的数据光盘,在刻录以前要用软件比如easyboot将启动文件编辑好,并将其他数据一起打包成ISO文件,这样才可以刻录,在刻录软件里选...
在线的大佬我想了解,热门的少儿C语言课程培训机构哪家好,少...《新概念51单片机C语言教程》是2009年电子工业出版社出版的图书,作者是郭天祥。《新概念51单片机C语言教程:入门、提高、开发、拓展》从实际应用入...
怎么样往 单片机 里烧程序-ZOL问答哈哈,开个玩笑,单片机烧程序,要用到刻录器(有通用和专用),PC端对应刻录器的刻录软件(一般买刻录器时就配有光盘),和编译好的单片机程序。一般在刻录器上插上单...
单片机 flash和ram/ROM的不同-ZOL问答单片机的ROM,叫只读程序存储器,是FLASH存储器构成的,如U盘就是FLASH存储器。所以,FLASH和ROM是同义的。单片机的程序,就是写到FLASH中了。而RAM是...
rom ram eeprom分别肿么读-ZOL问答这种情况是光盘的问题,光驱读不出光盘的内容,当成空白光盘了。现在的单片机,ROM一般就是指的FlashROM,从来保存程序的,即程序存储器。EEPROM专指...
电脑CPU控制外围元件和 单片机 控制外围元件有什么不同 - 135*...所谓单片机,指的是单片微型计算机,简称单片机,是指将CPU\存储器\时钟电路\定时器计数器以及各种I/O接口等部件制作在一块大规模集成电路芯片上,具有...
