单片机这么简单?一分钟看懂单片机最小系统电路原理图:STM8S
坚持每天分享本人十几年的单片机系统开发经验,循序渐进,逐步深入,您的关注是我的动力来源!
本文以ST公司的STM8S003单片机为例,给大家讲解一个单片机最小系统的电路原理图:通过单片机采集一个按键信号,点亮一颗LED灯。
如果你看懂了这张原理图,单片机硬件就入门了——真的到进门了!
一、系统框架
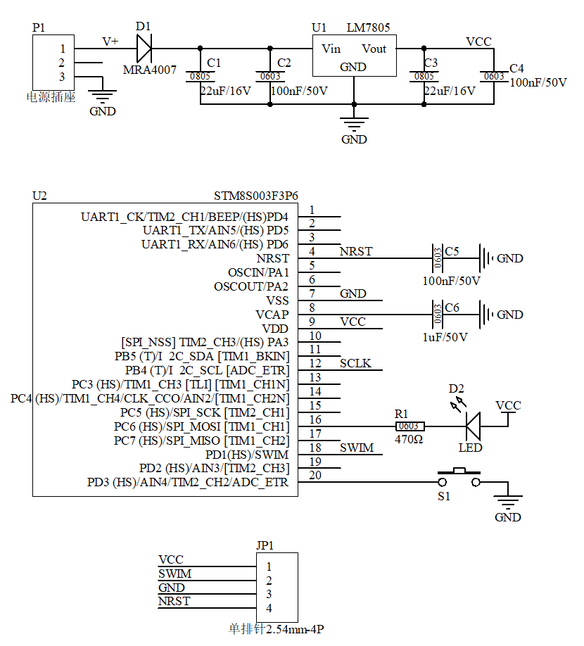
电源从电源插座P1进入电路板,经过LM7805稳压成VCC(=5V)给单片机供电,单片机采集按键S1的信号,点亮LED灯D2,编译好的程序经过程序下载口JP1下载到单片机里。
二、电路细节
电源插座P1可以采用12V电源,二极管D1的作用是为了防止电源不小心反接而损坏电路器件。
LM7805前面的两个电容C1和C2和后面的两个电容C3和C4是为电压滤波的,进一步稳定VCC的电压,让VCC的纹波不要太大,因为纹波大了会影响单片机的工作。
电容C5和C6是依据STM8S003的数据手册要求必须用的两颗电容,遵照执行即可,暂时不用深究,后续我的文章中会谈到。
电阻R1是为了限制发光二极管(LED)D2的电流。LED一般需要5-10mA的电流才能点亮,LED本身的压降一般比较固定,其值是1V左右,当单片机控制PC6口输出低电平时,LED将被点亮,这时LED中的电流为:(5V-1V)/0.47KΩ=8.5mA。
按键S1一端接地,一端接单片机PD3口,在PD3口内部可以通过软件设置上拉电阻,当S1断开时,PD3口为高电平;当S1闭合时,PD3口为低电平。单片机依据PD3口的电平状态即可获知按键是否闭合。
JP1是程序下载接口,所有STM8单片机的程序下载接口都是一样的。其中NRST为单片机复位接口,SWIM为程序下载的数据通道,电脑里的程序代码就是通过SWIM传输到单片机中的。
疑问:为啥没有时钟(晶振)电路?因为现在的单片机一般内部集成有RC振荡电路,通过软件可以设置单片机选用内部的RC振荡脉冲作为单片机内部的时钟。只是内部RC振荡电路的时钟不是太精准,对于一些时钟精度要求比较高的场合可以外接晶振电路。不过,大多数实际应用,内部RC振荡电路的精度已经足够了。
三、总结
所有STM8单片机相关的原理图基本上都是在这个电路基础上进行演进,万变不离其宗。
所有其它品牌和系列的单片机,其硬件原理图基本上也大同小异,掌握其中一个原理图,其它单片机的原理图也就都能看懂了。
这样是不是很简单呢?后续我还会讲解更多的单片机知识,内容是逐步深入的,留言加关注是对我最大的支持!
四、课后作业
如何实现LED灯的渐亮渐灭?
经典的51单片机最小系统电路原理图:国产STC系列(51内核)
什么是51单片机?1980年,Intel推出了首款单片机8051,之后又陆续推出了与8051指令完全相同的8031、8032、8052等系列的单片机,初步形成了MCS-51系列。 1984年,Intel出售了51核,此后,世界上出现了上千种51单片机,如爱特梅尔、飞利浦,华邦,还有国内的宏晶(STC micro)等。51单片机泛指所有兼容 8051指令的单片机。
51单片机过时没?还远远没有,51单片机在已经诞生将近40年后仍然具有强大的生命力,国内国外都还在大量生产以51为内核的单片机,这其中就有国内的宏晶(STC)。这类单片机不仅价格十分便宜,而且性能不差,常规的应用场合都没问题,据说某军事大国把STC单片机都用到了无人机上。
言归正卷,本文给大家呈献的是STC单片机的最小系统原理图:
该单片机在VCC引脚上给它5V电,这就够了,不需要其它附加电路。
该单片机的程序下载是通过P3.0和P3.1两个引脚实现的,利用的是这两个引脚的串口功能。因此这两个引脚在实际应用时一般用作串口功能,不做其它用途。当然,如果引脚数量比较紧张,必须启用这两个引脚,也不是不可以,但尽量用作输入口。
图中框框部分是程序下载器电路,可以直接设计到产品电路板上,以后就可以直接用USB口下载软件;也可以将其省略,只是在下载软件时必须通过一个下载器进行。实际上下载器内部电路就是这个图框里面的电路。如果你把这个框框里面的电路做成电路板,就可以自己做一个程序下载器。
有个问题,单片机的工作时钟从哪里来?之前8051那时候的单片机一般都需要外部晶振电路提供工作时钟,然而现在单片机一般在芯片内部都集成了RC振荡电路,通过软件可以启用单片机内部的RC振荡器脉冲作为单片机的内部工作时钟,这样不仅电路简单,而且还节省了产品的成本。不过在一些精度要求比较高的应用场合,例如对外异步串口通讯、电子钟等,对时钟精度要求比较高,这时候就必须用外部晶振电路了。
结束语:单片机起源于51,世界上最经典的单片机非51莫属,至今我还有很多项目都是用51单片机做的,除了成本考虑之外,现在很多芯片厂家已经在51内核基础上扩展了很多非常实用的外设(例如LIN和CAN通讯模块,增强型PWM模块,电机控制和驱动模块等等),这用起来其实很方便
本人后面会继续为大家奉献更多的单片机相关的干货,留言加关注是对我最大的的支持和爱护!
相关问答
单片机最小系统原理 ?单片机最小系统,或者称为最小应用系统,是指用最少的元件组成的单片机可以工作的系统。对51系列单片机来说,最小系统一般应该包括:单片机、晶振电路、复位电...
单片机最小系统 是什么?单片机最小系统是使单片机正常运行的最低配置,它有一系列模块组成。具体组成如下:1、单片机最小系统有复位系统模块。当引脚9出现2个机器周期以上高电平时,单...
【 单片机 的 最小系统 电路由什么组成?】作业帮[最佳回答]嘿嘿单片机的最小系统电路由3部分组成1单片机2时钟震荡电路3复位电路
单片机 的 最小系统 指的是什么?单片机的最小系统是指能够独立运行单片机的基本硬件配置,通常包括单片机芯片、时钟电路、复位电路和电源等核心组件。其中,单片机芯片是系统的核心,负责执行程...
单片机最小系统 包括什么哪位比较清楚_其他问答_系统粉单片机最小系统按书上搭就好,无非就是复位电路、下载口电路、晶振电路,这些电路搭好基本就差不多了,至于外设当然也要按相应的电路搭了,6v电压是有...
51 单片机最小系统 有哪些部分组成?51单片机(比如stc的),晶振,复位电路,这就可以构成最小系统了。想多了解的话建议使用单片机实验板,可以参考吴鉴鹰51单片机实验板,还不错的51单片机(比如stc...
单片机最小系统 包括?单片机最小系统由以下元件组成:单片机芯片:系统核心,包含处理单元、存储器和输入/输出端口。电源部分:为单片机供电,通常需要电源管理芯片(如稳压器)。...单...
单片机 由哪几部分构成, 最小系统 呢?-ZOL问答单片机由中央处理器(含部分特殊功能寄存器)、内部RAM、程序存储器、各种外设...单片机最先系统构成:一个单片机芯片一个晶振51一般用12M或者11.0592M两个瓷...
proteus如何绘制51 单片机最小系统 ?Proteus可以通过以下步骤来绘制51单片机最小系统:1.打开Proteus软件并创建一个新的工程。2.在工程中添加一个51单片机模型。可以在Proteus的元件库中找到51...
什么是 单片机 ?它由哪几部分组成?什么是 单片机 应用 系统 ?二者...单片机是一种路芯片,模集成电路技术把具有数处理器CPU随机存储器RAM、只读存储器ROM、多种I/O口和中断系统、定时器/计时器等功能(可能还包括显示驱...
