简单共阴极数码管电路图大全(CD4511段译码驱动器)
共阴极则是把所有LED的阴极连接到共同接点com,而每个LED的阳极分别为a、b、c、d、e、f、g及dp(小数点),如下图所示。图中的8个LED分别与上面那个图中的A~DP各段相对应,通过控制各个LED的亮灭来显示数字。
判断公阴极和公阳极
找公共共阴和公共共阳:首先,我们找个电源(3到5伏)和1个1K(几百欧的也行)的电阻,VCC串接个电阻后和GND接在任意2个脚上,组合有很多,但总有一个LED会发光的,找到一个就够了,然后GND不动,VCC(串电阻)逐个碰剩下的脚,如果有多个LED(一般是8个),那它就是共阴的了。相反用VCC不动,GND逐个碰剩下的脚,如果有多个LED(一般是8个),那它就是共阳的。也可以直接用数字万用表,红表笔是电源的正极,黑表笔是电源的负极。
简单共阴极数码管电路图(一)
CD4511是一片CMOSBCD—锁存/7段译码/驱动器,用于驱动共阴极LED(数码管)显示器的BCD码—七段码译码器。
它具有BCD转换、消隐和锁存控制、七段译码及驱动功能的CMOS电路能提供较大的拉电流。可直接驱动共阴LED数码管。
以下是cd4511数码管驱动原理图。是CD4511实现LED与单片机的并行接口方法。
简单共阴极数码管电路图(二)
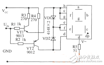
如图所示电路,正电源Vcc和地端GND用夹子与被测电路相连,UIN端通过探针接被测点。当被测点为高电平时,VT1导通,h、c、g笔段为高电平并发光,同时经隔离管VD1使e、f笔段也发光,数码管显示出H字形;被测点为低电平时,VT2导通,d、e、f笔段发光,显示1字形。VD1、VD2起隔离作用,并完成逻辑“或”的功能(也可用二输入端或门代替),使显示H或L时e、f笔段均发光。调整R3、R4大小可改变高、低电平的检测阈值,调整R5可改变数码管发光亮度。
简单共阴极数码管电路图(三)
CD4511驱动共阴极LED数码管的典型接线电路图
简单共阴极数码管电路图(四)
数码管是用于显示0,1,2,9数字的显示器件具体应用时,这些数字都是以BCD编码形式表示,通过译码器加到显示管上。目前在数字电路中,最常用的是七段字形显示管,发光材料为磷砷化镓。表示字形的每一段相当一个发光管。所有二极管的内部连接有两种:阳极连接在一起称共阳形,阴极连在一起,称为共阴形。
详解数码管显示控制
数码管种类繁多,按外观来划分,可以分为七段数码管、米字型数码管、点阵块等。图8-5所示为各种不同形状的数码管。
图8-5 各种不同形状的数码管
LED数码管结构与工作原理
单片机系统中常用的是七段数码管,它由8个发光二极管(以下简称字段)构成,如图8-6(a)图所示(注:由于小数点字段不常用,所以一般称为七段),通过不同的组合可以显示数字0~9、字符A~F、H、L、P、U、符号“-”及小数点“.”。
根据发光二极管物理连接的不同,七段数码管可以分为共阴极和共阳极两种结构。共阴极型数码管如图8-6(b)所示,所有字段的阴极均连接低电平,因此在使用共阴极数码时,需要在相应字段上加高电平,才会使其发光。共阳极数码管如图8-6(c)所示,所有字段的阳极均连接高电平,在使用时,需要在相应字段上加低电平。
图8-6 7段数码管结构
LED数码管字型编码
在单片机与数码管组成的应用系统中,一般将单片机的一个并口与数码管的8个段控制引脚连接,且按照口线位的顺序由低到高与a、b、c、d、e、f、g、h连接,这样,若要显示不同字符,只需应用单片机的口线输出相应的控制的电平就可以实现。向口线送的数据就是LED的字型编码。共阴和共阳的字型编码如表8-2所示。
表8-2 共阴和共阳的字型编码表
LED数码管要正常显示,就要用驱动电路来驱动数码管的各个段码,从而显示出我们要的数位,因此根据LED数码管的驱动方式的不同,可以分为静态显式和动态显式两类。
LED数码管静态显示
静态驱动也称直流驱动。静态驱动是指每个数码管的每一个段码都由一个单片机的I/O口线进行驱动,或者使用如BCD码、二–十进位解码器解码进行驱动。
静态驱动的优点是编程简单,显示亮度高,缺点是占用I/O口较多,如驱动5个数码管静态显示则需要5×8=40根I/O口线来驱动,而1个89S51单片机可用的I/O口线才32个。
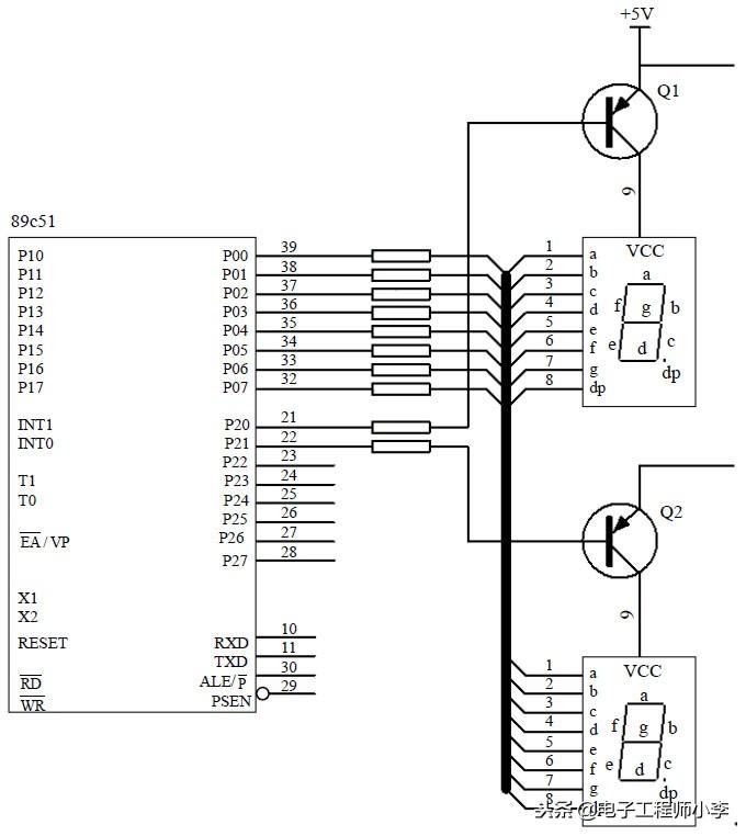
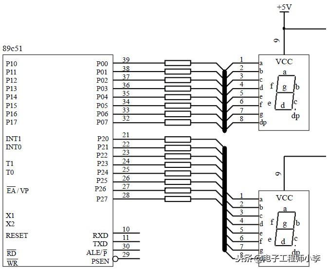
2位共阳极数码管的静态显示电路如图8-7所示。
图8-7 2位共阳极数码管的静态显示电路原理图
显示数字12的C51程序如下:
LED数码管动态显示
数码管动态显示是单片机中应用最为广泛的显示方式,动态驱动是将所有数码管的8个同名端“a,b,c,d,e,f,g,h”连在一起,另外为每个数码管的公共极COM增加位选通控制电路,位选通由各自独立的I/O线控制。
当单片机输出字形码时,所有数码管都接收到相同的字形码,究竟是那个数码管会显示出字形,取决于单片机对位选通COM端电路的控制。通过分时轮流控制各个LED数码管的COM端,就使各个数码管轮流受控显示。
在轮流显示过程中,每位数码管的点亮时间为1~2ms,由于人的视觉暂留现象及发光二极体的余辉效应,尽管实际上各位数码管并非同时点亮,但只要扫描的速度足够快,给人的印象就是一组稳定的显示,不会有闪烁感,动态显示的效果和静态显示相同,并且能够节省大量的I/O口线,降低功耗。
2位共阳极数码管动态显示电路如图8-8所示。
显示数字12的C51程序如下:
图8-8 2位共阳极数码管动态显示电路原理图
相关问答
单片机共 阳极和 共阴 极的分辨?对于单片机电路板上使用的LED数码管,仅从外形上是无法区分共阴极还是共阳极的,最简单的办法是万用表测量法。在数码管的背面,也就是引脚一侧,数码管一般有10...
如何在proteus绘制一位 共阴数码管 ?数码管在proteus的“Optoelectronics”元件库中。具体操作如下:1、打开“proteus”。2、点击做的的“P”符号或者按下键盘的“P”,可以跳出元器件界面。3、...
单片机 里的7SEG-MPX2-CC是什么?两位共阴七段数码管。7SEG表示七段数码管,MPX2-表示是两位,CC是表示共阴。单片机(Microcontrollers)是一种集成电路芯片,是采用超大规模集成电路技...两位...
【DCD_HEXLED 共阴数码管 该在哪个引脚接限流电阻请附上图谢谢...[最佳回答]看你电阻的功率是多大,比如说,1/4W,那么根据公式I2R=W;或u2/R=W;算一下看看会不会烧掉,我平时用的PIC单片机,灌入最大25mA(...
怎么判断 共阴 、共阳 数码管 ?-ZOL问答用一个+5v电源比较简单先在电源上串一个10-120Ω电阻再找出公共端把电源+与公共端,把电源-和其他任意极连接这样如果有一个笔画亮了那就是共阳极反之就是...
单片机数码管 与芯片怎么接?数码管分共阴和共阳两种,公共端接电源或者地,其他ABCDEFGH接单片机的IO,数码管的断怎么分配看数码管的引脚图,之后通过单片机的IO可以驱动数码管,多个数码管...
单片机数码管 程序,是如何定义段选和位选的,完全看不懂,求教,谢谢?没用锁存器,应该是IO端口为0选中该数码管如0xef0xdf0xbf0x7f高4位用二进制表示分别是1110110110110111每次只有一个0段选分共阳和共...没用锁存器,...
单片机 ,使用汇编语言使led 数码管 每隔1秒轮流显示数字0000-9999,这个怎么样做呀?这是四位数的秒计数器,用四位一体共阴数码管显示,P0口输出段码,P2口输出位码。用定时器定时器50ms,采用中断方式,中断20次为1秒,显示数字加1。这是四位数的...
c语言 数码管 显示原理?数码管分共阳数码管和共阴数码管。数码管其实就是8个段的发光二极管,只点亮其中的几个段即可显示出数字或字母用来表达信息。共阳数码管:把8段LED的正极...
51 单片机 上三极管的名称?在51单片机中,常用的三极管有NPN型和PNP型两种。NPN型三极管由一层N型半导体夹在两层P型半导体之间,而PNP型三极管则由一层P型半导体夹在两层N型半导体之间。...
