模拟电路中为什么采用4~20mA的电流来传输模拟量
大家可能会非常熟悉RS232,RS485,CAN等工业上常用的总线,他们都是传输数字信号的方式。那么,我们用什么方式来传输模拟信号呢?工业上普遍需要测量各类非电物理量,例如温度、压力、速度、角度等,这些都需要转换成模拟量电信号才能传输到几百米外的控制室或显示设备上。工业上最广泛采用的是用4~20mA电流来传输模拟量。
采用电流信号的原因是不容易受干扰,因为工业现场的噪声电压的幅度可能达到数V,但是噪声的功率很弱,所以噪声电流通常小于nA级别,因此给4-20mA传输带来的误差非常小;电流源内阻趋于无穷大,导线电阻串联在回路中不影响精度,因此在普通双绞线上可以传输数百米;由于电流源的大内阻和恒流输出,在接收端我们只需放置一个250欧姆到地的电阻就可以获得0-5V的电压,低输入阻抗的接收器的好处是nA级的输入电流噪声只产生非常微弱的电压噪声。
上限取20mA是因为防爆的要求:20mA的电流通断引起的火花能量不足以引燃瓦斯。下限没有取0mA的原因是为了能检测断线:正常工作时不会低于4mA,当传输线因故障断路,环路电流降为0。常取2mA作为断线报警值。电流型变送器将物理量转换成4~20mA电流输出,必然要有外电源为其供电。最典型的是变送器需要两根电源线,加上两根电流输出线,总共要接4根线,称之为四线制变送器。当然,电流输出可以与电源公用一根线(公用VCC或者GND),可节省一根线,所以现在基本上将四线制变送器称之为三线制变送器。其实大家可能注意到, 4-20mA电流本身就可以为变送器供电,变送器在电路中相当于一个特殊的负载,这种变送器只需外接2根线,因而被称为两线制变送器。工业电流环标准下限为4mA,因此在量程范围内,变送器通常只有24V,4mA供电(因此,在轻负载条件下高效率的DC/DC电源(TPS54331,TPS54160),低功耗的传感器和信号链产品、以及低功耗的处理器(如MSP430)对于两线制的4-20mA收发非常重要)。这使得两线制传感器的设计成为可能而又富有挑战。
一般需要设计一个VI转换器,输入0-3.3v,输出4mA-20mA,可采用运放LM358,供电+12v。
我们系统地来看看模拟量设备为什么都偏爱用4~20mA传输信号~
4-20mA. DC(1-5V.DC)信号制是国际电工委员会( IEC )过程控制系统采用的模拟信号传输标准。我国也采用这一国际标准信号制,仪表传输信号采用4-20mA.DC,接收信号采用1-5V.DC,即采用电流传输、电压接收的信号系统。
一般仪器仪表的信号电流都为4-20mA,指最小电流为4mA,最大电流为20mA 。传输信号时候,因为导线上也有电阻,如果用电压传输则会在导线内产生一定的压降,那接收端的信号就会产生一定的误差了,所以一般使用电流信号作为变送器的标准传输。
一、什么是4~20mA.DC(1~5V.DC)信号制?
4~20mA.DC(1~5V.DC)信号制是国际电工委员会(IEC):过程控制系统用模拟信号标准。我国从DDZ-Ⅲ型电动仪表开始采用这一国际标准信号制,仪表传输信号采用4~20mA.DC,联络信号采用1~5V.DC,即采用电流传输、电压接收的信号系统。
4~20mA电流环工作原理:
在工业现场,用一个仪表放大器来完成信号的调理并进行长线传输,会产生以下问题:第一,由于传输的信号是电压信号,传输线会受到噪声的干扰;第二,传输线的分布电阻会产生电压降;第三,在现场如何提供仪表放大器的工作电压也是个问题。
为了解决上述问题和避开相关噪声的影响,我们用电流来传输信号,因为电流对噪声并不敏感。4~20mA的电流环便是用4mA表示零信号,用20mA表示信号的满刻度,而低于4mA高于20mA的信号用于各种故障的报警。
二、4~20mA.DC(1~5V.DC)信号制的优点?
现场仪表可实现两线制,所谓两线制即电源、负载串联在一起,有一公共点,而现场变送器与控制室仪表之前的信号联络及供电仅用两根电线。因为信号起点电流为4mA.DC,为变送器提供了静态工作电流,同时仪表电气零点为4mA.DC,不与机械零点重合,这种“活零点”有利于识别断电和断线等故障。而且两线制还便于使用安全栅,利于安全防爆。
控制室仪表采用电压并联信号传输,同一个控制系统所属的仪表之间有公共端,便于检测仪表、调节仪表、计算机、报警装置配用,并方便接线。
现场仪表与控制室仪表之间的联络信号采用4~20mA.DC的理由是:因为现场与控制室之间的距离较远,连接电线的电阻较大,如果用电压信号远传,优于电线电阻与接收仪表输入电阻的分压,将产生较大的误差,而用恒流源信号作为远传,只要传送回路不出现分支,回路中的电流就不会随电线长短而改变,从而保证了传送的精度。
控制室仪表之间的联络信号采用1~5V.DC理由是:为了便于多台仪表共同接收同一个信号,并有利于接线和构成各种复杂的控制系统。如果用电流源作联络信号,当多台仪表共同接收同一个信号时,它们的输入电阻必须串联起来,这会使最大负载电阻超过变送仪表的负载能力,而且各接收仪表的信号负端电位各不相同,会引入干扰,而且不能做到单一集中供电。
采用电压源信号联络,与现场仪表的联络用的电流信号必须转换为电压信号,最简单的办法就是:在电流传送回路中串联一个250Ω的标准电阻,把4~20mA.DC转换为1~5V.DC,通常由配电器来完成这一任务。
三、为什么变送器选择4~20mA.DC作传送信号?
1、首先是从现场应用的安全考虑
安全重点是以防爆安全火花型仪表来考虑的,并以控制仪表能量为前提,把维持仪表正常工作的静态和动态功耗降低到最低限度。输出4~20mA.DC标准信号的变送器,其电源电压通常采用24V.DC,采用直流电压的主要原因是可以不用大容量的电容器及电感器,就只需考虑变送器与控制室仪表连接导线的分布电容及电感,如2mm2 的导线其分布电容为0.05μ/km左右;对于单线的电感为0.4mH/km左右;大大低于引爆氢气的数值,显然这对防爆是非常有利的。
2、传送信号用电流源优于电压源
因为现场与控制室之间的距离较远,连接电线的电阻较大时,如果用电压源信号远传,由于电线电阻与接收仪表输入电阻的分压,将产生较大的误差,如果用电流源信号作为远传,只要传送回路不出现分支,回路中的电流就不会随电线长短而改变,从而保证了传送的精度。
3、信号最大电流选择20mA的原因
最大电流20mA的选择是基于安全、实用、功耗、成本的考虑。安全火花仪表只能采用低电压、低电流,4~20mA电流和24V.DC对易燃氢气也是安全的,对于24V.DC氢气的引爆电流为200mA,远在20mA以上,此外还要综合考虑生产现场仪表之间的连接距离,所带负载等因素;还有功耗及成本问题,对电子元件的要求,供电功率的要求等因素。
4、信号起点电流选择4mA的原因
输出为4~20mA的变送器以两线制的居多,两线制即电源、负载串联在一起,有一公共点,而现场变送器与控制室仪表之间的信号联络及供电仅用两根电线。为什么起点信号不是0mA?这是基于两点:一是变送器电路没有静态工作电流将无法工作,信号起点电流4mA.DC,不与机械零点重合,这种“活零点”有利于识别断电和断线等故障。
四、4~20mA传感器的由来?
采用电流信号的原因是不容易受干扰、并且电流源内阻无穷大,导线电阻串联在回路中不影响精度,在普通双绞线上可以传输数百米。
采用电流信号的原因是不容易受干扰,因为工业现场的噪声电压的幅度可能达到数V,但是噪声的功率很弱,所以噪声电流通常小于nA级别,因此给4-20mA传输带来的误差非常小;电流源内阻趋于无穷大,导线电阻串联在回路中不影响精度,因此在普通双绞线上可以传输数百米;由于电流源的大内阻和恒流输出,在接收端我们只需放置一个250欧姆到地的电阻就可以获得0-5V的电压,低输入阻抗的接收器的好处是nA级的输入电流噪声只产生非常微弱的电压噪声。
上限取20mA是因为防爆的要求:20mA的电流通断引起的火花能量不足以引燃瓦斯。下限没有取0mA的原因是为了能检测断线:正常工作时不会低于4mA,当传输线因故障断路,环路电流降为0。常取2mA作为断线报警值。电流型变送器将物理量转换成4~20mA电流输出,必然要有外电源为其供电。最典型的是变送器需要两根电源线,加上两根电流输出线,总共要接4根线,称之为四线制变送器。当然,电流输出可以与电源公用一根线公用VCC或者GND,可节省一根线,称之为三线制变送器。其实大家可能注意到,4-20mA电流本身就可以为变送器供电。变送器在电路中相当于一个特殊的负载,特殊之处在于变送器的耗电电流在4~20mA之间根据传感器输出而变化。显示仪表只需要串在电路中即可。这种变送器只需外接2根线,因而被称为两线制变送器。工业电流环标准下限为4mA,因此只要在量程范围内,变送器至少有4mA供电。
因此、4-20mA的信号输出一般不容易受干扰而且安全可靠、所以工业上普遍使用的都是二线制4-20mA的电源输出信号。但为了能更好的处理传感器的信号、目前还有更多其它形式的输出信号:3.33MV/V;2MV/V;0-5V; 0-10V等。
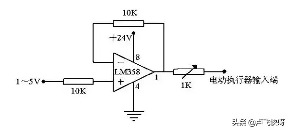
另附一张4到20mA转电压信号的简单电路图:
这张图使用一个250欧姆的电阻将4到20mA的电流信号转换成1到5V的电压信号,然后使用一个RC滤波加一个二极管(原谅我模拟电路不好,并不知道是什么意思)接到单片机的AD转换引脚。
维修电工技师技能培训之单片机模拟量输入接口学习
学习内容:
1.常用模拟量输入信号转换电路设计;
2.AD0809芯片学习;
3.系统程序流程图绘制方法;
4.根据程序流程图编写C语言程序;
5.系统调试与检修。
学习任务:
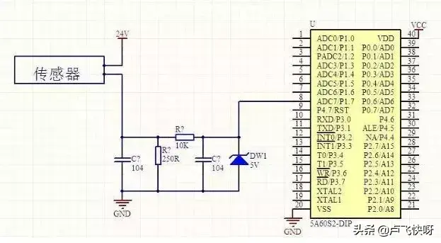
利用89S52单片机作为控制核心实现对一系统的反馈电压信号采集:
1.技术要求:
(1)采用AD0809芯片搭建模数转换电路;
(2)系统反馈电压为0~10V的模拟量信号,利用运算放大器LM324将其转换为0~5V的电压信号作为模数转换信号;
(3)将采集的信号显示在LCD12864液晶上,显示数据对应的实际的物理量;
2.任务要求:
(1)根据装置和指导书测绘电路,作出详细的电路原理图;
(2)列出单片机I/O列表并写明信号去向和作用;
(3)根据要求绘制程序流程图;
(4)根据流程图编写C语言程序;
(5)系统调试,实现其技术要求。
学习准备:
2.设备与器材明细如下表所示。
学习过程:
1.信号转换电路认知
2.硬件实践学习
(1)实践者根据所学内容自行分析电路原理。
(2)学员自行查阅或者检索资料,结合完整电路图和实际硬件结构填写下表,
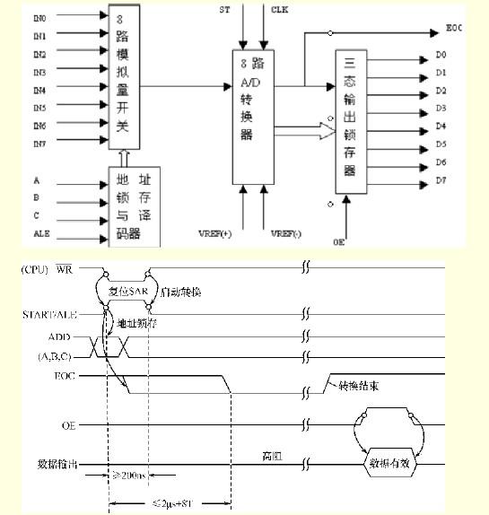
认知AD0809电路:
2.实践学习
(3)AD0809内部结构和工作时序
2.实践学习
2.实践学习
(7)信号测试,填入下表
请思考
(1)分析89S52单片机ALE管脚的作用和工作原理。
(2)分析74LS74电路在系统中作用,分析具体原理。
(3)流程图设计的注意事项是什么?
(4)单片机处理模拟量输入信号时,要满足那些要求?
实际操作;
利用89S52单片机作为控制核心实现对一系统的反馈电流信号采集:
1.技术要求:
(1)采用AD0809芯片搭建模数转换电路;
(2)系统反馈电流为4~20mA的模拟量信号,利用运算放大器LM324将其转换为1~5V的信号作
为模数转换信号;
(3)将采集的信号显示在LCD12864液晶上,显示数据对应的实际的物理量;
2.实训任务:
(1)根据实验装置绘制并改进电路,作出详细的电路原理图;
(2)列出单片机I/O列表并写明作用;
(3)根据AD0809芯片时序图编写C语言程序;
(4)系统调试,实现其技术要求。
(5)撰写实训任务书。
相关问答
单片机模拟量 信号波动大怎么处理?处理单片机模拟量信号波动较大的方法有以下几种:1.滤波处理:使用滤波器来降低信号的噪声和干扰。常见的滤波器有低通滤波器和限幅放大器,可以根据具体情况选...
51 单片机 可以接收 模拟 信号吗?回答是:可以。51系列单片机品种非常多,主要的厂家有Intel、philips、Atmel、silicon等等,除了少数型号,绝大多数型号都带有A/D(模拟/数字转换器)引脚,可...
单片机 的I/O接口能输入或输出 模拟 信号吗? - 鬼皇一号 的回答...单片机的I/O接口,如果该I/O口有AD功能就可以,以模拟量信号输入,如果该I/O口有PWM功能就可以,以PWM调制信号输出,或者通过滤波以模拟量信号输出,现在...
单片机 AD口检测电压?内部晶体管处于开漏状态,无输出电压。就算可以测的也是感应电压,不是有效电压。正常使用AD口需要一个有效的模拟量才可以。内部晶体管处于开漏状态,无输出电...
会51 单片机 ,如何快速学习使用STM32 单片机 ?单片机其实都是相通的,会了一种单片机,对着数据手册查看一下寄存器的设置可以快速的入手其他型号的单片机。会51单片机,说明有单片机的基础,再去学习STM32单...
【 单片机 .速度来回答(43)在共阳极数码管使用中,若要仅显示...[最佳回答](45)C.模拟量到数字量的转换和采样/保持
单片机 AD转换位数,10位,12位,是什么意思?10,12代表什么?有什么计算关系吗?两者的计算关系:“位数”是A/D转换器的数学表达力(分辨力),就是输出的最小变化量其实是模拟量的离散值,在二进制系统中,它是满度量程的1/(2^x),式中的x...“...
单片机 控制大电流器件,如何实现电路隔离?单片机控制大电流器件,如何实现电路隔离?单片机用在工业现场,出现异常状况多数是源自于干扰,造成程序跑飞、控制失灵,有时出现严重事故。根据题目说的,单...单...
单片机 可以连接什么?具有模拟量,开关量输入的器件,带总线接口的器件。具有模拟量,开关量输入的器件,带总线接口的器件。
PLC与 单片机 相比,有什么优势?PLC与单片机相比优势是:高可靠性、强抗干扰能力、编程方便、使用便捷、恶劣工业环境适用强。PLC控制系统,可编程逻辑控制器,专为工业生产设计的一种数字运算...
