一文读懂恒流源电路模块设计
恒流源是能够向负载提供恒定电流的电源,因此恒流源的应用范围非常广泛,并且在许多情况下是必不可少的。例如在用通常的充电器对蓄电池充电时,随着蓄电池端电压的逐渐升高,充电电流就会相应减少。为了保证恒流充电,必须随时提高充电器的输出电压,但采用恒流源充电后就可以不必调整其输出电压,从而使劳动强度降低,生产效率得到了提高。恒流源还被广泛用于测量电路中,例如电阻器阻值的测量和分级,电缆电阻的测量等,且电流越稳定,测量就越准确。
一、集成运放构成的线性恒流源
采用集成运放构成的线性恒流源 电路构成如图所示,两个运放(一片324)构成比较放大环节, BG1、BG2三极管构成调整环节, RL 为负载电阻, RS为取样电阻, RW为电路提供基准电压。工作原理:如果由于电源波动使Uin降低,从而使负载电流减小时,则取样电压US必然减小,从而使取样电压与基准电压的差值(US- Uref)必然减小。由于UIA为反相放大器,因此其输出电压Ub=(R5/R4)×Ua必然升高,从而通过调整环节使US升高恢复到原来的稳定值,保证了US的电压稳定,从而使电流稳定。当Uin升高时,原理与前类同,电路通过闭环反馈系统使US下降到原来的稳定值,从而使电流恒定。调整RW,则改变Uref,可使电流值在0~4A之间连续可调。
二、采用开关电源的开关恒流源
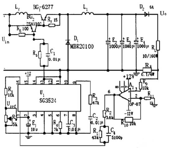
采用开关电源的开关恒流源电路构成如图2.3.2所示。BG1为开关管,BG2为驱动管, RL为负载电阻, RS为取样电 阻, SG35 24为脉宽调制控制器, L1、E2、E3、E4为储能元件, RW提供基准电压Uref。图采用开关电源的开关恒流源工作原理:减小开关器件的导通损耗和开关损耗是提高电路效率的关键。为此,器件选择饱和压降小、频率特性好的开关三极管和肖特基续流二极管。
扼流圈L1的磁芯上再绕一个附加线圈,利用电磁反馈降低开关三极管的饱和压降,并采用合理的结构设计,使电路的分布参数得到有效的控制。当电源电压降低或负载电阻RL 降低时,则取样电阻RS 上的电压也将减少,则SG3524的12、13管脚输出方波的占空比增大,从而使BG1导通时间变长,使电压U0回升到原来的稳定值。BG1关断后,储能元件L1、E2、E3、E4保证负载上的电压不变。当输入电源电压增大或负载电阻值增大引起U0增大时,原理与前类同,电路通过闭环反馈系统使U0下降到原来的稳定值,从而达到稳定负载电流IL 的目的。
三、采用集成稳压器构成的开关恒流源
采用集成稳压器构成的开关恒流源 电路构成如图所示。MC7805为三端固定式集成稳压器,RL 为负载电阻,RW为可调电阻器。工作原理:固定式集成稳压器工作在悬浮状态,在输出端2和公共端3之间接入一电位器RW,从而形成一固定恒流源。调节RW,可以改变电流的大小,其输出电流为:IL=( Uout/RW) +Iq式中Iq 为MC7805的静态电流,小于10m A。当RW较小即输出电流较大时,可以忽略Iq。当负载电阻RL 变化时,MC7 8 05用改变自身压差来维持通过负载的电流不变。
RW 的确定:RW 的值可由RW=Uout/IL 确定。因Uout=5 V,IL=0.5~2A,因此确定的取值范围为2.5~10Ω。输出电压和负载变化范围的确定:根据设计要求,本例的输出电压U0=10V。由于恒流源的输出电流可调范围为0.5~2A,因此相应的负载变化范围为5~20Ω。以上几种恒流源结构简单,可靠性高,调整方便,在科研中已得到了应用。其中线性恒流源适用于蓄电池的恒流放电,开关恒流源适用于蓄电池的恒流充电,集成稳压器构成的恒流源适用于电阻测量等。
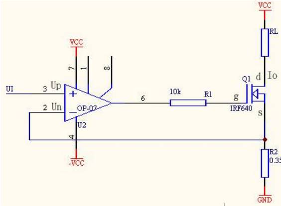
四、压控恒流源电路设计
压控恒流源电路设计 压控恒流源是系统的重要组成部分,它的功能是用电压来控制电流的变化,由于系统对输出电流大小和精度的要求比较高,所以选好压控恒流源电路显得特别重要。采用如下电路:电路原理图如图2.4.3所示。该恒流源电路由运算放大器、大功率场效应管Q1、采样电阻R2、负载电阻RL等组成1、硬件设计。
电路中调整管采用大功率场效应管IRF640。采用场效应管,更易于实现电压线性控制电流,既能满足输出电流最大达到2A的要求,也能较好地实现电压近似线性地控制电流。因为当场效应管工作于饱和区时,漏电流Id近似为电压Ugs控制的电流。即当Ud为常数时,满足:Id=f(Ugs),只要Ugs不变,Id就不变。在此电路中,R2为取样电阻,采用康铜丝绕制(阻值随温度的变化较小),阻值为0.35欧。运放采用OP-07作为电压跟随器, UI=Up=Un,场效应管Id=Is(栅极电流相对很小,可忽略不计) 所以Io=Is= Un/R2= UI/R2。正因为Io=UI/R2,电路输入电压UI控制电流Io,即Io不随RL的变化而变化, 从而实现压控恒流。同时,由设计要求可知:由于输出电压变化的范围U〈=10V,Iomax=2A,可以得出负载电阻RLmax=5欧。
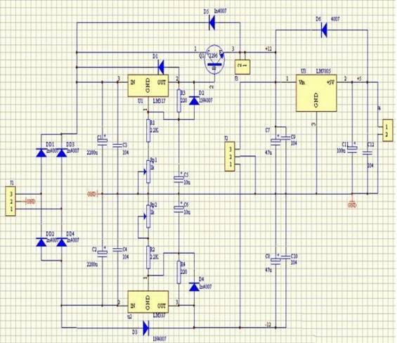
五、电源电路设计
本系统对电源有较高的要求。设计电源时既要保证电源的高稳定度,也要保证电源能输出大于2A的电流,故本系统采用三级管1264来扩流而且在使用电源时必须充分考虑电源的效率。电源电路如图所示,此电源电路采用了LM317和LM337,其输出电压是连续可调的,输出电压调到为+15V和-15V来供给硬件电路使用,其中-15V的电源是供运放使用的,不需要扩流;而+15V的电源的负载电流要求不低于2A,所以采用三级1264来扩流。另外用LM7805产生+5V的电压供凌阳SPCE061A单片机使用。
线性恒流源、开关恒流源,可靠性高,调整方便,在科研中已得到了应用。其中线性恒流源适用于蓄电池的恒流放电,开关恒流源适用于蓄电池的恒流充电,集成稳压器构成的恒流源适用于电阻测量等。SPCE061A单片机作为中央控制器,本系统有功能强、性能可靠、体积小、电路简单的特点。本系统最小可步进1mA ,精度也比较高。输出电流范围较宽。,硬件部分中采样电阻的热稳定性要较好,硬件中的核心模块为压控恒流源,其核心元件采用场效应管其性能和稳定性均高于三极管
智能语音控制系统将成智能家居下一个战场?天乔科技
智能语音控制系统将成智能家居下一个战场?
随着信息技术的不断发展,以及人们生活水平的提高,智能家居的出现与发展,使人们也在追随潮流的脚步,很多人希望自己的家智能化、网络化,管理起来方便快捷省心省时省力。科技永远是在不断发展的,在我国的智能家居领域中智能语音控制系统的应用并不广泛,相反的在国外智能语音控制系统的应用是很广泛的,当智能家居完全普及以后人们还会满足于此时的用手机APP控制智能家居现状吗?相信在中国智能家居市场下一步会向智能语音控制方向发展的,为什么这么说呢?
【智能家居现状】
现在的智能家居主要是通过ZIGBEE网关来控制电器设备、开关、安防设备等才能实现手机APP的控制,也有一些是通过WIFI、射频、转码来控制的。手机控制设备变得容易方便,而这并不是真正意义的智能家居,很多老一辈的人不会使用智能手机,年纪大眼睛花,对于他们来说用手机控制或许不是最好的方法,那么语音控制系统就起到了很大的作用,不用打开手机进行操作,只需对语音设备说上几句即可,也有一些人可能并不是随时都会把手机放在身边,不能做到及时控制,且身在家中不断的打开手机APP也可能成为一种麻烦,所以说语音控制自动化真的很重要。
【智能语音控制面临的问题】
语音控制已掀起热潮,人们希望智能家庭更加的智能化、自动化、人性化,如家里面的空气环境不理想的时候,空气检测器检测到以后联动空调、空气净化器自动启动调节;开车的时候只需说话就能完成所需要做的事情;想听音乐的时候说播放某某歌曲背景音乐自动播放曲目;起夜上厕所感应器感应到人体移动自动开灯;要睡觉的时候说:我要睡觉了灯会慢慢变暗、窗帘会缓缓拉上、或是播放一首轻柔的音乐帮助你睡着等,只需要喊上一嗓子,家里的所有电器都会听从你的指挥,这感觉是不是很棒?。在智能家居系统中也早已有很多企业将语音控制引入智能家居且在研发当中,都希望能吃到语音控制这一块肥肉,但由于现在在智能语音控制系统领域中科技技术还不成熟,面临着语音识别率能力不高和语音采集等一些技术瓶颈问题。虽说能做出很多智能语音设备产品,但功能不会很齐全,应用起来不是台灵活,还不会真正的落地。
【语音控制发展前景】
《现代电子技术》文献中有说过:研究设计了基于SPCE061A单片机的ZIGBEE语音子节点。凌阳单片机SPCE061A能够进行语音信号的采集、处理以及语音识别,并与无线射频芯片CC2530之间通过串口进行通信。由语音识别系统以及ZIGBEE无线收发模块等所组成的语音子节点通过ZIGBEE无线网络与网关进行通信,通过网关来控制其他的ZIGBEE子节点。该系统实现了对开关型以及红外型家电的智能语音控制。该智能家居语音控制系统具有识别率高,控制使用方便等特点,有一定的发展前景。《大连理工大学》文献的摘要中也说过设计了一种基于ZIGBEE和以太网的智能家居系统。该系统由监控节点、网关节点和远程控制端组成。监控节点和网关节点通过ZIGBEE技术组成家庭内部网络,远程控制端通过以太网对家庭内部网络进行访问和控制。
相信在不久的将来,各个做智能家居的企业会设计出很多不尽相同却都是以语音控制为目的地语音控制系统,它将会广泛的被应用到通信、家电、汽车电子、医疗、办公、工业等领域,它的发展前景是非常乐观的,相信这一切并不遥远,也许只需要十年就能实现。
小编:Tijio天乔智控(转载请注明来源)
相关问答
麻烦朋友们,有什么好的:南京大电流交流恒流源网站,大电流...[回答]TL431恒流源电路对于电流没有要求,不高于110A即可。恒流源由信号源和电压控制电流源(VCCS)两部分组成。正弦信号源采用直接数字频率合成(DDS)技术,...
