单片机实例分享,红外感应自动移门的设计
红外感应自动移门无需人工干预,全自动运行,运转时平稳、安静。其高可靠性使得它适用于许多场合,是方便和舒适的理想产品。
红外感应自动移门由以下7部分构成。
(1)主控制器:它是自动感应门的指挥中心,通过内部编有指令程序的单片机,发出相应指令,指挥电机或电锁类系统工作。人们还可以调整自动感应门门扇的开启速度、开启幅度等参数。
(2)感应探测器:可以采用红外、激光或超声波等探测器。目前主要采用红外探测器,负责采集外部信号,如同人们的眼睛。当有移动物体进入它的工作范围时,它就给主控制器一个启动信号。
(3)动力电机:提供开门与关门的主动力,控制自动感应门门扇加速或减速运行。
(4)门扇吊具走轮系统:用于吊挂活动门扇,同时,在动力牵引下带动门扇运行。
(5)门扇行进轨道:就像火车的铁轨,约束门扇的吊具走轮系统,使门扇按特定方向行进。
(6)同步皮带(或三角皮带):这是用于传输电机所产生的动力,牵引门扇吊具走轮系统。目前大部分产品使用同步皮带。
(7)下部导向系统:这是门扇下部的导向与定位装置,防止门扇在运行时前后摆动。
工作过程
上电后,红外感应自动移门先进行初始化工作:以学习速度缓慢开门,撞墙后停下,并清除长度计数器。然后,以学习速度缓慢关门,门关拢后停下,将测得的正确行程(开门或关门长度)存入单片机的EEPROM,从而进入待机状态。
在待机状态下,如果红外感应探测器探测到有人进入,便输出一个启动信号给主控制器。主控器得到此信号后,控制电机运行,同时监控电机转数(开门长度),以便控制电机在什么时候加速、什么时候匀速、什么时候减速运行。电机得到一定运行电流后,正向运行,将动力传给同步带,再由同步带将动力传给吊具系统,使门扇开启,完成一次开门过程。
自动感应门扇开启后,由控制器作出判断,如较长时间没有探测到人员进出,则通知电机反向运动,关闭门扇。
一次开门与关门过程中,电机的转速变化分析如图1.1所示。
在待机状态时,操作员可以输入红外感应自动移门的相关工作参数,见表1.1。
表1.1 红外感应自动移门的相关工作参数
图1.1 一次开门或关门过程中,电机的转速变化
系统方案设计
红外感应自动移门的主控制器由单片机控制器、数码管显示器、直流电机推动-驱动电路、速度信号反馈电路、继电器控制电路、按键输入电路、用户状态设置电路、红外线感应探测器及电源等组成,如图1.2所示。
图1.2 红外感应自动移门主控制器的构成
图1.3 遮断式光电开关的电路图
为了控制开门长度,我们需要监控电机转数,因此需要取得电机的旋转脉冲。常用的元器件为光栅式编码器,为了降低成本,我们使用遮断式光电开关(见图1.3)和自制的光栅盘构成转速信号反馈组件,如图1.4所示,光栅盘上的透光孔依需要可打8~24个。
在不明显降低使用寿命的前提下,为了降低成本,可以选用优质的24V有刷电机。这样,电机的控制芯片就可使用目前很流行的LMD18200。LMD18200是美国国家半导体公司的单通道直流电机驱动芯片,在12~60V电压下,可输出高达3A的电流,可以驱动一个较大功率的直流电机或步进电机。它内部集成有续流二极管,并有一个电流检测反馈输出,过热时能自动关断。它具有一个方向引脚和一个PWM信号输入引脚,制动引脚输入支持再生制动。只要PWM信号的频率低于1kHz,芯片内部的电容就足以让电荷泵为H桥集成功放电路上的MOS场效应管提供较高的电压。当PWM信号频率高于1kHz时,引脚1和引脚2之间、引脚10和引脚11之间,需要各加一个0.01μF的电容。LMD18200的典型应用方式如图1.5所示。
电路设计
由于红外感应自动移门的主控制器电路比较复杂,我们采取了层次化设计,共分为cpu&relay、sen&in、power 三个子电路(层次),子电路之间的连接方法如图1.6所示。
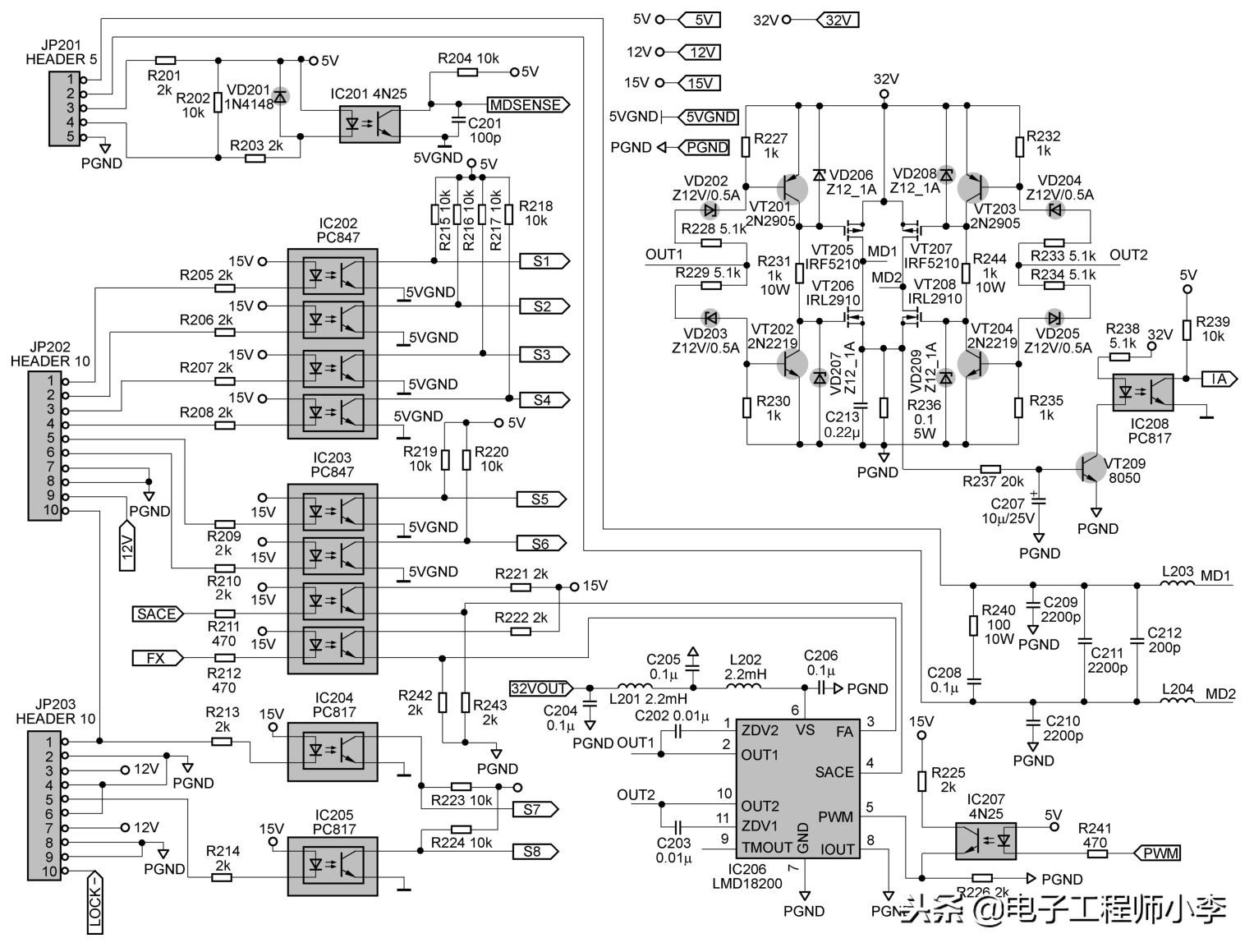
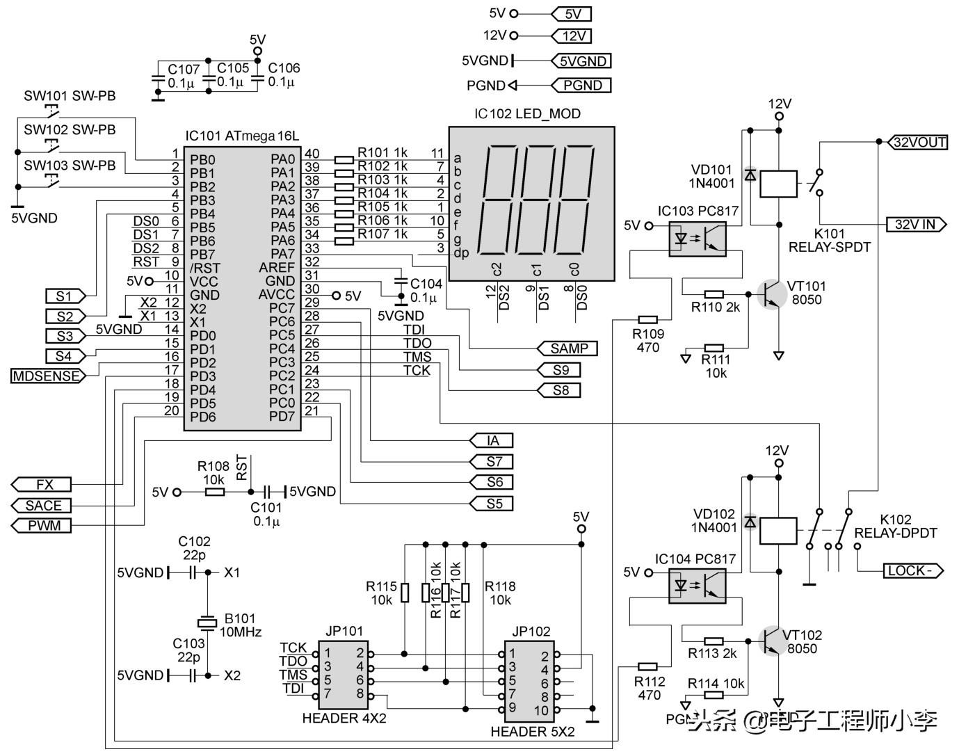
cpu&relay子电路如图1.7所示。单片机控制器IC101是整个系统的核心,负责整个红外感应自动移门的运行,这里使用功能强大、高性价比的ATmega16L,有效利用了它的片上资源。IC102为3位的数码管显示器,用来显示按键输入。SW101~SW103为按键输入电路。JP102为调试使用的JTAG仿真口。JP101为短路所用的双排针,用于选择是否启用JTAG仿真。继电器K101、K102用于通/断驱动电机的32V电压及锁停门扇。
图1.4 转速信号反馈组件示意图
图1.5 LMD18200的典型应用
图1.6 子电路的连接
sen&in子电路如图1.8所示。IC201为高速光电耦合器,它将直流电机旋转编码器输出的15V脉冲信号转换为5V脉冲,送入单片机处理。JP202、JP203连接到用户状态设置面板上。用户状态设置面板由两把钥匙控制,其中一把钥匙控制锁停门扇,另一把钥匙控制自动移门的8种工作状态。IC202~IC205为光电耦合器。门外侧的红外感应探测器1的输出信号加到JP203的1号脚,门内侧的红外感应探测器2的输出信号加到JP202的6号脚。红外感应探测器的作用是探测是否有人靠近自动移门,一旦有人靠近,会输出一个低电平。IC206为美国国家半导体公司生产的直流电机专用推动电路LMD18200,单片机发出的调宽脉冲信号经PWM端输入,OUT1、OUT2端即输出对应的直流电机调宽推动脉冲。SACE端为刹车信号控制端,加高电平后实现直流电机的紧急刹车。FA端为正反转控制端,高电平控制电机正转,低电平控制电机反转。LMD18200的输出端扩展了以VT205~VT208为分立元件构成的直流电机桥式驱动器,功率余量大,性能稳定。R236、VT208、VT209等构成电机堵转检测电路,当检测门扇全开或全关时(这时电机产生堵转),光电耦合器IC208导通,产生一个低电平给单片机。
图1.7 cpu&relay 子电路图
3. power 子电路
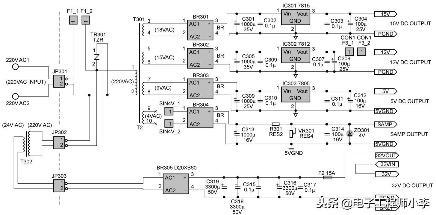
power子电路如图1.9所示。T301为控制变压器,次级共有4个绕组,经整流、滤波后,得到15V DC OUTPUT、12V DC OUTPUT、5V DC OUTPUT、SAMP OUTPUT 四组直流电压,供应红外感应自动移门的主控制器电路工作。其中SAMP OUTPUT目前未使用,留待将来系统升级时使用。T302为主变压器,其次级24V AC经整流、滤波后,得到32V DC供应直流电机工作。
设计完成的红外感应自动移门控制器PCB如图1.10所示。
图1.8 sen&in 子电路图
图1.9 power 子电路图
图1.10 红外感应自动移门控制器 PCB
程序设计
控制程序采用C语言设计,使用ICC7.14C编译器编译,比较简洁易懂。限于篇幅,这里就不做具体分析了。
保养及维护
红外感应自动移门由于受安装质量及使用环境的影响,使用过程中难免会发生问题。如果长期缺乏保养,导致自动门存在的隐患及小故障得不到及时处理,将会由小故障变成大故障,最终可能导致自动门的瘫痪,因此用户平时需要定期进行以下项目的保养工作。
(1)清洁机箱内部的油污、灰尘。
(2)检查自动门各种部件的磨损情况,检查自动门的支位偏差及螺丝松紧情况。
(3)检查皮带的松紧情况。
(4)检查控制器对电机输出、开关门宽度、速度、制动等状态是否正常。
(5)检查电压参数是否正常。
(6)维修、更换损坏的部件。
单片机实例分享,反射式红外测速仪DIY
常用的测速方法
常用的测速传感器可输出脉冲信号,只要通过频率电压或电流转换就能与电压、电流输入型的指针表和数字表匹配。频率电流转换的方法有阻容积分法、电荷泵法和专用集成电路法,前两种方法在磁电转速仪中也有运用。专用集成电路大多数是阻容积分法、电荷泵法的综合。目前,常用的专用集成电路有LM331、AD654和VF32等,转换精度在0.1%以上;但在低频时,这种转换就无能为力。采用单片机或FPGA做F/D和D/A转换,转换精度在0.5%~0.05%,量程从0~2Hz到0~20kHz,频率低于10Hz时反映时间也会变长。
在显示精度、可靠性、成本和使用灵活性上有一定要求时,就可直接采用脉冲频率运算型测速仪。频率运算方法有定时计数法(测频法)、定数计时法(测周法)和同步计数计时法。测频法在测量上有±1的误差,低速时误差较大。测周法也有±1个时间单位的误差,在高速时,误差也很大。同步计数计时法综合了上述两种方法的优点,在整个测量范围都达到了很高的精度,万分之五以上精度的测量转速仪表基本都采用同步计数计时法。
反射式红外测速仪的设计
这里我们介绍一款实用的反射式红外测速仪的设计与制作。
反射式红外测速仪在测量物体运转速度时,首先向被测物体发射出红外线脉冲,利用被测物体表面的反射能力(可在被测物体表面粘贴白色的反射纸等),使红外接收器收到光脉冲信号,然后通过光电转换电路将光脉冲信号转变为电脉冲信号,电脉冲信号通过放大和处理后,输入到单片机的计数控制门,与内部的标准表秒脉冲信号相比较,经运算后,通过显示器将被测物体运动的旋转速度显示出来。
红外探头的测量距离根据实际需要,可设计成近距离和远距离两类。近距离的探头可采用小功率发光管和光敏受光管。如果是远距离的测量,探头就可采用中、大功率的发光二极管或者是合适的激光二极管。
1.系统设计方案
图26.1为反射式红外测速仪的系统构成方框图,由单片机控制器、38kHz载频振荡器、红外线发射/接收电路、8×2点阵字符型液晶屏及工作电源等组成。
图26.1 反射式红外测速仪的系统构成方框图
2.转速测试原理
转速测试原理见图26.2。进入测试状态后,38kHz的载频振荡器起振工作,驱动红外发射管向外发射红外载频信号。单片机首先检测信号的边沿,当一个脉冲的下降沿到来时(图中A点),计数器开始对脉冲计数,同时,单片机还启动定时器进行测试计时。当定时器计时到1000ms时(图中B点),单片机发出一个准备结束本次测试的信号,这时程序又开始检测信号的下降沿,当下降沿到来时(图中C点),单片机对脉冲的计数cnt及对测试时间的计时time完成。此时根据公式:转速=(cnt/time)×60000即可算出此时的转速。当计时到1300ms时(图中D点),单片机输出显示,将测得的转速显示到液晶屏上。此次测试、显示完成后,又进入下一次的测试、显示,周而复始。
图26.2 转速测试原理
测速仪常用于电机、电扇、纸张、塑料、化纤、洗衣机、汽车、飞机、轮船等制造业中。依据对转速检测原理的不同,测速仪可分为以下几种类型。
离心式测速仪:利用离心力与拉力的平衡来检测转速,是最传统的机械式测速工具,测量精度一般在1~2级。
磁性测速仪:利用旋转磁场,在金属罩帽上产生旋转力,通过旋转力与游丝力的平衡来检测转速。
电动式测速仪:电动式测速仪由小型交流发电机、电缆、电动机和磁性表头组成。磁性表头与小型交流电动机同轴连接在一起,小型交流发电机产生交流电,交流电通过电缆输送,并驱动小型交流电动机,小型交流电动机的转速与被测轴的转速一致,磁性表头指示的转速自然就是被测轴的转速。
闪光式测速仪:闪光式测速仪可发出频率可调的脉冲闪光,利用人眼视觉暂留的原理对转动物体进行测速。除了检测转速(往复速度)外,还可以观测循环往复运动物体的静像。
电子式测速仪:电子式测速仪是以现代电子技术及计算机技术为基础而设计的,一般有传感器和显示器,有的还有信号输出和控制。
3.电路设计
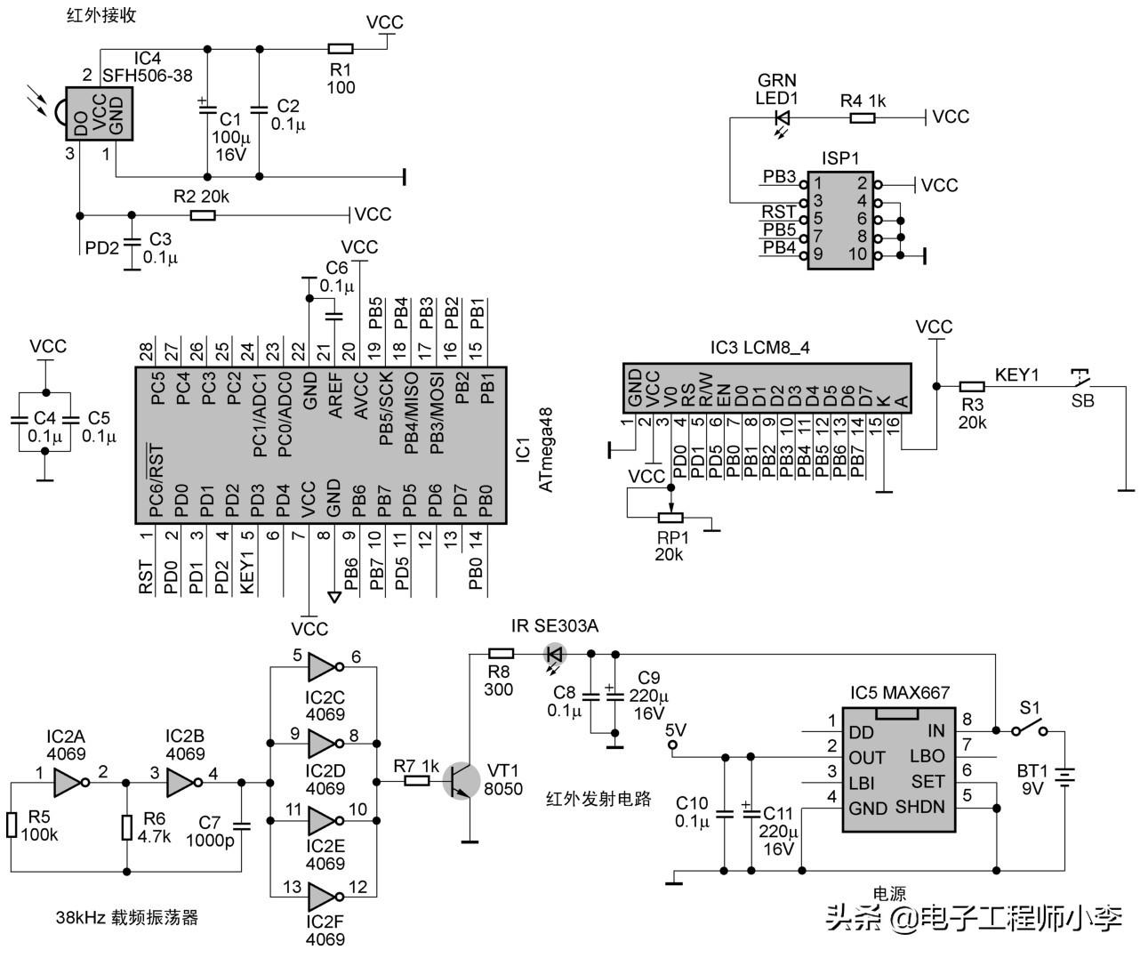
反射式红外测速仪的电路如图26.3所示。单片机选择Atmel公司的ATmega48,负责整个测试系统的运行。IC2及阻容元件组成了38kHz的载频振荡器,其载频经VT1放大后驱动红外发射管IR向外发射红外线。IC4为38kHz的一体化红外接收头,它负责红外线的接收、放大及解调,它将解调出的脉冲信号送入单片机进行计数处理。IC5为液晶显示模块,使用了8×2的点阵字符型液晶屏(带背光),形体较小,用于显示测试得到的转速。
图26.3 反射式红外测速仪电路图
整机供电使用9V积层单池,经稳压器IC5稳定为5V后,供单片机工作。笔者实际制作的发射、接收组件如图26.4所示,使用热熔胶固定。制作完成的样机上的液晶屏、电源开关及按键如图26.5所示,按键SB目前没有使用,作为备用,整机照片如图26.6所示。
图26.4 发射、接收组件
图26.5 液晶屏及控制按键
图26.6 反射式红外测速仪整机照片
主函数
void main(void)//主函数
{
uchar temp;//定义单字节无符号局部变量
float count,time,x;//定义浮点型局部变量
Delay_nms(400);//延时400ms,等待电源稳定
init_devices();//初始化单片机
InitLcd();//初始化液晶模块
display1();//液晶屏显示欢迎界面
Delay_nms(2000);//等待2s
display2();//液晶屏显示工作界面
DisFlag=1;//测速显示标志置1
while(1)//无限循环
{
WDR();//看门狗喂狗指令
if(DisFlag==1)//如果测速显示标志为1
{
time=(float)tx;//整数转成浮点数
count=(float)cx;
x=count/time;x=x*30000;//数学计算
DisVal=(uint)x;
/******将测得的4位转速值存放于显示缓冲区*******/
disx[3]=(DisVal/1000)%10;
disx[2]=(DisVal/100)%10;
disx[1]=(DisVal%100)/10;
disx[0]=DisVal%10;
/**********在液晶屏上显示转速值*********/
DisplayOneChar(4,1,disx[3]+0x30);
DisplayOneChar(5,1,disx[2]+0x30);
DisplayOneChar(6,1,disx[1]+0x30);
DisplayOneChar(7,1,disx[0]+0x30);
/**此次显示完成后,相关变量初始化,准备进入下一次的测试**/
DisFlag=0;WorkTime=0;
DisTime=0;
EndFlag=0;Start=0;cnt=0;
}
else//否则如果测速显示标志为0则进行脉冲取样
{
do{
temp=PIND&0x04;WDR();JS=1;//等待下降沿后下一次测试
if(Counter>1500)
{Counter=0;JS=0;DisFlag=1;cx=0;goto END;}
}while(temp==0x04);
BeginFlag=1;Start=1;GICR=0x40;
//重开INT0中断
END:;
}
}
}
4.软件设计
程序主要分为主控程序、液晶屏驱动程序和头文件三大部分,这样设计速度快、结构完善,并且也便于整个程序的装配。程序使用ICC7.14C集成开发环境编译。限于篇幅,这里仅介绍一下主函数,完整程序可以到QQ群下载。
调试与应用
本机唯一需要调整的是红外发射电路的38kHz载频,它关系到红外测速仪的使用灵敏度及可靠性。整机检查无误后通电,用一个10kΩ的多圈可调电位器代替R6,用示波器或频率计测R7电阻的任一端,细调电位器,使频率为38.000kHz,越准确越好。调好后,取下电位器,测出其阻值,用一个同阻值的固定电阻代替电位器,焊在R6位置。整机其他部分全是数字信号处理,因此只要器件良好,就无需调整了。
红外发射管需要套一个直径5mm的黑色热塑套管,并且与红外接收头稍微隔开一点距离安装,防止发射出的红外光直接进入红外接收头。当然也不能离开太远,以免降低接收灵敏度。
相关问答
目前在学 单片机 ,已经学会做流水灯了,怎么做 红外 遥控灯?用单片机制作遥控灯的方法还是比较多的,可以用无线电遥控灯、可以用蓝牙技术控制灯、还可以用无线发射模块nRF24L01实现无线射频遥控遥控灯。当然我们根据题目的...
单片机 温度传感器和 红外 线接收器作用?红外线传感器就是利用红外线的物理性质来进行测量的传感器。红外线又被叫做红外光,它包含有反射、折射、散射、干涉、吸收等性质。红外传感器的这种性质使得它...
单片机 如何能解码 红外 遥控器上的按键码?单片机红外遥控器编码一般由引导码+地址码(16位)+命令码(16位)组成,在普通的遥控器上所有的按键只是命令码不同,地址码是不变的单片机红外遥控器编码一般由引...
51 单片机红外 报警器怎么报警?1.通过红外传感器检测到目标物体后,51单片机会触发报警器进行报警。2.红外传感器可以检测到目标物体的红外辐射,当目标物体进入传感器的检测范围内时,传感器...
为啥我这51 单片机红外 接收程序用不了-ZOL问答2、使用P0=LED[不一样的值],添加到红外解码的代码里面。例如,如果数码管显示1,则表明P0=LED[1]之前的代码能够被运行,也就是引导码9ms的低电平能够被识别。你...
用re200b和51 单片机 做一个人体 红外 热释电传感器,简单的实现复杂,所以不用BISS0001?这个电路前端如果不是Re200b,那也是同样功能的传感器。电路用廉价运放LM324实现,由其中两个运放进行放大和滤波,通带电压放大倍数约3800倍,另两个运放做比较...
单片机 智能风扇为什么用蓝牙不用 红外 技术?单片机智能风扇使用蓝牙技术而不是红外技术的原因是因为蓝牙技术具有更高的可靠性和更大的传输距离。相比之下,红外技术在传输距离和障碍物遮挡方面存在很大的...
红外 发射能不能不用按键,改为 单片机 控制按键信号?《按下按键就发出信号,持续按按键持续发光,松开按键就停止发光》按照你所说的这些,并不需要单片机,直接用按键,来控制发光管,即可。《这组信号用红外接收头...
DYP-ME003热释电 红外 传感器模块怎样接到51 单片机 的接口上,这个传感器在检测到有人时会输出3.3V的电平?通过一个反相器(用个NPN型三极管就可以了)接到51单片机某个IO口就可以了,写程序时临近这个IO口的电平,当读到低电平表示有人。通过一个反相器(用个NPN型三极...
用51 单片机 写一个C程序, 红外 线反射管开关程序控制一个LED的亮灭?红外反射管高低电平输出接P1.0led接P1.1程序如下:红外反射管高低电平输出接P1.0led接P1.1程序如下:
