手把手教你制作无电源仍可走的时钟
芯片简介
乍一看题目读者可能会纳闷,这是什么奇怪的东西,不用电源还可以工作?其实笔者只是在这里卖了个关子,说的是不用外加电源也可以正常走时,并不是说整个电路工作时不需要供电。也就是说不使用时这个时钟不需要供电,在你加上电源之后就可以显示时间,并且仍然是正确的。就好像有些手机关闭之后又取下电板,等你下次开机的时候它又能显示正确的时间。其实这些手机里面都是有后备电池的,就是做时钟那一小块电路有后备电池供着电的。要是后备电池没有了电,取下电板后问题就来了,这也是为什么有些用久了的手机取下电板再装上,时间就不对了的缘故。但是本文说的这个时钟不需要外加后备电池,那它是怎么做到这一点的呢?请听我慢慢道来。
图5.1 实物图
图5.2 DS12887引脚
先了解一下“主角”的基本特性吧,DS12887是Dallas半导体公司推出的实时时钟芯片,在芯片内部集成了石英晶体、锂电池和其他支持电路,在没有外部供电的情况下,可以正确走时10年;可以计数时、分、秒、年、月、日和星期等信息,而且闰年补偿到2100年有效;内部的闹钟寄存器用来保存闹钟时间,当实时时间等于闹钟时间时,在DS12887的IRQ引脚输出低电平,微控制器可以利用此信号作为闹钟信号来处理。笔者用万用板焊接了电路,实物图见图5.1。下面将介绍如何使用DS12887制作这个时钟。
芯片引脚
了解了“主角”的基本特性,再来看看它的引脚。一个芯片的引脚可以看作是跟外界“交流”的通道,了解了引脚的用法就可以知道如何跟单片机相连。芯片引脚如图5.2所示,其中部分引脚命名与官方的数据手册有所不同,原数据手册上使用的是Motorala总线时序的命名方式,这里为了方便理解,采用Intel总线时序的命名方式,因为文章所使用的51单片机即为Intel时序。这两种总线时序最初分别是用在Motorala和Intel两家公司生产的芯片中,有兴趣的朋友可以在DS12887的数据手册上找到更详细的信息。
引脚MOT为总线方式选择,DS12887可以有两种时序:当MOT接VCC时选择Motorala总线时序;当MOT接地或悬空时选择Intel总线时序。本文用AT89S52作为控制器,AT89S52作为一种典型的51单片机,理所当然使用的是Intel总线时序。
AD0~AD7是地址、数据复用线,跟标准的51单片机的P0口类似,在一个读写周期里的前后两个时间段分别是作为地址线或数据线。它可以直接连接到AT89S52的P0口。
ALE为地址锁存信号,因为DS12887数据地址线采用分时复用的形式,所以需要ALE作地址锁存信号。在一个读写周期里AD0~AD7引脚上首先出现的信号表示地址,通过ALE的下降沿将该信号锁存到DS12887的地址寄存器,稍后AD0~AD7引脚上出现的信号则表示写入或读出DS12887的数据。ALE可以直接连接至AT89S52的ALE引脚。
RD、WR是读写控制信号引脚,分别连接AT89S52的RD(P3.7)、WR(P3.6)引脚。
CS为片选信号,为低电平时选中芯片,可以跟AT89S52的P2.7脚相连,这样就可以形成DS12887的读写基地址:0x0000。
IRQ引脚为中断输出信号,当DS12887产生中断时,在IRQ引脚输出有效低电平,该引脚为漏极开路输出,在外部需要加上拉电阻。
复位功能在本设计中不使用,RST可以直接接高电平。
片内资源
看完了外面,进到里面看看。DS12887内部有10字节的时钟(时、分、秒)、闹钟(时、分、秒)和日历(年、月、日、星期)寄存器和4个控制寄存器以及114字节的通用RAM。地址分配如附表所示。
在本文的设计中只使用了前面14字节的时钟、闹钟、日历和控制寄存器,其余的114字节的RAM并未使用。采用了如图5.3所示的电路图后,片内的14字节的地址分配就是从0x0000~0x000D,在程序中可以像访问外部RAM一样方便地读取和写入数据至这些地址。
0x0000~0x0009是时钟、闹钟和日历寄存器,保留了时间信息等相关内容,单片机可以通过读取这些内容将时间信息显示出来。
寄存器A的BIT6~BIT5控制DS12887内部晶体振荡器的关断。
寄存器B控制各种中断的使能,在本文中需要将闹钟使能位(BIT5)打开,BIT2决定输出的时钟数据是十六进制或是BCD码,BIT1决定时间采用的格式:24小时或12小时制。
寄存器C保存了中断标志位,若在使用多种中断的情况下,微控制器可以通过读取该寄存器辨别产生了何种中断,从而进入相应的处理程序。而在本设计中,只使用了闹钟中断,当在/IRQ引脚输出低电平时,就可以判断产生了闹钟时间到的中断。但是仍需要通过读取该寄存器以清楚中断标志,以免程序重复处理。
寄存器D是与器件是否有效相关的寄存器,本电路无需处理该寄存器。
附表 片内地址分配
硬件电路
电路使用4位一体共阴极数码管显示时钟、闹钟和日历信息,数码管采用CD4511作硬件译码,74LS06作动态选择和驱动电路。电路图如图5.3所示。
CD4511是一种用于数码管显示的译码芯片,在芯片输入引脚(D~A)输入4位二进制数值,在输出端(a~g)则译码输出共阴极数码管所需要显示的数值,例如,在CD4511的D~A这4个引脚输入“0101”(十进制的“5”,D为最高有效位数据),则在输出端的a~g输出“1011011”。而且CD4511有个很有用的“消隐”功能,即当输入端D~A的值大于9时,输出端a~g呈现高阻态,从而数码管表现为7段灯都会灭掉。
74LS06包含6个非门电路,本文只需要其中4路即可。在输入端置“1”,对应的输出端则为“0”,选中其中一个数码管。比如在AT89S52的P1.4输入“1”,则74LS06的4A引脚为“1”,在其对应的输出脚4Y输出就为“0”,从而选中与s1相连的DS1数码管。在焊接电路板时,可以将CD4511和74LS06这两个芯片放在数码管下方,这样整个电路板就会小巧一些。
图5.3 电路图
因为数码管只有4位,而且必须用其中的两位显示一项时间信息,所以每次只可以显示两项时间信息,例如,DS1、DS2分别显示月份的十位、个位,DS3、DS4分别显示日期的十位、个位。但要显示的时间信息要多得多,所以采用“分时复用”的方法轮流显示时和分、月和日、年和星期,在时间分配上笔者使用了下述方案:在每一分钟中,0~9s、20~39s、50~59s的时间里显示时钟的时和分,在10~19s内显示月和日,在40~49s内显示年和星期,而时钟的秒数则不作显示处理。因为星期的最大数值为7(表示星期天),可以只在个位显示,星期分配的十位可以作“消隐”处理。设定的闹钟信息不是需要经常查看的,所以不做上述的分时显示,而是通过按下KEY4键查看。
图5.4 主函数程序流程图
电路图中的4个按键功能分配如下,KEY1:数值加1键;KEY2:数值减1键;KEY3:调节项目选择,当该键按下可以选择不同的调节项目,依次为时钟的时、时钟的分、月份、日期、年、星期、闹钟的时和闹钟的分。KEY4:选择显示时间(包括时、分、月、日、年和星期)或闹钟。
红色的LED闪亮表示数码管当前显示的是闹钟的时和分,绿色的LED闪亮表示当前显示的是时钟的时和分;而红色的LED闪亮和蜂鸣器发出声音,则表示闹钟所定格的时间到来,发出警报提醒;当两个LED都不闪亮时表示显示的为日历信息,即月、日、年和星期,可以通过DS3是否显示数据区分出显示的是月、日还是年、星期。
软件设计
笔者使用的编译环境为Keil编译软件,采用C51编程语言。
整个程序由几个模块构成,文件mmi.c中包括一些人机交互处理的函数,比如读取按键、在数码管上显示时间信息、LED和蜂鸣器的发声处理等;文件ds12887.c中包括读写和初始化DS12887的函数;文件my52.c中包含延时函数;在文件main.c中则调用这些模块中的函数进行综合处理,主函数的程序流程图如图5.4所示。各个xxx.h文件中则是相应的xxx.c文件中的函数声明、全局变量声明等。更多源程序可以到qq群657864614进行下载!
单片机初始化软件代码,拷过去就能用,STM8的,必须收藏
这只是个封面,正文在下面
本人对单片机已经执着了十多年,做过的单片机项目不计其数,内心深处总是有一股给大家分享技术经验的冲动。
这次给大家呈现的是STM8S003单片机软件开发必须有的初始化软件代码,已经都替你调试好了,已经在批量产品中用上了,拷过去就能用了,你还等什么? 赶 紧 收 藏 啊!
#include "stm8s.h"
#include "stm8s_clk.h"
#include "stm8s_gpio.h"
static void MCU_PORT_Init(void);
static void MCU_CLK_Init(void);
static void MCU_SYS_Init(void);
static void IWDG_Config(void);
void MCU_Init(void)
{
MCU_PORT_Init();
MCU_CLK_Init();
MCU_SYS_Init();
}
static void MCU_PORT_Init(void)
{
GPIOA->CR2 = 0x00;
GPIOA->ODR = 0x00;
GPIOA->DDR = 0x04;
GPIOA->CR1 = 0xFF;
GPIOA->CR2 = 0x00;
GPIOB->CR2 = 0x00;
GPIOB->ODR = 0x00;
GPIOB->DDR = 0x00;
GPIOB->CR1 = 0xFF;
GPIOB->CR2 = 0x00;
GPIOC->CR2 = 0x00;
GPIOC->ODR = 0x00;
GPIOC->DDR = 0xE0;
GPIOC->CR1 = 0x1F;
GPIOC->CR2 = 0x00;
GPIOD->CR2 = 0x00;
GPIOD->ODR = 0x00;
GPIOD->DDR = 0x18;
GPIOD->CR1 = 0xDF;
GPIOD->CR2 = 0x00;
}
static void MCU_CLK_Init(void)
{
//4分频, fmaster=4MHz
CLK_HSIPrescalerConfig(CLK_PRESCALER_HSIDIV4);
CLK_HSICmd(ENABLE);
while (CLK_GetSYSCLKSource() != CLK_SOURCE_HSI){;}
CLK_LSICmd(ENABLE);
while (CLK_GetFlagStatus(CLK_FLAG_LSIRDY) = RESET){;}
}
static void MCU_SYS_Init(void)
{
IWDG_Config();
}
void IWDG_Config(void)
{
IWDG_Enable();
IWDG_WriteAccessCmd(IWDG_WriteAccess_Enable);
IWDG_SetPrescaler(IWDG_Prescaler_128);
IWDG_SetReload(249);
IWDG_ReloadCounter();
}
void main(void)
{
MCU_Init();
enableInterrupts(); /* enable interrupts */
for(;;)
{
IWDG_ReloadCounter(); /* feeds the dog */
/* 此处添加你自己的应用软件代码或函数 */
}
}
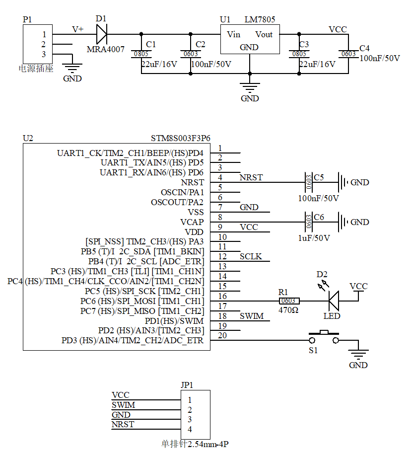
附:STM8S003单片机最小系统原理图
没看懂?在下面留言吧,放心,我会回复你的。后面我还会逐步分享更多的干货,别急,慢慢来。
结束语:单片机学习其实就是入门稍微难一点,但如果懂了C语言,又有微机原理基础,学起来其实不会难。虽然世界上的单片机有上千种,但我们不需要把每一种都学会,只需要学会一种,以后学第二种就很容易上手了。
可能很多单片机初学者在起步编写第一个单片机程序时会难以下手,建议大家在起步阶段直接拷贝一些现成的程序,让单片机先跑起来再说,然后再细细琢磨每一条语句,再然后就可以开发自己的单片机程序了。
相关问答
单片机 中断 初始化程序 ?voidINT_init()//初始化{IT0=0;//外部中断0低电平触发IT1=1;//外部中断1低电平触发PX0=1;//外部中断0分配高优先级PX1=0;IE=0x85;//使能全局中断,外部...
如何给 单片机 系统进行 初始化 ?你可以参考AT162单片机的DATASHEET来初始化,再根据你所要使用到的模块功能进行初始化,有些是复用口也需要初始化设置,根据IC的DATASHEET就不会错你可以参考AT...
8255芯片的 初始化 编程?8255的工作方式如下A方式0、输入,B方式1、输出,C7-4输出,C3-0输入控制字为95H,初始化程序:MOVAL,95HOUTport,AL8255的工作方式如下A方式0、输入...
单片机 按键复位 程序 怎么写?硬复位:用按键把单片机的复位脚(或电源)短接到地;软复位:1.把按键功能做成IO电平变化中断,进中断入口后,人为让程序跳转到程序初始化,起到复位的效果...硬...
单片机 中断 初始化程序 编程试编写一段中断初始化程序,使中断...[最佳回答]voidINT_init()//初始化{\x05IT0=0;//外部中断0低电平触发\x05IT1=1;//外部中断1低电平触发\x05PX0=1;//外部中断0分配高优先级\x05PX...
单片机 串口用 程序 为什么要 初始化 ?单片机串口通信需要定义一些基本配置参才能使用,这就是初始化。初始化的主要内容包括:1、波特率发生器配给,就是当前串口使用哪个定时器产生波特率。2、波...
51 单片机初始化 函数?51单片机(如AT89C51)的初始化函数主要用于配置单片机的各种外设和内部寄存器,以确保它们在程序开始执行前具有预期的状态。初始化函数通常在程序的主函数(如m...
单片机初始化 后把SP初始化为07H是什么意思?sp这个寄存器里面存的是07H。RAM初始化前七个被用作为R1-R7堆栈指针只能在07H上。07H也是地址。你说的81H是特殊寄存器sp的地址。也就是说地址81H里面的值是07...
用51 单片机 编写 初始化程序 。要求实现:外部中断0?汇编SETBIT0;setINT0inttype(1:Falling0:Lowlevel)SETBEX0;enableINT0interruptSETB...汇编...
单片机 里面什么是看门狗?如何实现系统 程序 的监控?看门狗其实是一个特别的定时器看门狗的英文是WatchDogTimer。其实就是单片机内置的一个定时器,如果定时器溢出,可以让单片机复位重启,可以避免程序跑飞或者...
