带你如何认识单片机及其型号?
单片机的模样、封装形式在之前的文章里也有过介绍,今天先介绍一下具体的封装有哪些。
02封装形式
第一种 DIP封装 形式如图1、图2
STC单片机图1
这种封装叫做双列直插式封装,在以前是绝大多数采用的封装形式之一,一般都是在中小规模集成电路上使用,但是这种封装的缺点很明显,占空间大。优点好焊接,制作工艺较为简单。
第二种 PLCC封装形式
plcc封装形式
带引线的塑料封装,这种封装是SMT封装形式之一, 又叫表面贴型封装外形一般为正方形,引脚从封装四侧引出。引脚呈丁字型或J型,它的封装要比DIP封装要小很多,占空间比较小。适用于SMT表面安装及布线。焊接时一般需要专业焊接技术,或者使用机械自动焊。
第三种 QFP和PFP
编辑搜图
PQFP封装形式
对这两种封装,它可以统称为PQFP封装。
QFP封装的引脚之间距离很小并且引脚很细,一般是在大规模和超大规模的集成电路中采用。它的引脚出了一般在100个以上,用这种封装芯片必须采用SMD技术将芯片与主板焊接起来。这种封装形式占空又更小且集成规模又更大。PFP封装形式和QFP封装差不多,唯一的区别就是外形不同。QFP一般为正方形。PFP它可以为正方形,也可以为长方形。
03芯片全部标号为STC 89C51RC 40C-PDIP 0707CU8138.00D
以STC 89C51RC 40C-PDIP 0707CU8138.00D标识含义为例
以STC 89C51RC 40C-PDIP 0707CU8138.00
以STC 89C51RC 40C-PDIP 0707CU8138.00D标识含义为例
1、STC为STC公司生产的芯片,例如AT是atmel公司生产的芯片。
2、8-表示该芯片为8051内核芯片。
3、 9-表示内部含Flash E2PROM存储器。还有如80C51中的0表示内部含Mask ROM(掩模ROM)存储器;如87C51中7表示内部含EPROM存储器(紫外线可擦除ROM)。
4、C-表示该器件为CMOS产品。还有如89LV52和89LE58中的LV和LE都表示该 芯片为低电压产品(通常为3.3V电压供电);而89S52中的S表示该 芯片含有可串行下载功能的Flash存储器,即具有ISP可在线编程功能。
5、5-固定不变。
6、1-表示该芯片内部程序存储空间的大小,1为4KB,2为8KB,3为12KB,即该数乘上4KB就是该芯片内部的程序存储空间大小。程序空间大小决定了一个芯片所能装入执行代码的多少。
7、RC-STC单片机内部RAM(随机读写存储器)为512B。
8、还有如RD+表示内部RAM为1290B。
9、40-表示芯片外部晶振最高可接入40MHz。对AT单片机数值一般为24,表示其外部晶振最高为24MHz。
C-产品级别,表示芯片使用温度范围。
C表示商业级,温度范围在0~+70℃
I表示工 业用产品,温度范围在-40℃~+85℃。
A表示汽车用产品,温度范围在-40℃~+125℃。
M表 示军用产品,温度范围在-55℃~+150℃。
PDIP-产品封装型号。PDIP表示双列直插式。
0707-表示本批芯片生产日期为07年第7周。
CU8138.00D-芯片制造工艺或处理工艺。
今天的内容到此结束,感谢广大单片机爱好者的指正与点评!下次内容为单片机外部控制。
当STM32遇到SDRAM
SDRAM是DRAM(动态随机访问存储器)的一种,是最为普遍使用的大容量RAM——俗称内存。(不过“内存”本来是“内部存储器”的意思,相对于“外部存储器”——磁盘、磁带、光盘等。ROM实际上也属于内部的存储器,只不过不可写只能放固定的信息。但是有了EEPROM、Flash ROM之后,因为这些存储芯片也可以改写,就把“内存”和RAM的概念搅混了——卖手机的告诉你内存有多大。实际上Flash ROM的地位等同于以前的硬盘。)目前PC、服务器以及便携设备的RAM大部分是DDR RAM,也是SDRAM的一种(DDR SDRAM),而一般说SDRAM被用来指非DDR的SDRAM了。
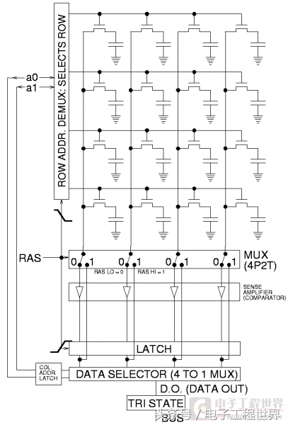
先看一下DRAM这类存储器的内部结构
每一个存储单元(1 bit)都是一个小电容加上控制它开关的晶体管,靠电容上有没有存储电荷来记忆0还是1的。所有的存储单元按行列排成一个矩阵:行控制线控制一行晶体管门极(控制通断),列控制线则连接一列晶体管漏极。这样选中某一行时,这一行存储单元的电容就反映在列控制线上:可以读电压判断是0还是1,可以充电或者放电来改写这一行单元。实际的DRAM芯片要比这个复杂,首先电容会漏电,所以需要过一段时间就重新充电或放电来保持记忆;又比如因为矩阵太大了,线上的分布电容比存储单元还要大得多,所以需要Sense amplifier来放大微小电压,需要在读之前给列控制线上的电容进行预充电;又比如因为列数量大于数据总线宽度,一次读取的数据需要锁存起来供多个数据总线周期访问等等,所以控制逻辑是比SRAM复杂的。但是因为单元简单所以DRAM芯片容量做得很大,成本比SRAM要低很多。
SDRAM这个词的"D"代表动态,"S"代表同步,表示它需要一个时钟信号,读写信号在时钟沿上有效。重要的信号除了 CLK, CLKE(时钟允许), /CS(片选) 外,还有
/RAS (低有效): Row Address Strobe, 行地址输入。SDRAM的地址是行和列复用的,省了引脚啊。
/CAS (低有效): Column Address Strobe, 列地址输入。
/WE (低有效): 写使能
但这三个信号并不是按它们的本意单独使用的,而是组合起来定义了若干命令:
除了读和写的命令,还有配置SDRAM模式寄存器的命令,有维持电容(记忆需要)的刷新命令,有预充电的命令等。在读一个位置数据之前,要先选择所在的行,再输出列地址,等待数据准备好……看起来有点复杂了吧,一连串的SDRAM读操作可能是这样的:
所以,SDRAM读数据远远不如SRAM那么简单,SRAM只要把地址送过去,OE一拉低,随后数据就出来到总线上了。SDRAM首先得把行地址送过去,再把列地址送过去,然后SDRAM还要墨迹几个周期,数据才开始送出来。不过有流水线操作,连续读一个行内数据的时候吞吐速度还是有保证的。与SRAM的对比,主要劣势在于延迟大。
在单片系统里,如果片上的RAM不够用来存储频繁更新的数据或者程序,外扩RAM是一个解决办法。在引脚资源丰富的单片机上,大都可以连接SRAM,例如STM32F103就有FSMC控制器,但是SRAM芯片成本高且不便宜。要用SDRAM,必须要带有SDRAM控制器的MCU,用GPIO模拟?还是算了吧。ST的单片机我用过不少了,在F4,F7系列某些型号上,是带有支持SDRAM的FMC控制器的,提供了使用SDRAM的途径,不过一定要144 pin以上的器才可以有对应的引脚分配。
可惜的是Nucleo-144开发板上是不带SDRAM的,得Discovery上才有可能了。我自己DIY了一块F746Z的开发板 【2月DIY】STM32F7开发板自己造,为了参考评估又从论坛借来了一块F429i Discovery开发板。从官方的电路图上可以学习SDRAM是怎样与MCU连接的。
除了Axx地址线,Dxx数据线,NBLx字节选择线这几组是和其它FMC支持的存储器公用线外,其它都是SDRAM专用的。ST MCU的FMC支持两个SDRAM Bank(注意不是指一片SDRAM中的Bank),所以有两组片选和时钟使能。F429i Discovery使用的是Bank2,我自己DIY的是使用Bank1.
有了FMC支持,SDRAM用起来和片上SRAM一样读写(只不过速度慢点罢了,但容量绝对优势)。配置也是启动后配一次即可,在STM32F429的demo例子中,我找到了SDRAM部分的配置函数调用:
void SDRAM_Init(void)
{
FMC_SDRAMInitTypeDef FMC_SDRAMInitStructure;
FMC_SDRAMTimingInitTypeDef FMC_SDRAMTimingInitStructure;
/* GPIO configuration for FMC SDRAM bank */
SDRAM_GPIOConfig();
/* Enable FMC clock */
RCC_AHB3PeriphClockCmd(RCC_AHB3Periph_FMC, ENABLE);
/* Timing configuration for 90 Mhz of SD clock frequency (180Mhz/2) */
FMC_SDRAMTimingInitStructure.FMC_LoadToActiveDelay = 2;
......
/* FMC SDRAM control configuration */
FMC_SDRAMInitStructure.FMC_Bank = FMC_Bank2_SDRAM;
/* Row addressing: [7:0] */
FMC_SDRAMInitStructure.FMC_ColumnBitsNumber = FMC_ColumnBits_Number_8b;
......
FMC_SDRAMInitStructure.FMC_SDRAMTimingStruct = &FMC_SDRAMTimingInitStructure;
/* FMC SDRAM bank initialization */
FMC_SDRAMInit(&FMC_SDRAMInitStructure);
/* FMC SDRAM device initialization sequence */
SDRAM_InitSequence();
}
这里有几个关键步骤:
1. 配置对应的GPIO引脚,不用多说了
2. RCC中使能FMC控制器
3. 配置SDRAM Bank的参数寄存器,包括Timing
4. 执行 InitSequence 给控制器发命令。
在ST手册上也描述了怎么配置FMC SDRAM部分的寄存器,其实说穿了也简单,主要是SDCR(1或者2), 和SDTR(1或者2). 然后用SDCMR来执行几次命令,等待SDSR寄存器的完成状态。最后在SDRTR中设置SDRAM刷新时间参数。
SDCR 寄存器
NB 位是根据SDRAM内部Bank数
NR 位是根据SDRAM行地址位数
NC 位是根据SDRAM列地址位数
MWID 位是选择SDRAM数据线宽度
上面这几项设置决定了SDRAM的容量,例如16-bit数据宽度的SDRAM地址映射按照下图,最高位是Bank,然后行地址,再列地址
CAS 位是SDRAM的 /CAS Latency设定,是读命令发出后过多少个时钟周期输出数据有效,它是SDRAM器件的一个可配置参数。
WP 位是写保护,若置位则总线上的写请求被FMC忽略。
RBURST 位是允许突发读模式,RPIPE 位是AHB总线上读延迟。这两个设置的影响我还不清楚,有待后面详细测试。
SDTR 寄存器,配置关键的Timing参数,也就是状态之间的最小延迟时钟周期个数。不同速度的器件,和运行的频率,都影响需要的最小延迟。
一共有 TRCD, TRP, TWR, TRC, TRAS, TXSR, TMRD 这些参数,可以通过SDRAM器件的手册获得(直接或推算),例如这样的表格
最影响SDRAM性能的关键参数是下表中的几个
关于Timing设置,延迟设置大了顶多吞吐速率低一点,但设置得不够长回造成读写不正确。我对STM32F429i开发板内带的Demo程序使用OpenOCD进行调试,读出来SDCR寄存器配置是0x29d4, SDTR寄存器配置是 0x00116361, 也就是设置了
CAS Latency=3
TRCD=1
TRP=2
TWR=2
TRC=7
TRAS=4
TXSR=7
TMRD=2
除了配置好控制器的参数外,SDRAM上电之后的初始化过程需要进行预充电、自动刷新、配置模式寄存器的过程。在FMC 的SDCMR寄存器中有对应的命令可供操作。
我写的测试初始化程序片段如下
while(FMC_Bank5_6->SDSR & FMC_SDSR_BUSY); /* wait */
FMC_Bank5_6->SDCMR =FMC_SDCMR_CTB1|1; /* enable clock */
delay_us(10000);
while(FMC_Bank5_6->SDSR & FMC_SDSR_BUSY); /* wait */
FMC_Bank5_6->SDCMR =FMC_SDCMR_CTB1|2; /* precharge-all */
while(FMC_Bank5_6->SDSR & FMC_SDSR_BUSY); /* wait */
FMC_Bank5_6->SDCMR =FMC_SDCMR_CTB1|FMC_SDCMR_NRFS_2|FMC_SDCMR_NRFS_1|FMC_SDCMR_NRFS_0|3; /* auto-refresh */
while(FMC_Bank5_6->SDSR & FMC_SDSR_BUSY); /* wait */
FMC_Bank5_6->SDCMR =FMC_SDCMR_CTB1|0x30<<9|4; /* load Mode register: CAS Latency=2, burst=1 */
/* 64ms, 4096 rows: 1542 for 100MHz, 1386 for 90MHz */
FMC_Bank5_6->SDRTR = 105<<1; // 8MHz
复制代码
值得提的是SDRAM芯片内部的模式寄存器(Mode Register), 如上图。它是通过SDRAM的地址线写入的数据(/CAS, /RAS, /WE同时为低)。这个寄存器中CAS Latency设置要和FMC控制器的设置一致。也因为Mode Register操作的存在(尽管不是唯一的原因),SDRAM的地址线在连到MCU的对应引脚时是不能交换的,这和SRAM不同。不过,SDRAM的数据线在同一组内(比如DQ0到DQ7)是可以交换的,PCB布线时可以交换引脚来提供一些方便。
STM32F4/F7 将 SDRAM Bank1 映射到 0xC0000000 开始的地址,SDRAM Bank2 影射到 0xD0000000 开始的地址。虽然SDRAM数据线款可以是 8-bit/16-bit/32-bit, 从AHB总线看到的都是32-bit数据宽度,FMC内部有FIFO,它会自动拆分和拼接数据,使程序不用关心用的SDRAM芯片是什么规格的。还可以用DMA来从SDRAM传输数据。下面这个图是STM32F746的扩展内存地址映射图:
编写一段程序测试一下SDRAM的读写和基本吞吐性能吧。用C语言,一个指针就搞定的事情:
在F429i板子上,SDRAM是8MB容量的,接在Bank2,所以地址是 0xD0000000 开始的8MB范围,相当于2097152个32-bit字。这段程序就是用计数值将这8MB填满,随地址增加,写入的值每次加1. 同时,我用TIMER 5来定时,测试一下这个大循环用的机器周期数,评估SDRAM的吞吐速率。类似地,也可以用16-bit和8-bit为单位进行写操作,我也分别编写了函数。
要检查写进去的数据对不对,再写个函数将8MB内存读一遍,检查是否是每个地址的数据递增的。读的时候也可以用32-bit, 16-bit或者8-bit来访问,于是我的测试程序就检验了3遍:
一旦发现读出来数值与写入的不一致,就返回出错的地址。这样可以帮助Debug. 现在开发板MCU用默认内部16MHz HSI时钟运行,SDRAM的时钟为HCLK的一半,也就是8MHz了。F427执行写操作比我臆想的要慢:
当然按照32-bit访问进行读或者写的总线效率是最高的,最快的时候是2M次写SDRAM总共用了大概12582914个机器周期,也就是每6个机器周期写一次。毕竟,指令执行也需要时间嘛,又不是全部都是写内存的STR指令,还有循环,计数,条件判断呢。6个指令周期一次循环,也不很慢。至于是否因为访问SDRAM造成了延迟——得用内部SRAM操作来对比一下看才知道。
这里先查看一下汇编代码是怎样的:
00000000 <f_word_write>:
0: 4a09 ldr r2, [pc, #36] ; (28 <f_word_write+0x28>)
2: 2300 movs r3, #0
4: 2101 movs r1, #1
6: 6253 str r3, [r2, #36] ; 0x24
8: f04f 4350 mov.w r3, #3489660928 ; 0xd0000000
c: 8011 strh r1, [r2, #0]
e: f843 0b04 str.w r0, [r3], #4
12: f113 5f3e cmn.w r3, #796917760 ; 0x2f800000
16: f100 0001 add.w r0, r0, #1
1a: d1f8 bne.n e <f_word_write+0xe>
1c: 4b02 ldr r3, [pc, #8] ; (28 <f_word_write+0x28>)
1e: 2200 movs r2, #0
20: 801a strh r2, [r3, #0]
22: 6a58 ldr r0, [r3, #36] ; 0x24
24: 4770 bx lr
26: bf00 nop
28: 40000c00
复制代码
这其中的循环是4条指令:
0e: str.w r0, [r3], #4
12: cmn.w r3, #796917760 ; 0x2f800000
16: add.w r0, r0, #1
1a: bne.n e
要写的数加1,写的地址每次加4,cmn指令比较地址是否到达要写的范围边界,bne是条件转移即循环的控制。这4条指令一共用6个指令周期,写SDRAM大概没有成为瓶颈。
有趣的是,从运行测出的结果看,用16-bit写入的时候,一次循环是7个指令周期;用8-bit写入时,一次循环又是6个指令周期了。此外,我试了下用部分循环展开的办法,减少循环的条件转移的开销,把32-bit写满内存时间缩短到原来的78%. 估计一下,如果用SDRAM作为被处理的数据存放地,性能上和片上SRAM相比损失不大,因为数据读写占CPU周期比例不会太多。不过,要作为代码存储例如运行uClinux,可能就有明显差距了。
STM32的FMC不支持SDRAM的Burst(突发)传输,未免有遗憾。在手册上是这么提的:burst length要设成1.
我尝试将burst length设成2/4/8, 结果测试就发现错误了。
以上图文内容均是EEWORLD论坛网友:cruelfox 原创,在此感谢。
欢迎微博@EEWORLD
如果你也写过此类原创干货请关注微信公众号:EEWORLD(电子工程世界)回复“投稿”, 也可将你的原创发至: bbs_service@eeworld.com.cn,一经入选,我们将帮你登上头条!
与更多行业内网友进行交流请登陆EEWORLD论坛。
相关问答
单片机 行业时常提到的M0 M1 M2 M3 M4 M7指的是什么-ZOL问答M0、M1、M2、M3、M4和M7是单片机中的概念,具体指代不同功能模块或者寄存器。在不同的单片机型号中,这些术语所代表的含义可能有所不同。M0一般用来表示一个普...
单片机M M模式是什么?工作方式不同M1M0I/O口模式00准双向口(传统8051I/O口模式),灌电流可达20mA,拉电流为230μA,由于制造误差,实际为25...工作方式不同M1M0...
在 单片机 嵌入式开发中temi= s [4]& amp;0x03这个与运算的作用是...这个要看s[4]的定义了,其运算解释为:将s[4]与0x03,按位相与。相当于,s[4]&0B00000011。(若s[4]定义为8位整型数据)s[4]&0B0000000000000...
51 单片机 如何定义t0为计时器t1为计数器?常规方法测量脉冲的频率,利用51单片机的两个定时器来测量,一个定时器0来定时,一个定时器1作为计数方式voidTimer0Init()//2毫秒@12.000MHz{...常规方法测...
1.在80C51 单片机 中,已知时钟频率为12MHz,如果需要利用定时...[最佳回答]voidTimer2()interrupt3//3为定时器1溢出;{TH1=(65536-1000)/256;TL1=(65536-1000)%256;//减多少就是定时多出时间。T...
单片机 usb接口那两根是电源线,那两根是数据线-ZOL问答红色-USB电源:标有-VCC、Power、5V、5VSB字样白色-USB数据线:(负)-DATA-、USBD-、PD-、USBDT-绿色-USB数据线:(正)-DATA+、USBD+、PD+、...
STC12c5204AD 单片机 22.1184晶振如何实现115200波特率串口通...这个是stc-isp软件生成的串口初始化函数:voidUartInit(void)//115200bps@22.1184MHz{PCON|=0x80;//使能波特率倍速位SMODSCON...
51 单片机 为什么晶振都用11.0592M?标准的51单片机晶振是1.2M-12M,一般由于一个机器周期是12个时钟周期,所以先12M时,一个机器周期是1US,好计算,而且速度相对是最高的(当然现在也有更高频率的...
m1 m2 m3是什么意思芯片?m1、m2、m3是指单片机的内核的类型。Cortex从M0开始一直到Cortex-M7。Cortex-Mx系列是ARM公司出品的一种内核芯片,Mx芯片系列主要面向低成本的实时性应用等...
51 单片机 编程制作电子钟时间问题.后两位数码管显示到59后,直...[最佳回答]ucharsec=0,min=0,tnum;把它放到主函数里面看看,并且tnum=0
