单片机如何利用GPRS模块获取位置信息
GPRS是如何获取位置的呢?GPRS不同于GPS,我们都知道GPS是通过卫星来定位,而GPRS是通过基站来定位,其定位精度收到通信基站的位置和密度的影响在没有基站的位置上,误差范围会比较大,也许系有人会问既然GPS定位更精准,拿为什么还需要基站定位呢?这是因为GPS定位只能在空旷的地方接收到信号,比如在高楼密集的城市,高架桥下,室内等GPS信号会很差或接收不到信号,同时也会受天气的影响如果天气差GPS信号强度会低很多。但基站定位虽精度虽不及GPS,但只要有基站至室内也可定位,且不会收天气的影响。随着基站的数量越来越多,GPRS的定位也会越来越准确。
基站定位示意图
获取位置流程
流程图
获取到基站的位置信息后我们可以调用LBS的数据仓库API接口进行查询,这里推荐一个比较好用的接口这个网站的查询接口是免费开放的,但是有限制,每5分钟限制查询300次,基站/WIFI/经纬度查询接口每日限制查询1000次如果我们的查询次数不多的话是足够用的,不够使用也有收费的可以用。
基站查询接口可查询全国移动联通电信的2G/3G/4G基站位置信息,收录数据超过两万条。下面是提供查询的API接口:
API接口
有与GPRS模块可以与服务器通讯所以我们在获取到基站的位置信息之后直接将数据通过单片机串口通过GPRS模块发送到服务器进行查询即可。
GPRS通讯示意图
1. 单片机通过AT指令服务器的相关信息配置进模块
(1) 设置工作模式为网络透传模式 AT+WKMOD="UDC"
(2) 使能 socket A AT+SOCKAEN="on"
(3) 设置 socket A 为 TCP 客户端,服务器地址为 api.cellocation.com,服务器端口号为 81。 AT+SOCKA="TCP", api.cellocation.com",81
(4) 使能心跳包 AT+HEARTEN="on"
(5) 设置心跳包发送间隔 AT+HEARTTM=30
(6) 使能注册包 AT+REGEN="ON"
2. 查询基站信息
单片机串口发送 AT+LBS?
返回坐标信息 如: LAC =21269,CID =30321
3. 调用数据接口进行位置查询
GET /cell/?mcc=460&mnc=1&lac=4301&ci=20986&output=csvHTTP/1.1
Host:api.cellocation.com:81
发送数据时这个位置一定要空两行
发送时将lac和ci替换为获取到的坐标信息即可,返回的数据是CSV格式的,我们用","来解析即可获得经纬度和具体的位置信息
基于GPRS的接触网补偿装置远程监控系统设计
谭朋柳,周乐,冒苏敏
(南昌航空大学,江西 南昌 330000)
:为准确、及时地发现铁路接触网补偿装置的故障,文中通过监测接触网环境温度及承力索、接触线的长度变化来判断接触网补偿装置是否有卡滞现象。该系统以C8051F930芯片作为系统的主控制器,以SIM900A无线传输模块作为无线传感网络的通信节点,各个节点之间以不同的时间间隔向服务器发送数据,结合GPRS无线通讯技术及Web互联网技术,将节点连接到远程服务器。实验结果表明,该系统性能稳定,检测精度高,满足相关设计要求。
:接触网;补偿装置;远程监控系统;GPRS;SIM900A
:TN806文献标识码:ADOI: 10.19358/j.issn.1674-7720.2017.05.002
引用格式 :谭朋柳,周乐,冒苏敏.基于GPRS的接触网补偿装置远程监控系统设计[J].微型机与应用,2017,36(5):4-7,10.
0引言
*基金项目: 国家自然科学基金资助项目(61364023);航空基金资助项目(2013ZD56008);江西省教育厅科技项目(GJJ13516)随着列车运行速度的提高,铁路运行密度逐步加大,对牵引供电系统安全可靠性的要求也越来越高。接触网是牵引供电系统的重要设备之一[14],运行中的接触网要承受电力机车以一定的压力高速接触摩擦运行,再加上通过接触网的电流高达1 000 A以上,接触网还受拉力、电弧、风雪、雾雨及大气污染的作用,使接触网昼夜不停地处在振动、摩擦、电弧、污染、伸缩的动态运行状态之中,一旦发生故障将中断行车,扰乱电气化铁路的运输秩序,带来经济损失[5]。快速、准确地发现故障,及时、迅速地进行抢修,消除供电事故,最大限度地减少事故影响,是铁路电气化区段运行检修业界追求的目标,是努力提高铁路服务质量的保障。对接触网进行在线监测是提高接触网可靠性的重要方法之一,本文对接触网在线监测技术进行研究,提出基于GPRS的接触网补偿装置远程监控系统设计。
1系统总体设计
随着大气温度的变化,承力索和接触线会线性伸长(或缩短),通过监测接触网所处环境的温湿度以及补偿坠砣到接触网下锚支柱之间的位移,对比不同温度下的位移变化来判断接触网是否有补偿卡滞现象,实现对接触网的监测。接触网补偿装置远程监控系统安装在支架和坠砣之间,测量时设备对接触网的运行状态影响很小。
图1系统总体框图基于GPRS的接触网补偿装置远程监控系统架构如图1所示,图中的虚线表示信号按无线方式传输。系统由无线采集节点、GPRS基站、互联网服务器、用户终端(计算机)构成。该系统的工作过程是对温湿度传感器和位移传感器周期性地进行数据采集,利用SIM900A模块通过基站将采集的数据发送到互联网服务器,计算机用户通过Internet来完成对温度和位移的监测。
该系统具有以下优势:(1)电源及监测模块不仅能够提供稳定的直流电压,还能快速地检测电源的电压和通断情况,确保保存的数据不丢失;(2)采用物联网[6]卡进行GPRS无线数据传输,保证数据传输率和可靠性,所用资费比GSM短信资费要低。
2系统硬件设计
系统硬件主要包含电源模块、微处理器模块、GPRS通讯模块、传感器等,系统硬件组成如图2所示。
2.1电源模块
电源系统输入电压为AC 220 V,输出12 V为运算放大器供电、5 V为外置传感器供电、4 V为GPRS模块供电、3.3 V为MCU模块供电,如图3所示。稳定的电源供电是系统能够安全并且高效工作的基础,考虑到接触网所处环境恶劣,设计时电源输入端采用金升阳LD1020B12电源转换模块[7]将220 V交流电输入转换为+12 V/1 A
输出。LD1020B12是小体积开关电源模块,具有输出短路、过流、过压保护等功能。其EMC及安全规格满足国际IEC/EN610004、CISPR11/EN55011、UL60950、EN60601的标准。最重要的是该电源模块输出隔离电压可达 4 000 V AC ,适用于高隔离及严格电磁兼容的应用场合。
2.2微处理模板
无线采集节点是该系统的核心部件,考虑到系统的应用场合及功能特点,其必须满足高性能、低功耗、低成本、小体积的要求,同时便于安装与维护。在硬件设计时选用C8051f 930单片机为微处理器[8],其与8051内核兼容,扩展的中断系统为CIP-51提供多个中断源。
器数据采集、电源模块控制、电源掉电监测等。其中MCU与GPRS通过串口通讯,与温度传感器通过IO口模拟的I2C接口通讯,通过IO口采集拉线式位移传感器输出的模拟量电压信号。
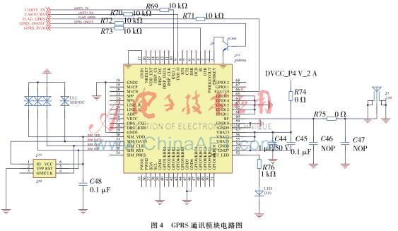
2.3GPRS通讯模块
无线通讯方式包括红外线、蓝牙、WiFi、ZigBee、GPRS等,但在超过1 km数据传输距离中,最可靠、最便捷、最低成本的方式是GPRS。GPRS无线网络具有覆盖范围广、接入速度快、使用成本低和永远在线等特点[910],因此上位机监测系统可以及时地获取接触网补偿装置相关参数,实时分析接触网补偿装置是否可靠运行。GPRS模块选用希姆通的SIM900A模块,其内部集成多种网络通信协议,可以实现语音、短信、数据等信息的远程传输,能够通过AT指令来实现与GPRS网络的连接。
GPRS模块电路如图4所示,由天线、阻抗匹配电路、SIM卡电路、ESD保护电路组成。其中RF管脚与50 Ω的射频天线相连,TXD、RXD管脚分别连接MCU串口接收端和发送端。系统所用SIM卡为13位物联网卡,用户可以获取丰富的码号资源。且物联网具有高质量的网络性能,通过建设物联网短信中心、物联网GGSN、物联网HLR等物联网专用网元,实现物联网用户与大众用户的网络分离,为行业客户提供可靠和稳定的网络。用户可以通过应用平台提供的接口,对终端的工作状态、通信状态等进行实时自主管理。
2.4防雷击接口设计
电子系统可能会受到瞬时过电压干扰,这些干扰源主要包括:由于通断感性负载或启停大功率负载,线路故障等产生的过电压,由于雷电等自然现象引起的雷电浪涌[11]。为避免浪涌电压损害电子设备,设计时采用箝位保护器,即保护器件在击穿后,其两端电压维持在击穿电压上不再上升,以箝位的方式起到保护作用,主要器件是氧化锌压敏电阻(MOV)、瞬态电压抑制器(TVS)。
3系统软件设计
3.1下位机程序设计
下位机软件采用C语言编写,在Keil 4 C51编译器下编译。下位机系统软件设计主要包括两部分:一是单片机对电源模块的控制及数据的采集;二是GPRS模块数据传输。下位机软件功能模块组成如图5所示。
3.2单片机对电源模块的控制及数据的采集
为降低功耗,MCU采集一组数据后休眠一段时间再进行数据采集,MCU有两种工作状态,即数据采集状态和休眠状态。数据采集状态下通过GPIO26打开电源开关,对外设模块供电,进行GPRS通讯初始化、数据采集、数据传输。休眠状态时通过GPIO26关闭电源开关,对外设模块断电同时MCU工作在休眠模式。
3.3GPRS模块数据传输
单片机通过串口与GPRS模块交换数据, 包括串口初始化、写串口数据等函数。读串口数据是通过中断来完成的。在串口函数基础上编写GPRS模块的驱动函数,控制方法是采用AT命令[12]。主要涉及的命令如表1所示。
GPRS终端和数据中心根据各自的IP地址相互通讯。常用的系统组网方式有3种[1314]:(1)采用公网固定IP,通讯速度快、运行可靠、组网简单,但该方式必须拥有固定的IP地址,总体成本较高。(2)采用公网动态IP+DNS域名解析方式,其通讯速度适中、通讯质量较为稳定、网络建设工作量小、通讯费用较低。(3)采用GPRS专线方式,其数据安全性好、通讯速度快,但是系统初期建设成本高。考虑到系统实验的条件,本系统采用公网动态IP+DNS域名解析的组网方式。
3.4上位机程序设计
数据采集时节点每隔30 min自动进行一次采集任务,并把采集到的数据发送给服务器。服务器接收数据并存储到数据库中。服务器设计采用Web框架:Struts2+Spring+Hibernate+JSP+JFreeChart,JDK版本为jdk 1.7。数据库服务器平台选用MySQL 5.5,其与服务端监测程序共用同一数据库,以实现数据共享[15]。上位机软件功能模块如图6所示。
4实验与应用
为验证接触网补偿装置远程监控系统的可行性,分别将拉线式传感器1和拉线式传感器2的拉线端固定在承力索和接触线的坠陀上,传感器的另一端固定在支架上,现场安装图如图7所示。人工测量不同时间点环境温度值、拉线式传感器1和拉线式传感器2的长度值,再与Web服务器监测的数据进行对比,实验数据如表2所示。测试结果显示传感器测量数据较准确,方案可行。
5结论
本文设计并实现了一套完整的接触网补偿装置远程监控系统,该系统以C8051F930芯片作为系统的主控制器,以SIM900A模块作为无线传感网络的通讯节点,个节点之间以不同的时间间隔向服务器发送数据,结合GPRS无线通讯及Web服务器技术,将节点连接到远程服务器。通过监测环境温度及接触网承力索、接触线的长度变化来判断接触网补偿装置是否有卡滞现象。该系统经试运行,能快速、及时、准确地寻找到故障点。
参考文献
[1] 郭永良. 电气化铁路接触网硬点产生因素及改进措施[J]. 科技创新与应用, 2016(1):192-193.
[2] 常占宁. 接触网补偿装置存在问题的分析及解决办法[J]. 铁道机车车辆, 2012, 32(1):102-104.
[3] 白博淳. 高铁接触网补偿装置在线监测系统设计研究[D]. 石家庄:石家庄铁道大学, 2013.
[4] 谢将剑, 王毅, 吴命利. 基于物联网的接触网在线监测技术[C]. 2013年高速铁路接触网零部件安全可靠性技术交流会, 2013.
[5] 周建和. 接触网硬点产生原因及改进措施探讨[J]. 文摘版:工程技术, 2015,10(8):101-102.
[6] 冯振生. 物联网卡号资源管理系统的设计与实现[D]. 北京:北京邮电大学, 2015.
[7] 金升阳. 金升阳推出240W导轨式ACDC电源[J]. 国内外机电一体化技术, 2015(3):56.
[8] AN Z, LU W, WEI H, et al. Pipeline network remote monitoring system based on 3GGPRS communication[J]. Scientific Journal of Control Engineering, 2013(4):271-275.
[9] 冯燕, 易波. 基于GPRS的LED实时更新系统[J]. 测控技术, 2015, 34(6):115117.
[10] 常占宁. 接触网补偿装置存在问题的分析及解决办法[J]. 铁道机车车辆, 2012, 32(1):102-104.
[11] 潘超, 刁望圆, 闪海利. 浅析输电线路防雷击措施[J]. 工业C, 2015(45):158-159.
[12] LI G. Power saving control method and apparatus for mobile device, mobile device and host terminal: WO ,169647[P]. 2014.
[13] 李志. 基于无线通信网络的车地数据传输策略优化与实现[D]. 北京:北京交通大学, 2015.
相关问答
单片机 串口多机通信电路如何接?首先需要明白两个概念,就是dte和dce。dte是指数据终端设备,典型的dte就是计算机和单片机。dce是指数据通信设备,典型的dce就是modem。rs232串口标准中的rxd和t...
单片机 如何远距离通信?实现单片机远距离与手机通信,可以用GPRS模块(模块需要有SIM通讯卡)单片机通过编程初始化模块,也可以用wifi模块(如ESP8266等)手机直接连接模块(近距离通讯...
如何实现 单片机 与手机的远距离通信?通过云服务器中转可以实现单片机与手机的远距离通信只要有互联网连接,通过云服务器中转,单片机和手机无论处于地球的哪一个角落都可以进行通信,这就是物联网...
怎么给一个 单片机 系统接上电话卡让他可以联网,需要用到哪些 模块 啊?gprs模块这个淘宝上有现成的模块,还送例子使用代码,sim800c这个用的比较多,或者买个dtu也可以但是比较贵,建议买sim800c也就40块钱gprs模块这个淘宝上有现成...
单片机 怎样与手机通讯?1.串口对串口(不过一般普通用户不太容易连接到手机的串口)2.蓝牙:单片机+蓝牙模块-》手机蓝牙模块-》手机上应用程序3.红外:单片机+红外模块-》手机红外模块...
python可以 单片机 编程吗,怎么样?以上就是python可以单片机编程吗的详细内容想了解更多Python相关,百度搜索圈T社区www.aiquanti.com,免费视频教程。纯干货板载重力传感、温湿度、加速度传感...
大神们,推荐一下,防火墙收发一体 光模块 原理,收发一体光模...[回答]无线收发模块中的超再生电路简单的说就是OOK电路,用一可调电感调节频率和LM358放大,抗干扰和稳定性都不如超外差,会随温度,环境的变化而出现频率漂...
如何自己制作GPS定位设备?下位机需要单片机GPS模块GPRS模块。可以通过HTTP的方式和网页服务器交互。将当前的位置信息记录到数据库。最好还是用锂电池。下位机需要单片机GPS模块...
单片机 行业摸到天花板后还能转什么行业呢?只是会单片机已经不太满足现在科技发展的需要了,你可以搜索一下单片机工程师的需求,仅仅会单片机的岗位越来越少。单片机还分为51,AVR,STM32,飞思卡尔这些本...
单片机 能用于哪些行业?这个我有发言权,我就是做单片机嵌入式软件开发的。单片机作为电子制造设备用于数据信息流的采集、传输与控制的载体应用于各行各业中。医疗器械方面,医院的检...
