DIY迷你单片机学习板
图28.1 单片机编程实验板
单片机是一门实践性非常强的学科,复杂的中断系统和寄存器往往让初学者觉得晦涩难懂。如果仅仅是理论学习和纸上谈兵而不经过任何实践,套用平凡老师以前的一句话——“我劝您还是趁早放弃。”
为此,我们设计了这款小巧的单片机编程实验板(见图28.1),成本低廉,同时具备了单片机的编程和基本的试验功能,适合新手学习制作。为了确保您能够按照本文介绍的方法制作成功,特别建议您在此之前先学习基本的电子知识和焊接技巧。
迷你单片机学习板的特点
(1)它可以直接支持STC89C52RC单片机的烧写,可以把程序写入单片机并实验。
(2)它是一个多功能的51单片机试验板,配合我们提供的范例程序。您不需要另外购买其他任何材料即可完成51单片机的流水灯、小键盘、数码管动态/静态显示、计数器、扬声器报警/唱歌、串口通信试验、24C02扩展、外部中断等试验。
学习使用此编程板对计算机的要求是:操作系统是Windows 98/me/2000/xp或者Windows 7,硬件配有USB接口即可。
图28.2 学习板的工作示意图
图28.2所示是这个学习板的工作示意图,即通过USB接口,将计算机中的程序用STC_ISP软件下载到单片机中,然后程序自动在学习板上运行,用户会看到程序运行结果。
单片机学习板所包括的硬件资源
1个实验芯片STC89C52
8个Led 指示灯(接 P1.0~P1.7 引脚)可做跑马灯试验,或 IO 状态指示
4个小键盘(接P3.2~P3.5引脚),一端接IO,一端接地,按下小键盘时相应的端口变为低电平
1个扬声器(接P3.3引脚)用作唱歌或者报警试验
1个硬件复位
2位动态扫描数码管分别接P2.6和P2.7引脚
1个USB转232通信接口
1个扩展储存器24C02
1个电源开关,用于冷启动单片机
1个复位键,在实验时通过按此键,使得试验部分复位运行,重启程序
1个MINI USB 接口,用于学习板的通信和供电
制作所需工具:
30W左右的尖头烙铁
海绵泡沫,用于清洗电烙铁头
优质焊锡丝
松香水(可把松香磨碎加酒精自制)
镊子
放大镜
万用表
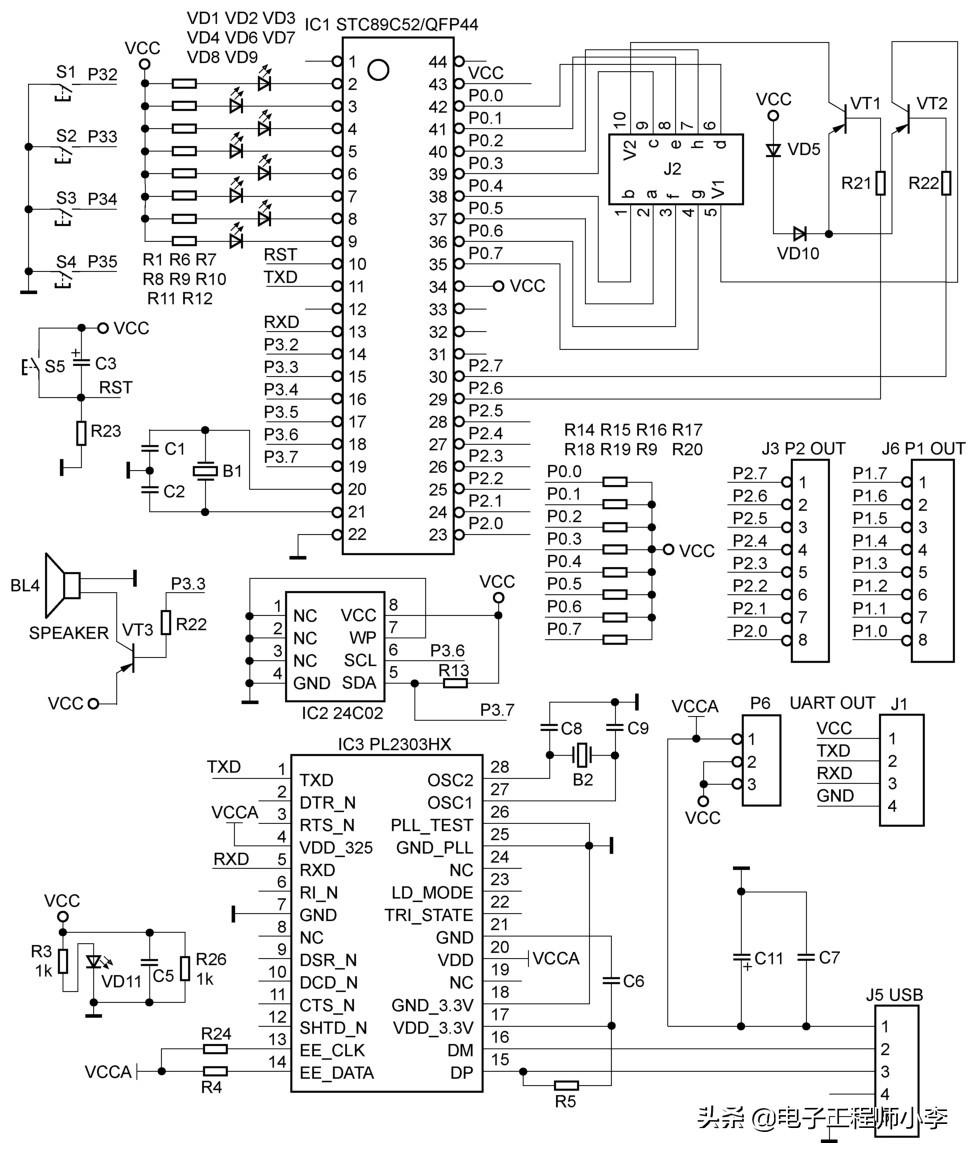
为了方便用户,我们还特别设计了外接两个8PinI/O接口,可以通过连接将板上的I/O口,外接扩展电路实现不同的功能,学习板的电路原理见图28.3。以下有关引脚的描述均是指QFP44封装的STC89C52单片机,和常见的双列直插DIP封装引脚不同。
目前很多计算机主板设计已经取消了串口,为此我们集成了USB转串口芯片PL2303HX,可以直接使用USB口来通信和供电。
图28.3 学习板电路原理图
制作过程
整机电路较为简单,按照一般的电路板制作原则,先焊接高度最低的元器件,如贴片电阻、贴片电容、贴片IC等;然后清理电路板,再焊接较高的元器件,如晶体、扬声器等;最后再焊接较大的零件,如插接件、数码管。为了美观和减小体积,我们使用了全贴片元器件,而不是传统的DIP元器件,这样对新手会增加一些制作难度。可能有的读者会问,如果是芯片坏了或者想要换芯片,岂不是很麻烦?实际上STC89C52单片机可以支持上万次擦除和写入,那时您早已学会了单片机的使用。而现在随着电子技术的发展,贴片元器件已经是元器件市场的主力军,小型化和贴片化也是该行业的必由之路。
1.焊接主芯片
主芯片为QFP封装的STC89C52,这里需要看清楚芯片的引脚和方向,PCB有标记圆圈的地方与IC芯片上有圆圈的地方相对应,先仔细地对准芯片和焊盘,用烙铁焊接固定的几个引脚,然后在芯片四周引脚上均匀涂抹松香水,接着可将焊锡堆在引脚上,用烙铁拖动即可甩掉焊锡。如果最后有一些引脚的焊锡拖不掉,可以取一截导线,将表皮剥掉,然后沾满松香水,配合烙铁加热,可将多余的焊锡吸走,见图28.4。完成后可以用同样的方法,焊接PL2303HX 以及24C02芯片。
图28.4 焊接主芯片
2.焊接电阻
一共26颗电阻,3种规格,10kΩ的电阻标记是103,1kΩ的电阻标记是102,另外有一颗120Ω的电阻标记是121,这个电阻的作用是作为整机的负载,在关闭电源开关时,将整个板子的电压强行拉低,否则系统就不能复位了。如果不确定阻值,可以用万用表测量一下。
3.焊接贴片电容
共8颗电容,有两种容量规格,一种是104(也就是0.1μF),另一种是22pF。它们也可以通过颜色来区别,黄色的是104,灰白色的是22pF。
4.焊接发光管、三极管和二极管
一定要注意焊接方向,如果焊反了,板子将不能正常工作。
5. 焊接贴片电解电容、贴片晶体、按键和扬声器
相对来说这些都比较容易,除贴片电解电容外,其余都没有极性。
6.焊接 USB 接口、数码管和开关
这里要特别注意,这个USB接口用手工焊接比较困难。可以先在USB上加好焊锡和松香水,然后把烙铁头用海绵洗干净,用烙铁的温度融化USB头上的剩余焊锡即可。最好不用拖锡的方法,否则容易造成连锡和短路。为了增加焊接成功率,建议新手用剪钳把USB接口后半部分的铁片剪掉,使烙铁更容易操作。
组装成功后的效果见题图,仔细检查一遍,用万用表量一下电源是否短路,没有异常即可以开始进行调试。
KEIL 软件的安装与使用
直接复制KEIL文件夹到C盘的根目录, 去掉文件夹的只读属性(注意,必须是C盘根目录,不要安装在其他目录),双击keil\uv2\uv2.exe即可运行软件。
01 单击 Project(工程)菜单,选择 New Project(新工程),在文件名中输入你的第一个程序项目名称,假定我们使用“test”程序。“保存”后的文件扩展名为uv2 这是 KEIL uVision2 项目文件扩展名,以后我们可以直接单击此文件,以打开先前设计的项目。注意输入的时候不要输入文件的后缀名,使用默认即可。为了查找方便,假定我们保存在C盘的根目录。这时会弹出让您选择单片机型号的对话框,我们选择Atmel→AT89C52。注意我们实际使用的是STC89C52,它们的基本资源是一致的,不必理会。
02 汇编源文件的建立:单击 FILE(文件)菜单中的NEW(新文件)命令,新建一个文本编辑窗口。在里面输入一个程序范例,如流水灯程序,然后点击FILE(文件)菜单中的SAVE(保存)命令保存文件,必须输入文件的后缀名.asm,例如保存为C:/prog/001.asm(注意不要有中文目录,文件名不超过8个字符,否则编译不通过!如果是第一次使用,建议直接保存在C盘的根目录,文件名同样取001.asm,不要保存在其他地方)。
03 单击 Target 1(目标 1)前面的“+”,出现Source Group 1(源程序组 1),选中右键点选“Add files Group Source Group 1”(增加文件到源程序组1),这时选择文件类型为asm,再选中001.asm文件,再单击Add(添加),在随后的提示框中单击“确定”即可。
单击“Project”(工程)菜单,再在下拉菜单中单击“options for target 1”(目标1属性)在右侧下图中选择output(输出)“Create HEX file”(产生HEX文件)的选项,以便汇编后生成HEX代码。
04 单击图标进行编译(或者按F7快捷键),编译成功后会在软件下方的提示框中出现汇编结果的提示信息,图中显示没有错误和警告,表示编译成功。
此时,在C盘的根目录中就生成了test.hex文件,有了这个HEX文件,我们就可以用 ISP 方式烧写到单片机进行实验了。
安装 USB 驱动程序
本文以Windows 7操作系统为例,介绍安装PL2303HX的USB驱动程序。请读者到qq群657864614 下载 Windows XP、Windows vista 或者 Windows 7 操作系统下的驱动程序。
01 双击驱动程序PL-2303 Vista Driver Installer.exe进行安装。
02 单击“下一步”,然后点“接受许可协议”,再单击“下一步”,稍后就会显示完成的界面。
03 用USB线缆连接学习板和计算机USB接口,打开系统的“控制面板/硬件和声音/设备管理器/端口”。
04 稍后在端口下出现Prolific Usb-to-Serial Comm Port(COM6),表示成功安装了USB驱动程序,其中COM6是系统分配给USB的虚拟串口号,以后在使用串口的时候选择COM6就可以了。根据你的系统安装USB设备的不同,也可能会出现COM3、COM5等。您也可以用右键单击这个端口,选择“属性/端口设置/高级/COM端口号”,更改为你喜欢的端口号。
USB驱动程序安装成功以后,直接打开配套驱动文件夹的STC下载软件STC_ISP_V480.exe。此软件运行时,有时会反复提示需要配置Office插件,这个不用理会,直接单击“取消”即可。另外经过测试,我们发现4.88版本和4.83版本不能正常使用,建议大家用4.80版本。
首先选择正确的单片机型号(这里是选择STC89C52RC)。打开一个配套程序文件夹的测试程序(HEX格式文件),然后选择串口号和波特率。注意关闭其他可能用到串口的软件,比如编程器、仿真器等,避免争抢串口,波特率按默认设置即可。在本例中,串口号使用的是COM6,软件的其他设置均按默认,最后单击Download/下载程序(特别注意:必须先关掉电源开关,再单击下载程序,然后打开电源开关,冷启动单片机,否则会下载失败)。如果下载正常,窗口会有下载成功的提示,学习板也会自动开始运行。到这里,学习板就算调试成功了,您可以自己烧写各个程序,验证各部分实验是否正常。
最后,祝各位读者组装成功,单片机世界的大门将从此为你敞开。
小白的单片机之旅——单片机的启动
如前文《小白的单片机之旅——从点亮led说起(1)》所述,我们给mcu的所有文件就是一个bin文件,显然单片机的启动过程也体现于其中,与之相对应的文件就是与单片机硬件紧密对应的启动.s文件,下面我们以非常常见的使用ARM的cortex-M3内核的stm32f103zet单片机为例,说一说启动文件的内容。
一般该启动文件厂家会直接提供不需要自己去写,具体的文件内容这里不详细展开,就简单看一下启动文件的注释部分。简单来说启动文件做了以下一些事情:1、初始化栈指针;2、初始化程序指针为复位向量(这就是上电之后最开始要做的一些动作);3、设置中断向量表(如果对照bin文件和我们编译生成的map文件就会发现bin文件中栈顶指针数据、复位向量后面紧接着的就是各种中断处理函数的地址,这些就构成了硬件需要的完整的中断向量表,可以看到的是很多中断都预先有定义并且被定义成weak,这就表示,用户可以重写对应的中断处理函数,在编译过程中会使用用户定义的那个);4、初始化时钟系统(刚上电的时候clk是很慢的,在这里初始化时钟之后,mcu就快了);5、如果有外部扩展sram,初始化之;6、按照链接脚本的指示初始化对应的内存数据(比如我们定义的那些初始化的全局变量就是这个阶段生效的);7、跳转到我们用户的main函数(这就是我们一般认为c的程序入口)。
stm32f103zet对应启动文件的注释部分截图
中断向量表部分
由此,我们可以简要知道mcu上电之后发生的一些事情,进入我们的main函数之后,我们自己的“意志”开始执行了,下一节我们就一起看看如何将我们的控制led的意图告诉mcu,并让它正确的执行。
相关问答
单片机 如何 冷启动 ?单片机冷启动很简单呀,关电,再上电,正常复位后,就冷启动成功了。单片机冷启动很简单呀,关电,再上电,正常复位后,就冷启动成功了。
什么是 单片机冷 开启-ZOL问答单片机冷启动是一个技术术语,是指单片机从最原始状态启动运行。实现这一目标视不同的单片机内部结构而有所不同。STC单片机只有掉电且电路中电容器储存电压低...
单片机 烧不进程序去了,一直显示请给MCU上电-ZOL问答不然单片机不认为是冷启动。这样还不行,检查复位电路、晶振电路、烧写程序的连接电路,这些再没问题,换单片机吧。我推测可能是蜂鸣器与你的下载脚复用了,你把...
宝马730冷车 启动 抖动熄火什么原因[最佳回答]汽车在冷车状态下启动出现抖动熄火的现象,可能是汽车的机油温度太低,等待温度上升到合适的温度抖动就会消失,如果导致熄火需要检查一下发动机的零部...
单片机 烧写程序步骤?首先,将烧写线把开发板与电脑连接,安装驱动之后,烧写程序能自动识别设备。首先,在界面左上角有个单片机型号,一般选择STC89C51系列下的STC89C52RC/LE52RC...
单片机 bootloader 启动 过程?分为以下几个步骤:1.开机复位:单片机初始状态下处于复位状态,所有寄存器、引脚和内存的值会被清零,程序从复位地址开始执行。2.初始化系统时钟:正常情况下...
单片机 一 启动 就执行程序?这个是与时钟有关的,上电后进行复位,然后根据时钟信号,程序计数器就开始计数,让程序不断运行。单片机里面一般都有个测试io口的程序。如果单片机一启动就执...
电机的启停影响 单片机 程序的运行,该如何解决?电机的启停瞬间工作电流比较大,也会产生一些干扰信号解决问题之前先要定位问题在哪里。电机启动瞬间电流特别大,如果电源供电不足,会把电压瞬间拉低,导致单...
单片机 是怎么通过pwm波来控制电机运转的,工作原理是什么?三、单片机PWM控制原理现在很多单片机都有PWM功能,一般情况下,单片机的PWM功能是通过定时器来实现的,在使用时,需要对定时器的寄存器进行PWM功能的设置。...现...
计算机怎么接收数据计算机怎么接收 单片机 发送的数据?单片机怎样通过串口向计算机发送数据:单片机可以实现与计算机的发送和接收。首先,要正确配置单片机的串口,包括波特率、使用时钟源、COM口、数据位位...单片...
