单片机实例分享,简易网络测试仪
网络已经融入了当今生活的各个方面,成为绝大多数人生活中不可或缺的重要组成部分。因为职业的关系,笔者经常会接触到网线的铺设以及网络的测试等方面工作,在工作中我发现借助专业的网络测试仪,可以极大地减少网络故障的排查时间,并能很好地提高工作效率。
专业的网络测试仪功能很强大:电缆查找、扫描线序、PING功能、寻找端口以及数据包分析等。然而,不容忽视的是,尽管一个专业的网络测试仪功能很强大,但价格往往不菲,动辄上万,因此相对于国外来说,国内使用范围还很有限。能不能自己设计一个简单实用的网络测试仪呢?当然可以。
网线制作的线序可以使用网线测试仪进行测试,并且价格也很便宜,因此,暂且忽略这个功能。综合考虑常用的几个功能,笔者设计的简易网络测试仪(以下简称测试仪)支持:PING功能、DHCP功能测试以及网络访问测试,也就是说,此测试仪建立在网络数据传输之上,能直观地反映网络传输性能。
笔者的设计思路如图30.1所示。
图30.1 简易网络测试仪结构
元器件选择
图30.2所示是此测试仪所用元器件,使用的元器件清单如表30.1所示。
图30.2 元器件实物
表30.1 元器件清单
网络传输接口是本测试仪的重点,选择一款合适的接口芯片对于简化制作及日后工作的稳定性都尤为重要。在这里,笔者选择了 ENC28J60,ENC28J60 是 Microchip Technology(美国微芯科技公司)2005年推出的28引脚封装独立以太网控制器。自从推出以来,应用极其广泛,这得益于它的引脚非常少、外围电路很简单、使用3线SPI串行接口和单片机通信。由于它占用芯片引脚非常少,所以焊接容易,甚至可以直接在洞洞板上进行电路布局。
由于选定ENC28J60作为网络接口芯片,MCU的引脚只需保证以下条件即可:
(1)支持3/4线SPI接口,用于与ENC28J60通信,当然,用I/O模拟也可,只是速度会稍慢;
(2)网络需要一定的数据包RAM缓存,因此主控芯片RAM至少为1KB以上;
(3)网络协议占用大量的代码空间,考虑到扩展性,片内Flash最好大于32KB。
在此,从通用与易上手方面综合考虑,笔者选用了51内核的1T单片机STC12C5A60S2,此单片机的特点为:改进传统51单片机12T的指令运行周期,达到了1T,速度大大提高;内部Flash空间达到了60KB,不用担心因程序代码的空间过大而放不下的问题。
电路设计规划
此测试仪的电路非常简单,主体由3片IC组成,外加带网络变压器的RJ45接口座HR911105A以及少量的阻容元器件。
显示器采用最常用的LCM1602字符型液晶显示屏,虽然只能显示16×2个字符,但经过优化的主菜单看起来效果也不错。
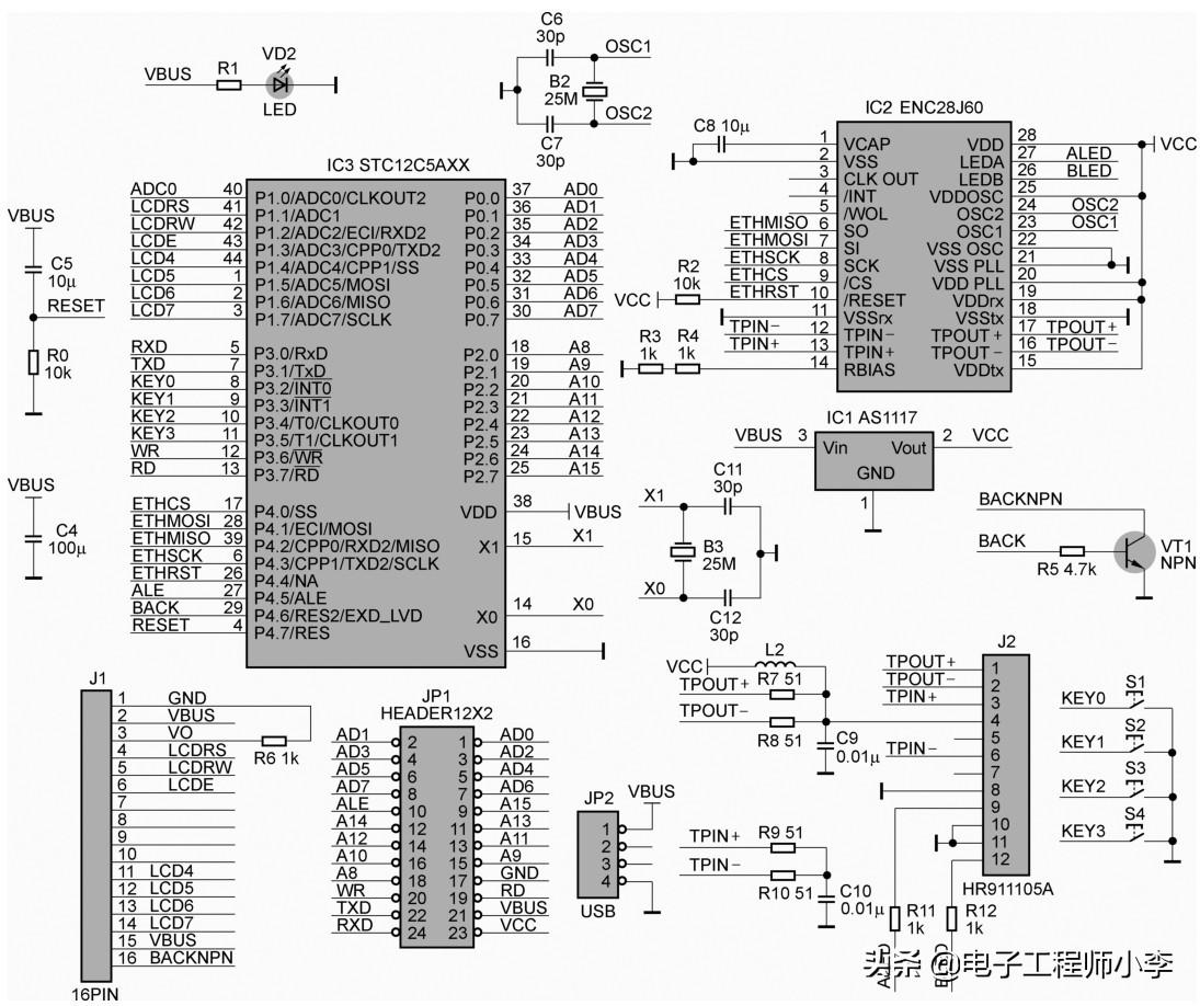
电路图如图30.3所示。
图30.3 简易网络测试仪电路图
工作流程简介
从笔者的设计思路中可以看出,测试仪采用菜单的形式对功能进行分类,包括TCP网页测试页面、PING命令以及通过DHCP功能从路由器自动获取IP这3大功能。其中,对网络协议的数据包处理与分发是测试仪工作的重点,在此,笔者就对此进行简要的介绍。
网络数据传输中,最常用的协议组就是“TCP/IP协议”,是一个协议组。相对测试仪系统而言,用到的协议有以下几个。
(1)ARP协议:该协议为大部分数据传输的前提,用于询问对方的MAC地址,以便在后期点对点传输中发送含有正确MAC的数据包。
(2)IP 协议:该协议用于点对点数据传输过程,通过 IP 地址判别接收方的数据包,它是ICMP、UDP和TCP协议的“容器”。
(3)ICMP协议:换个通俗的说法,该协议就是PING,用于确认对方的连接状态,正常连接就能收到PING回应。
(4)UDP协议:该协议是简单的面向数据包的传输层协议,不需要通过复杂的握手协议,只需要知道对方的IP地址和MAC即可进行数据传输,因此具有高效、却不可靠的特点。
(5)TCP协议:该协议是高可靠性的包交换传输协议,通过复杂的握手、重发、回应协议机制进行传输,和UDP相反,具有冗余、可靠的特点。
(6)DHCP协议:该协议是用来实现自动从路由器上获取IP地址、子网掩码以及网关IP地址的功能,免去了手动设置IP的麻烦。
这6个常用的协议只是众多网络协议中的很小一部分,但却负担着大部分网络传输任务,因此,网络传输其实并非很多人想象得那么不可捉摸。
焊接安装与调试
由于元器件不多,电路结构比较简单,遂采用Protel 99SE设计,完成后的PCB布局如图30.4所示。只要焊接无误,上电烧写程序后即能正常工作。笔者试制了几个均一次成功。
图30.4 PCB 布局
实际效果
焊接完成之后的效果如图30.5所示,之后进行液晶显示屏装配,效果如图30.6所示。
图30.5 焊接完成图
图30.6 装配上液晶显示屏
上电初始化完成后,进入主菜单,如图30.7所示,可以按动Next按键选择相应的功能,按Enter按键确认。
选择功能1是WebServer,是运行TCP网页测试的页面,用于网络中的电脑对测试仪进行数据访问测试。与测试仪在同一网络中的电脑均可以通过IE浏览器访问测试仪,在浏览器地址栏输入测试仪的地址即可,图30.8所示为测试仪运行界面,图30.9所示为电脑访问测试仪的网页,网页上可以显示电脑的IP地址以及MAC地址。
图30.7 主菜单
图30.8 运行网页服务器
选择功能2为PING功能,它是用于测试仪对网络中的电脑进行数据交换测试,不仅可以对同一局域网内的电脑进行测试,也可对跨越路由器的远程IP地址进行PING。如果对端电脑未能对测试仪进行回应,测试仪就会显示“Response TTL= ???”;如果收到回应,则显示TTL=064(也可能是255、128、32等);如果对端的电脑跨越路由器,则每跨越一层路由器,TTL的数值就会减1,这个数据也可以粗略地估计数据包经过的路由器层数。All后的数据表示总共进行了几次PING,Succ后的数据表示成功的PING次数,All与Succ之差就是丢包的次数。网络状况良好时,一般All和Succ的数据相等。图30.10为PING功能的PING通状态。
图30.9 电脑访问网页服务
选择功能3为设置功能,可以对测试仪的IP地址、子网掩码以及网关进行设置,也可在开启DHCP功能的路由器网络内,通过打开测试仪的DHCP功能从路由器处自动获取上述3个参数,这样就更加方便使用了,图30.11所示为设置的参数。
图30.10 PING 功能的PING 通状态
图30.11 设置菜单
总结
测试仪在设计之初,就本着尽量精简的原则,在完成支持ARP、ICMP、DHCP以及TCP协议的情况下,删除不必要的协议。因此,系统代码相当精简,只占用了大约16KB的代码空间。当然,它也仅能完成菜单选择PING命令、自动获取IP和网页显示电脑参数等简单的功能,一些复杂的网络功能,例如数据协议分析显示、网络数据包存储等,由于体积和硬件所限,在本测试仪中尚未涉及。
经过一段时间的试用,该系统运行稳定,在日常工作中与网线测试仪搭配,能够完成大部分测试和故障判断工作,完全可以满足日常的应用。
■ 为了方便大家制作,下位机、上位机的代码与 PCB 文件均可从qq群657864614下载。
51单片机学习7-最小系统protel原理图的绘制
51单片机最小系统这篇用protel99se这版软件来画,peotel99se和AD最新版对于画一般的电路和PCB差别不大的,毕竟现在很多学校或者单位都还在用99se,因此我们也用这版软件来画。
1.新建工程
2.新建原理图:
3.放置单片机
4.放置电解电容10uF
5.放置电阻10K
6.放置轻触按键
7.放置晶振
8.放置此片电容22p
9.放置20pin IO口扩展接口2个
10.放置4pin接口一个 用STC89C51 52单片机程序下载接口
11.放置5*2接口一个 用AT89S51 52单片机程序下载接口
12.放置10K上拉排组一个用于P0口上拉电阻
13.放置DC002座子接口CON3
14.放置自锁按键接口
15.完整原理图 原理图采用网络标号的方式连接,
原理图画好以后需要ERC检查无错误之后,才算设计OK。
有用快捷键:
取消全选 X+A
元件左右镜像 X
元件上下镜像 Y
原理图内容居中显示 V+F
原理图 放大 pgup
原理图 缩小 pgdn
相关问答
protel99se 中如何找 单片机 ?在Protel99SE中找单片机,需要先在原理图编辑器中打开相应的电路图。然后可以使用工具栏上的“查找”按钮(一个放大镜图标),或者直接按下快捷键“Ctrl+F”...
嵌入式和 单片机 有哪些联系和区别?单片机是众多嵌入式处理器的一种,目前通用的理解是,嵌入式主要是指ARM\DSP等处理器.而嵌入式系统是指实现了一定功能的电路的软硬件的集合。单片机与autoCAD...
嵌入式和 单片机 有哪些联系和区别?嵌入式系统和单片机都是实现特定功能的计算机系统,它们之间有以下联系与区别:联系:1.均为计算机系统:嵌入式系统和单片机均由处理器、存储...嵌入式系统和...
protel 如何显示 单片机 芯片隐藏引脚?这很简单呀!你直接双击单片机,然后你是想把显示引脚,那你就选中Hiddenpin的选项选上,就是点击那里的一个小格,点击就会打上钩,这时你再确定,这样你就会...
工实训报告实训目的实训内容实验原理仪器设备、实训材料实训...[回答]对语音和数据配线架的端接进行实训;对光纤配线架进行端接实训;对模拟监控端接进行实训;对工作区、配线子系统、垂直/干线子系统进行布线实训;对模块...
电子信息工程专业发展路线?础好比较简单,喜欢玩控制,msp430,51,arduino等简单基础开发知识。4.FPGA工程师Veriloghdl或hdl基础,学过cyclone或Xilinx都可以,喜欢摸索时序。5....
Multisim, protel 和proteus的区别?三者的侧重点不一样protel用于绘制PCB,即制作原理图和电路板的multisim用于模拟电路数字电路仿真proteus用于单片机仿真,一般和keil并用。Multisim,和Prot...
为什么自己设计不出来 单片机 程序?该怎么做?设计编写单片机程序是一个渐进的过程不可一蹴而就,毕竟单片机程序是与硬件有密切关系的,我们一般称为单片机程序叫底层硬件驱动程序。编写程序不但要对软件要熟...
如何快速学习和掌握 单片机 知识及应用?单片机的学习只要掌握相应的方法,而且你又一点点相应的基础是完全能够快速掌握的,你需要从下面几个方面进行切入。1.学会读单片机的数据手册,了解他的外设功...
想做一个硬件工程师,不知道怎么开始?一、何为硬件,何为软件首先大家需要知道何为硬件何为软件,就是我们平常所指电子领域的电子电路方面的,所有的电子电路及电子元件所构成的某个产品,是实实在...
