自己做一个AT89C2051数码管18寸电子钟
家里的指针式电子钟坏了,本想上网买一个新的电子钟万年历,可是看了一圈没有一个看中的,因为大多数数码管显示的数字太小,远了看不清楚,想想手里还有一些电子元件,不如做一个电子钟,先看看手里都有什么元件,于是开始就动手做,把原来的指针表改造了一下,改造好感觉的还可以,唯一遗憾的就是没有掉电记忆,要不然还得上网买元件,再说现在也不轻易停电,调一下时间也很简单,不过时间精确度还可以,所以就将就着用吧!
废话不说上图看看
用万能板制作单片机AT89C2051,晶振还没有焊接
万能板背面焊接图
0.9元一个二手双色数码管,以前淘宝网上买的,带驱动,拆掉中间的一个,换上发光二极管
把线路全部焊接好装入电子表外壳中
找2块3合板,固定数码管线路板
猜猜这个是用来干什么的?
没有数码管滤光片,就用一次性塑料袋,用胶带固定粘在上面
改造电子钟面板,用大小合适的一张纸片定位
2017年的新挂历,要搞破坏了
裁剪大小合适的挂历纸做面板
把裁剪好的纸片全部粘贴的玻璃上
组装好的电子钟效果图
电子钟背面,用了三个开关来调整电子钟时间
最终显示的效果,看着还可以。
原理图及附件请点击阅读原文
以上图文内容均是EEWORLD论坛网友:
欢迎微博@EEWORLD
如果你也写过此类原创干货请关注微信公众号:EEWORLD(电子工程世界)回复“投稿”, 也可将你的原创发至: bbs_service@eeworld.com.cn,一经入选,我们将帮你登上头条!
与更多行业内网友进行交流请登陆EEWORLD论坛。
用单片机制作的自行车里程速度表
现在,很多人都把骑自行车作为一项锻炼身体的运动项目,如果在自行车上加装一个里程速度表,就可以知道自己骑车的速度和行程,从而很好地控制运动量。本文介绍一种用单片机制作的自行车里程速度表。里程和速度显示可进行切换,采用三位数码管显示,最大可显示里程为99.9km。显示最高速度可为99.9km/h。该里程速度表也可以用在电动自行车和速度不超过100km/h的摩托车上。
一、电路原理
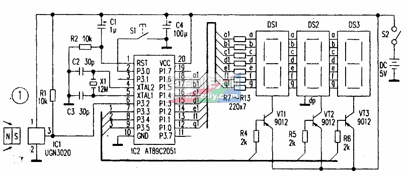
电路如图1所示。由检测传感器、单片机电路和数码显示电路等组成。
检测传感器由永久磁铁和开关型霍尔集成电路UGN3020.组成。
UGN3020由霍尔元件、放大器、整形电路及集电极开路输出电路等组成。
其功能是把磁信号转换成电信号。图2a是其内部框图。霍尔元件H为磁敏元件,当垂直于霍尔元件的磁场强度随之变化时,其两端的电压就会发生变化,经放大和整形后,即可在③脚输出脉冲电信号。其工作特性如图2b所示。由于有一定的磁滞效应。可保证开关无抖动。Bop为工作点“开”的磁场强度,Brp为释放点“关”的磁场强度。永久磁铁固定在车轮的辐条上,UGN3020固定在车轮的叉架上。
检测传感器的工作原理如下:车轮每转一周,磁铁经过UGN3020一次,其③脚就输出一个脉冲信号。UGN3020输出的脉冲信号作为单片机AT89C2051的外中断信号。从P3.2口输入。单片机测量脉冲信号的个数和脉冲周期。根据脉冲信号的个数计算出里程,根据脉冲信号的周期计算出速度并送数码管显示。Sl用来进行里程和速度显示的切换,在初始状态下显示的是速度。数码管DS1~DS3、VT1~VT3、R4~R13等组成显示电路。使用共阳数码管。P3.3~P3.5为数码管的动态扫描位驱动。P1.0~P1.6作数码段码输出。
二、程序设计
程序用C语言编写,由主程序、外中断O服务程序、11D中断服务程序、延时子程序等模块组成。主程序主要完成程序初始化和键盘处理。
外部中断0服务程序由测量、计算、读数等部分组成,TO中断服务程序由计时、动态扫描显示、自行车停车判断等部分组成。
从P3.2口输入的脉冲信号作为外中断O的中断请求信号。采用沿触发方式。在测量速度时,由于车轮转动脉冲信号的频率很低,不适宜使用计数的方式进行测量,所以采用测脉冲周期的方法进行测量。用脉冲信号系统来控制计时信号,通过计时数计算出脉冲周期,用车轮的周长除以周期便可得到自行车的行驶速度。在测量里程时,用脉冲信号个数乘以车轮的周长便可获得行驶里程。需要说明的是:脉冲信号周期和个数是同时测量的。要做的只是用按钮开关Sl切换显示。
本文的程序是针对车轮直径为26英寸的自行车编写的。
对于其他规格的自行车。
只要改写程序spm=14904(常量1),n和sPIN=207(常量2)×c即可。为了避免使用浮点数。运算结果长度是以百米为单位的,数据读出时,在第三位数加小数点就换算成千米了。为方便读者制作,现列出各种规格的轮径和轮周长、程序常量的对应值见附表,供参考。
径,英寸1618202224262828.5轮周长/cm128144160176192207223227常量l921610368115201267213824149041605616344常量2128144160176192207223227定时器TD的中断定时时间为5ms,每中断一次计时变量n加l,因此n的单位为5ms。例如:自行车车轮转一周对应的n值为100。则对应的时间为0.5s。由此可得自行车的速度为14.9km/h。如果n的值达到1000,即5秒钟仍没有发生外部中断,即表示自行车没有前进。n也被清零,速度显示为0。读数采用三位显示,TD中断一次显示一位数。中断3次就可以刷新一次数据。即15ms刷新一次数据。
作者:吴汉清
相关问答
AT89c2051单片机 在硬件资源配置和性能上有什么特点?AT89C2051是一带有2K字节闪速可编程可擦除只读存储器(EEPROM)的低电压,高性能8位CMOS微处理器。它采用ATMEL的高密非易失存储技术制造并和工业标准MCS-51指令...
我只有一块 at89c2051 的 单片机 芯片,肿么下载程序进去,貌似只...2051讨论回答(4)1,你需要一个编程器(烧录器)以及与编程器配套的烧录软件;2...5,将芯片从编程器中取出并插入目标板试运行单片机程序。编程器的价格30-50元左...
AT89C2051 和 89C 51 单片机 的区别?1.存储空间比89c51少一半,只有2k。2.2051只保留了p1,p3口,并且2051的p3.7在芯片的引脚上没有,只在内部有用,p1.0,p1.1没有内部上拉,要用做输入输出,就需要...
AT89c2051单片机 能烧写多大的程序文件?AT89C2051单片机的程序存储器容量为2KB,可以烧写最大2KB的程序文件。这意味着程序文件的大小不能超过2048字节。因此,程序文件必须在这个限制范围内,以确保能...
AT89C 51 单片机 主要功能有哪些啊?AT89C51是一种带4K字节闪存可编程可擦除只读存储器(FPEROM—FlashProgrammableandErasableReadOnlyMemory)的低电压、高性能CMOS8位...
AT89 LV51里有DAC吗_作业帮[最佳回答]所以,它和8051系列单片机是兼容的系列.这个系列对于以8051为基础的系统来说,是十分容易进行取代和构造的.故而对于熟悉8051的用户来说,用ATMEL公司...
合泰电磁炉 单片机 20脚是啥型号?合泰电磁炉专用芯片HT46R12A、HT46R14A、HT45R38(触摸屏)、HT46R32、HT46R34、HT46R322、HT46R342,都是专用芯片,想拆下来做单片机使用是别指望了如果...
LED小灯泡制作说明书?一、功能构思使用单片机解码。上电默认关灯,每按一次遥控器按钮改变一次灯的状态。最好另设一个手动按钮,以便未带遥控器时开关灯。二、硬件部分...一、功...
单片机 型号那么多,各个 单片机 配一个烧写器吗?-ZOL问答1、量产时各种封装的IC都有专门的芯片座来进行下载操作,或者直接让供应商给你下载好程序。至于怎么下载,你需要知道所使用的单片机的下载电路,买一个或者自己做...
干组词有哪些?爹、比干、葡萄干、干贝、干眼症、饼干、干洗、干货、天干、干杯、干燥剂、干咳、巴尔干半岛、苏打饼干、干部、干冰、干将莫邪、射干、干股、干妈、梅干菜、干...
