详解数码管显示控制
数码管种类繁多,按外观来划分,可以分为七段数码管、米字型数码管、点阵块等。图8-5所示为各种不同形状的数码管。
图8-5 各种不同形状的数码管
LED数码管结构与工作原理
单片机系统中常用的是七段数码管,它由8个发光二极管(以下简称字段)构成,如图8-6(a)图所示(注:由于小数点字段不常用,所以一般称为七段),通过不同的组合可以显示数字0~9、字符A~F、H、L、P、U、符号“-”及小数点“.”。
根据发光二极管物理连接的不同,七段数码管可以分为共阴极和共阳极两种结构。共阴极型数码管如图8-6(b)所示,所有字段的阴极均连接低电平,因此在使用共阴极数码时,需要在相应字段上加高电平,才会使其发光。共阳极数码管如图8-6(c)所示,所有字段的阳极均连接高电平,在使用时,需要在相应字段上加低电平。
图8-6 7段数码管结构
LED数码管字型编码
在单片机与数码管组成的应用系统中,一般将单片机的一个并口与数码管的8个段控制引脚连接,且按照口线位的顺序由低到高与a、b、c、d、e、f、g、h连接,这样,若要显示不同字符,只需应用单片机的口线输出相应的控制的电平就可以实现。向口线送的数据就是LED的字型编码。共阴和共阳的字型编码如表8-2所示。
表8-2 共阴和共阳的字型编码表
LED数码管要正常显示,就要用驱动电路来驱动数码管的各个段码,从而显示出我们要的数位,因此根据LED数码管的驱动方式的不同,可以分为静态显式和动态显式两类。
LED数码管静态显示
静态驱动也称直流驱动。静态驱动是指每个数码管的每一个段码都由一个单片机的I/O口线进行驱动,或者使用如BCD码、二–十进位解码器解码进行驱动。
静态驱动的优点是编程简单,显示亮度高,缺点是占用I/O口较多,如驱动5个数码管静态显示则需要5×8=40根I/O口线来驱动,而1个89S51单片机可用的I/O口线才32个。
2位共阳极数码管的静态显示电路如图8-7所示。
图8-7 2位共阳极数码管的静态显示电路原理图
显示数字12的C51程序如下:
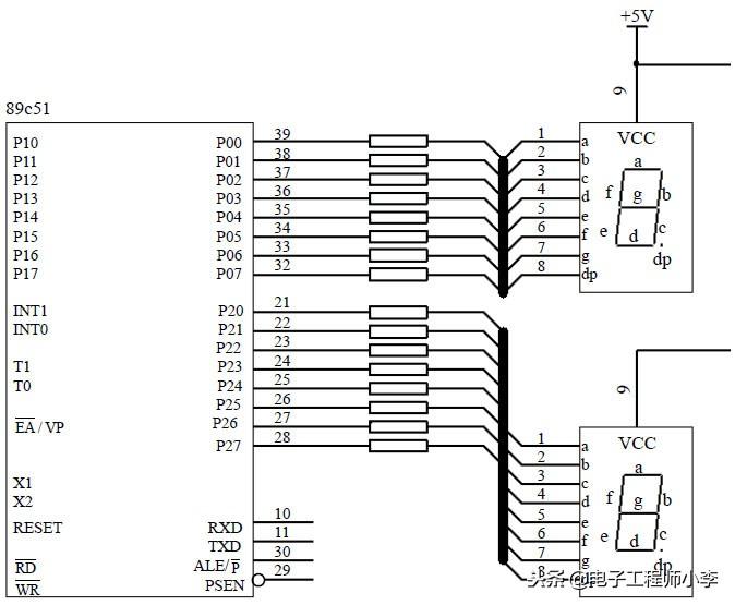
LED数码管动态显示
数码管动态显示是单片机中应用最为广泛的显示方式,动态驱动是将所有数码管的8个同名端“a,b,c,d,e,f,g,h”连在一起,另外为每个数码管的公共极COM增加位选通控制电路,位选通由各自独立的I/O线控制。
当单片机输出字形码时,所有数码管都接收到相同的字形码,究竟是那个数码管会显示出字形,取决于单片机对位选通COM端电路的控制。通过分时轮流控制各个LED数码管的COM端,就使各个数码管轮流受控显示。
在轮流显示过程中,每位数码管的点亮时间为1~2ms,由于人的视觉暂留现象及发光二极体的余辉效应,尽管实际上各位数码管并非同时点亮,但只要扫描的速度足够快,给人的印象就是一组稳定的显示,不会有闪烁感,动态显示的效果和静态显示相同,并且能够节省大量的I/O口线,降低功耗。
2位共阳极数码管动态显示电路如图8-8所示。
显示数字12的C51程序如下:
图8-8 2位共阳极数码管动态显示电路原理图
单片机之我见之数码管显示
数码管在生活中的使用十分常见,主要提供数字的显示,如时钟显示,计数,家用电磁炉,电饭煲等等设备上都有其身影。数码管由7个LED发光二极管组合而成,7个发光二极管的负极相连在一起称为共阴,正极相连在一起称为共阳。
数码管/共阳及共阴
从上图来看,要想使数码管显示相应的数字,只要对应的发光二极管点亮就可以。如想显示数字2,以共阴极的来说,只要A、B、D、E、G对应的发光管阳极接电源,共阴极接地。这几个发光二极管就显示,对应在数码管上就显示数字2。用单片机来控制的话,可以对数码管ABCDEFG实现不同的电平切换,最终显示不同的数字,电路图如下:
共阴极的数码管显示电路
软件是硬件电路的心脏,能够调度所以的资源工作。本文将以以C语言为基础来编写程序达到控制数码管显示的目的。由于前几次都是在编程软件上写程序,拷贝到文章中,但发现效果不好,不容易理解。因此就在文中以简单通俗的语言进行程序的编写。应读者的要求,编写一个延时函数,是程序更为简单有效。
#include <reg51.h> //可以这么理解,这语句指的就是链接硬件和软件的桥梁
sbit leda=P0^0; //数码管中a的发光二极管连接单片机的P0^0管脚,用leda来代替P0^0
sbit ledb=P0^1; //数码管中b的发光二极管连接单片机的P0^1管脚,用ledb来代替P0^1
sbit ledc=P0^2; //数码管中c的发光二极管连接单片机的P0^2管脚,用ledc来代替P0^2
sbit ledd=P0^3; //数码管中d的发光二极管连接单片机的P0^3管脚,用ledd来代替P0^3
sbit lede=P0^4; //数码管中e的发光二极管连接单片机的P0^4管脚,用lede来代替P0^4
sbit ledf=P0^5; //数码管中f的发光二极管连接单片机的P0^5管脚,用ledf来代替P0^5
sbit ledg=P0^6; //数码管中g的发光二极管连接单片机的P0^6管脚,用ledg来代替P0^6
void delay( ); //延时函数的声明,所谓延时 就是等待,发呆
/********延时函数功能的实现****************************************
*******主要用于等待发呆,让LED灯闪烁的时间等待*************/
void delay( )
{
int ds=30000; //定义一个变量,用来控制延时时间。ds的值大小可以控制延时的时间
while(ds--); //循坏30000次发呆
}
/***下面进行主函数的编写*************************C语言程序最主要的就是主函数,
任何功能的实现都是在主函数里去实现,且是单片机程序的入口函数*********************/
void main( ) //主函数的定义
{
leda=0;ledb=0;ledc=0;ledd=0;lede=0;ledf=0;ledg=0;//初始化LED灯,就是让数码管初始化,处于不亮的状态
while(1) //让程序一直循环,简称死循环
{
leda=1;ledb=1;ledc=1;ledd=1;lede=1;ledf=1;ledg=0; //显示数字0,让abcdef对应的LED亮,g对应的LED 不亮
delay( ); //调用延时函数,让数码管显示0保持一段时间
leda=0;ledb=0;ledc=0;ledd=0;lede=0;ledf=0;ledg=0; //重新初始化,就是让数码管休息一下(消隐)
leda=0;ledb=1;ledc=1;ledd=0;lede=0;ledf=0;ledg=0; //显示数字1,让bc对应的LED亮,adefg对应的LED 不亮
delay( ); //调用延时函数,让数码管显示1保持一段时间
leda=0;ledb=0;ledc=0;ledd=0;lede=0;ledf=0;ledg=0; //重新初始化,就是让数码管休息一下(消隐)
leda=1;ledb=1;ledc=0;ledd=1;lede=1;ledf=0;ledg=1; //显示数字2,让bc对应的LED亮,adefg对应的LED 不亮
delay( ); //调用延时函数,让数码管显示1保持一段时间
leda=0;ledb=0;ledc=0;ledd=0;lede=0;ledf=0;ledg=0; //重新初始化,就是让数码管休息一下(消隐)
//其他数字的显示相信读者会了,可以尝试编写
} //while的结束
} //主函数的结束
结束语:此程序目前实现了0和1、2的轮流显示。可以尝试写显示其他的数字。下图是仿真效果图
数码管显示2的效果图
相关问答
51 单片机 的共阴 数码管 怎么 显示 数字( c 语言)?要让51单片机共阴数码管显示数字,只需要将单片机的P2端口输出数字对应的段码即可。以显示数字“0”为例,c语言程序如下:#include要让51单片机共阴数码管显...
利用总线结构,用51 单片机 结合373锁存器来完成 数码管 的 显示程序 怎么写( C 语言版的)?按你电路的意思也很简单,设一显示缓冲区,要显示内容的显示码放入缓冲区。设一3-5毫秒的定时中断,中断服务程序中用位选作为地址输出显示代码,输出地址被373...
AT89 C 51 单片机 让 数码管 轮流 显示 两位不同数的 程序 是什么?LED数码管是单片机应用系统中最常用的显示器件之一。在单片机系统中通常使用七段数码管。数码管的显示分为动态显示和静态显示。所谓静态显示是指数码管显示对应...
c 语言四位 数码管 怎么设置?在单片机c语言编程下,四位共阳极数码管四个接口对应单片机的四个IO口。在硬件都没有问题的情况下,通过段选写入8位二进制编码(2位16进制编码)表示数字0-9,A-...
在 单片机 汇编语言中 c 是什么意思 - LETA5Ibo 的回答 - 懂得在51单片机中是借位/进位标志C为进借位标志位,就是CY意思是两数相加(ADDC指令)有进位就置C为1,两数减(SUBB指令)有借位就置C为1,上面两种请况C的置...
在 单片机 汇编语言中 c 是什么意思 - 130****8371 的回答 - 懂得C为进借位标志位,就是CY意思是两数相加(ADDC指令)有进位就置C为1,两数减(SUBB指令)有借位就置C为1,上面两种请况C的置1是系统自动的。另外还可以自...
单片机c 编程:***WARNINGL2:REFERENCEMADETOUNRESOLVEDEXTERN...[最佳回答]你的voidmian()写错了,应该是voidmain()改正后就没错了,
c 语言 单片机 信号发生器如何 显示 正弦波?用c需要编程调用正弦函数,驱动单片机信号发生器用c需要编程调用正弦函数,驱动单片机信号发生器
为何 程序 烧进 单片机 后 数码管 只亮中间-ZOL问答你能确定数码管是共阴的吗?如果真的确定,那你程序中的段码可是共阳数码管的段码,刚好相反,应该显示是要显示0,中间一横不亮,可是段码反了,就变成只...
C ++语言可以写入 单片机 吗?你需要用单片机c写程序,也就是在如KEIL软件环境下进行编写,然后编译生成可烧录文件。建议你去你们学校图书馆借本单片机c语言方面的书籍看看,都有介绍的。若...
