基于单片机的双电源自动切换开关控制器
武彦飞,童峥嵘,邢文华,王俊峰
(天津理工大学 计算机与通信工程学院,天津 300384)
摘要 :设计了一种以STC单片机为核心的双电源自动转换开关控制器,具有自动检测、诊断和控制的功能。系统电源出现故障时,短时间内能够自动从故障电源切换到备用电源供电。给出了该控制器的硬件及软件设计方案。该控制器切换时间短且抗干扰性强,具有较高的可靠性。
0引言
随着社会科技的发展与进步,生活水平的日益提高,人们对电的依赖性逐渐加强,电力系统的连续可靠性成为保障正常生活的重要指标。特别是一些重要用电场所(医院、机场、大型生产线、银行等),电力系统出现故障时,如果不能及时供电,将会带来巨大损失[1]。自动转换开关(Automatic Transfer Switching Equipment,ATSE)便是为了确保供电连续而设计的。ATSE 由开关主体和其他必需的电器组成,设有监测电源电路对电源进行故障检测,并且能够自动将一个或几个负载电路从一个电源转换至另一个电源[2]。1992年在上海金茂大厦的设计中我国首次引入ATSE,此后在我国的建筑工程等领域,这种开关装置得到了普遍应用[3]。国际电工委员会标准将ATSE分为CB级和PC级。CB级ATSE结构复杂、体积大、切换时间长且可靠性较差,故随着ATSE技术的不断进步,其应用领域逐渐缩小。PC级ATSE结构简单、体积小、切换时间短且安全可靠,近年来逐渐占据了ATSE的主流市场[4]。
本文设计了一种以STC单片机为控制核心的双电源自动转换开关控制器。系统设有常用与备用两个电源,正常情况下常用电源供电;设有电压检测模块对常用、备用电源电压进行实时监测;设有单片机控制模块对采集电压进行处理与判断,并根据判断结果发出相应控制命令;设有电机与电闸切换模块响应单片机的控制命令,快速进行电源切换动作。当系统判断常用电源出现故障(如欠压、过压、断相)时,各模块协同运作,自动切换到备用电源供电;当系统判断常用电源恢复正常时,再自动切换回常用电源供电。STC单片机具有体积小、数据处理速度快、抗干扰性强和功耗低的特点[3],保障该控制器的有效性。相较于传统的以单片机为基础的双电源自动转换开关控制器,为了提高本控制器的抗干扰能力,在电压检测电路中加入光电隔离电路和滤波电路,有效隔离环境、电磁场等因素的干扰;软件采用C语言及其内核函数编程,语法灵活;用内部逻辑关系代替实际的硬件连接,避免大量中间连线的干扰,保障该控制器的可靠性。
1系统总体设计
系统主要由电压检测模块(常用电检测和备用电检测)、电机模块、电闸模块、按键控制模块以及故障报警模块组成,结构框图如图1所示。电源模块在常用电源与备用电源之间选择一路为单片机供电[5];电压检测模块
对常用电源与备用电源各个相的电压进行检测,检测结果作为采样值送入单片机。单片机对接收到的信号进行处理与判断,当检测出常用电源有任意一相电压信号不正常时,单片机对继电器与电机发出控制命令,使电机反转,备用电闸闭合,控制面板上备用电源指示灯亮,备用电源供电;当检测出常用电源恢复正常后,单片机对继电器与电机发出控制命令,使电机正转,备用电闸断开,常用电闸闭合,从备用电源切换到常用电源供电,控制面板上常用电源指示灯亮。同时设计故障报警模块和按键控制模块,便于及时进行故障检修以及人工切换电源。
系统实现的主要功能如表1所示。状态1表示继电器控制电机,保持常用电闸闭合,系统使用常用电源。状态2表示继电器控制电机,使备用电闸闭合,系统使用备用电源,系统向外报警,常用电故障。状态3表示继电器控制电机,保持常用电闸闭合,系统使用常用电源,系统向外报警,备用电源故障。状态4表示系统不工作。
2硬件设计
2.1实时电压检测
电压检测电路对常用电源与备用电源输入的三相交流电压(NA、NB、NC)进行检测,系统采集三相电压值作为常用电源与备用电源正常的标志。当检测到其中任何一相电压不正常时,表明电源发生故障。通过STC204D2单片机A/D模块编程把所采集到的信号模拟量转换为数字量,判断常用电源是否供电正常,进而控制继电器,驱动电机切换电源。在电压信号检测电路中加入光电耦合电路和滤波电路,增强控制器硬件抗干扰能力。
STC204D2单片机内部A/D转换采用均方根算法,电压的公式可以表示为:
式中:U为模拟量转换为数字量的电压值;T为采样时间;uL(t)为采样电压瞬时值。
由于采集到的都是不连续的点,所以将公式离散后进行数字化。离散后的公式为:
式中:N为每个周期的采样点个数;uLj为第j个电压采样值。
常用电源火线NA作为电源部分为系统供电,如图2所示。经过变压器后输出12 V交流电,在R2与R3之间进行分压。变压器输出为正电压时,NA点为正常分压;变压器输出为负电压时,由于二极管D1的钳位电压作用,NA将固定在-0.7 V。最终将检测值输出到单片机A14口。系统采集NA的值作为常用电正常的标志之一。
对图2电路进行仿真,NA点输出波形如图3所示。输入为220 V 50 Hz交流电,测得NA点电压值约为1.94 V。
常用电火线NB与NC一同检测,如图4所示。NB信号经过R4、R5、R6分压,经过第一个光电耦合器U1输出,作为第二个光电耦合器U2的集电极输入。其中C4的作用是使第二个光电耦合器输入电压稳定,C5与R10的作用是将信号转变为高电平输出给单片机。NB与NC间存在相位差,同时有电时NBC处能够检测到直流信号,最终输出给单片机A13口。NBC电压作为常用电的标志之一。
对图4电路进行仿真,第一个光电耦合器输出NB点与NBC点的输出波形如图5。第一个光电耦合器导通,输出电压降低,为C4充电,两个光电耦合器依次导通,为NBC逐渐充到高电平的电压,输入为220 V 50 Hz交流电,仿真得到NBC点电压值约为4.3 V。检测时间为0.2 s。
2.2常用、备用电源切换的硬件实现
系统存在常用、备用两路电源,各由一个电闸控制。两个电闸间设计一个由电机控制的切换装置,电机正转时, 图6电机控制电闸示意图
常用电闸闭合,常用电源供电。电机反转时,备用电闸闭合,备用电源供电,如图6。
单片机通过cont0、cont1、cont2三个端口控制继电器J3、J1、J2,实现电机供电选择、电机旋转方向选择的功能[6],最终控制电机进行常用、备用电源切换,如图7。cont2驱动J2在常用电与备用电之间选择一路电为电机供电;cont0驱动J3控制电机的正转与反转。若J2直接同时接入常用电与备用电,则切换时电流较大,容易产生火花,比较危险,故设计cont1驱动J1控制备用电的接入,在J2接入备用电之前对备用电进行断开处理,仅当常用电不正常需要备用电时再去接通。
3软件设计
软件设计部分包括显示程序与控制程序。显示程序用来显示检测到的实时电压值,供人工查询;控制程序用来实现单片机对继电器与电机的控制,完成常用、备用电源之间的转换。图8为控制程序流程图。软件程序采用C语言及其内部特定的内核函数编写,提高了程序运行效率;采用“指令冗余”技术,多编写单字节指令,在双字节、三字节指令后面加两条单字节指令NOP,增强了控制器软件抗干扰能力[7]。
首先,对单片机以及继电器进行初始化设置。然后,对常用电源电压值进行判断。如果常用电源三相电压值均正常,则继续对备用电源输入电压值进行判断:备用电源正常,重新初始化进行新一轮判断;备用电源不正常,则备用报警,持续检测备用电源直至其正常为止。如果常用电源有任一相电压不正常,则常用报警,备用合闸,使备用电源供电,之后持续对常用电源进行检测直至其恢复正常,备用断闸,常用合闸,常用电源重新供电,初始化进行新一轮判断。
系统软件与硬件相结合,经过调试后,能够使单片机双电源自动切换开关控制器正常运行,完成电源切换的功能。
对控制器进行测试,测试内容如下:
测试条件:常用电正常,然后断路(NA、NB、NC全为0 V),备用电正常。
测试结果:常用报警,备用电合闸,由备用电供电,切换时间约1 s。
结果分析:在信号采集阶段,图4中NB、NC经两个光电耦合在NBC处得到稳定电压值约用时0.2 s,电闸动作0.8 s。
4结论
本文设计了一种以单片机为核心的双电源自动转换开关控制器,并对其硬件与软件设计进行了深入讨论。该控制器的电压检测模块能够实时检测常用、备用电源的供电状况;系统能够自动判断电源出现的各种故障(如断相、欠压、过压等),并快速进行电源切换;控制面板能够显示当前供电状态供人工查询。与此同时,系统信号采集采用均方根算法,保证了数据的精确性与可靠性;软件编程采用C语言,语法灵活、运行速度快、效率高;在系统的硬件与软件设计中均采取了抗干扰措施,显著提高了控制器的可靠性。
参考文献
[1] 王舜尧,姚建军,王汝文.一种多功能双电源转换智能控制器[J].低压电器,2002(4) : 2931.
[2] GB/T14048.112008.低压开关设备和控制设备[S].2008.
[3] 陈众励.ATSE应用中需关注的几个问题[J].电气应用,2006(5):155157.
[4] 康洪富,张兴波.基于STC系列单片机的智能温度控制器设计[J].电子技术应用,2013,39(5):8688.
[5] 赵荣康.智能型双电源开关控制器的设计 [J].微型机与应用,2010,29(15):2224.
[6] 苏和,时述有.SSR控制的电动机正反转电路设计[J].电子技术应用,2009,35(12):6566.
[7] 杨开宇,柯慧,高印寒,等.智能压装力单片机测控系统的抗干扰设计[J].计算机测量与控制,2013,21(11):29262928.
多种开关电源电路模块设计
由L4970A构成的大功率开关电源
如图所示为由L4970A构成的大功率开关电源。L4970A是一种大功率单片开关集成稳压器,该芯片采用SIP-15封装,其特点是;(1)输入电压必须11V,一般为15~40V之间;(2)输出电压:固定输出5.1V,也可通过外部电路设置成可调输出,范围在5.1~40V;(3) 最大输出电流为10A;(4)工作频率200kHz;(5)内部设有欠压检测、掉电复位、功率级软启动等特殊电路。
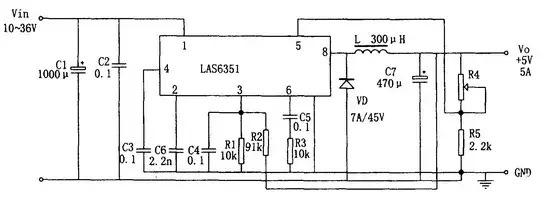
用LAS6351构成的大电流高效开关稳压电源
如图所示为用LAS6351构成的大电流高效开关稳压电源。LAS6351是一种具有较完备功能的大电流可调脉冲宽度开关式集成稳压器。它能在承受 3~8A连续负载电流的情况下输出2.5~50V范围的电压;芯片内设有软启动、过载过压保护过热关闭保护电路;效率高达90%;由于开关频率高达 200kHz,因此降低了外部输出LC滤波器的成本。用它可直接组装15W、25W、40W可调式或固定式开关稳压电源。图所示电路是一个+5V、5A开关稳压电源。
基于可控硅的过零触发电路设计
过零同步脉冲是一种50Hz交流电压过零时刻的脉冲,可使可控硅在交流电压正弦波过零时触发通导。过零同步脉冲由过零触发电路产生,更详细的电路图如图所示。在该图中,电压比较器LM311用于把 50Hz的正弦交流电压变成方波。方波的正边沿和负边沿分别作为两个单稳态触发器的输入触发信号,单稳态触发器输出的两个窄脉冲经二极管或门混合后就可得到对应于交流220V市电的过零同步脉冲。此脉冲一方面作为可控硅的触发同步脉冲加到温度控制电路,另一方面还作为计数脉冲加到8031的T0和T1端。
基于PM4020A的650W功放高速开关电源设计
音响功放650W高速电源电路是用下面的PM4020A 作为驱动源制作的一款高级电子变压器,它有非常快的电流速度,是代替传统笨重工频变压器的新产品。用PM4020A 设计的电源基本不需要调试就会可靠工作。
开关电源驱动器PM4040F应用电路设计
开关电源驱动器PM4040F在中小功率半桥电路的应用如下图:采用PM4040F来驱动一个200W到800W的开关电源可以参考下面的电路图,其他电路部分请PM4040F的实用电路。如果是 1000W以下的电源方案可以按该电路的方法, 将不使用的驱动输出组悬空可以使驱动器的直流供电 电流减少一半。在这里的驱动能力是可以直接驱动100A的IGBT管子 或者60A的MOS管子,对付1000W的电源是完全胜任的。
相关问答
单片机开关电源 原理?单片机开关电源是一种基于电磁感应原理的高效率电源,通过改变感应电动势实现电源输出电压的调节和稳定。它主要由交流输入端、整流电路、滤波电路、开关电路、...
单片机电源开关 怎么接?一般单片机的外接按键有三种接法:1、每个I/O端口接一个按键:按键接另回一端通常是答接地,I/O口通常还应该接一个上拉电阻,有些单片机的I/O口可以配置成内部...
5v1a 开关电源 给 单片机 供电,怎么做滤波整流?-ZOL问答应该不用吧,一般开关电源都是直流输出的,如果要滤波的话,一般在电源输出前方并联个100uF或220uF的电容,接近单片机电源的地方(越靠近单片机越好)并个104的钽电容...
想学习 单片机 ,有什么好的书籍推荐?五年之前那是在大学期间,距离现在大约有4年了吧,教我们单片机的老师要离我们而去了,因为她要去她的城市教书去了。怎么形容她呢?那是一个风度翩翩,很有才华...2...
单片 开关电源 芯片常用的有哪些-设计本有问必答单片开关电源(例如TOPSWITCH系列)通常内部集成了三角波发生单元,内部工作电源稳定单元,误差放大器,及内置功率VMOS开关管等几乎所有产生PWM信号产...
单片机开关 元器件名称?电源开关,复位开关,拨码开关等。7.MOS场效应管8.MES场效应管9.继电器:PELAY.LIB10.灯泡:LAMP11.运放:OPAMP12.数码管:DPY_7-SEG_DP(MI...
国内常用 电源 ic是什么银联宝除了提供5v2a电源适配器方案,还有其他的方案,列如:12W系列、10W系列、24W系列等开关电源方案深圳市银联宝电子科技有限公司生产的开关...
开关电源 芯片U6215可以应用在 LED照明驱动上吗?[回答]可以的,LED照明驱动电源芯片U6215是一种高性能的源边反馈(PSR)和单片开关电源控制器,专为具有电流模式控制的小型电源设备设计。内置精确的CV/CC...
单片机 小车最好用什么 电源 ?数字电源应该叫数控电源,普通电源一般用电位器调节输出电压,而数字电源用数字信号来调节输出电压,如用4个输入端子控制,可能的状态有000000010010等16种...
单片机 程序:用一个 开关 按钮控制一个灯,按钮在上面灯恒亮(高...sbitKEY=P1^0;//假设开关接IO1.0sbitLED=P1^1;//假设led接IO1.1voiddel...直接把电源接给单片机不太好,建议稍微改下电路那个可以用~~~...
