单片机创意小制作,GPS记录器DIY
全球定位系统,小名GPS,大家一定不陌生,对于我们来说,它只有一个功能——定位,说白了,就是它能告诉我们现在所处的经纬度。
虽然功能简单,可由此衍生出来的应用可就不少了,比如车载导航仪,不光能告诉我们现在在哪,还能告诉我们怎么去想去的地方;又如某个车队要了解车辆的位置,那就给每个车子装个GPS和无线收发设备,实时了解车辆信息。
图12.1 GPS 记录器的显示界面
除此之外,还有些另类的应用:比如 GPS授时,所谓授时,就是告诉我们现在几点钟了。虽然这有点大材小用的意思,不过这时间是相当准确的,可以精确到毫秒级,可以作为许多应用的标准时钟。再有就是今天我们要DIY的这个“GPS 记录器”(见图12.1)了,简单来说,就是把我们所经过的位置记录下来的装置。有人要问了,这有什么用呢?假如有驴友旅行过程中发现一段非常漂亮的路径,路上湖光山色,风景秀丽,他就可以利用这个装置将路径记录下来和朋友们分享;假如探险家外出探险,也可以利用这个装置将路径记录下来,探险结束后按原路安全返回。这,就是路径回溯功能。
接下来让我们了解一下必备的基础知识。
GPS原理简介
GPS应用已经非常普及,现在很多手机都集成了GPS导航的功能,但是光有导航仪或者是GPS接收器是不行的,它还得有天上挂着的24颗卫星作为信号的来源。这24颗卫星就像草莓外面的籽一样均匀地分布在地球上空,基本上在全球任意地方都能接收到GPS卫星的信号。接收器根据卫星发送的含有报文的信号来计算处于哪个位置。除此之外,我们不能将卫星发射上去之后就不管了,所以,地球上还有地面中心对这些卫星进行监控和数据修正。所以,完整的GPS系统包括 GPS卫星、用户接收端、地面监控中心。
图12.2 解析流程
GPS 接收端与通信协议
上面讲的GPS系统包含3部分,但是我们平时能接触到的只有接收端。别看现在市面上各种牌子的导航仪和接收器数不胜数,但上面用的GPS接收处理的芯片,全球就只有几家公司有能力设计。其中,SiRF的芯片占据了民用市场七八成的份额,而目前用的比较多的是2004年发布的SiRFstar III,也就是所谓的“第3代”芯片。
接下来就是让其他产品能“听懂”从GPS芯片发出的数据是什么意思了,这时就需要有个通信协议。目前大部分GPS模块采用的是NMEA0138协议。这个协议涵盖了许多方面,GPS只是用到其中的一部分。
NMEA 协议简介
NMEA 是由美国全国海洋电子协会(The National Marine Electronics Association)制定的一套通信协议,是目前GPS最常见的通信协议。
以笔者的这个GPS 模块为例,它将接收到的GPS卫星信号解码之后,通过串口以NMEA格式输出,而用到的语句只有4个:$GPGGA、$GPGSA、$GPGSV、$GPRMC,其中美元符号($)代表前缀,表示语句开始;GP 代表对象,代表用在 GPS 上;后面的GGA、GSA、GSV、RMC等是语句类型;每条语句的各个数据字段用半角逗号(,)分开;结尾为*XX,XX 是整个语句的校验和,以检验收到的语句是否正确,代表回车和换行,表示该条语句结束。
我们所要做的就是将其接收下来,解析出我们要的数据,再进行下一步的应用。
数据解析和保存
有了从模块那里收到的数据,接下来就是解析出里面有用的数据了。图12.2所示为简单的解析流程。
由于使用的是单片机,所以最简单的保存数据的方案便是使用SPI接口的Flash。另外由于NMEA语句是为了便于传输,采用字符形式,所以“身材”比较大,基本上每次的数据量在300~500字节,由于Flash容量限制,不能将原始的NMEA 语句直接保存,所以我们自己定义了一个存储格式,将其中有用的数据摘出来以二进制的格式保存,这样每次的数据顺利地缩小了。在实际应用中,每个点的数据只需要32字节。
如何浏览路径
说到这里,就必须请出神器——Google Earth了。这是谷歌出的一款可以看卫星图的软件,可惜的是目前的6.0 版还不能直接支持 NMEA 协议。不过 Google Earth 支持另外一种语言,那就是KML。其全称是Keyhole Markup Language,基于XML,同样,它包含了很多复杂和高级的内容,在此不再赘述,我们只需要用到其中一部分——在Google Earth 中画路径。
Path from GPS Logger V2
Path Name
这个KML文件被Google Earth读取后会生成:
简单来说,它告诉Google Earth,生成一个文档,名字为Path from GPS Logger V2,其中有一个路径,名字叫Path Name,路径的是“连线”的模式,颜色为黄色(ff00ffff),线宽5像素,而具体经纬度信息则包含在标签中,继而Google Earth会根据其中的经纬度信息绘制出一条折线。
所以,只要将之前保存的每个点的数据,依次填充到标签中,则生成的KML被Google Earth读取之后显示的就是我们记录的路径。
至此,我们自制记录器所需要了解的背景都全部知道了,接下来便是制作的过程了。
主要功能目标
直接显示当前日期和时间、经纬度、海拔、速度、方向等信息,显示卫星信号强度、卫星数目、分布情况等。
将位置信息记录到存储器中,并显示当前空间使用情况。板载的Flash可用保存50994个记录点,按每秒一次计,可连续记录14小时。当空间满了之后,可以将数据转存至TF卡之后重新记录。可实时浏览存储器中的数据,也可将存储器中的记录导出,或者转换成 Google Earth可以识别的KML格式。
图12.3 GPS 记录器的模块框图
GPS 记录器的设计
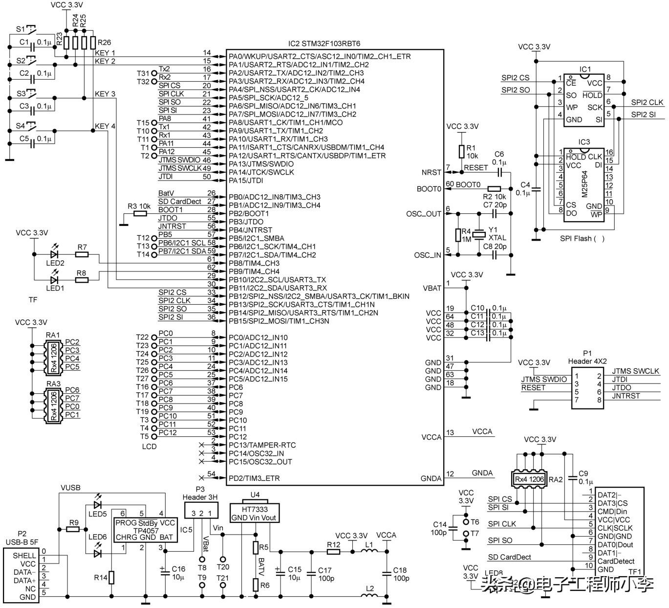
GPS记录器的模块框图如图12.3所示。数据通信方面,GPS模块通过串口与MCU通信,TF卡和SPI Flash则分别挂载在两个硬件SPI上,LCD通过并行方式与MCU连接。供电方面,采用锂电池(自带过充过放保护电路)供电,由于GPS内置了LDO(低压差线性稳压器),所以直接与电池连接;另外一路则经3.3V LDO输出给MCU、LCD、Flash和TF卡供电;同时,用STM32自带的ADC模数转换测出锂电池的电压,以此估算剩余电池电量。图12.4为根据框图设计出的PCB原理图。
图12.4 GPS 记录器的PCB 原理图
绘制 PCB
根据液晶显示屏的尺寸,确定了主控板的大小。元器件不多,所以PCB尺寸只有显示屏的1/2左右。制作完成的PCB图与实物如图12.5所示。
表12.1 制作所需原材料和元器件
图12.5 制作完成的PCB图与实物
图12.6 焊接完元器件的PCB
图12.7 GPS 模块通过支架来安装,电池也加以更换
焊接元器件和PCB调试
笔者的习惯是焊接完一部分立刻检测该部分是否能正常工作,这样可以尽早发现问题并快速判断出问题源。
在焊接之前,目测一下板子是否有断路或短路的情况,然后用万用表测量电源正负极之间是否短路。
首先焊接电源部分,将USB座、LDO稳压管和充电芯片及阻容元件焊上,然后供电,测量输出是否为3.3V,有条件的话,还可以接在示波器上看看输出的电压是否纯净。
在LDO输出和整版的供电之间,笔者增加了一个0Ω的电阻,这个电阻可作为跳线使用,断开后可以检测芯片部分是否有短路等情况,调试完成后可直接短接导通。
电源部分完成后,接下来焊接单片机和外围的晶体振荡器、复位电路,组成最小系统。要判断单片机是否能运行起来,可以将板上的两个LED也装上,然后编写一个测试程序,循环点亮和熄灭,如果成功,则表明单片机基本正常。
最后焊接Flash芯片、TF卡座、按键等。
至此,原来的空PCB已经比较像一块电路板了,如图12.6所示。
一般来说,使用陶瓷天线的GPS模块需要尽量使天线面向天空,这样才能尽可能地接收信号,所以安装GPS模块的时候设计了一个支架,使得模块天线与接收器成45°角,平时手持的时候刚好面向天空,即使平放或立着放都能部分面向天空,如图12.7所示。另外,还为模块换了一个备用电池。
全部元件组装完成后的样子如图12.8所示。装上电池和后盖,如图12.9所示,硬件装配至此就完成了。
软件设计思路与调试
由于功能简单,软件不需要复杂的结构,流程如图12.10所示。开机初始化完成后,系统便进入无限主循环中,循环检查GPS是否接收完毕,是否有按键按下。
图12.8 全部元器件组装完毕的样子
图12.9 装上电池和后盖
GPS接收和解析使用了中断,当接收完成后,设置标志位,主循环检测到数据接收完成,便将数据显示在LCD上,如果设置需要记录,则再记录到SPI Flash中。
如果“菜单”按键被按下,则转到菜单函数;如果“显示模式”按键被按下,则切换显示模式;如果“记录”按键被按下,则切换是否记录到SPI Flash中。
图12.10 软件流程框图
操作方式和界面
记录器上部有4个按钮,用途分别为“菜单/退出”、“上一个/显示模式”、“下一个/记录模式”、“确定”。
常规显示时屏幕分为3个区域,顶部显示电池电量、卫星信息、时间等,中间用大字体显示当前经纬度,下半屏则根据显示模式分别显示卫星信息、速度航向和记录信息3种模式。按“显示模式”按键可以在3种模式中循环切换,如图12.11所示。
图12.11 显示屏下半部具备3种显示模式
图12.12 将数据存储到 TF 卡中
按“记录模式”键可以切换记录开始和停止模式。按“菜单”键可进入功能菜单。选择“菜单→转储→TF卡(KML)”可将存储器中的数据以KML文件的格式转存到TF卡中,如图12.12所示。选择“菜单→转储→TF卡(转储)”可将存储器中的数据以原始二进制格式存到TF卡中。
转储之后,在TF卡的GPS目录中就会有已经生成好的KML 文件,如果装了 Google Earth,就会出现如图12.13所示的图标。
图12.13 存储在TF卡中的KML文件
直接双击之后会自动打开 Google Earth,黄色的连线就是我们记录下的路径,如图12.14所示。
图12.14 GPS记录器记录下的路径可在 Google Earth 中显示
选择“菜单→浏览记录”可以实时浏览存储器中记录的路径和记录点的信息,并能直观地了解存储器空间使用情况,如图12.15所示。选择“菜单→擦除空间”,可将数据擦除,继续记录,如图12.16所示。
后记
其实市场上早已有产品化的GPS记录器,而且成本更低、功能更强,但是DIY的乐趣在于更深地了解其中的原理,以及发挥自己的想象力,根据自己的需要定制。比如,还是这套硬件,通过修改软件,还能实现GPS测面积的功能。
图12.15 实时浏览存储器中记录的路径和记录点的信息
图12.16 擦除记录
单片机原理和应用
单片机是一种集成电路芯片,是采用超大规模集成电路技术把具有数据处理能力的中央处理器CPU、随机存储器RAM、只读存储器ROM、多种I/O口和中断系统、定时器/计数器等功能(可能还包括显示驱动电路、脉宽调制电路、模拟多路转换器、A/D转换器等电路)集成到一块硅片上构成的一个小而完善的微型计算机系统,在工业控制领域广泛应用。从上世纪80年代,由当时的4位、8位单片机,发展到现在的300M的高速单片机。
单片机又称单片微控制器,它不是完成某一个逻辑功能的芯片,而是把一个计算机系统集成到一个芯片上。相当于一个微型的计算机,和计算机相比,单片机只缺少了I/O设备。概括的讲:一块芯片就成了一台计算机。它的体积小、质量轻、价格便宜、为学习、应用和开发提供了便利条件。同时,学习使用单片机是了解计算机原理与结构的最佳选择。单片机的使用领域已十分广泛,如智能仪表、实时工控、通讯设备、导航系统、家用电器等。各种产品一旦用上了单片机,就能起到使产品升级换代的功效,常在产品名称前冠以形容词——“智能型”,如智能型洗衣机等。
硬件特性
1、主流单片机包括CPU、4KB容量的RAM、128 KB容量的ROM、 2个16位定时/计数器、4个8位并行口、全双工串口行口、ADC/DAC、SPI、I2C、ISP、IAP。
2、系统结构简单,使用方便,实现模块化;
3、单片机可靠性高,可工作到10^6 ~10^7小时无故障;
4、处理功能强,速度快。
5、低电压,低功耗,便于生产便携式产品
6、控制功能强
7、环境适应能力强。
单片机原理
单片机主要由运算器、控制器和寄存器三大部分构成。其中,运算器由算术逻辑单元(ALU)、累加器、寄存器等构成,首先累加器和寄存器向ALU输入两个8位源数据,其次ALU完成源数据的逻辑运算,最后将运算结果存入寄存器中;控制器由程序计数器、指令寄存器、指令译码器、时序发生器和操作控制器等构成,是一个下达命令的“组织”,用于协调整个系统各部分之间的运作;寄存器主要有累加器A、数据寄存器DR、指令寄存器IR、指令译码器ID、程序计数器PC、地址寄存器AR等。
在微处理器内部运算器、控制器、寄存器之间是相互连接的,由控制器向各部分发布操作命令,运算器接到命令后进行相应运算,并将运算后结果存入相应的寄存器中。
单片机现已渗透到我们日常生活中的各个领域,小到家用电器、仪器仪表,大到医疗器械、航空航天,无不存在着单片机的身影。一旦在某种产品上添加了单片机,便使得原产品向互联网靠拢,获得了“智能型”的前缀。单片机具体在各个领域的应用如下:
1)在仪器仪表领域,一旦采用单片机对其进行控制,便使得仪器仪表变得数字化、智能化、微型化,且其功能更加强大;
2)在家用电器领域,已广泛实现了家用电器的单片机控制,如电饭煲、电冰箱、空调、彩电、音响等等;
3)在网络通信领域,手机、小型程控交换机、楼宇自动通信呼叫系统等等都已实现了单片机控制,且单片机普遍具备通信接口,使得通信设备可以方便地与计算机之间进行数据通信;
4)在工业控制领域,可以使用单片机构成多种多样的控制系统,如工厂流水线的智能化管理、电梯智能化控制、各种报警系统、与计算机联网构成二级控制系统等;
5)在医疗设备领域,单片机也极大的实现了它的价值,已广泛应用于各种分析仪、监护仪、病床呼叫系统、医用呼吸机等医疗设备中;
6)在模块化系统中,可利用单片机实现特定功能,进行模块化应用,而不要求操作人员了解其内部结构,这样做大大地缩小了体积、简化了电路,也降低了损坏率、错误率;
7)在汽车电子领域,单片机已广泛应用于发动机控制器、GPS导航系统、ABS防抱死系统、制动系统中;
8)除上述应用外,单片机在工商、金融、教育、物流等领域都或多或少的发挥了其本身的作用
相关问答
GPS 模块 与单片机 怎么连接?GPS模块与单片机连接通常通过串口通信。单片机的串口引脚(通常为TXD和RXD)与GPS模块的串口引脚(通常为VCC、GND、TX和RX)相连。VCC和GND分别为供电和接地,TX...
gps 模块 与单片机 接口原理?GPS模块与单片机的接口原理如下:1.选择合适的GPS模块:首先需要选择与单片机兼容的GPS模块,通常使用串行通信接口(如UART)进行通信。确保选取的GPS模块支持...
如何重新复位 gps 信号?在可编程的芯片(如单片机),可编程控制器(PLC),微机等电子设备的运行中,会出现程序跑飞的情况或程序跳转,可用手动或自动的方法发给硬件特定接口使软件的运...
51 单片机 的有利作用?51单片机作为学习单片机的过程中必须要经过的一个过程来讲是非常重要的,原因在于51单片机从内部的硬件到软件有一套完整的按位操作系统,称作位处理器,处理对象...
GPS 车辆管理系统多少钱?[回答]选择什么样的GPS主要看个人用途,应用较多的是出租车、公交车、私家车等等车辆,根据自己的需求,选择合适的,具体可以咨询安徽星踪有限公司。1)硬件...
GPS 车辆管理系统多少钱?[回答]选择什么样的GPS主要看个人用途,应用较多的是出租车、公交车、私家车等等车辆,根据自己的需求,选择合适的,具体可以咨询安徽星踪有限公司。1)硬件...
GPS 测量土地面积是什么原理?GPS测亩仪GPS测亩仪又名土地面积测量仪、手持式测亩仪等。集成了解高精度的GPS定位系统、精确的面积计算方法和智能化的掌上电脑系统。中文名GPS测亩仪测量数...
电动车 gps 卫星定位追踪器买什么牌子比较好用?推荐双向报警器的GPS卫星追踪器,例如RF-V12+。GPS定位追踪器是内置了GPS模块和移动通信模块的终端,用于将GPS模块获得的定位数据通过移动通信模块(gsm/gprs网...
摩拜如何拆锁?具体如下:1、摩拜的车锁包括中心控制单元、GPS定位模块、无线移动通信模块2G、机电锁车装置、电池、动能发电模块、充电管理模块、车载加速度计等,中心控制单...
考场网络校时电子钟或者 GPS 校时电子钟哪里有做?[回答]不必单片机,那就要用计数器,无法用触发器。要用触发器自己装配计数器是很麻烦的,有现成的集成电路计数器:74LS160,就是十进制的计数器,可以计一位十...
