如何应用单片机设计智能型节能路灯控制系统
路灯是城市的重要公共安全和景观设施,也是能源消耗大户,实现智能照明,不仅节约能源,更有利于环境。经过了解,现在大量的路灯都是根据四季不同的天黑天亮时间来控制路灯的开关,先进一点的也不过是简单的光敏控制,一直从天黑开到天亮,中间不管有没有行人、车辆通过都是不会关断,这样就造成了大量的能源浪费。
为了能高效节能的控制路灯,合理地利用能源,为现代城市的道路提供一个良好的照明环境,本文设计了一种基于单片机的智能型节能路灯控制系统,该系统能够需要独立控制每盏路灯的开关与照度,它根据行人或者车辆通过情况和照明范围,自动开关路灯并控制其照明度,经实际运行,效果较好。
硬件电路设计
路灯控制系统采用集成运放LM358、MOS管IRF614实现。支路控制器实现对所有照明单元状态的状态收集、显示、判断与发出控制命令,是整个系统的控制核心部分;单元控制器是系统的执行终端,完成对该单元所有状态的采集与通信,接收支路控制器的控制指令并执行。系统组成基本框图如图1所示。
2 模块电路设计
(1)控制方案
系统采用集中控制和就地控制相结合的方式。支路控制单元可以集中对各个单元电路进行控制,同时各个单元控制电路也可以根据所采集的状态,进行综合判断,并做出相应的控制动作。整个系统的控制方式灵活,两种方式互补,既减轻了支路控制器的负担,使整个系统的控制容量可以做得很大;又可以避免支路控制器的故障而导致整个系统的瘫痪,保证各个单元仍然能够正常的工作。
图1 系统基本组成框图
(2)信息传输方式
由于传统的232通信方式传输距离有限,在实际路灯系统中,无法实现远距离路灯的控制,本设计采用485通信方式,该方式除了具有232通信的优点外,还具有传输距离远的特点,在2400B的码元速率下,传输距离可达10KM以上。为实际路灯控制系统提供远距离传输保证。
(3)移动物体定位检测
采用红外通信编码,其灵敏度较高,传送距离较远,光源安全,电路简单并易于实现。
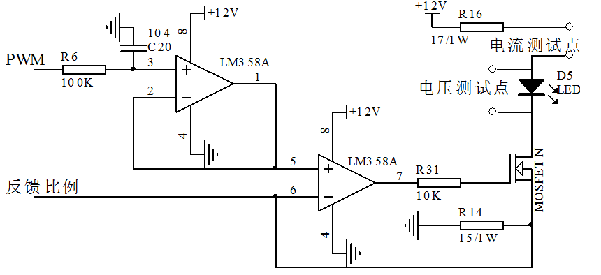
(4)恒流源电路
如果选择单独运算放大器构成恒流电路,输出电流只能达到几十毫安,不能满足LED照明所需电流,必须加入扩流电路。系统采用高精度运算放大器LM358和MOS管IRF614扩流电路组合,可以实现精确的恒流电路。支路控制器和单元控制器硬件电路结构框图如图2和图3所示。
图2 支路控制器框图
图3 单元控制器框图
工作原理
系统的支路控制器和单元控制器分别采用STC89C52和STC12C2052A/D单片机,这两种MCU具有1个232口和1个SPI通信口。
移动物体检测采用红外通信编码的方式。这种检测不持续发射,而是每隔5ms发射一个持续时间为0.25ms、频率为40KHZ的载波信号,相当于“红外雷达”,对≥50cm长的物体以180千米/小时通过时,其经过探头的时间为10ms,可被检测两次,完全能满足检测需要。检测原理如图4所示。
图4 红外检测原理示意图
图5是恒流源电路,采用LM358搭建而成。第一级运放构成跟随器,可以得到第一级同相端3脚的电压与第二级运放同相端5脚的电压相等,从而得到反相端6脚的电压与3脚的电压相等,该电压经电阻R14形成一个恒定电流。因此,调整3脚输入的电压,就可以改变恒流源的电流。电路简单,元件很少,灵敏度高,不需要对外围元件进行匹配调节,真正实现免调试功能。
电源波动影响极小,电压从10V~36V变化,其恒流稳定性超过1/1000。其等效内阻高达70MW以上。其上端增加了功率限流电阻,防止电流过大而造成路灯损坏。
图5 恒流源原理电路
为了实现对路灯的调光,达到智能控制照明度,单元控制系统采用了对路灯驱动电源功率的闭环控制,利用PWM脉宽调制[7]实现调光功能。同时,利用光敏电阻对环境光线以及路灯状态进行监测,作为该调节电路的反馈输入,使得路灯的亮度跟随环境光线的变化以及路灯开闭的状态实时线性调整。
故障自动检测电路。系统能够对恒流源基准电压、路灯回路电流以及路灯状态进行反馈采集,并进行综合判断,得出系统工作状态。当系统控制输出值与恒流源基准电压值偏离时,回路未工作在恒流状态恒流源电路故障;当系统控制灯亮,而反馈路灯状态为灭时,路灯回路故障,此时,若恒流源基准电压为0,说明路灯开路;若恒流源基准电压正常,则说明路灯短路。系统实时查询上述各状态,形成故障自动检测体系。
软件设计
1 软件流程图
支路控制器电路软件流程如图6所示。它包括定时中断和响应按键两部分。定时中断部分产生一个时钟节拍,定时读取时钟芯片时间、轮询各单元控制器的数据、刷新LCD显示;响应按键部分则根据按键进入功能界面,完成各种功能选择、初值设定。这种设计方式在中断里面仅仅处理相应标志位,而在程序主循环中根据标志处理任务。
图7是单元控制器电路软件流程图。它包括串口通信和T0定时器模块两部分,其中T0定时器包括电子表、软件脉宽调制、键盘、软件红外系统、实时故障诊断以及动态显示六个子模块,系统不工作的间隙都是处于睡眠状态,有利于进一步减小系统功耗。
图6 支路控制器电路软件流程图
图7 单元控制器电路软件流程图
2 软件设计特点
主从式多机通信方式:在主从式多机通信系统中,当主机轮询从机时,未被呼叫的从机不停接收主机下发的信息,产生接收中断,增加从机的工作负担,使从机的工作效率极低。在本系统中,为了避免这种情况的发生,采用了一套多机通信协议,协议中包含地址帧,从机收到地址帧后,判断是否呼叫本机,再决定是否继续后续的数据接收[8]。从而提高从机的工作效率。
环境光照自适应学习:在系统中,单元控制器还可以根据环境光照的变化调整路灯明暗。系统以光敏电阻实时采集环境光照的变化,反馈给单元控制器MCU。由于不同场合、或同一场合不同时间的环境光照均有差别,且光敏电阻光电特性也有个体差异,系统增加了环境光照自适应学习和校正的功能。以开机后30秒内的光照对应的AD采样均值为基准,动态调整路灯开关阈值与功率调整基准。
友好的人机界面:支路控制器采用128*64的LCD为显示屏,以6键键盘为输入设备,可实时显示路灯状态,系统时间,报警时间等多种信息,设置系统时间、开关灯时间、设置路灯功率、与单元控制器工作模式。采用交互式的人机界面设计操作方便,不需要关机就可以从一种状态切换至其他状态。采用前后台系统的设计思路,在中断里面处理事件标志,主流程中检测标志处理具体事务,程序有很强的健壮性。
系统测试
1 根据环境明暗自动开灯关灯测试
测试方法:模拟环境的明暗变化,采用人为改变环境明暗以及遮挡环境光监测光敏电阻的方法来实现。开关灯阈值由系统自动学习设定。在实验室进行的测试结果如表1所示。
表1 环境明暗自动开关灯测试结果
当环境暗于阈值时,灯打开;当环境亮于阈值时,灯关掉。本测试在每个不同的阈值情况下,都做了多次测试。结果表明,本系统完全能够根据环境的明暗,而自动开灯或关灯。
2 根据交通情况自动调节照明度
测试方法:在外界环境条件一定的情况下,推动可移动物体在模拟道路中移动,测试2个LED灯状态。结果如表2-1与表2-2所示。
表2-1物体从左向右移动时测试结果
表2-2 物体从右向左移动时测试结果
从测试结果分析,本系统完全能够满足非常精确的要求,根据交通情况自动调节照明度。
3 恒流源电路测试
测试方法:调整运放的输入端电压,使得电流分别为10mA、100mA、200mA,用可调直流稳压电源改变系统输入电压,用三位半数字三用表测试电流。测试结果如表3所示。
从表中可以看出,不同档位的电流在电压变化时稳定性高,电压波动对恒流源电路的影响极小,电压从10V~36V变化,其恒流稳定性超过1/1000,性能非常优越。
表3 恒流源测试结果
4 调光功能电路测试
测试方法:将一个三用表串入LED灯驱动电源回路测试电流,另一三用表测试LED灯两端电压,计算实际功率。测试结果如表4。
表4 调光功能测试结果
在功率设定完成后,电路中的电流瞬间改变到表中的测试值,表明功率调节功能可以在瞬间完成;由表中可以看出,误差最大的是100%功率档,为1.44%;误差最小的是50%功率档,为0.02%,精确度非常高。
5 定时开关灯测试及故障测试
定时开关灯测试方法:对每个路灯单独设定和对两个路灯同时设定两种情况都进行了测试。经多次测试表明,系统完全能够按照设定的时间和要求,准确地实现开灯和关灯功能。
故障测试方法:在进行故障测试时,人为地使路灯短路或开路,观察支路控制器的显示及声音。结果表明,当故障发生时,支路控制器能够及时发出声光报警信号,同时,LCD液晶屏上显示相应的故障和地址编号,均能达到最初我们设想的要求。
结束语
本系统实现完全智能化控制,移动物体的距离测量最高达到0.3cm,恒流源功率测试误差≤0.02%。系统具有闭环自动检测和学习自适应功能,同时具有完备的指示和保护系统,增强了系统的安全稳定性,通过设计运行实验,效果较好,同时系统可实现在线远程升级功能,提高了系统的可维护性。
本文编自《电气技术》,原文标题为“基于单片机的智能型节能路灯控制系统”,作者为王正、王洪诚、傅磊。
浅析智慧城市路灯照明智能控制系统
安科瑞 于洋
摘要 :随着我国社会经济和城市建设的快速发展,路灯照面系统逐渐成为衡量城市现代化程度的一个标志。近年来,城市路灯照明智能控制系统开始受到广泛的关注,本文设计并分析的是一种给予单片机的城市路灯照明智能控制系统。笔者首先阐述了智能控制城市路灯的重要性,然后对该设计进行了具体的分析,然后说明了整个系统的工作流程。
关键词: 城市路灯;路灯智能照明;智能照明控制系统
引言现阶段,世界能源危机不断涌现,受此影响,城市道路照明体系大幅度的电力耗费开始受到人们的重视,如何通过智能控制系统来实现有效率、低耗能的路灯照明系统成为了当前的研究关注点。尤其是随着近年来电能价格的上涨,庞大的道路照明电费开销给地方财政增加了很大负担,为此,笔者就城市路灯照明智能控制系统进行了以下思考
智能控制城市路灯的必要性路灯是城市居民必不可少的照明工具,而与大城市相比,中小城镇的路灯控制要求又有其不同的特点。如中小城镇人口不多,午夜过后经营活动非常少,秉承着不浪费电力资源的原则,除了几个关键位置的路灯需要常亮以外,其余的都可以关闭。此外,很多小城镇都有赶早集的习惯,所以需要在此之前将有关的路灯打开,以方便商贩和市民,为此,实现城镇路灯的科学管理与控制势在必行。
基于单片机的路灯智能控制系统构成分析通过对现有的路灯控制系统进行分析,笔者认为对其的划分主要可分为通信模块、时钟信号模块、远程控制模块及现场控制模块等多个模块。从整体上来看,又可采用功能执行、远程监控及现场数据采集等多个部分进行上述模块的分类。如下图1所示,计算机构成了远程监控,MC68HC908GT16为现成部分所选的单机片控制芯片,TSL2561为光强监测芯片,通信模块接口为标准RS232接口。
图1单片机路灯照明智能控制系统结构示意图
3.远程监控端工作原理
上文中提到,现场及远程监控两部分是组成该智能控制系统的主要成分。在利用操作控制、数据及路灯线路模块的基础上,远程监控计算机能对路灯进行管理、控制。数据模块的主要功能是编号和储存已经收录进系统的路灯;操作控制模块主要是往控制现场进行指令的发送,并对控制现场所反馈的信息进行接收;路灯线路模块则是将各路灯状态及结构图等信息以图形的方式显示给路灯管理人员。控制中心与单片机通过RS232串行通信端口进行通信,远程计算机可以向单片机发送控制指令,也能够接收单片机采集到的数据信息,从而使系统能够更好的对路灯进行控制。为了进一步简化系统结构,可将广播式通信添设于单片机与远程计算机之间,通过对总线的控制,远程计算机可朝着单片机发送指令信息,当信号传
送至单片机后便会开展识别、分析工作,以此对相关指令是否执行进行确认。
4.现场控制系统工作原理
(一)光强测量模块功能
光强测量模块中的感应器件能够采集路灯周围光性强度,并将其通过A/D转换模块转换为可用的数字信号,再传输至单片机完成处理分析,从而获取路灯的即时工作状态。在路灯周围的环境出现变化时,系统将控制路灯与周围环境同时发生变化,以实现自动适应。例如,当周围环境光线强度较高时,单片机会适当控制电路,降低对路灯的电流输入。当周围光线强度较弱时,单片机则会适当提高路灯的输入电流。这样一来就可以使路灯长期处于工作状
态和电力损耗平衡的状态下。
(二)实时时钟模块功能
在选择时钟模块时,要对系统的性能要求和硬件设备参数进行综合的考虑。本文所采用的芯片为DS12887。时钟信息主要提供给单片机、通信模块以及采集部分,以确保各设备保持准确一致的信号周期、除此以外,管理人员还能在单片机中根据实际路灯应用环境以及时钟周期来设计定时功能,来完成对路灯开关时间的控制,从而实现健身操作人员工作量的目的。
(三)通信模块功能
单片机在现场监控中接收到的信息可通过通信模块将其传输至远程计算机进行分析和储存;在对路灯的远程监控中,远程计算机可以将控制指令通过通信模块传输至单片机,由单片机操控不同模块完成指令。此外,在出现故障时,工作人员还可以将故障检测设备接入到通信模块中对控制系统进行检测分析,能够很好的帮助工作人员完成对故障的快速抢修,这样一来,就可以使城镇路灯照明系统的稳定性进一步得到增强。
5.城镇路灯控制系统工作流程
当路灯通电完成后,系统首先会进行自我检查,检查项目包括各软件模块是否存在故障,时间是否同步等。自检通过以后,系统正式开始工作。单片机根据预设指令控制光强监测装置采集路灯周围环境信息,并将其发送至单片机。单片机再将接收到的反馈信息上传至远程计算机,以此对路灯的工作状态进行进行实时记录和监控。值得一提的是,单片机根据时钟模块所提供的信息来设置定时开关的功能,因此可以控制路灯在白天时处于关闭状态,从而达到节约用电的目的;在经过设定的时间数以后,单片机再控制路灯开启,使其为夜间提供照明服务。在此期间,光强测量模块可以为路灯照明的强度提供有效的数据支持,以实现降低电能耗损的目的。在阴雨天气等光线强度小于预设阈值时,光强测量模块还可以向单片机发送开启路灯的请求,以保证市民的正常生活不受影响。此外,远程计算机还能随时对各路口路灯的工作状态进行监测,并将其实时工作状态通过数据库的功能进行记录,从而为之后的照明支持、电力调度以及照明系统改造提供数据信息支持。
6.安科瑞为路灯智能照明控制系统提供方案
6.1安科瑞智能照明监控系统采用分层分布式结构,即站控层,通讯层与间隔层; 如图(1)所示:
图(1)网络拓扑图
间隔设备层主要为:开关驱动器,这些装置分别对应相应的一次设备安装在电气柜内,这些装置均通过现场KNX总线组网通讯,实现数据现场采集。
网络通讯层主要为:智能照明网关,其主要功能为把分散在现场采集装置集中控制,同时远传至站控层,完成现场层和站控层之间的数据交互。
站控管理层:设有高性能工业计算机、显示器、UPS电源、打印机等设备。监控系统安装在计算机上,集中采集显示现场设备运行状况,以人机交互的形式显示给用户。 以上开关模块均采用KNX总线传输,一般都采用4根连线,接线简单方便,传输距离可达1.2km。
6.2安科瑞智能照明系统组成
定时控制通过时钟管理器,实现整个系统的有关区域照明的定时和自动管理功能,实现公共通道、景观照明、泛光照明、车库照明定时控制。如百叶窗定时升降、集中供热定时调节、节假日照明定时关闭、定时通知等。
智能照明控制系统根据各个部门的需求,设定不同种类的场景模式,进行各种照明灯光的组合,达到美化工作环境的效果;结合人体感应传感器,当人员离开时,关闭所有该会议室照明。
实时监控中心控制室,配置一台中控主机,所有照明控制设备,通过KNX网关,接入监控系统,操作管理人员,可以通过中控电脑,实时监视总线、区域、楼层、楼栋等照明状态,并可根据需求进行控制调整。系统绘图工具支持向量图和多层页面,图形页面缩放方便,切换简单,支持DXF、WMF、BMP、JPG、ICON等图形对象的嵌入、支持二维、三维图元的绘制,增加可视化的空间效果。
系统提供了警报处理能力,用户可采用编程来完成不同的任务,当某种警报条件出现时应做什么,可由用户自行确定。
5.事件通报 系统提供了事件通报功能,支持邮件通报、文本输出以及事件驱动打印,可按照用户预先设置的条件,触发事件通报功能。
6.3设备选型
7.结束语
综上所述,在城镇照明中应用该智能控制系统,能够有效的减少人力资源方面的投入,使电力资源的利用率大幅提升,同时还能使人为操作可能造成的不稳定因素大大降低,从而提升整个城镇路灯照明系统的智能化,现代化水平。这对于节能降耗和城镇可持续发展有着积极的推动作用。
参考文献:
[1]何勃.智能化控制系统在城市路灯照明中的应用[J].企业技术开发:中旬刊,2015,34(11):54-54.
[2]企业微电网设计与应用手册.2020.06版.
[3] 智能照明控制系统.2020.08版.
[4]韩洪伟.关于城市路灯照明智能控制系统的思考.
相关问答
智能照明 控制系统 由哪些部分组成?[回答]可控相控调光法具有体积小、价格合理和调光功率范围宽等优点,本系统终采用可控硅相控调光来调节灯具的明亮程度。基于单片机控制的智能家居照明系...
舞台灯光方面的 单片机 开发市场大么?因为曾在舞台灯光行业上班,所以对于单片机在舞台灯光领域的应用还是有一些了解。当前社会对于精神需求越来越渴求,各地各种舞台晚会等活动越来越多,绚丽五彩...
户外太阳能 路灯控制 器接线图,是五线的,该怎么做?小编我不是电工,不是很清楚这些问题,不过我在百度上查了一下“太阳能路灯控制器”。太阳能控制器应用于太阳能光伏系统中,它全称太阳能充放电控制器,协调太...
太阳能 路灯控制 晚上的照明时间太阳能路灯是现在很多家庭庭院中使用比较多的照明灯具。太阳能路灯对于不方便布线的地方使用是非常方便的,并且它还可以节省一定的电能。太阳能路灯结构太阳能...
太阳能led 路灯 如何 控制 开关?现在日常生活中路灯是很常见的,在照明、城市亮化工程等起到了很重要的作用。其实在国道、省道两旁也会看到路灯,在高高的柱子上面不仅有风能发电机,还有太阳能...
炫飞模式用什么芯片?炫飞模式是一种LED炫彩灯效模式,通常使用的是AtmelAVR单片机芯片来控制灯光的闪烁和变换。该芯片具有较高的性能和可靠性,能够准确地控制灯光的变换和节拍,同...
太阳能 路灯 工作原理?太阳能路灯是采用晶体硅太阳能电池供电,免维护阀控式密封蓄电池(胶体电池)储存电能,超高亮LED灯具作为光源,并由智能化充放电控制器控制,用于代替传统公用...太...
物联网如何打造智慧城市?还可通过智能技术改善废物管理和卫生状况,例如使用互联网连接的垃圾桶和支持物联网的车队管理系统进行废物收集和清除,或者使用传感器测量水参数并确保前排饮用...
智能疏散照明 系统 有什么功能?[回答]基于单片机控制的智能家居照明系统,具有成本低、开发时间短、安装维护方便、容易满足客户不同需求等优点,市场前景广阔。目前我国的消费水平并不高,...
智能开关灯头原理?智能开关灯头工作原理:是利用控制板和电子元器件的组合及编程,以实现电路智能开关控制的单元。在电子墙壁开关的基础上演变而来的开关。智能开关灯头是利用电...
