单片机编程语言都有哪些?
单片机虽然是计算机技术中的一个小分支,但是其在电子产品领域中的发挥的作用是无可替代的。可以说单片机的出现丰富了电子产品的功能,为智能化电子设备的开发和应用提供了全新的出路,推动电子设备的智能化发展。单片机能够实现各种智能功能,前提都是需要进行编程。对于单片机初学者来说,面对那么多的单片机语言,也是模糊不清,单片机编程语言都有哪些?本文将为你详细介绍。
从单片机的发展历程来看,主要经过了三大时期,单片机编程语言经历过更新换代,主要有以下四种:
单片机编程语言
(1)C语言
单片机C语言是一种编译语言,具有编译语言的特点。C语言具有功能丰富的库函数、计算速度快、编译效率高、可移植性好,可直接控制系统。此外,C语言程序具有完整的程序模块结构,为软件开发中模块化程序设计方法的使用提供了有力的保证。
(2)汇编语言
编码语言是一种使用助记符来表示机器指令的符号语言。它是最接近的一种语言。它的主要优点是占用资源少,程序执行效率高。因为它有一个指令,所以每个指令都很清晰,堆叠和调整都很容易控制,调试也很方便。但是不同类型的单片机可能有不同的编码语言,所以不容易移植。很像电影机的编程语言,指的是系统比第一代好,但是不同存储区域的编程变得复杂,但是作为一个电子工程师,懂得编译语言可以帮助你理解影响任何语言效率的特殊规则。例如,如果你知道如何编译语言指令,你可以在电影中使用RAM作为变量,因为外部变量需要几个指令来设置添加和数据针来访问。同样的要求是使用浮点,只有在启用函数时才能避免编程经验,避免生成和效率低下。对于电影机的编程语言,没有大致的编程顺序。
(3)PL/M编程语言
P/M是一种具有L/M语言的高级语言,不仅具有L/M语言的高级汇编,而且直接利用CPU的硬件特性进行编程。因此,与其他高级语言相比,它具有更多的功能和更广泛的应用,尤其是在16台单片机的应用领域。但对于51位单片机,P/M系列不支持复杂的算术操作、浮点变量和丰富的库函数支持。学习PL/M相当于学习新语言,这需要更多的时间和精力。
(4)BASIC编程语言
BASIC是一种高级语言,其英文意思是初学者通用符号代码。在过去的几十年里,BASIC语言被认为是初学者编程的语言,已经从QBASIC发展到很多版本,有很多结构化的思维和编程方法,比如函数、模块、局部变量、全局变量、数据传输等。早期BASIC语言的执行效率较低,因为生成的代码不是最终目标机器的代码,而是经过RUNTIME程序解释后运行的,但这种逐行解释的方法很容易在程序中发现错误,而不是在程序执行后出现。单片机的BASIC编译器直接将程序代码编译成相应芯片的机器代码,RUNTIME程序不需要停留在单片机的内存中,执行效率与其他编译器编译的相同。此外,初学者还需要注意,BASIC使用浮点值来简化使用变量。
引用:单片机编程语言都有哪些-深圳宇凡微
单片机设计的胶带输送机智能模糊检测系统,准确性高,胶带寿命长
胶带输送机因施加的负载频繁变换,导致实际运行速度与设定运行存在误差,因此打滑检测系统经常会发生误报的情况。为了更精确、高效地检测出胶带输送机的打滑故障,沈阳工业大学的研究人员荆盈、宗鸣,在2020年第7期《电气技术》杂志上撰文,设计了一套节能模糊检测系统。实验结果表明,该系统设计提高了检测胶带输送机打滑故障的准确性,延长了胶带的使用寿命。
胶带输送机的传动方式属于挠性传动中的带传动,容易发生打滑现象。打滑是胶带输送机工作中不可避免的问题,打滑故障不仅加快传送带的磨损,而且影响生产效率,严重时更会发生火灾等重大事故。因此,胶带输送机的打滑检测尤为关键。对于速度的保护不仅在于设计出直接的保护装置,还可以从测速入手,通过提高测速的准确性来更有效地监测打滑故障。
测速最常用的方法是用转速表测量电机的转速。此方法不直接测量皮带速度,易出现测量误差。王荣杰提出用传感器来测量主滚筒和传动滚筒的速度并对测量结果进行分析:若速度无差值,则证明带式输送机正常运转;若有差值且差值明显,则输送带发生打滑并进行延时保护。这种方法相对应用广泛,但需要分别测量主滚筒和驱动滚筒的速度,相对较复杂。
测量传送带速度的方法更为直接且精确性较高,胶带输送机一般都会采用设有固定运行速度的运行方式,但输送机在实际应用中都会运载重量较大的物品,实际的运行速度往往会小于设定速度,这样就会加大打滑误报的概率。
本文设计了无设定运行速度的胶带输送机,以检测器实际测出的运行速度为标准进行打滑检测。针对无设定运行速度无法得知何时速度为稳定运行的速度这一情况,提出了基于模糊推理系统的胶带输送机起动过程检测算法,判定起动过程结束时的速度为需要储存的平稳运行速度,之后以该平稳运行速度作为检测打滑的标准。该系统达到了高效率、准确、高鲁棒性检测打滑的目的。
1 系统组成
该系统主要由单片机PIC18F25K80、报警电路、电流输出电路、脉冲输出电路和胶带输送机状态显示电路组成,其框图如图1所示。
图1 系统框图
PIC18F25K80用于算法的实现,是整个系统的主控核心。电流输出电路和脉冲输出电路组成测速模块:脉冲输出电路适用于胶带输送机近距离运输,电流输出电路适用于胶带输送机远距离运输。报警电路用于速度过低时的报警和停机。胶带输送机状态显示电路用于运行过程的状态显示。
2 主要硬件设计
2.1 PIC18F25K80单片机系统
主控核心部分采用MICROCHIP公司的PIC18F25K80,如图2所示。这是一款性能优异的8位微控制器,集成有增强型CAN控制器模块,并且具有极低的能耗,工作频率为16MHz,3648 Bytes的RAM,1024 Bytes的EEPROM,32KB的Flash,一个ECAN模块。
图2 PIC18F25K80
时钟电路采用内部方式时钟电路,为单片机提供时钟信号,如图3所示。
图3 时钟电路
器件检测到VCC电压上升时就会产生一个上电复位脉冲,通过一个电阻将MCLR引脚与电源相连,可节省一般用于产生一个上电复位所需的外接RC元件。
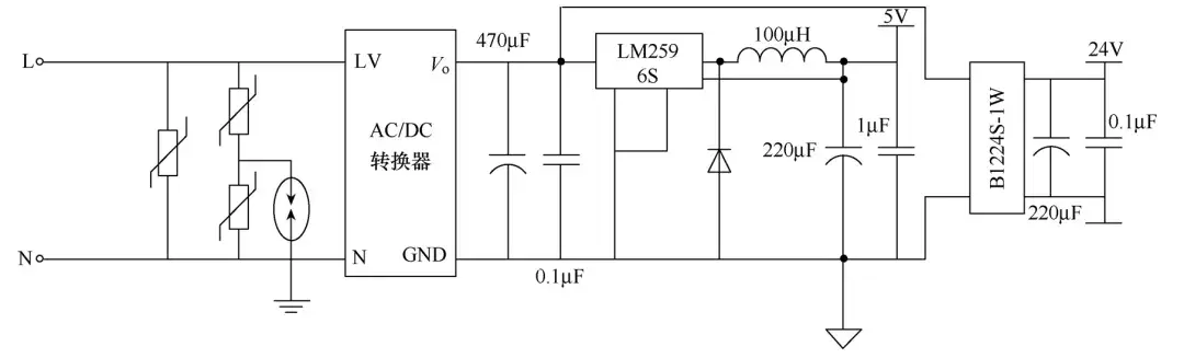
2.2 电源电路
本系统的供电电源是220V,通过AC/DC电源模块转化成直流源,该直流源为两部分提供电源:第一部分通过DC/DC电源模块(M2596S)得到一个5V的电压供单片机使用;第二部分通过隔离DC/DC电源模块(B1224S-1W),将电压降到24V,供模拟电路(电流输出电路)使用。
数字电源与模拟电源的地线隔离,互不干扰。单片机工作时,会在数字电源内产生高频率纹波干扰,隔离可以有效防止这种干扰传递到模拟电源部分,如图4所示。
2.3 状态显示电路
状态显示电路用于显示胶带输送机的运行状态,与RB0和RB1引脚相连,当胶带输送机起动时,RB1输出信号,LED1指示灯亮黄灯;起动结束正常运行时,RB0输出信号,LED2指示灯亮绿灯,如图5所示。
图4 电源电路
图5 状态显示电路
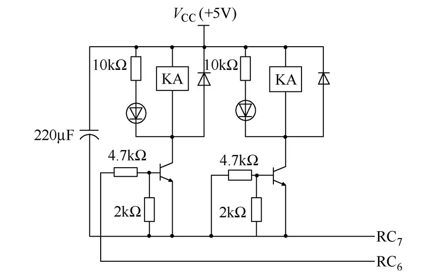
2.4 报警电路
报警电路由PNP晶体管(1815)、LED指示灯、继电器和单片机引脚(RC6、RC7)组成。在起动过程结束后,储存平稳运行速度,当实时测量速度低于平稳运行速度的85%时,引脚RC6输出一定的频率信号,左侧LED指示灯亮,通过继电器触发报警信号;当实时速度低于平稳运行速度的70%时,引脚RC7输出一定的频率信号,右侧LED指示灯亮报警,且触发继电器断开电源,如图6所示。
图6 报警电路
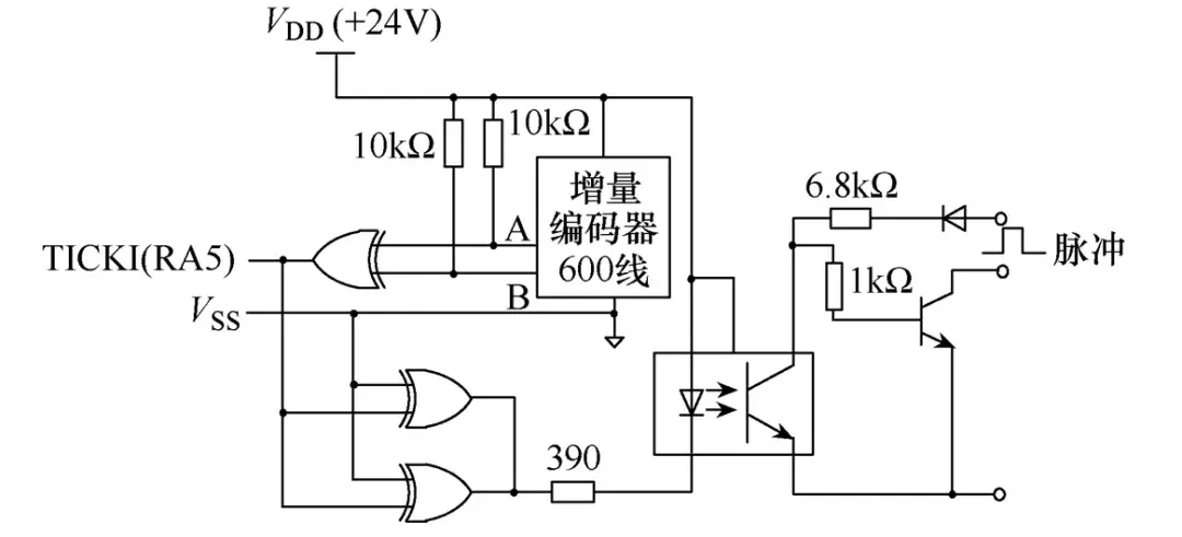
2.5 脉冲输出电路
脉冲输出电路选用的是600线增量编码器(JCHA- 500-G12-24C)。该编码器是一种增量式旋转编码器,它的优点是原理构造简单,机械平均寿命可在几万h以上,抗干扰能力强,可靠性高,适用于胶带输送机长距离运输。编码器与电机相连,通过编码器可把电机转动的转速转化为胶带输送机的线速度。
因编码器中的挡板结构,使得编码器具有两种电路,即波形相位相差90°的两路脉冲A相、B相电路。本文利用A、B脉冲相位差,通过异或门可达到1200脉冲/周,此设计不仅提高了测量的精度,相比直接使用1200线的编码器又节约了成本,且完全满足打滑检测测速的需求。
测量得到的脉冲信号有两个去处:①进入到单片机内部,用于打滑的检测;②通过光耦输出脉冲信号,可获得脉冲数,从而得到速度,后将得到的数据用作软件部分。用光耦把两个部分隔离,互不干扰。该部分适用于胶带输送机进行近距离的运输,如图7所示。
图7 脉冲输出电路
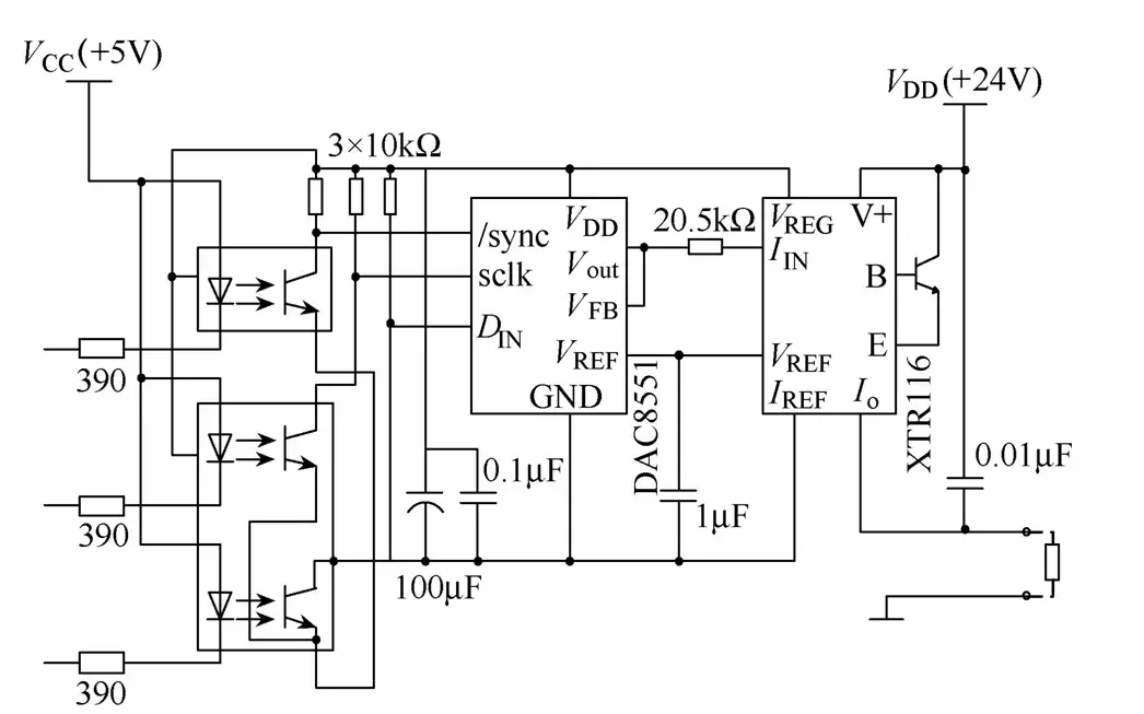
2.6 电流输出电路
电流输出模块通过串行外围设备接口接3个光电耦合,可以把单片机端口的信号从光耦左边单向传递到右边,起到隔离的作用,解决了两边电源不相等的问题。DAC8551是一个低功耗、电压输出的16位数模转换器(DAC),它具有良好的线性。
使用一个通用的3线串行接口,在30MHz的时钟频率下工作,并且与标准SPITM兼容。该芯片为精密电流输出变送器(XTR116)提供了稳定的电压,XTR116可在整个工业标准电流环内发送4~20mA模拟信号,并提供精确的电流定标和输出电流限制功能。
由于该模块用于长距离传输的速度检测,所以采用不容易受干扰的电流信号。在工业现场的噪声电压的幅值可能达到很大,但是噪声的功率很小,所以噪声电流通常很小,因此给电流传输带来的误差非常小。电流源内阻趋于无穷大,导线电阻串联在回路中不影响精度,因此在普通双绞线上可以传输数百m。电流输出电路如图8所示。
图8 电流输出电路
3 软件部分设计
模糊推理是采用模糊逻辑并由给定的输入到输出的映射过程,输入变量模糊集个数、各模糊集对应的隶属度函数、模糊推理规则库和去模糊化方法等是模糊推理的关键部分。推理规则库的建立基于已有的领域知识和专家经验,通常以IF-THEN的形式描述。
3.1 模糊语言变量选取
无设定运行速度胶带输送机鉴于负载的重量差异而导致运行速度存在差异。由于不知道运行速度为多少,所以起动过程就成了一个比较模糊的概念,难以用精确的解析模型进行分析,用速度差量判断是否起动结束的方法进行检验会有误差,因为胶带输送机起动过程的加速度曲线为抛物线,刚起动时的速度差值与起动结束时的速度差值接近,会有误报的情况发生,所以考虑引入加速度差同作为输入变量,采用模糊推理算法对起动过程进行准确判断。
输出量为起动过程U,并将起动过程分为起动中、起动结束和无这种情况。根据测量的物理量来制定模糊集合,建立输入与输出之间的模糊推理规则,然后根据规则算出模糊控制表,存于单片机中。
3.2 模糊化
在起动过程系统中,设速度差量的模糊语言变量为EV,加速度差量的模糊语言为EA,起动过程的模糊语言为U。经模糊化处理后,模糊语言集为{ZO, PS, PB},速度差量语言描述为{偏差小, 偏差中, 偏差大}。其偏差范围见表1。
表1 速度差量范围
加速度差量EA其模糊语言集表示为{NB, NM, ZO, PM, PB},语言表示为{负大, 负小, 零, 正小, 正大}。其差量范围见表2。对于起动过程U,其模糊语言集为{NZ, NS, NW},对应的语言描述为{起动中, 起动结束, 没有这种情况}。
表2 加速度差量范围
3.3 模糊控制规则的确立
模糊控制规则采用经验归纳法来确定。在起动模糊控制中选取相应的控制量的程度,模糊控制规则见表3。这样一组模糊推理规则,能够实现速度差量及加速度差量和起动过程之间的非线性关系,以用于胶带输送起动过程的判断。
表3 模糊控制规则
3.4 系统程序设计
带式输送机的速度范围为0.1~10m/s,测量带速的滚筒直径为112mm。采用600线增量编码器,利用A、B脉冲相位差,通过异或门可达到1200脉冲/周。
系统的软件设计全部使用C语言程序,调试环境为MPLAB IDE。速度的采集用两个中断进行并行处理:第一个中断TMR0每0.2s产生一次中断,每隔0.2s测量一次速度;第二个中断TMR1连接编码器,从固定的时间中断读取一个计数器的值,就可以采集到速度。
下面的过程:①开始主程序,对得到的速度进行速度差和加速度差计算,若计算后的速度为零,则检测为停机;若不为零,则按照宏定义对应模糊控制表的规则判断运行过程;②判断为起动结束后,进入运行过程,并对当前运行速度进行储存;③进入打滑检测部分,当测量速度值达到85%运行速度时进行失速报警,当检测速度达到75%运行速度时进行停机保护。图9所示为主程序流程图。
图9 主程序流程图
4 实验验证
根据上述原理图搭建的胶带输送机实物调试硬件如图10所示,用电机模拟胶带输送机,通过降低胶带输送机的速度模仿打滑的原理。通过设定电流值控制速度,对比速度差检测法和模糊推理检测法,测量50次达到9mA电流对应速度所需的时间,各取测量结果的平均值,并统计两个方法的误报情况。
实测结果表明:使用模糊推理系统的胶带输送机起动过程检测算法,相比使用速度差检测法判断起动过程,检测精度提高,没有再出现误判情况,并且能够更快速检测出起动结束,检测出的运行速度也更准确。这使得胶带输送机可以更准确检测出打滑故障,从而提高生产效率,延长胶带输送机使用寿命。实验数据统计表见表4。
表4 实验数据统计表
图10 胶带输送实物调试硬件
5 结论
本文设计了胶带输送机节能模糊打滑检测系统,详细介绍了检测打滑系统的硬件电路、算法设计和软件实现;并搭建了基于模糊推理的胶带输送机起动过程检测系统,使得负载的大小不再对打滑判断产生影响,在整个系统制作成本较低的情况下,提高了胶带输送机检测打滑故障的准确性,使生产效率得以提高。因而该检测系统具有较高的使用价值。
相关问答
为什么自己设计不出来 单片机程序 ?该怎么做?设计编写单片机程序是一个渐进的过程不可一蹴而就,毕竟单片机程序是与硬件有密切关系的,我们一般称为单片机程序叫底层硬件驱动程序。编写程序不但要对软件要熟...
单片机 和DSP的区别是什么?单片机:以TI的MSP430系列的单片机为例,网上有很多基于此单片机的开发板。开发板有数码管显示、按键、串口、PS/2鼠标等接口。这些资源都是与单片机相连接。也...
想学习 单片机 ,有什么好的书籍推荐?五年之前那是在大学期间,距离现在大约有4年了吧,教我们单片机的老师要离我们而去了,因为她要去她的城市教书去了。怎么形容她呢?那是一个风度翩翩,很有才华...2...
九十年代大学里面电气自动化专业里面也学习 单片机 ,微机等理论吗?90年代读的大学,当时学习51单片机,开发界面很简陋,DOS系统上运行调试。微机理论也需要学习,都是DOS操作系统,WIN95还没普及,学习DOS命令,现在还很多都很...
关于 单片机 存储器的问题,idata,data,badata,xdata,pdata,cod...关于51单片机内存问题,一直是个疑惑大家的问题,因为51单片机是个很另类的单片机。下面我给楼主讲解一下:51单片机之所以另类,是因为,他寻址内存的空间,不是靠...
单片机 的就业前景怎么样?本人从事硬件工程师一职,主要负责传感器、控制器、汽车电子、家用电器类产品的研发设计工作,包括硬件电路的设计和单片机程序的编写。在开发新产品的过程中,基...
在座的朋友 谁能告诉我!电子日历 单片机 制作?,制作 单片机 哪...[回答]还不错的,他们专业承接单片机解决方案,以前朋友在那做了,还批量生产了还不错的,他们专业承接设计电路板,以前朋友在那做了,还批量生产了。单片机是...
谁了解!!热门的机器人编程培训班收费,机器人编程哪家最专业?[回答]朋友,你用什么语言编程?不清楚,就告诉你与单片机的连接和用C语言编写一个单片机控制LED灯闪烁变化的编程。这要看Led灯和单片机的连接情况,如果只是...
Linux、Ubuntu怎样入门?目前我也在学习linux,说说我的感悟吧。在接触linux之前我学习的是单片机了解大概硬件的基本操作,同学说只是配置寄存器的话太low了去接触linux,学习linux时我...
c51 单片机 上电之后完全没有反应,灯都不亮是不是坏了-ZOL问答请问你有没有烧程序进去,如果没有就烧一段LED灯打开的程序测试一下。没有的话...(1)单片机芯片坏了,是否电源过高导致单片机损坏?(2)晶振不工作;(3)电路板硬...
