省电有妙招!为太阳能感应灯去除微亮功能,并浅析人体感应原理
相信最近大家都撸了不少太阳能感应灯(应称之为:锂电池太阳能充电式热释电红外线人体感应灯)。第一批撸的那款有个微亮功能(后面的我没有撸了),厂家本来的意思晚上当人还没有进入感应范围时LED微亮给人一点有微光照亮环境方便大家。但好象大家对这个功能嫌弃不感冒,感觉微亮功能费电感应用不着,所以很多坛友想去掉那个功能。我拆开看了一下原来以为很容易就可以把微亮功能拿掉,结果我们买的那款IC(8P055)出厂时根本没有预留关闭微亮功能,IC出厂时程式设定已关闭相关切换脚位。所以最后想了一个办法在电路上增加一个0.1uF电容把那个微亮控制信号吸收衰减掉。下面细细说来,可能有点长篇大论希望我表达的能让大家看懂。
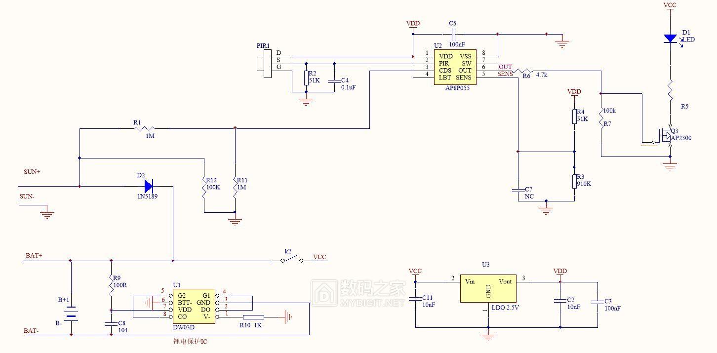
产品主要由四部分组:太能板、18650 3.7V 2000mAH锂电池、热释电红外线人体感应控制板(含一颗锂电池保护 IC)、白光LED灯板。
1.太能板是一块5.5V 0.6W多晶层压磨砂型的,在中午太阳光比较强时实测试在100mA左右,应当没有厂家写的0.6W。成本初步估计在2-4元左右。
2.18650 3.7V 2000mAH锂电池,这个电池我没有细测试,听论坛坛友说实测只有1000mA左右。因产品售价原因所以这颗电池肯定好不到哪里去,反正我是要换掉的。成本估计就是1.6-4块左右,这个只能看厂家良心了。
3.白光LED灯板是由8颗2835(初估没有细量尺寸)白光贴片LED组成,成本估计在1块钱内,滴胶板应在1.5元内。目前最亮时的功率应小于1W,在0.6W左右。
4.人体感应控制板内含一颗DW03D锂电池保护 IC、8P055热释电红外线信号处理 MCU及PIR 热释电红外线感应器组成。这块电路板含PIR、菲涅尔透镜成本应当在5元左右。
再说说这个产品大概的工作原理。
1.太阳能充电部分:
太阳能板在强光照射下产生一个5V左右的电压经过防倒灌二极管(应是个1N5817)再经DW03D二合一锂电池保护 IC对18650锂电池进行充电。从DW03D二合一锂电池保护 IC产品规格书来说来这颗IC是具有过充,过放,过流,短路等所有的电池所需保护功能,而且正常工作电流只有3.8uA。一般来说过充、过放电压是我们比较关心的,过充电压从IC的规格书上来看说是4.25-4.35V,但如果过充保护电压真的超过4.25V,我相信坛友的很多二手电池可能无法充到4.25V以上达到过充保护作用。这点有些不好,其实个人认为过充电压设定到4.15-4.2V比较安全,但是我测试一下我手头中这个产品充电时在4.19V左右会关切换充电,这样应当就不会容易发生锂电池过充问题。过放我没有测试,看规格书上写2.3-2.5V不知是不是真的,大家有空可以试试。至以这个电压会不会低了、容不容易损坏电池我就不多说了,大家应当比我懂。
2。环境光照检测部分:
产品有白天不感应,晚上才动作的功能,一般人体感应灯的环境照度检测部分是由一个CDS光敏电阻或光敏二极管来完成的,但这个产品特殊因为有太阳能板,所以环境光照判断就省了光敏电阻而是直接取太阳能板上的电压来经过电阻分压然后送到IC 8P055的第3脚来判断。调整这个脚的下拉电阻可以改变产品在什么环境亮度下开始工作(即傍晚时还有多亮时开始启动感应灯)。如改动下图中的R6阻值。如果想产品白天、黑夜都能工作则把R1电阻去掉,相当于IC 8P055的第3脚接地就可以了。想让产品在天还没有怎么黑时就能感应,则改小R6。要天完全黑才亮则加大R6阻值。
3.人体为什么能触发灯感应:
理论上只要高于绝对零度的物体都会产生热辐射 ,人体的散热方式之一就是热辐射,也就是红外线,就是说人体是会发出肉眼看不见的红外线的。以前看国外大片中有人手拿一台红外成像仪就能看到几百米外房子里有没有人,就是检测人体发出来的红外线来形成图像的。
菲涅尔透镜就是我们看到产品上那个白白的,半圆形的物体,可以理为一个凸透镜聚焦的作用。产品上使用的这种菲涅尔透镜其实是简化版本的便宜货(为省模具费),但效果会差些。
下面这种才是真宗的菲涅尔透镜,使用这种产品的感应灵敏度会比较好些。但这种开模费用很高。
为了提高热释电型红外传感器的接收灵敏度,通常备需要在传感器上加装菲涅耳透镜。传感器如不装菲涅耳透镜当检测人体走时,检测距离仅2m 左右,而加菲涅耳透镜后,其检测距离可增加到10m 以上,甚至更远。菲涅耳透镜的工作原理是将移动物体或人体发射的红外线进入透镜,产生一个交替的“盲区”和“高灵敏度区”,这样就产生光脉冲。透镜有很多盲区和高灵敏度区组成,则物体或人体的移动就会产生一系列的光脉冲而进入传感器,从而提高接收灵敏度。物体或人体移动的速度愈快,灵敏度愈高。目前配上透镜可检测10m 左右,采用新设计的双重反射型,其检测距离可达20m 以上。
热释电型红外传感器(PIR)
热释电型红外传感器就是把人体发出来的红外线转换成电信号输出的一种元件,光转电。为什么叫热释电型红外传感器呢,因为利用了某些强介电质材料的热释电效应而制成,我们一般常用是的双晶元型热释电红外传感器,当入射的红外光照射到两个晶元时,由于两个元件反相串联,故输出比单晶元型要高2 倍;由于两个敏感晶元相连接,因此对于同时输出的能量会互相抵消。由于上述特征,所以双晶元型传感器具有下述优点:1)可以防止因太阳光等非控制红外线所引起的误差或误动作;
2)PZT 晶元同时又具有压电效应,所以双元件可消除因振动而引起的误差;
3)可以防止因周围环境温度变化而引起的误差。
其实热释电型红外传感器业内德国海曼做得最好,很多专业的安防产品都用这家的。当然现在因为成本问题用的都是国产垃圾PIR。PIR还分窗口大、小,大窗比较好。德国海曼的PIR稳定,灵敏度好。如LHI968、LHI878但就是价格贵。
信号处理IC :之前流行使用红外热释电处理器IC是BISS0001(这个是通用的,一些专业家的大厂会有自己定制IC),目前随着热释红外感应这块技术越来越成熟、普及,大家都在朝着低价方面发展,于是最近这几年开始大量使用便宜的带运算放大器的单片机来热释电红外处理器。本来这颗IC是具有可根据客户需求调节亮, 微亮,常亮等开关切换各种亮功能的,换句话说是可以关闭晚上微亮功能的,此IC号称功能可调、 灵敏度可调、 延时时间可调、 光控可调亮灯都可以调整的。但工厂生产电路板时为了省外围元件省钱,目前这个产品上使用的8P055这些功能出厂时程式上都关掉了。所以相关的脚也没有功能了。
本来8P055第3脚是触发后亮灯延时时间设定脚,第7脚是产品微亮,常亮等开关切换设定脚,但目前这个IC出厂时程式上都锁定了,已无法切换。产品灵敏度也可调IC 第5脚。
4.人体感应亮灯部分: 当产品处于光线暗环境中,人体发出来的红外线经过菲涅尔透镜聚焦后射入热释电型红外传感器黑色窗口内的晶元上,发生了热释电效应产生了电信号,然后经PIR内部场效应管(FET)初步放大后送入信号处理IC 8P055 运放中。整形再放大。然后按照程式设定,由IC第6脚控制MOS管Q3来控制LED灯亮、灭。详见下电路:
注电路图与实物并不是完全相对应的。
一不小心占多一楼了,隔壁那边是先发的,数码这边就搞多一点东西吧,其实热释电红外感应产品处理IC是BISS0001芯片运用比较早也比较成熟。自动门、电风扇、烘干机、安防报警器等装置之前可能都是这个IC用得比较多。一些专业做热释电红外感应产品的大公司也会用LM324做或自己与IC公司联手定做一些功能特别一点的专用IC。
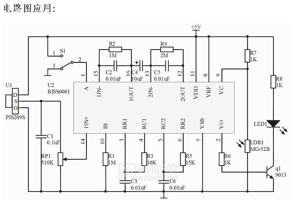
下面附上BISS0001芯片脚位图及参考电路,大家可以参考脚位功能说明来维修、更改相关产品的功能。
特点:
CMOS工艺
数模混合
具有独立的高输入阻抗运算放大器
内部的双向鉴幅器可有效抑制干扰
内设延迟时间定时器和封鎖时间定时器
采用16脚DIP或SMD封装
微亮是怎么去掉的呢?原来微亮时IC第6脚输出控制信号PWM占空比只有1.6%左右,这个方波信号占空比相当小。所以只要在MOS管Q3前加一个0.1uF电容吸收掉就可以达到我们的要求,当然只加一个0.1uF电容不能还是有一点点电流,如果有强迫症的人可以再串多一个1N5817进去。
没有改前全亮时其实也不是全亮,IC输出65%PWM来亮灯。
整机电流在164mA左右。
微亮时IC输出1.7%PWM来亮灯.
整机电流在4mA左右。
R6处并焊一个0.1uF电容
改后全亮时Q3处控制信号波形方波变 锯齿波。
整机电流在179mA左右(电流应当与没有改之前应会有小小偏差,但没有细测试是偏大还是偏小)。
微亮时IC输出1.7%PWM控制信号被0.1uF电容吸收衰减了,只有0.2V左右电压.
整机电流在0.3mA左右。LED灯已经不亮了。
产品白天的等机电流只有40uA左右。
写多一点东西吧,必竟其他热释电红外感应产品用BISS001 比较多,BISS001 运用得比较早也比较成熟。自动门、电风扇、烘干机、安防报警器等装置之前可能都是这个IC用得比较多。
大家以后要是碰上使用BISS001 热释电红外处理IC的产品,可以参考下面的脚位功能说明及电路应用图来维修、更改。
特点:
CMOS工艺
数模混合
具有独立的高输入阻抗运算放大器
内部的双向鉴幅器可有效抑制干扰
内设延迟时间定时器和封鎖时间定时器
采用16脚DIP封装
end
谢谢观看!
浏览更多精彩内容请登录数码之家网站
技术交流请联系原作者
作者:mxlkf
本文来源:数码之家
热释电红外传感器电路
热释电红外传感器(PIR)属于热电型红外传感器,是基于热电效应原理制成的。
这种探测元件有三种类型,单元型、双元型、四元型这三种探测元件。火焰检测器、辐射高温计,这样的检测仪表用的是单元型探测元件。因为单元型探测元件的灵敏度极高,需要进行温补来降低灵敏度。所以这种探测元件的传感器一般用于火灾报警器、手持式温度测量仪的测温传感器,也就是灵敏度要求高的场合应用。
而题目说的PIR传感器属于三种当中的双元型或四元型探测元件,而双元型探测元件应用最多。例如下图所示的双元型探测元件结构示意图。
热释电红外传感器需要用到滤光窗(滤光片)。因为PIR传感器能感知的波长范围宽,增强抗干扰能力而只对人体辐射红外线敏感,所以就要用到滤光窗。这里顺便提及下滤光窗的波长范围(0.2um~20um),而人体辐射波长范围(09.35um~9.38um)。得知,人体辐射波长正好在滤光窗波长范围内。因此,滤光窗起到有效的阻值其他光源干扰,只允许人体辐射红外线通过的作用。
有上图的双元型探测元件结构图可知,两个探测元件是以极性相反的方式进行串联,目的是降低自身和环境温度引起的热释电信号干扰。而图中用的场效应管的作用进行匹配阻抗变换。
阻抗变换过程。由于场效应管的输入阻抗可达10^10欧姆,以共漏极的方式接,可实现阻抗变换,而栅极和探测元件又并联个高电阻值的电阻Rg,用于吸收过多的光能量,防止场效应管损坏,那么从场效应管S极出来的电压信号就可以由放大器方大处理。
如下图所示的PIR信号调理电路图:
当PIR传感器在它的探测范围内检测到人经过时,在R9两端会产生频率为0.1~10Hz的微弱红外电信号,然后通过R5将信号送往LM358进行第一级放大,第一级运算放大增益为R8/R5约55.6,而且R8与电容C13组成上限截止频率为16Hz的低通滤波器。第二级运算放大增益为R3/R6约20,而且R3与电容C4组成上限截止频率为8Hz的低通滤波器。因此。R9的电信号经过LM358的两级放大后,总得放大增益约为1000,于是初始信号由几mV变成1.2V。而R4和R10构成的偏置电路将第一级放放大器的3号引脚电压置位1.1V,R11、R13、C15构成的串并联电路将用于滤波和除去噪音。
最后把信号通过单片机进行处理,完成数字滤波、智能鉴幅、环境温度实时检测,来实现增益的自适应调整等操作。
相关问答
单片机 温度传感器和 红外 线接收器作用?红外线传感器就是利用红外线的物理性质来进行测量的传感器。红外线又被叫做红外光,它包含有反射、折射、散射、干涉、吸收等性质。红外传感器的这种性质使得它...
DYP-ME003 热释电红外 传感器模块怎样接到51 单片机 的接口上,这个传感器在检测到有人时会输出3.3V的电平?通过一个反相器(用个NPN型三极管就可以了)接到51单片机某个IO口就可以了,写程序时临近这个IO口的电平,当读到低电平表示有人。通过一个反相器(用个NPN型三极...
能否用 单片机 控制发射 红外 信号来控制空调?空调遥控器本来就是用单片机控制发射红外信号来遥控控制空调的!控制原理如下:本文介绍一种利用红外线发射装置作为工业控制计算机输入键盘的接口原理和实现...
单片机 ,硬件, 红外 遥控编码问题。38KHz是干嘛用的?学习型遥控常用的载波频率为38kHz,这是由发射端编码芯片所使用的455kHz晶振来决定的。在信号传输的过程中,并不是将信号直接进行传输,而是将信号负载到一个固...
人体 红外 传感器模块与 单片机 结合怎么用?人体红外传感器模块一般集成人体感应和光线感应,输出控制的负载一般是照明灯电力设备。一般在光线黑暗的情况下,如果检测到范围内有人则吸合继电器,打开照明负...
单片机 不知道该怎么把 红外 信号 转化成电脑按键。请大神细...单片机不知道该怎么把红外信号转化成电脑按键。请大神细细道来,送分多谢笔记本电脑大神讨论回答(3)将我做的一个项目的相关程序段摘录出来,提供给你一个...
如何用 单片机 来驱动 红外 对管?这个检测模块是不需要用单片机来驱动的,循迹为什么要寻黑线,因为当有黑线的时候红外线被吸收,接收头收不到。这样就可以通过接收端的输出来判断是不是在线上...
如何做一个基于 单片机 的采用 红外 检测来控制LED灯?红外检测一般用热释电红外传感器模块就可以,检测到信号就通过单片机控制LED点亮!!红外检测一般用热释电红外传感器模块就可以,检测到信号就通过单片机控制LED...
单片机 怎样与手机通讯?1.串口对串口(不过一般普通用户不太容易连接到手机的串口)2.蓝牙:单片机+蓝牙模块-》手机蓝牙模块-》手机上应用程序3.红外:单片机+红外模块-》手机红外模块...
直接用 红外 发射二极管接 单片机 (stc89c51)的某一端口?可以的,随便找个IO口,接上1K的上拉电阻,把红外发射管下拉接到IO口和地之间。红外发射和接受可以载波也可以不载波,不过现在一体化接收头大部分都是接受38K左...
