51单片机CPU结构各部件的原理详细分析
一、 51单片机串行口工作原理
MCS-51系列单片机片内有一个串行I/O端口,通过引脚RXD(P3.0)和TXD(P3.1)可与外设电路进行全双工的串行异步通信。
1.串行端口的基本特点
8031单片机的串行端口有4种基本工作方式,通过编程设置,可以使其工作在任一方式,以满足不同应用场合的需要。其中,方式0主要用于外接移位寄存器,以扩展单片机的I/O电路;方式1多用于双机之间或与外设电路的通信;方式2,3除有方式l的功能外,还可用作多机通信,以构成分布式多微机系统。
串行端口有两个控制寄存器,用来设置工作方式、发送或接收的状态、特征位、数据传送的波特率(每秒传送的位数)以及作为中断标志等。
串行端口有一个数据寄存器SBUF(在特殊功能寄存器中的字节地址为99H),该寄存器为发送和接收所共同。发送时,只写不读;接收时,只读不写。在一定条件下,向阳UF写入数据就启动了发送过程;读SBUf就启动了接收过程。
串行通信的波特率可以程控设定。在不同工作方式中,由时钟振荡频率的分频值或由定时器Tl的定时溢出时间确定,使用十分方便灵活。
2.串行端口的工作方式
①方式0
8位移位寄存器输入/输出方式。多用于外接移位寄存器以扩展I/O端口。波特率固定为fosc/12。其中,fosc为时钟频率。
在方式0中,串行端口作为输出时,只要向串行缓冲器SBUF写入一字节数据后,串行端口就把此8位数据以等的波特率,从RXD引脚逐位输出(从低位到高位);此时,TXD输出频率为fosc/12的同步移位脉冲。数据发送前,仅管不使用中断,中断标志TI还必须清零,8位数据发送完后,TI自动置1。如要再发送,必须用软件将TI清零。
串行端口作为输入时,RXD为数据输入端,TXD仍为同步信号输出端,输出频率为fosc/12的同步移位脉冲,使外部数据逐位移入RxD。当接收到8位数据(一帧)后,中断标志RI自动置。如果再接收,必须用软件先将RI清零。
串行方式0发送和接收的时序过程见下图。
②方式1
10位异步通信方式。其中,1个起始位(0),8个数据位(由低位到高位)和1个停止位(1)。波特率由定时器T1的溢出率和SMOD位的状态确定。
一条写SBUF指令就可启动数据发送过程。在发送移位时钟(由波特率确定)的同步下,从TxD先送出起始位,然后是8位数据位,最后是停止位。这样的一帧10位数据发送完后,中断标志TI置位。
在允许接收的条件下(REN=1),当RXD出现由1到O的负跳变时,即被当成是串行发送来的一帧数据的起始位,从而启动一次接收过程。当8位数据接收完,并检测到高电乎停止位后,即把接收到的8位数据装入SBUF,置位RI,一帧数据的接收过程就完成了。
方式1的数据传送波特率可以编程设置,使用范围宽,其计算式为:
波特率=2SMOD/32×(定时器T1的溢出率)
其中,SMOD是控制寄存器PCON中的一位程控位,其取值有0和l两种状态。显然,当SMOD=0时,波特率=1/32(定时器Tl溢出率),而当SMOD=1时,波特率=1/16(定时器T1溢出率)。所谓定时器的溢出率,就是指定时器一秒钟内的溢出次数。波特率的算法,以及要求一定波特率时定时器定时初值的求法,后面将详细讨论。
串行方式1的发送和接收过程的时序见下图。
③方式2,3
11位异步通信方式。其中,1个起始位(0),8个数据位(由低位到高位),1个附加的第9位和1个停止住(1)。方式2和方式3除波特率不同外,其它性能完全相同。方式2,3的发送、接收时序见下图。
由图可见,方式2和方式3与方式l的操作过程基本相同,主要差别在于方式2,3有第9位数据。
发送时,发送机的这第9位数据来自该机SCON中的TB8,而接收机将接收到的这第9位数据送入本机SCON中的RB8。这个第9位数据通常用作数据的奇偶检验位,或在多机通信中作为地址/数据的特征位。
方式2和方式3的波特率计算式如下:
方式2的波特率=2SMOD/64×fosc
方式3的波特率=2SMOD/32×定时器T1的溢出率
由此可见,在晶振时钟频率一定的条件下,方式2只有两种波特率,而方式3可通过编程设置成多种波特率,这正是这两种方式的差别所在。
3.串行端口的控制寄存器
串行端口共有2个控制寄存器SCON和PCON,用以设置串行端口的工作方式、接收/发送的运行状态、接收/发送数据的特征、波特率的大小,以及作为运行的中断标志等。
一、P0端口的结构及工作原理
P0端口8位中的一位结构图见下图:
由上图可见,P0端口由锁存器、输入缓冲器、切换开关、一个与非门、一个与门及场效应管驱动电路构成。再看图的右边,标号为P0.X引脚的图标,也就是说P0.X引脚可以是P0.0到P0.7的任何一位,即在P0口有8个与上图相同的电路组成。
下面,我们先就组成P0口的每个单元部份跟大家介绍一下:
先看输入缓冲器:在P0口中,有两个三态的缓冲器,在学数字电路时,我们已知道,三态门有三个状态,即在其的输出端可以是高电平、低电平,同时还有一种就是高阻状态(或称为禁止状态),大家看上图,上面一个是读锁存器的缓冲器,也就是说,要读取D锁存器输出端Q的数据,那就得使读锁存器的这个缓冲器的三态控制端(上图中标号为‘读锁存器’端)有效。下面一个是读引脚的缓冲器,要读取P0.X引脚上的数据,也要使标号为‘读引脚’的这个三态缓冲器的控制端有效,引脚上的数据才会传输到我们单片机的内部数据总线上。
D锁存器:构成一个锁存器,通常要用一个时序电路,时序的单元电路在学数字电路时我们已知道,一个触发器可以保存一位的二进制数(即具有保持功能),在51单片机的32根I/O口线中都是用一个D触发器来构成锁存器的。大家看上图中的D锁存器,D端是数据输入端,CP是控制端(也就是时序控制信号输入端),Q是输出端,Q非是反向输出端。
对于D触发器来讲,当D输入端有一个输入信号,如果这时控制端CP没有信号(也就是时序脉冲没有到来),这时输入端D的数据是无法传输到输出端Q及反向输出端Q非的。如果时序控制端CP的时序脉冲一旦到了,这时D端输入的数据就会传输到Q及Q非端。数据传送过来后,当CP时序控制端的时序信号消失了,这时,输出端还会保持着上次输入端D的数据(即把上次的数据锁存起来了)。如果下一个时序控制脉冲信号来了,这时D端的数据才再次传送到Q端,从而改变Q端的状态。
多路开关:在51单片机中,当内部的存储器够用(也就是不需要外扩展存储器时,这里讲的存储器包括数据存储器及程序存储器)时,P0口可以作为通用的输入输出端口(即I/O)使用,对于8031(内部没有ROM)的单片机或者编写的程序超过了单片机内部的存储器容量,需要外扩存储器时,P0口就作为‘地址/数据’总线使用。那么这个多路选择开关就是用于选择是做为普通I/O口使用还是作为‘数据/地址’总线使用的选择开关了。大家看上图,当多路开关与下面接通时,P0口是作为普通的I/O口使用的,当多路开关是与上面接通时,P0口是作为‘地址/数据’总线使用的。
输出驱动部份:从上图中我们已看出,P0口的输出是由两个MOS管组成的推拉式结构,也就是说,这两个MOS管一次只能导通一个,当V1导通时,V2就截止,当V2导通时,V1截止。
与门、与非门:这两个单元电路的逻辑原理我们在第四课数字及常用逻辑电路时已做过介绍,不明白的同学请回到第四节去看看。
前面我们已将P0口的各单元部件进行了一个详细的讲解,下面我们就来研究一下P0口做为I/O口及地址/数据总线使用时的具体工作过程。
1、作为I/O端口使用时的工作原理
P0口作为I/O端口使用时,多路开关的控制信号为0(低电平),看上图中的线线部份,多路开关的控制信号同时与与门的一个输入端是相接的,我们知道与门的逻辑特点是“全1出1,有0出0”那么控制信号是0的话,这时与门输出的也是一个0(低电平),与让的输出是0,V1管就截止,在多路控制开关的控制信号是0(低电平)时,多路开关是与锁存器的Q非端相接的(即P0口作为I/O口线使用)。
P0口用作I/O口线,其由数据总线向引脚输出(即输出状态Output)的工作过程:当写锁存器信号CP 有效,数据总线的信号→锁存器的输入端D→锁存器的反向输出Q非端→多路开关→V2管的栅极→V2的漏极到输出端P0.X。前面我们已讲了,当多路开关的控制信号为低电平0时,与门输出为低电平,V1管是截止的,所以作为输出口时,P0是漏极开路输出,类似于OC门,当驱动上接电流负载时,需要外接上拉电阻。
下图就是由内部数据总线向P0口输出数据的流程图(红色箭头)。
P0口用作I/O口线,其由引脚向内部数据总线输入(即输入状态Input)的工作过程:数据输入时(读P0口)有两种情况
1、读引脚
读芯片引脚上的数据,读引脚数时,读引脚缓冲器打开(即三态缓冲器的控制端要有效),通过内部数据总线输入,请看下图(红色简头)。
2、读锁存器
通过打开读锁存器三态缓冲器读取锁存器输出端Q的状态,请看下图(红色箭头):
在输入状态下,从锁存器和从引脚上读来的信号一般是一致的,但也有例外。例如,当从内部总线输出低电平后,锁存器Q=0,Q非=1,场效应管T2开通,端口线呈低电平状态。此时无论端口线上外接的信号是低电乎还是高电平,从引脚读入单片机的信号都是低电平,因而不能正确地读入端口引脚上的信号。又如,当从内部总线输出高电平后,锁存器Q=1,Q非=0,场效应管T2截止。如外接引脚信号为低电平,从引脚上读入的信号就与从锁存器读入的信号不同。为此,8031单片机在对端口P0一P3的输入操作上,有如下约定:为此,8051单片机在对端口P0一P3的输入操作上,有如下约定:凡属于读-修改-写方式的指令,从锁存器读入信号,其它指令则从端口引脚线上读入信号。
读-修改-写指令的特点是,从端口输入(读)信号,在单片机内加以运算(修改)后,再输出(写)到该端口上。下面是几条读--修改-写指令的例子。
这样安排的原因在于读-修改-写指令需要得到端口原输出的状态,修改后再输出,读锁存器而不是读引脚,可以避免因外部电路的原因而使原端口的状态被读错。
P0端口是8031单片机的总线口,分时出现数据D7一D0、低8位地址A7一AO,以及三态,用来接口存储器、外部电路与外部设备。P0端口是使用最广泛的I/O端口。
2、作为地址/数据复用口使用时的工作原理
在访问外部存储器时P0口作为地址/数据复用口使用。
这时多路开关‘控制’信号为‘1’,‘与门’解锁,‘与门’输出信号电平由“地址/数据”线信号决定;多路开关与反相器的输出端相连,地址信号经“地址/数据”线→反相器→V2场效应管栅极→V2漏极输出。
例如:控制信号为1,地址信号为“0”时,与门输出低电平,V1管截止;反相器输出高电平,V2管导通,输出引脚的地址信号为低电平。请看下图(兰色字体为电平):
反之,控制信号为“1”、地址信号为“1”,“与门”输出为高电平,V1管导通;反相器输出低电平,V2管截止,输出引脚的地址信号为高电平。请看下图(兰色字体为电平):
可见,在输出“地址/数据”信息时,V1、V2管是交替导通的,负载能力很强,可以直接与外设存储器相连,无须增加总线驱动器。
P0口又作为数据总线使用。在访问外部程序存储器时,P0口输出低8位地址信息后,将变为数据总线,以便读指令码(输入)。
在取指令期间,“控制”信号为“0”,V1管截止,多路开关也跟着转向锁存器反相输出端Q非;CPU自动将0FFH(11111111,即向D锁存器写入一个高电平‘1’)写入P0口锁存器,使V2管截止,在读引脚信号控制下,通过读引脚三态门电路将指令码读到内部总线。请看下图
如果该指令是输出数据,如MOVX @DPTR,A(将累加器的内容通过P0口数据总线传送到外部RAM中),则多路开关“控制”信号为‘1’,“与门”解锁,与输出地址信号的工作流程类似,数据据由“地址/数据”线→反相器→V2场效应管栅极→V2漏极输出。
如果该指令是输入数据(读外部数据存储器或程序存储器),如MOVX A,@DPTR(将外部RAM某一存储单元内容通过P0口数据总线输入到累加器A中),则输入的数据仍通过读引脚三态缓冲器到内部总线,其过程类似于上图中的读取指令码流程图。
通过以上的分析可以看出,当P0作为地址/数据总线使用时,在读指令码或输入数据前,CPU自动向P0口锁存器写入0FFH,破坏了P0口原来的状态。因此,不能再作为通用的I/O端口。大家以后在系统设计时务必注意,即程序中不能再含有以P0口作为操作数(包含源操作数和目的操作数)的指令。
二、P1端口的结构及工作原理
P1口的结构最简单,用途也单一,仅作为数据输入/输出端口使用。输出的信息有锁存,输入有读引脚和读锁存器之分。P1端口的一位结构见下图.
由图可见,P1端口与P0端口的主要差别在于,P1端口用内部上拉电阻R代替了P0端口的场效应管T1,并且输出的信息仅来自内部总线。由内部总线输出的数据经锁存器反相和场效应管反相后,锁存在端口线上,所以,P1端口是具有输出锁存的静态口。
由上图可见,要正确地从引脚上读入外部信息,必须先使场效应管关断,以便由外部输入的信息确定引脚的状态。为此,在作引脚读入前,必须先对该端口写入l。具有这种操作特点的输入/输出端口,称为准双向I/O口。8051单片机的P1、P2、P3都是准双向口。P0端口由于输出有三态功能,输入前,端口线已处于高阻态,无需先写入l后再作读操作。
P1口的结构相对简单,前面我们已详细的分析了P0口,只要大家认真的分析了P0口的工作原理,P1口我想大家都有能力去分析,这里我就不多论述了。
单片机复位后,各个端口已自动地被写入了1,此时,可直接作输入操作。如果在应用端口的过程中,已向P1一P3端口线输出过0,则再要输入时,必须先写1后再读引脚,才能得到正确的信息。此外,随输入指令的不同,H端口也有读锁存器与读引脚之分。
三、P2端口的结构及工作原理:
P2端口的一位结构见下图:
由图可见,P2端口在片内既有上拉电阻,又有切换开关MUX,所以P2端口在功能上兼有P0端口和P1端口的特点。这主要表现在输出功能上,当切换开关向下接通时,从内部总线输出的一位数据经反相器和场效应管反相后,输出在端口引脚线上;当多路开关向上时,输出的一位地址信号也经反相器和场效应管反相后,输出在端口引脚线上。
对于8031单片机必须外接程序存储器才能构成应用电路(或者我们的应用电路扩展了外部存储器),而P2端口就是用来周期性地输出从外存中取指令的地址(高8位地址),因此,P2端口的多路开关总是在进行切换,分时地输出从内部总线来的数据和从地址信号线上来的地址。因此P2端口是动态的I/O端口。输出数据虽被锁存,但不是稳定地出现在端口线上。其实,这里输出的数据往往也是一种地址,只不过是外部RAM的高8位地址。
在输入功能方面,P2端口与P0和H端口相同,有读引脚和读锁存器之分,并且P2端口也是准双向口。
可见,P2端口的主要特点包括:
①不能输出静态的数据;
②自身输出外部程序存储器的高8位地址;
②执行MOVX指令时,还输出外部RAM的高位地址,故称P2端口为动态地址端口。
即然P2口可以作为I/O口使用,也可以作为地址总线使用,下面我们就不分析下它的两种工作状态。
1、作为I/O端口使用时的工作过程
当没有外部程序存储器或虽然有外部数据存储器,但容易不大于256B,即不需要高8位地址时(在这种情况下,不能通过数据地址寄存器DPTR读写外部数据存储器),P2口可以I/O口使用。这时,“控制”信号为“0”,多路开关转向锁存器同相输出端Q,输出信号经内部总线→锁存器同相输出端Q→反相器→V2管栅极→V2管9漏极输出。
由于V2漏极带有上拉电阻,可以提供一定的上拉电流,负载能力约为8个TTL与非门;作为输出口前,同样需要向锁存器写入“1”,使反相器输出低电平,V2管截止,即引脚悬空时为高电平,防止引脚被钳位在低电平。读引脚有效后,输入信息经读引脚三态门电路到内部数据总线。
2、作为地址总线使用时的工作过程
P2口作为地址总线时,“控制”信号为‘1’,多路开关车向地址线(即向上接通),地址信息经反相器→V2管栅极→漏极输出。由于P2口输出高8位地址,与P0口不同,无须分时使用,因此P2口上的地址信息(程序存储器上的A15~A8)功数据地址寄存器高8位DPH保存时间长,无须锁存。
四、P3端口的结构及工作原理
P3口是一个多功能口,它除了可以作为I/O口外,还具有第二功能,P3端口的一位结构见下图。
由上图可见,P3端口和Pl端口的结构相似,区别仅在于P3端口的各端口线有两种功能选择。当处于第一功能时,第二输出功能线为1,此时,内部总线信号经锁存器和场效应管输入/输出,其作用与P1端口作用相同,也是静态准双向I/O端口。当处于第二功能时,锁存器输出1,通过第二输出功能线输出特定的内含信号,在输入方面,即可以通过缓冲器读入引脚信号,还可以通过替代输入功能读入片内的特定第二功能信号。由于输出信号锁存并且有双重功能,故P3端口为静态双功能端口。
P3口的特殊功能(即第二功能):
使P3端品各线处于第二功能的条件是:
1、串行I/O处于运行状态(RXD,TXD);
2、打开了处部中断(INT0,INT1);
3、定时器/计数器处于外部计数状态(T0,T1)
4、执行读写外部RAM的指令(RD,WR)
在应用中,如不设定P3端口各位的第二功能(WR,RD信叼的产生不用设置),则P3端口线自动处于第一功能状态,也就是静态I/O端口的工作状态。在更多的场合是根据应用的需要,把几条端口线设置为第二功能,而另外几条端口线处于第一功能运行状态。在这种情况下,不宜对P3端口作字节操作,需采用位操作的形式。
端口的负载能力和输入/输出操作:
P0端口能驱动8个LSTTL负载。如需增加负载能力,可在P0总线上增加总线驱动器。P1,P2,P3端口各能驱动4个LSTTL负载。
前已述及,由于P0-P3端口已映射成特殊功能寄存器中的P0一P3端口寄存器,所以对这些端口寄存器的读/写就实现了信息从相应端口的输入/输出。例如:
MOV A, P1 ;把Pl端口线上的信息输入到A
MoV P1, A ;把A的内容由P1端口输出
MOV P3, #0FFH ;使P3端口线各位置l
这里我们已将51单片机的4个8位的并行口跟大家一起来分析了一下~
三、编码及译码器工作原理分析
这里主要简单介绍下,学过数字电路对编码译码了解的朋友可以跳过这部分。
把所使用的每一种二进制代码状态都赋于特定的含义,表示一个特定的信号或对象,叫编码。如用四位二进制数的0000~1001这十种状太,分别表示0~9这十个十进制数码,称为8421编码。反过来把代码的特定含义翻译出来,称为译码。
计算机在处理各种文字符号或数码时,必须把这些信息进行二进制编码,在编码时所使用的第一种二进制代码状态都赋予了特定的含义,即表示一个确定的信号或者对象,实现这种功能的电路叫编码器,如用于键盘的BCD码,ASCII码编码器等。
单片机外围电路用译码器较多,所以在这节课我们主要与大家一起来学习下译码器的工作原理(购买了本站产品的朋友,在我们配套的多媒体教学光盘中有相关的教学内容,建议大家观看),把代码的含义‘翻译’成相应的输出信号,以表示其原意。其功能恰恰与编码器相反。
译码器可以将输入代码的状态翻译成相应的输出信号,以高、低电平的形式在各自的输出端口送出,以表示其意愿。译码器有多个输入端和多个输出端。假如输入的端个数为,每个输出端只能有两个状态,则输出端个数最多有2n个。常用译码器输入、输出端头数来称呼译码器,如3线-8线译码器,4线-10线译码器等。我们经常用到的74138就是一个三线-八线译码器,朋友们可以到百度搜索74138的中文资料。
编码、译码的概念我们了解下,下面我们就来重点来讲一下三-八译码器的工作原理,这在我们51单片机的接口电路中也是经常用到的。
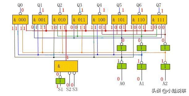
74138的工作原理如下图所示:
从上图可看出,74138有三个输入端:A0、A1、A2和八个输出端Q0~Q7。当输入端A0、A1、A2的编码为000时,译码器输出为Q0=0,而Q1~Q7=1。即Q0对应于A0、A1、A2为000状态,低电平有效。A0、A1、A2的另外7种组合见后面的真值表。
图中S1、S2、S3为使能控制端,起到控制译码器是否能进行译码的作用。只有S1为高电平,S2、S3均为低电平时,才能进行译码,否则不论输入羰输入为何值,每个输出端均为1。
下图是输入端A0、A1、A2为000,控制端S1=1、S1=0、S2=0的电平示意图(红色数字为端口电平),大家可按下图进行分析,也可以分析输出端另外七种组合时的输出情况。
四、51单片机CPU结构分析
在前面的文章里我们已知道了单片机内部有一个8位的CPU,同时知道了CPU内部包含了运算器,控制器及若干寄存器。在这节课,我们就与大家一起来讨论一下51单片机CPU的内部结构及工作原理。
从上图中我们可以看到,在虚线框内的就是CPU的内部结构了,8位的MCS-51单片机的CPU内部有数术逻辑单元ALU(Arithmetic Logic Unit)、累加器A(8位)、寄存器B(8位)、程序状态字PSW(8位)、程序计数器PC(有时也称为指令指针,即IP,16位)、地址寄存器AR(16位)、数据寄存器DR(8位)、指令寄存器IR(8位)、指令译码器ID、控制器等部件组成。
1、运算器(ALU)的主要功能
A)算术和逻辑运算,可对半字节(一个字节是8位,半个字节就是4位)和单字节数据进行操作。
B)加、减、乘、除、加1、减1、比较等算术运算。
C)与、或、异或、求补、循环等逻辑运算。
D)位处理功能(即布尔处理器)。
由于ALU内部没有寄存器,参加运算的操作数,必须放在累加器A中。累加器A也用于存放运算结果。
例如:执行指令 ADD A,B
执行这条指令时,累加器A中的内容通过输入口In_1输入ALU,寄存器B通过内部数据总线经输入口In_2输入ALU,A+B的结果通过ALU的输出口Out、内部数据总线,送回到累加器A。
2、程序计数器PC
PC的作用是用来存放将要执行的指令地址,共16位,可对64K ROM直接寻址,PC低8位经P0口输出,高8位经P2口输出。也就是说,程序执行到什么地方,程序计数器PC就指到哪里,它始终是跟蹿着程序的执行。我们知道,用户程序是存放在内部的ROM中的,我们要执行程序就要从ROM中一个个字节的读出来,然后到CPU中去执行,那么ROM具体执行到哪一条呢?这就需要我们的程序计数器PC来指示。
程序计数器PC具有自动加1的功能,即从存储器中读出一个字节的指令码后,PC自动加1(指向下一个存储单元)。
3、指令寄存器IR
指令寄存器的作用就是用来存放即将执行的指令代码。
在这里我们先简单的了解下CPU执行指令的过程,首先由程序存储器(ROM)中读取指令代码送入到指令寄存器,经译码器译码后再由定时与控制电路发出相应的控制信号,从而完成指令的功能。关于指令在单片机内部的执行过程,我们在后面将会在后面的文章里进行详细的讲解。
4、指令译码器ID
用于对送入指令寄存器中的指令进行译码,所谓译码就是把指令转变成执行此指令所需要的电信号。当指令送入译码器后,由译码器对该指令进行译码,根据译码器输出的信号,CPU控制电路定时地产生执行该指令所需的各种控制信号,使单片机正确的执行程序所需要的各种操作。
5、地址寄存器AR(16位)
AR的作用是用来存放将要寻址的外部存储器单元的地址信息,指令码所在存储单元的地址编码,由程序计数器PC产生,而指令中操作数所在的存储单元地址码,由指令的操作数给定。从上图中我们可以看到,地址寄存器AR通过地址总线AB与外部存储器相连。
6、数据寄存器DR
用于存放写入外部存储器或I/O端口的数据信息。可见,数据寄存器对输出数据具有锁存功能。数据寄存器与外部数据总线DB直接相连。
7、程序状态字PSW
用于记录运算过程中的状态,如是否溢出、进位等。
例如,累加器A的内容83H,执行:
ADD A,#8AH ;累加器A与立即数8AH相加,并把结果存放在A中。
指令后,将产生和的结果为[1]0DH,而累加器A只有8位,只能存放低8位,即0DH,元法存放结果中的最高位B8。为些,在CPU内设置一个进位标志位C,当执行加法运算出现进位时,进位标志位C为1。
8、时序部件
由时钟电路和脉冲分配器组成,用于产生微操作控制部件所需的定时脉冲信号
五、存储器的存储原理
存储器:用来存放计算机中的所有信息:包括程序、原始数据、运算的中间结果及最终结果等。
只读存储器(ROM):只读存储器在使用时,只能读出而不能写入,断电后ROM中的信息不会丢失。因此一般用来存放一些固定程序,如监控程序、子程序、字库及数据表等。ROM按存储信息的方法又可分为以下几种:
1、掩膜ROM:
掩膜ROM也称固定ROM,它是由厂家编好程序写入ROM(称固化)供用户使用,用户不能更改内部程序,其特点是价格便宜。
2、可编程的只读存储器(PROM):
它的内容可由用户根据自已所编程序一次性写入,一旦写入,只能读出,而不能再进行更改,这类存储器现在也称为OTP(Only Time Programmable)。
3、可改写的只读存储器EPROM:
前两种ROM只能进行一次性写入,因而用户较少使用,目前较为流行的ROM芯片为EPROM。因为它的内容可以通过紫外线照射而彻底擦除,擦除后又可重新写入新的程序。
4、可电改写只读存储器(EEPROM):
EEPROM可用电的方法写入和清除其内容,其编程电压和清除电压均与微机CPU的5V工作电压相同,不需另加电压。它既有与RAM一样读写操作简便,又有数据不会因掉电而丢失的优点,因而使用极为方便。现在这种存储器的使用最为广泛。
随机存储器(RAM):
这种存储器又叫读写存储器。它不仅能读取存放在存储单元中的数据,还能随时写入新的数据,写入后原来的数据就丢失了。断电后RAM中的信息全部丢失。因些,RAM常用于存放经常要改变的程序或中间计算结果等信息。
RAM按照存储信息的方式,又可分为静态和动态两种:
1、静态SRAM:其特点是只要有电源加于存储器,数据就能长期保存。
2、动态DRAM:写入的信息只能保存若干ms时间,因此,每隔一定时间必须重新写入一次,以保持原来的信息不变。
可现场改写的非易失性存储器:
这种存储器的特点是:从原理上看,它们属于ROM型存储器,从功能上看,它们又可以随时改写信息,作用又相当于RAM。所以,ROM、RAM的定义和划分已逐渐的失去意义。
1、快擦写存储器(FLASH)
这种存储器是在EPROM和EEPROM的制造基础上产生的一种非易失性存储器。其集成度高,制造成本低于DRAM,既具有SRAM读写的灵活性和较快的访问速度,又具有ROM在断电后可不丢失信息的特点,所以发展迅速。
2、铁电存储器FRAM
它是利用铁电材料极化方向来存储数据的。它的特点是集成度高,读写速度快,成本低,读写周期短。
通过前面的学习,我们已知道存储器是计算机的重组成部份。存储器是由大量缓冲寄存器组成的,其用途是存放程序和数据,使计算机具有记忆功能。这些程序和数据在存储器中是以二进制代码表示的。根据计算机的命令,按照指定地址,可以把代码取出来或存入新代码。
在这,我们的学习重点就是来研究一下存储器的内部结构、工作原理及其存储器的主要的技术指标。
第一个要学习的问题:存储器单元和存储单元地址:
存储器是由大量寄存器组成的,其中每一个寄存器就称为一个存储单元。它可存放一个有独立意义的二进制代码。一个代码由若干位(bit)组成,代码的位数称为位长,习惯上也称为字长。
每个存储单元存放几位二进制数呢?一般情况下,计算机中一个代码的位数和它的算术运算单元的位数是相同的。例如,8051单片机中算术单元是8位,则字长就是8位。在计算机中把一个8位的二进制代码称为一个字节(Byte),常写为B。对于一个8位二进制代码的最低位称为第0位(位0),最高位称为第7位(位7)。
在计算机中的存储器往往有成千上万个存储单元,为了使存入和取出不发生混淆,必须给每个存储单元一个唯一的固定编号,这个编号就称为存储单元的地址。因为存储单元的数量很大,我们不可能每个存储单元都把线引到外部,如果每个存储单元都引根线到外部,那一个8位的单片机就需外向外部引出65536根线了,这在现实中是不可能的。为了减少存储器向外引出的地址线,在存储器内部都带有译码器。根据二进制编码、译码的原理,除地线公用之外,n根导线可以译成2n个地址号。例如,当地址线为3根时,可以译成23=8个地址号;地址线为3根时,可以译成28=256个地址号。依此类推,在8051单片机中有16根地址线,也就是说在8051单片机中有216=65 536个地址号,地址号的多少就是我们寻址范围的大小,也就是前面我们提到过的8051单片机的寻址范围是64K。
从上面的介绍可以看出,存储单元地址和这个存储单元的内容含义是不同的。存储单元如同一个旅馆的每个房间;存储单元地址则相当于每个房间的房间号;存储单元内容(二进制代码)就相当于这个房间的房客。
前面我们已讲过,8051的单片机有16根地址线,它的存储地址有216=65 536个,这么多的存储地址,而地址线却只有16根,我们怎么用16根地址线来控制这6万多个存储地址呢?接下来我们就这个问题与大家一起做个探讨:在上节课《第九课:51单片机CPU的结构》时我们已知道,在51单片机的内部有一个叫做译码器的部件。用16根地址线来控制65536个存储地址,就是用译码来实现的。
我们知道,计算机可以进行数学运算,这可令我们非常的难以理解,计算机吗,里面只不过是一些电子元件组成的,怎能么可以进行数学运算呢?我们做数学题时如25+36是这样做的,先在纸上写25,然后在下面写36,然后大脑运算,最后写出结果,运算的原材料:25、36和结果61都是写在纸上的。计算机中又是怎样存放的呢?为了解决定个问题,我们先做一个实验:
下面有一盏灯,我们知道灯要么亮,要么不亮,就有两种状态,我们可以用“0”和“1”来代替这两种状态,规定亮为“1”,不亮为“0”。南以上两盏灯,一共有几种状态呢?
上面已例出,两盏灯可以表达成00 01 10 11四种状态,那么三盏灯呢?
三盏灯应该就是可以表达成000 001 010 011 100 101 110 111八种状态,
如果是八盏灯呢?那么其状就表达就是00000000 00000001 00000010。。。。。11111111 共256种状态。
我们来看,上面这些000 001 010。。。。等等这些数不就是我们学过的二进制数吗?本来灯的亮灭是一种物理现象,可当我们把它们按一定的顺序排列好后,灯的亮和灭就代表数字了。让我们再抽象一步,灯为什么会亮呢?是因为输出电路输出高电平,给灯通了电。因此,灯亮和灭就可以用电路的输出是高电平还是低电平来代替了。这样,数字就和电平的高、低联系上了。
位的含义:通过上面的实验我们已知道:一盏灯亮或者说一根线的电平的高低,可以代表两种状态:0和1。实际上这就是一个二进制位,困此我们把一根线(或者一盏灯)称为一“位”,用BIT表示。
字节的含义:一根线可以表示0和1,两根线可以表达00,01,10,11四种状态,也就是可以表示0到3,而三根给可以表达0至7,计算机中通常用8根线放在一起,同时计数,就可以表达到0~255共256种状态。这8根线或者8位就称之为一个字节(BYTE)。不要问我为什么是8根而不是其它数,因为我也不知道。(计算机是一个人造的世界,不是自然界,很多事情无法问为什么,只能说:字是一种规定,大家在以后的学习过程中也要注意这个问题)。
存储器是用来存放数据的地方。它是利用电平的高低来存放数据的。也就是说,它存放的实际上是电平的高、低,而不是我们习惯认为的1234这样的数字。下面我们就来看看,单片机内的存储器是怎样来寻址的,也就是怎么来找到我们存放在存储器内的数据。
MCS-51单片机在物理结构上有四个存储空间:
1、片内程序存储器
2、片外程序存储器
3、片内数据存储器
4、片外数据存储器
但在逻辑上,即从用户的角度上,8051单片机有三个存储空间:
1、片内外统一编址的64K的程序存储器地址空间
2、256B的片内数据存储器的地址空间
3、以及64K片外数据存储器的地址空间
在访问三个不同的逻辑空间时,应采用不同形式的指令(具体我们在后面的指令系统学习时将会讲解),以产生不同的存储器空间的选通信号。
程序存储器
一个微处理器能够聪明地执行某种任务,除了它们强大的硬件外,还需要它们运行的软件,其实微处理器并不聪明,它们只是完全按照人们预先编写的程序而执行之。那么设计人员编写的程序就存放在微处理器的程序存储器中,俗称只读程序存储器(ROM)。程序相当于给微处理器处理问题的一系列命令。其实程序和数据一样,都是由机器码组成的代码串。只是程序代码则存放于程序存储器中。
MCS-51具有64kB程序存储器寻址空间,它是用于存放用户程序、数据和表格等信息。对于内部无ROM的8031单片机,它的程序存储器必须外接,空间地址为64kB,此时单片机的 端必须接地。强制CPU从外部程序存储器读取程序。对于内部有ROM的8051等单片机,正常运行时, 则需接高电平,使CPU先从内部的程序存储中读取程序,当PC值超过内部ROM的容量时,才会转向外部的程序存储器读取程序。
当 =1时,程序从片内ROM开始执行,当PC值超过片内ROM容量时会自动转向外部ROM空间。
当 =0时,程序从外部存储器开始执行,例如前面提到的片内无ROM的8031单片机,在实际应用中就要把8031的 引脚接为低电平。
8051片内有4kB的程序存储单元,其地址为0000H—0FFFH,单片机启动复位后,程序计数器的内容为0000H,所以系统将从0000H单元开始执行程序。但在程序存储中有些特殊的单元,这在使用中应加以注意:
其中一组特殊是0000H—0002H单元,系统复位后,PC为0000H,单片机从0000H单元开始执行程序,如果程序不是从0000H单元开始,则应在这三个单元中存放一条无条件转移指令,让CPU直接去执行用户指定的程序。
另一组特殊单元是0003H—002AH,这40个单元各有用途,它们被均匀地分为五段,它们的定义如下:
0003H—000AH 外部中断0中断地址区。
000BH—0012H 定时/计数器0中断地址区。
0013H—001AH 外部中断1中断地址区。
001BH—0022H 定时/计数器1中断地址区。
0023H—002AH 串行中断地址区。
可见以上的40个单元是专门用于存放中断处理程序的地址单元,中断响应后,按中断的类型,自动转到各自的中断区去执行程序。从上面可以看出,每个中断服务程序只有8个字节单元,用8个字节来存放一个中断服务程序显然是不可能的。因此以上地址单元不能用于存放程序的其他内容,只能存放中断服务程序。但是通常情况下,我们是在中断响应的地址区安放一条无条件转移指令,指向程序存储器的其它真正存放中断服务程序的空间去执行,这样中断响应后,CPU读到这条转移指令,便转向其他地方去继续执行中断服务程序。
下图是ROM的地址分配图:
从上图中大家可以看到,0000H-0002H,只有三个存储单元,3个存储单元在我们的程序存放时是存放不了实际意义的程序的,通常我们在实际编写程序时是在这里安排一条ORG指令,通过ORG指令跳转到从0033H开始的用户ROM区域,再来安排我们的程序语言。从0033开始的用户ROM区域用户可以通过ORG指令任意安排,但在应用中应注意,不要超过了实际的存储空间,不然程序就会找不到。
数据存储器
数据存储器也称为随机存取数据存储器。数据存储器分为内部数据存储和外部数据存储。MCS-51内部RAM有128或256个字节的用户数据存储(不同的型号有分别),片外最多可扩展64KB的RAM,构成两个地址空间,访问片内RAM用“MOV”指令,访问片外RAM用“MOVX”指令。它们是用于存放执行的中间结果和过程数据的。MCS-51的数据存储器均可读写,部分单元还可以位寻址。
MCS-51单片机的内部数据存储器在物理上和逻辑上都分为两个地址空间,即:
数据存储器空间(低128单元);
特殊功能寄存器空间(高128单元);
这两个空间是相连的,从用户角度而言,低128单元才是真正的数据存储器。下面我们就来详细的与大家讲解一下:
低128单元:
片内数据存储器为8位地址,所以最大可寻址的范围为256个单元地址,对片外数据存储器采用间接寻址方式,R0、R1和DPTR都可以做为间接寻址寄存器,R0、R1是8位的寄存器,即R0、R1的寻址范围最大为256个单元,而DPTR是16位地址指针,寻址范围就可达到64KB。也就是说在寻址片外数据存储器时,寻址范围超过了256B,就不能用R0、R1做为间接寻址寄存器,而必须用DPTR寄存器做为间接寻址寄存器。
从上图中我们可以看到,8051单片机片内RAM共有256个单元(00H-FFH),这256个单元共分为两部分。其一是地址从00H—7FH单元(共128个字节)为用户数据RAM。从80H—FFH地址单元(也是128个字节)为特殊寄存器(SFR)单元。从图1中可清楚地看出它们的结构分布。
1、通用寄存器区(00H-1FH)
在00H—1FH共32个单元中被均匀地分为四块,每块包含八个8位寄存器,均以R0—R7来命名,我们常称这些寄存器为通用寄存器。这四块中的寄存器都称为R0—R7,那么在程序中怎么区分和使用它们呢?聪明的INTEL工程师们又安排了一个寄存器——程序状态字寄存器(PSW)来管理它们,CPU只要定义这个寄存的PSW的D3和D4位(RS0和RS1),即可选中这四组通用寄存器。对应的编码关系如下表所示。惹程序中并不需要用4组,那么其余的可用做一般的数据缓冲器,CPU在复位后,选中第0组工作寄存器。
2、位寻址区(20H-2FH)
片内RAM的20H—2FH单元为位寻址区,既可作为一般单元用字节寻址,也可对它们的位进行寻址。位寻址区共有16个字节,128个位,位地址为00H—7FH。位地址分配如下表所示:
CPU能直接寻址这些位,执行例如置“1”、清“0”、求“反”、转移,传送和逻辑等操作。我们常称MCS-51具有布尔处理功能,布尔处理的存储空间指的就是这些为寻址区。
3、用户RAM区(30H-7FH)
在片内RAM低128单元中,通用寄存器占去32个单元,位寻址区占去16个单元,剩下的80个单元就是供用户使用的一般RAM区了,地址单元为30H-7FH。对这部份区域的使用不作任何规定和限制,但应说明的是,堆栈一般开辟在这个区域。
高128单元:(80H-FFH)
前面提到,在片内的RAM中,高128位是专用寄存器区,因这节比较重要,所以我们单独的安排一节课跟大家介绍。下节课我们就重点介绍51单片机片内RAM的高128位,即专用寄存器区。
采用SSI协议实现的绝对值编码器
王青,俞建定,袁飞,周彬彬
(宁波大学 信息科学与工程学院, 浙江 宁波 315211)
:近年来,随着科技和工业的快速发展,绝对值编码器在其通信技术方面也在逐步地优化与完善,其中SSI协议的输出方式在绝对值编码器领域中应用比较广泛。详细阐述了SSI协议的通信方式,设计出硬件电路,并采用Verilog语言实现了SSI通信协议。通过测试实验,证明了该应用系统抗干扰性强、性能可靠、通信速度快,具有潜在的市场价值。
:绝对值编码器;SSI协议;Verilog
近年来,编码器应用比较多,主要应用于工业控制系统,比如电机的转速测量、机床位置的测量、起重机上升距离的测量等,同时编码器在市场上的规模越来越大,工业的需要量也逐步增长。在未来的几十年里,编码器行业将会达到高速发展的阶段,将会有更多的编码器生产厂商参与这场革命的竞争。
编码器是将数据转换成信号形式的一种设备,这种信号可以用来通讯、传输和存储[1]。编码器的原理是把这些物理位移变换成熟知的电信号。按工作性质划分,编码器可以划分成两大类:增量型编码器和绝对值编码器[2]。增量型编码器主要应用在那些精度要求不高的仪器上。而针对那些精度要求比较高的行业,一般都是重工业,比如设备制造业、电子工业等,通常会采用绝对值编码器。因为绝对值编码器具有启动速度快、数字编码、位置唯一等特点,所以它已经被广泛地应用在各种工业系统中[3]。随着仪器仪表越来越智能化,人们对编码器提出功耗低、质量好、体积小的要求,希望在绝对值编码器的领域中有更多类型的输出方式,让越来越多的装置能够实现自动化。
早期的绝对值编码器的输出大多采用并行输出方式,然而随着科技的进步,绝对值编码器的输出方式也越来越丰富,出现了比如RS485、PROFIBUSDP、CAN、DeviceNet 等现场总线输出方式、模拟信号转换输出方式以及SSI协议同步串行输出方式等[4]。这几种输出方式都有各自的优点和缺点。并行输出适用于短距离传输,其价格比较低廉;现场总线型输出一般适用于超大规模的工业领域中,但是价格比较昂贵;而模拟信号转换输出方式目前应用相对比较少。这几种输出方式比较而言,SSI 串行输出方式的优点比较多,比如抗干扰能力强、接线少,因此市场上应用比较广泛。
1工作原理描述
1.1增量型编码器工作原理
增量型编码器的工作原理是先将位移变成具有周期性的电信号,然后把这个信号转换成计数脉冲,通过这样的转变,位移就可以通过脉冲输出的多少来测量[5]。如图1所示,当A相超前B相时,表示正转,反之则反转。增量型编码器主要依靠计数来记忆其位置,但是在突然断电时,如果编码器稍微移动,那么再来电时,记忆的零点就会偏移,造成不精确和记忆损失。需要增加参考点,也就是Z相,用参考位置来处理这些问题。但是此类型编码器每次操作都要先找参考点,抗干扰能力比较差,零点累计时也有误差。如果选用绝对值编码器这些问题都可以得到解决。
1.2绝对值编码器工作原理
绝对值编码器的码盘上有很多道光通刻线,它们依次以2线、4线、8线、16线……这样的方式进行排列[6]。这些刻线都有两面,分别为阴面和阳面,通过读取每道刻线的通、暗得到一组从20~2n-1的唯一的二进制编码(格雷码),这就是n位绝对值编码器[7]。每一个位置对应一个具体的数字,这个数字是绝对唯一的,只与起始和终止有关,与中间任何过程都没有关系。当遇到突然断电,重新启动时不用重新再找参考点和零点,也不用像增量型编码器那样重新记录脉冲的数目。任何时候想要知道它的具体位置,都可以去读取它。这种编码器的数据可靠、不容易受外界影响。
1.3SSI协议介绍
绝对值编码器主要是把需要测量的位置信息传输给主控制系统,然后通过主控制系统来发出控制信号[8]。以前的绝对值编码器大多采用并行输出,在位数不多的情况下可以适用,一旦位数越来越多,则并行输出就不适用了,因为总是出现数据不准确、错误等。比如在传输过程中,只要有一根数据线出现问题,就会影响到最终传输的数据,从而影响到绝对值编码器的正常工作。所以根据实际情况,SSI协议的输出方式比较适合。它用串行输出来替代并行输出,通过采用差分的方式来提高数据在传输过程中的可靠性,抗干扰明显增强,同时为了通信双方能够准确地发送和接收数据,故采用同一个波特率。
SSI协议的通信方式如图2所示。其采用主动读取和接收的方式,包括同步时钟信号CLOCK、数据信号DATA,其中同步时钟的频率决定了数据在传输过程中的速率。在工业控制应用领域中,通过实际传输距离的远近来选择需要的频率。在同步时钟信号的控制下,从最高位(MSB)开始传送[9]。当遇到时钟信号的第一个下降沿时,在Tp这段时间内,把需要发送的数据进行保存,之后遇到时钟信号的每一个上升沿时就开始发送数据,直到所有的数据发送完即结束。然后把数据输出这一端拉至低电平,延长Tm时间之后再把数据输出端拉至高电平,准备等待下一个时钟信号的到来,继续发送数据。在不发送数据时,时钟信号和数据端都应该保持高电平。图2SSI通信协议
其中需要发送数据的位数决定了发送同步时钟的个数。图2中参数定义如下: T为时钟频率, Tp为数据之间传输间隔,Tm为单稳触发时间,n为传输位数,MSB为最高有效位,LSB为最低有效位。
2系统方案设计
主控制器可以选择51单片机、RAM微处理器和CPLD逻辑器件。单片机结构简单,价格便宜,但是运行速度很慢,处理速度有限,抗干扰能力也不是很强;RAM微处理器功能强大,但是开发周期长,价格昂贵。要想高速传输,采用CPLD设计比较灵活,其处理速度比较快,抗干扰能力也很强,并且设计时用到大量的时序和逻辑运算。
2.1硬件设计
SSI电路的输入和输出都采用差分方式,如图3所示,有4根信号线: CLK+、CLK-、DATA+、DATA-,其中CLK+和CLK-为时钟输入端,DATA+和DATA-为数据输出端。时钟输入端的接收采用光耦,数据端的输出采用422输出芯片。图3SSI电路设计框图
2.2软件设计
对于软件部分的设计,有两种方法可以实现SSI协议,一种方法是用单片机模拟SSI通信,另外一种是用CPLD来实现SSI通信。用单片机模拟的关键技术主要包括两个方面:同步时钟信号的准确获取和数据起始位的准确判断[10]。很明显,这需要输入端口和输出端口,另外还需要一个定时器来实现单稳态触发器。在输入端口捕获时钟的上升脉冲,遇到时钟的第一个下降脉冲时定时器开始工作。数据传输结束时定时器需要复位重新开始计数。软件流程图如图4所示。
用单片机来模拟SSI通信,结构比较简单,但是通信速度会受到约束。所以要想实现高速通信必须采用CPLD。CPLD的软件部分设计可以分为两个部分,一部分是单稳态触发器,在外加脉冲的作用下,可以从一个稳定状态翻转到一个暂稳态。它的输入为同步时钟上升沿,在一段时间内如果没有遇到上升脉冲,则将输出信号复位。另一部分是一个并入串出的移位寄存器,在单稳态触发器图4程序流程图输出复位信号后,将需要发送的数据存入寄存器,继续等待下一个周期的移位时钟。并串转换的寄存器用Verilog语言描述如下:
Always@ (posedge clock or posedge load)
Begin
If(load==1.b1)
Out<=indata[24: 0];
Else
Out[24: 0]<=Out{[23: 1], 1.b0}
End
3结论
本文分别从硬件和软件两个方面进行研究和设计,实现了绝对值编码器的SSI通信协议,设计出的SSI通信板,成功与西门子S7300系列PLC配置的SM338模块进行通信,PLC能够正确读出码值。根据市场分析,在工业控制领域中,具有SSI协议的绝对值编码器实用性比较强,应用比较多,因此本文的研究具有潜在的市场价值。
参考文献
[1] 张丽娟.关于电气传动设备手动控制增加自动模式方法[J].阴山学刊(自然科学版),2013,27(1):8183.
[2] 王仲亮,杨广,薛秀生,等.基于RS485总线的多编码器数据采集系统研制及改进验证[J].测控技术,2014,33(11):144145,149.
[3] 韦凤. 浅谈光电编码器的应用[J].科技风,2014(6):97.
[4] 陈志同. 基于SSI协议的绝对值编码器通信接口研究[D].天津:天津理工大学,2014.
[5]肖博,李剑锋,陈洪芳,等.多通道绝对式光电编码器数据采集系统[J].仪表技术与传感器,2013(1):2729.
[6] 彭雨. 基于FPGA的绝对式光电编码器通信接口研究[D].武汉:华中科技大学,2008.
[7] 王文. 基于平台罗经的稳定平台控制系统研究[D].成都:电子科技大学,2009.
[8] 胡东轩. 永磁交流伺服系统多种位置检测与集成方法研究[D].杭州:浙江理工大学,2014.
[9] 靳红涛,赵勇进,陈朝基,等. 一种SSI接口光电编码器数据并行采集设计方法[J].电子技术,2008,45(5):2325.
[10] 聂旭中. 编码器用SSI协议及实现[J].洛阳师范学院学报,2010,29(2):7375.
相关问答
单片机 和 编码器 的关系?编码器跟后面两个没有关系,编码器一般是指旋转编码器,是把旋转信号转变为电脉冲信号的元件;单片机是一种集成在电路芯片,是采用超大规模集成电路技术把具有数...
【 51单片机 怎样计算sin(x);和cos(x);?x是我用 编码器 采集到的...[最佳回答]三角函数的计算是使用的弧度(rad),如果你得到的角度单位是度(deg),需要将deg转换为rad才能用三角函数计算.1rad=180/π,所以任意度数x转换为弧度就...
光电 编码器 接线方法?绝对式光电编码器有很多种接口,现在比较常见的是串行同步接口,也就是符合RS422电平标准的时钟数据接口,其时钟线通常有+,-一组,数据线+,-一组,如与单片机...
为什么我的 编码器 测不到脉冲信号?可能有几个原因导致您的编码器无法测量到脉冲信号。首先,检查编码器的电源是否正常工作,确保它能够提供足够的电力。其次,确保编码器与测量设备正确连接,包...
急问:旋转 编码器 的信号线与 单片机 的接法?, 编码器 信号线性价...[回答]纽斯德浦电气系统科技(无锡)有限公司从模具设计,模具制造,注塑到组装,我们有完整的设计和生产能力。并且具有高频电容测量能力,通过TDR或网络分析仪...
光电 编码器 如何测量角度_作业帮[最佳回答]角度增量值:增量式光电脉冲编码器输出方波信号给控制系统,可以通过脉冲计数来精确计算位置和速度,因为不能测绝对位置,可设定上电起始时刻为0脉冲位...
23位 编码器 原理?23位绝对式光电轴角编码器,仪器。主要用于工业上高精度数字化角度测量和数控,还可用于雷达、光学经纬仪、数字转台和天文望远镜等军事领域和高技术装置中,由中...
cev65m-01460 编码器 说明书?.械安装尺寸,包括定位止口,轴径,安装孔位;电缆出线方式;安装空间体积;工作环境防护等级是否满足要求。2.分辨率,即编码器工作时每圈输出的脉冲数,是....
IGBT如何驱动直流电动机? 单片机 控制?1,简单的开关控制,用单片机引脚输出高低电平,控制MOS管驱动电路。2,正反转控制,需要两个单片机引脚,一个控制正反转,一个控制启动与否。3,需要控制速度...1...
锐普德主轴 编码器 没脉冲信号?1.没有脉冲信号2.锐普德主轴编码器没有脉冲信号的原因可能是编码器本身故障、连接线路出现问题、或者与主轴的机械连接出现故障等。没有脉冲信号会导致无法...
