如何利用单片机设计一个生活废(污)水处理系统?
1 引言
中国是全球人均水资源最贫乏的国家之一,然而在我国,水资源短缺与严重浪费现象长期并存。未来 15 年是我国建设节水型社会的关键时期,国五部委联合发布的《中国节水技术政策大纲》中,对建设节水型社会的规划之一是推广先进实用的节水技术。
学生公寓盥洗室生活用水量大,水池的排水方式普遍为直排式,使具有再次利用价值的生活废水被排入下水道,造成水资源的浪费。本课题设计的是生活废水二次利用装置的控制系统,这一系统地完成有利于推进节水技术的推广,用单片机控制废水处理的设备,从而实现现场的自动化控制。
2 系统总体设计
系统节水装置如图 1 所示,本生活废水处理控制系统主要分为以下几个模块,通过检测浮子开关量来检测水位,如图中的 K1,K2,K3,分别检测过滤水箱,净水箱,储水箱的水位,即输入单元模块,此模块主要用于为控制器提供各输入量的逻辑组合值;驱动电气箱内的电机停转以控制水位的输出控制单元模块;及状态显示,声光报警,数码显示流量总计和手动自动控制切换单元模块。
图 1 节水装置示意图
2.1 控制系统输入模块设计
对输入量的检测要实时准确,本系统使用浮子来检测水位是处于高水位状态或低水位状态,其输出为开关量,所以可以直接将开关量的值检测到单片机内。对开关输入量的检测主要有以下两种典型的方案:一是通过光电耦合器件检测开关量,实现电气隔离,这样处理可以使输入端的波动不至于影响控制电路的正常工作,如图 2 中左侧电路图所示,另一种方案是直接检测,通过简单的电路将开关量检测进来,如图 2 中右侧电路图所示。
图 2 开关量输入检测方法比较
在本系统中,由于浮子的开关量的电气干扰比较小无需使用光电耦合器件来进行电气隔离,对输入量的瞬间抖动可以利用软件技术来实现准确的检测,如可在检测输入量时做一下延时,所以在本系统中采用第二种方案。
2.2 输出控制单元设计
在本系统中,输出控制主要是控制电机的停转来控制水位,使各个水箱的水位保持在一定的允许的变化范围内,不允许水箱内水位过低以至干涸,也不允许水箱内水位过高以至无法向水箱内充水造成水浪费。
由于单片机系统是弱电系统,而电机回路是强电系统,这就需要解决弱电控制强电的问题,要实现弱电与强电的隔离,所以利用继电器控制电机,实现强弱电的隔离,这样就不会造成强电系统对弱电系统的冲击使系统不稳定。如图3 所示。
图3 电机驱动控制电路
由图3 可知,当单片机输出高电平时,使三极管处于饱和导通状态,继电器线圈得电吸合开关触点接通强电回路,使电机回路导通;当单片机输出低电平时,三极管处于截至断开状态,线圈失电,通过反向续流二极管反向续流放电,开关触点断开,强电回路断开,电机停转。这样就实现了对电机的控制。
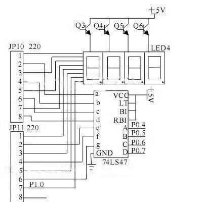
2.3 状态显示及数码显示单元
状态显示功能,使用发光二极管来指示系统所处的状态,驱动发光二极管采用灌电流的方式,通过程序控制相应的端口来控制发光二极管的亮灭。数码管显示单元,主要是用于显示流量总计,统计所处理废水的总量。我们采用四位数码管来显示流量总计。如图 4 所示。
图 4 数码管显示单元
在本系统中,我们采用共阳极数码管,通过三极管来控制其通断,因为 74LS47 具有译码功能,所以利用此芯片来控制数码管的显示,对数码管显示的控制采用循环扫描的动态方式显示。
至此,系统的各个功能模块基本完成,那么系统的总体设计功能图如图5 所示。
图 5 系统总体功能模块图
系统主要由单片机扩展若干外围不同功能的模块,来构成一个单片机控制系统。本系统主要由输入模块,输出控制电机模块,状态显示模块及数码显示流量模块。
3 系统调试与结论
本系统通过仿真调试及在现场的调试测试,能够很好的控制系统正常运转,对于浮子开关量的检测快速准确,对电机的停转的控制迅速可靠,能够比较准确的显示所处理的废水的总量,系统各种状态的指示实时准确,能够很好的满足系统控制要求。
本期有关如何利用单片机设计一个生活废(污)水处理系统的介绍到这里就结束了,如果你还想了解更多关于电子元器件的相关知识及电子元器件行业实时市场信息,敬请关注公众号【云汉芯城】。
(素材来自网络,由云汉芯城小编编辑整理,如有问题请联系!)
DIY一个智能抽水控制系统
背景:
不知从什么时候起,农村里开始“内卷”了太阳能热水器。但是配套的自来水没有跟上,只得用电机从家用水井里把水翻上去楼顶的储水桶里。完全人工操作,有时抽水,忘记关电机,搞得满楼顶都是水,下水管里哗啦啦的响,又浪费电,真是让人哭笑不得。于是,就DIY了一个智能抽水控制电路板。
需求分解:
1.单片机读取楼顶上水箱里的水位传感器的值,控制电机通断。
2.可使用红外遥控器远程控制电机通断。
3.自定义设定抽水总时间,到时间后自动关闭电机。
4.可显示当前北京时间,温度,湿度。
5.可将抽水的当前时间,水位状态,通过使用本地WIFI的方式传递给“云服务器”(这是一个然并卵的功能)。
6.电路故障蜂鸣片告警。
7.LED与LCD12864状态显示。
关键元器件清单:
AC220V转DC9V适配器1个;线性稳压器:7805P 1个;单片机:STC12C5A60S2 1个;时钟芯片:DS1302时间芯片1个;温湿度传感器:DHT11,1个;蜂鸣器:1个;继电器:1个;LCD12864,1个;WIFI模组:ESP8266 1个;红外接收模块:1个;电路板及效果图照片:
电路板正面
电路板反面
LCD显示器反面
效果图
不足之处:
时间芯片有走时误差,几年过去,发现误差好几个小时。后期要通过NTP方式,或是接入GPS进行系统校时。
随想:
很久都没有diy了,现在没怎么搞硬件,突然间很怀恋以前搞硬件设计的日子,也很怀念那个只有收音机和单片机8051的那个时代。
相关问答
基于 单片机 的太阳能热水器水位温度显示仪的课程设计2、控制:在需要上水或加热时,长按“上水、水位”键或“加热、水温”键盘,约3秒...2:使用时间长没有保养,看传感器是不是掉到水箱里面了。3:测控仪接受信号有问...
但是能烧水…拆机判断为 单片机 坏了,型号为s39_一起装修网而且也不一定是单片机问题summaryzhen1天前扩展回答1浴室的热水器自动上水坏了,还能修好吗能修,估计是你热水器里的水位开关怀了,水位开关是控制上水阀门...
想问下: 水箱 面板贵不贵?[回答]不当——重新连接胶管,保证不碰触其他物体。水泵内进水绝缘下降——更换水泵。无照明;1、灯泡坏——更换灯泡。2、接线断开——重新连接线...水泵...
采用PLC 控制 的变频器一拖三恒压供水技术方案?基于PLC和变频器串行通讯的变频恒压供水系统摘要:介绍了一种基于PLC和变频器采用串行总线方式通讯的变频恒压供水系统的构成和工作原理。系统采用变频调速方...
电锅炉是什么?大家推荐一下[回答]时间内进入空间的分子数目与返回液体中的分子数目相等时,则蒸发与凝结处于动平衡状态,此时的状态称为饱和状态,在饱和状态下的蒸汽是饱和蒸汽...2...
SQ1迷你蒸汽机报警怎么回事?1、水不畅,水箱污染严重:检查水阀隔离网,清理渣土:清洁水箱并取出秤。2.水位传感器探头结垢或损坏:冲洗进行水位检测探头或更换。蒸汽管用70-90...1、水...
前辈们!可不可以告诉我!!哪里找消防 水箱 安装电话,消防 水箱 ...[回答]机电工程包括电气工程技术、自动控制与仪表、给排水、机械设备安装、容器的安装、供热通风与空调工程、建筑智能化工程、消防工程、设备及管道防腐...
电蒸汽发生器水位过高怎么处理?电加热蒸汽发生器水位报警有以下几点:1)进水不顺畅,水箱结垢严重:检查进水阀的隔离网,清理渣子;清洗一下水箱,把水垢清洗掉。2)水位探针结垢或损坏::清...
自动空调是嵌入式计算机吗?算不上自动空调大部分是单片机,还算不上是嵌入式计算机。汽车自动空调基本结构及原理汽车自动空调系统由制冷系统,取暖系统、通风(配气)系统、自动控制系统...
热能回收机原理是什么[回答]本实用新型涉及一种空压机热能回收机控制器,在循环水箱的高、中、低位分别安装检测电极,单片机P1.0口接水位检测电路的NE555时基电路的输出端,NE555...
