我的大学六年-郭天祥
在哈尔滨工程大学五年,我在学校电子创新实验室呆了四年,这四年里创新实验室给我提供了良好的学习环境和完善的实验设备;在这里与众多电子爱好者的交流中,使我学到了更多的专业知识;在学校老师们的教导下,让我学会了如何做一名合格的大学生。因此,在这里我要感谢哈尔滨工程大学的历任领导,我今天成绩的取得得益于他们不断完善的教育体制;衷心地感谢曾经教导过我的刁鸣教授、付永庆教授、王松武教授,没有他们对我的培养,也就没有我的今天。
同时我也希望能有更多的电子爱好者加入创新实验室,在完善自我的同时,在电子行业做出更突出的业绩。
2007年,我以全新的教学方式推出了一套讲述51单片机的教学视频课程——“十天学会单片机”(就是我们现在在看的那套视频),该视频自从网上发布后,得到了电子爱好者的一致好评,诸多的单片机初学者通过这套视频走上了单片机开发之路。有很多学员来信或打电话希望我能够将视频中的内容著书出版,让更多的人受益。为此,从2007年9月至2008年7月,我用了近十个月的时间将书《新概念51单片机C语言教程-入门、提高、开发、拓展全攻略》写完。
本书的写作风格与我在教学视频中的讲课风格相似,它与传统讲授单片机的书籍完全不同,我以学单片机“过来人”的思路,抱着如何才能更容易掌握单片机的态度,理论与实践完全结合的方式清晰地讲解了单片机部分。其余大部分内容为我多年做项目的经验积累,也有部分内容来自于网络电子高手们的精华总结,应当说,在本书中有太多的知识是大家平时在书本上所学不到的。
在这里,先将我在大学期间的学习和生活经历与大家分享,借此鼓舞大家珍惜大学时光,多学习文化知识,开创更加美好的明天。 写这篇文章的时候,我正处于硕士研究生毕业论文的准备阶段,眼睁睁看着我的大学生活即将画上句号,再看看身边有很多低年级的学生们一天天把时间白白荒费掉,我在心里替他们惋惜,在即将结束我的大学生活之际,我将我的大学几年的有意义的生活与大家分享,看过这篇文章后也许能让那些有梦想的同学为了实现自己的人生目标少走些弯路,大家要相信,大学校园——将为你提供一生最好的学习环境。 我高中毕业于新疆伊宁市三中,2002年考入哈尔滨工程大学信息与通信工程学院电子信息工程专业,2006年以创新人才免试保送哈尔滨工程大学硕士研究生,现在已经是我在学校的最后一个学期了。记得我刚入校的时候对电子知识一点也不懂,之前我比较喜欢经商,想着好好努力,将来开个公司,做做生意,所以第一志愿报了经济管理学院,结果没被经管学院录取,而被调剂到信通学院,现在想来也算是走对了。在上大学之前,我的梦想是上大学后,一定要当班长,一定要当学生会的干部。所以我从上大一就开始加入学校的学生会,非常积极地竞选班干部,后来也如了我的愿,班长也当了,学生会干部也做了不少。因为刚上大一的时候根本不知道大学里具体要学什么知识,每天就是上课,那时一节课也不敢逃,每天的生活就是去上课、吃饭、打球和踢球,然后回宿舍瞎侃,上床睡觉。周末时,找几个同学逛逛街什么的,每周都重复着同样的生活,日子过得平平谈谈,但那时也不觉得在虚度,可能还带着刚离开高中校园的那种兴奋,认为理想中的大学生活就是如此吧。
大一的一年就这样糊里湖涂过去了,接着就大二了,大二上学期除了在学生会的职位高了点外,其余和大一时也没什么区别,没有特别的事情发生过,偶尔逃逃不点名的公共课,天天照旧打篮球、踢足球。在大二下学期开学不久的某一天,我静静地的思考了很久,我想起了我曾经有过的梦想、我追求的人生、我向往的生活,想想如果再这样过完两年,我的将来会是什么样子?那天我觉悟了。我的专业是电子信息工程,那我必须在这方面学有所成,两年都快过去了,天天抱着课本啃,现在想想我的水平和高中时一样,我学的是电子专业,从初中就开始学电阻了,到现在都六七年了,至今我连电阻长什么样都没见过,这样下去学的算是什么电子专业?
我想我不能再这样下去了,于是找了同宿舍的另一位同学赖世雄,我对他说:“我们一起参加学校的“五四杯”电子设计竞赛吧!”他欣然同意了,当时我俩真是对电子知识一无所知,根本不知道从哪里开始,于是我们就从电子杂志上随便找了个类似电话控制类的小作品,把杂志上原理图中所有的元件型号抄下来,然后我俩就去电子市场上买元件。第一次买电子元件,一点专业知识也没有,我们讲的好多东西卖元件的人都听不懂,闹了不少笑话,一个电阻被人家要了一毛钱,还说这东西真便宜啊!(实际上一个电阻还不到一分钱),最后买了一堆电阻、电容和三极管,加起来一共六七十元,回来就准备照着别人的原理图焊接,很显然,这种做法从一开始就已经注定结果必然是失败的。
无奈之下,我们跑去找当时教我们电路基础课的付永庆教授,我对给付老师说我们想学点真正的东西,但根本无从下手,能不能请付老师帮我们想想看做个什么东西?付老师是个很好的人,他当时正在构想从学校低年级学生中选出一部分爱动手、有上进心的学生作为创新型人才来培养,他看我俩有想法,就直接对我俩说:“你们俩可以到我的实验室里来,现在我正好带几个大四的学生做毕业设计,你俩先跟着他们学习学习吧!”。当时因为是付老师个人的实验室,所以电脑不够用,于是我俩就把自己的电脑搬进了实验室,从那天起,我真正踏上了电子设计这条路。付老师又给我俩介绍了一位正在做毕业设计的大四女同学,她叫黄光亚,她正在做一个两台计算机之间用激光通信的题目,我和赖世雄每天都去实验室看着黄光亚焊电路、写程序,那时看着真是一头雾水,感觉那些东西好神奇,在计算机上写上几句程序,按完回车,看见一道激光穿过眼前,然后在另一台电脑上就能看到整屏滚动的数据。大概跟着黄光亚前后忙了一个月,对黄光亚正在做的作品的硬件部分算是有了基本的了解,但计算机部分具体怎么实现的还是不明白。
那时正好赶上2004年学校的“五四杯”电子设计竞赛,我们借黄光亚的作品申报了参赛资格。在比赛那天,我们就用仅懂些基本原理的一堆元件加两台电脑等待比赛评委的到来,当时评委们问你这是什么原理、信号怎么样调制、传输波特率多少、很多很多简单的专业问题。说实话,我们哪里知道啊!我那时连RS232电平是什么概念都不明白,评委们提的的专业名词我根本就没听说过,当时也就把我们懂的东西全说了,也不知道对应评委的哪个问题。那时学校“五四杯”电子竞赛的参赛作品比较少,评委看我们才大二,而且我们的作品又是一个较完整的系统,基本没什么工作上的漏洞,为了鼓励我们,最后还给我们发了个小奖。 “五四杯”结束后,赖世雄就从实验室把他的电脑搬回宿舍了,很可惜,他放弃了继续走这条路。我的电脑一直放在付老师的实验室。说到这里还要讲一点儿关于我买电脑的小插曲,大二上学期时,我的很多同学们都买了电脑,于是我也跟着买了,当时不知道买来电脑后具体要学什么东西,我的同学们买来电脑后,大部分时间在玩游戏、聊QQ,有的同学可以从早上一直聊到晚上,玩游戏的同学可以从早玩到晚,我同学建议我玩“传奇”游戏,说很有意思,他帮我注册了账号,游戏里一个动画人物拿着一把大刀不停地砍野猪、野鹿什么乱七八糟的所谓怪物,他砍了几刀就把一头野猪砍死了,然后他说:“你看长经验了吧,多有意思,你来玩!”,我接过鼠标砍了三刀,我想破脑子也想不出他说的有意思是指什么,然后我说:“实在是无聊!”,那天起开始了我的游戏生涯,三刀后也结束了我的游戏生涯,我觉得网络游戏实在是没有意思。我更不喜欢聊QQ,可是这电脑都买了,不能一点用处都没有吧,当时那个时候,真的不知道电脑能“玩”什么和我们专业有关的东西,那些天我每天用电脑做的最多的工作就是把文件从一个分区拷到另一个分区,把一些不用的文件删除,甚至把C盘下能删的文件都删了,最后导致系统无法启动还问为什么?(过了几个月我发现除了复制和粘贴功能我用得非常熟练外,其他我好像还是什么也没学会。再后来就去书店买了些制作Flash动画和制作照片的Photoshop之类的书,回来后天天学那些没用的东西。现在想来真的是太可惜了,那时真是浪费了大把大把的时间电脑真的是可以学很多很多东西的,对于我们专业来讲,学单片机需要学C语言,学Keil、WAVE、IAR、ICC、MPLAB软件的使用,学汇编语言;在用到电脑界面编程时,需要学C++、VC++、VB语言等;用CPLD/FPGA/SOPC时,需要学VHDL(也是一门语言,但它是专门用来描述硬件的,我们数字逻辑课本上有这方面的扩展,有兴趣可以去看看)和Verlog语言,学这些语言时,可以学Maxplus、Quartus软件的使用;当用到仿真时,可以学Protues、Multisim软件的使用;设计电路板时,可以学Protel、AltiumDesigner、PowerPCB软件的使用等;还可以学DSP用的CCS软件、ARM用的ADS、STD软件等,所有上面我提到的这些,全都依赖于计算机系统。在今天看来,我是全部掌握了,然而这是后来我所付出巨大的代价才换来的,如果我能利用好大一大二那些大好时光的话,我相信今天的我又会是另一番模样。 接上面话题,赖世雄搬走后,付老师给了我他实验室的钥匙,从那天起,实验室便成了我的另一个家。当时那个实验室只有我一个人学硬件,也只有我一个本科生,其他的硕士、博士研究生主要研究理论,所以很少有做硬件的,那时我分不清电解电容的正负极性,我拿着一个电解电容问了实验室的好几个人,结果他们也不知道,更有人说这是什么东西,我从来没见过。这件事很令我震惊,难道这就是电子专业读了四年本科,又读了几年硕士研究生的高水平大学生吗?现在大学毕业生的工作确实不好找,那不能怪别人,只是因为你确实没有别人需要你的理由。偶尔听前届的学长们说到,作为信通学院的学生,如果学会了单片机、C语言、DSP那你的前途必定是一片光明。
于是我开始学习单片机,当时苦于没有硬件实验环境,身边又没有会的人请教,于是我就上网找资料,看见网上有卖单片机学习板的,那时价格都挺贵的,但我还是狠下心买了一块三百多块钱的单片机学习板,寄回来后我就开始做练习,之前也看过几遍书,可发现光看书没有任何效果,看上十遍、二十遍,感觉是学会单片机了,可当要应用到硬件系统中时,发现其实我什么也不会。后来我就边做实验边查书,这样就理解得很透彻了,就是从那时起我每天早上八点之前就到实验室了,除了选上部分课外,其他时间都泡在实验室里,一直到晚上十点多看楼的大爷用脚踹着实验室的门叫我走我才离开实验室。那时每天就摆弄单片机,没有人教我,全是我自己一个人摸索,而且当时学的是非常难懂的汇编语言。记得大一时也学过C语言,可我发现等要用的时候我什么也不会,根本和单片机联系不起来,就和没学一样,我只好选择汇编语言,大概一个月后,也就是快放暑假时,我做出来了自己的第一个单片机作品,一个电子钟。
有人说你要是用单片机做出一个电子钟,那你基本上已经掌握单片机的80%了。这句话有道理,电子钟对编程的综合性要求还是相当高的。
那时,我对单片机已经有了初步的掌握,假期的时候我报名参加了2004年黑龙江省大学生电子设计大赛,那天起我搬进了学校的电子创新实验室,我们选的题目是无线数据通信,当时指导老师让我们用FPGA做,其中还要用到VC编程及C++语言,我那时还不懂什么是FPGA,于是我开始拼命地学这些知识,每天吃饭都在实验室。省赛不同国赛,省赛是把题目先发下来,两个月后交作品就行,其实学FPGA/CPLD也和学单片机一样,关键是自己动手写程序实践,不停地写程序,然后看程序运行的效果,这两个月里我把VHDL语言搞得很熟练,但是VC还差了一点。我们队一共三个人,除我之外还有路智超(做模拟电路部分)和魏旭东(上位机VC程序),魏旭东是我校理学院的,VC学得相当好,他的VC编程也全是自已业余学的。魏旭东编程时,我就在旁边看,他耐心地给我解释每一行每一句,等空闲时我自己再练,那段时间我对VC有了初步的了解。比赛结果很好,我们获得了黑龙江省一等奖,这也是我的第二次获奖,这次获奖给了我很大的鼓舞,接下来我发现必须要学单片机C语言编程了,汇编编程非常烦琐,一个全面的人才不能只将知识局限于某一方面。 从大三开始学校里有各种电子设计竞赛,我总是积极报名参加,为自己寻找锻炼的机会,我为此放弃了我最喜欢的篮球、足球运动,再没有逛过一次街,每天早上起床、洗脸、刷牙,然后就拿着书去实验室,白天在实验室写程序、调电路,做各种硬件练习,晚上回来补充理论知识,模电、数电、高频一遍一遍地重复看,每晚差不多两点睡觉,充分地把实践与理论结合在了一起,那时我才发现大学里的理论知识同样是那么重要,而原来根本没有意识到。孤立地学习理论,不把它们与要应用的领域结合在一起,就失去了学习它的意义;如果只为了参加期末考试,等考完试的第二周也许就已经忘得干干净净了,如果这样学习,那只能说我们学错了方向。如果一个人的模拟电路、数字电路和高频电子线路的基础不好,那么他可能设计不出什么好的电路, 我们在做硬件实践的同时再来看书中的理论知识,这样的结合是最好的。这种单调的生活我天天重复着大概过了一年,无数次实验失败时内心涌起的烦燥被我执着追求知识的欲望一次次抑制住;无数次胜利的经验告诉我,唯有坚持不懈、永不放弃才会取得最终的胜利。在这一年期间,我陆续参加了一些国家级及校里的竞赛,同时也获得了不少奖项。 大三下学期,我基本上在学习单片机C语言编程,进一步熟练VC、C++语言。等真正学会用C语言给单片机编程时,那时才将单片机用得得心应手。回想过去,学汇编语言花费了我大量的时间,假如当初有人指点我学单片机的C语言编程那该有多好,至少可以少走很多弯路。很多人说,学单片机最好先学汇编语言,以我的经验告诉大家,绝对没有这个必要,初学者一开始就直接用C语言为单片机编程,既省时间,学起来又容易,进步速度会很快。在刚开始学单片机的时候,千万不要为了解单片机内部结构而浪费时间,这样只能打击你的信心,当你学会编程后,自然一步步就掌握其内部结构了。大三暑期时,我为每两年一届的“索尼杯”全国大学生电子设计竞赛做准备, 大赛时我们选择的题目是“集成运放参数测量仪”,题目是自己队员商量后选择的,我们代表队有三名成员,说实话,对于这个题目我当时心里还真没底,大家研究了两个小时,感觉不应该选这个题目,可惜题目已定,不能更换,大赛只有四天三夜的时间,第一天的早上八点知道题目,要求第四天的晚上八点交作品,所以每一分钟都是非常宝贵的,既然题目都选了不管有多大的难度都要坚持到底。我校计算机系的于振南主要负责写软件,他对硬件也很熟悉,完全是凭兴趣自学的,他的工作态度和吃苦精神当时给我留下了很深的印象。那四天三夜里我们没有睡过觉,尤其是于振南,他几乎是一直坐在电脑前写软件,差不多有几十个小时没有睡一分钟,他什么时候吃的饭我都没看见,最后我看他眼睛一直在流眼泪,当然不是哭了,那是看电脑屏幕看的。因为工作量非常大,要做硬件,写软件,绘制整个系统的电路图,还要写几万字的论文,都要在这四天三夜里完成。当时我们队三个人的个人能力都比较强,可能是以前大家没在一起合作过,所以到真正合作做作品的时候还不是很默契。电路焊了一套又一套,结果都不理想。我们的作品最终在联调时失败了,每个人负责的功能能够独立实现,可联在一起就不能工作了,而评委要看的就是你的整体功能实现,不会看部分的。这次比赛我们以失败告终。以后大家如果有机会组队参加比赛要注意如下三点:①选题最关键,一定要选你们比较熟的,队里有一两个比较熟也行,但如果三个人都不会那一定要换题。②题目选定后,首先以实现基本功能为主开始做题,如果基本功能你都能做成功了,那你应该能得全国二等奖了,因为在这么短的时间里大部分队根本是什么也做不出来的,如果发挥部分再能做出一部分就可以向全国一等奖进军了,我们队失败的另一原因就是我们直接开始做发挥部分的题目,而忽略了基本部分。③组队的安排,一定要找大家熟悉的人,最好在一起合作过,分工要明确,不要无头绪地各干各的,最后要做什么大家都不明白。 参加完这次比赛后,我承接了一个开发项目,我找了于振南合作,我设计硬件,于振南写软件,我俩很快就把项目做完了,这也算是我们用所学的专业知识淘的第一桶金吧,获得的报酬足够支付我俩两年的学费了。在学习更多电子技术知识的同时,我和于振南共同合作开发了几个项目,一点点积累着经验。 大四了,已经习惯了的生活和大三没有多大的变化,和我第一次参加“五四杯”的赖世雄同学每天都在忙着复习考研,最终也考上了他理想的学校。我不想再读书了,想着早点毕业出去工作。快十月份时,我们学院电工电子基地的王松武老师告诉我,北京某个电子公司每年在我们学校招两三个学生,要求动手能力较强的,最好参加过一些国家级的竞赛获过奖的同学,那边公司待遇很不错,王老师推荐了我,我谢过王老师准备参加该单位十月三号来学校进行的面试。我正准备面试呢,十月二号学校贴出通告,我被免试保送我校的研究生了,当时很高兴,学校有制度,学生有某方面的特长,多次获级别较高国家奖项的可以推荐免试读研究生,保送读研究生不交学费,不用考试,而且享有硕博连读的优先资格。当时值得庆幸的是,我的综合成绩平均分70多分,也就是刚够分数线,若再低一点点恐怕我也无缘这等好事了。我从内心感谢哈尔滨工程大学的领导、感谢哈尔滨工程大学的教育体制。 大四上学期一学期我基本上都在为2005年的“枭龙杯”中国空中机器人大赛备赛,这次于振南也参加了,我主要负责飞机的自动驾驶仪,另外协助于振南一起写地面站操作平台。这次比赛涉及的知识领域非常广泛,主要包括同时刻四通道无线通信(遥控器、远程无线数据传输、远程微波图像传输、GPS信号传输)、单片机技术、计算机控制、应用软件、图像捕捉、图像识别、惯性导航、飞行器制造等技术。这次比赛我全身心投入,在调试飞机的近六个月的时间里,差不多天天早出晚归。功夫不负有心人,我校设计的无人机实现了全程无人控制全自主的自动起飞、自动巡航、自动识别静态/动态目标、自动着陆动作,开辟了我国无人机全自主飞行的先河。最终我校代表队战胜清华等多所名校,获得了全国亚军。 大四的寒假,那时我对单片机的掌握已经很熟练了,想着应该用学会的知识来开发些产品了,一来可以解决生活费用上的开销,二来正好也可以圆我经商做生意的梦。想着很多曾经和我一样的单片机初学者可能会购买学习板,于是决定开发单片机学习板,2月份做出第一个样板,3月份做出第2版,4底建立个人网站“天祥电子” http://www.txmcu.com/,在经过3个月共改进了7版后,最终定型TX-1C单片机学习板为最终产品。4月份中央电视台“我的太阳”摄制组来到我校特别为我拍摄了专题片“我的太阳——创新360之郭天祥”,该片以我参加2005“枭龙杯”中国空中机器人大赛为背景,讲述了我在哈尔滨工程大学几年的创新学习生活,5月7日在中央电视台教育一台播出,同时我远在新疆的家人在电视里看见了已经离开家乡几年的我,这也是我生平第一次上中央电视台的专题节目。 从大四下学期开始,我一边管理自己的网站,一边学习DSP(数字信号处理器),因为我清楚,在科技日新月异的今天,仅靠会一点单片机而在社会上立足是万万不行的(是啊,所以大家不能满足于仅仅对单片机的掌握),我必须充分利用在大学校园里的这几年时间,以最快的速度尽可能多地掌握各种电子技术知识,一旦出了校园,恐怕再也不会有太多的学习时间了。由于学校实验室里有DSP实验箱,这样学习起来就方便多了,一台DSP实验箱的价格都在七、八千甚至上万元,以个人能力购买还是很费劲的。学硬件主要就是做实验,写程序、下载程序、观察现象、认真思考、修改程序、再下载程序、再观察现象……如此重复,直到得到满意的现象结果,只要抓住这条思路,任何硬件都会在很短的时间内掌握。大四下学期,我的同学们都在为各自的本科毕业设计而忙碌,而我却在设计自己的DSP实验板,由于DSP实验板上使用的芯片大多为多引脚贴片封装的,所以至少要设计成4层的PCB板,那是我第一次画4层PCB板,用了近一个月才绘制完成,值得庆幸的是,板子做出来后完全正常,我又用了一个月将其调试完成。差不多在4个月的时间里,我完成了对DSP从认识到制板再到最后调试实验板通过的全过程。因为之前有单片机的基础,本科毕业设计对我来讲是非常容易的,在大多数同学花半年的时间去研究的时候,我从设计到完成用了不到10天的时间,而且在这10天里还帮了很多同学的忙。 转眼就到了本科毕业聚会了,大部分同学的大学生活就此画上了句号。我亲眼看着他们如何一步步地成就了自己的梦想,也亲眼看着他们如何一次次地重复着自己的生活,同时也亲眼看着他们如何一天天地堕落下去。从那天起,大家又将迎来各自的全新环境,在那里,也许有人庆幸、也许有人后悔,但无论怎样,自己的路自己选择,当然要自己走下去。 知识的海洋永无尽头,在路上的我不能停止,还没等到研究生开学,我已经为这2年半的时间制定了全面的计划。从假期开始,我就开始接触ARM(嵌入式系统)了,在我看来,如果不涉及ARM的操作系统,那么它的学习方法还是和单片机一样,在开始阶段,我就把它当成一块单片机来用,当然它的功能要比单片机强大得多。
(听网上一位高手说:现在很多人搞嵌入式,但他们所谓的“嵌入式”无非就是把arm7、arm9拿来作高级单片机用。是的,搞嵌入式,操作系统是必要的,不然我们怎么跟信工,自动化专业的抢饭碗?)半年后,我和同学宋宝森还有于振南三人共同承接了一个用三星ARM7做主控制器的工程项目,该项目所涉及的知识也非常之广,内容涵盖单片机系统、嵌入式ARM7、GPRS网络、Internet应用、图像采集、图像处理及远程传输、TCP/IP协议、移动通信技术、码分多址技术、网络数据解析、模拟电路、数字电路、高频电路、射频无线数据传输、工业传感器等技术。(嵌入式在网络方面的应用很广,这刚好切合我们的专业)在这个项目设计中,我发现,上面我提到的这些知识领域,没有几个是我大学专业所学到的,就算是学到了也没有几个是真正能应用到实际当中的,在高科技主导社会进步的今天,单纯掌握某一狭窄领域的知识是远远不够的,我们只有不断地学习,不断地应用,再学习,只有抱着这种态度才能让知识得到最大的发挥,让科技不断地进步。 2007年初,通过学校的科技创新立项,我申报了“远程无线可控潜水器”项目,最后以全校唯一特大重点项目获得批准,学校和院里都给予了全额资金的支持,在经过我和团队成员5个月的努力后,我们的作品终于试水成功。该作品获2007年学校“五四杯”一等奖,同年获得黑龙江省“挑战杯”大学生电子设计竞赛一等奖。至我离开学校时,该项目还在由团队其他成员进一步改进完善中。 在研一阶段,我利用两个寒暑期在学校举办了为期十天的单片机培训班,我以全新的授课方式,以初学者最容易快速入门的方法为学员讲解了51单片机的用法,我在课堂现场带领学员做实验,每天课后学员们自己再练习写程序,经过十天的强化训练,课程结束时,几乎所有的学员都能够独立编程操作51单片机的各个功能了。在同年的“索尼杯”全国大学生电子设计大赛中,我担任学校指导教师,在大赛现场我看到了许多曾经在我的课堂上听课的学员的身影,而且他们最终都取得了喜人的成绩,我由衷地感到欣慰。为了让更多的单片机初学者受益,我将授课过程全程录像,然后将其免费发布到网上,自该录像在网上发布后,得到了很多学员的高度赞扬,甚至有许多国外的留学生打来电话向我致谢。 2007年9月,我以实习生的身份到新疆新能源股份有限公司做硕士课题,当时与我同去的还有很多其他院校的本科毕业生,他们有与我同专业的,也有自动化专业的。我与几个老员工是公司仅有的能够独立开发项目并且真正懂硬件编程的人,我们拿着高薪,而且公司还把我们当成宝,其他新来的大学生们在夸奖我们能力的同时也叹息自己大学里到底学了什么,从无奈的语气中我看出了他们的悔恨,然而今天的他们在现实中又有什么办法呢?每周6个工作日、每天8小时、迟到扣工资、早退扣工资、请假扣工资……
这就是摆在他们面前不可改变的现实,每月等待那么一天的到来,而薄薄的信封里也仅仅够每个月的基本生活费。年轻的朋友们啊!同是从大学校园里走出的大学生,这就是差距,而且这只是差距的开始。在新疆新能源公司实习期间,在与公司技术员工的交流中,在产品一步步地改进完善中,我的专业知识得到进一步的升华,我深刻地认识到,仅仅死学书本上的理论而不与实际硬件结合进行实践,这样的理论没有用;仅仅在校园里的简单硬件实践而不与工业现场应用结合的实践,这样的实践是不成熟的。至2008年6月我离开公司,我为公司研发了一系列的太阳能充/放电控制器、太阳能路灯控制器和联通移动基站的太阳能电站充/放电控制器,并且得到了批量生产和应用。
大学生活是我们人生中最宝贵的经历,我们付出了四年光阴的代价,我们应该也必须为此有所收获。很多同学在大学校园里迷失了方向,不知道自己来到这里究竟是为了什么,单纯的认为毕业后找个好工作就万事大吉了,可你们是否想过,没有真正的本领如何能找到好工作?如何能为这个社会做出贡献?
更现实一些,没有一份好工作如何买房成家,建立起属于你自己的幸福快乐的家呢?真本事不是靠混日子混出来的,我们身边有很多机会可以发挥自己的能力,实现自己的理想,即使这些机会不是很明显地让我们看见,我们也应该努力地去争取。偶尔的娱乐是可以的,可是成宿在网络游戏中挥舞大刀的同学们,那里可以砍出你的未来吗?适当的运动也是应该的,可整天都泡在篮球场上的同学们,你觉得你还有希望成为第二个乔丹吗?哥们义气固然重要,可三天两头为朋友两肋插刀,你的肋骨够用吗?年轻人应该有更高的追求,你要为你的将来做好准备,外面的世界很精彩,外面的世界也很残酷,你活着的每一天都应该好好珍惜!
我的大学生活即将结束,这就是我大学的六年生活,有人认为我可能失去了很多东西,但我得到的却是无价的,这样的人生经历可能有很多人惋惜,然而这样的结果必然有很多人羡慕。为了追求我的梦想,我充分利用每一天每一秒,为了实现我的目标,我在知识的海洋里吸取每一点每一滴,我感觉到的是充实。只要你有技高别人的想法,你有出人头地的愿望,你能下得了做一件事情的决心,你有能坚持下去的毅力,只要你天天都在进步,用不了多久,你会发现一个全新的你将重新站立在大家面前。希望各位学弟学妹们珍惜你们拥有的,在大学里好好努力,四年时间过得飞快,当瞬间过后发现自己和刚入校时并没有太大的变化时,那时后悔恐怕真的晚了!
简要了解电动机结构原理
静止电机-变压器。
直流电机的特点:
直流发电机的电势波形较好,对电磁干扰的影响小。
直流电动机的调速范围宽广,调速特性平滑。
直流电动机过载能力较强,热动和制动转矩较大。
异步与同步的概念:所谓异步及同步是指电动机的转子转数与气隙中的旋转磁场的旋转方向及速度是否相同,相同即称为同步反之就是异步。
异步电机主要用作电动机,去拖动各种生产机械。
异步电动机的优点:结构简单、容易制造、价格低廉、运行可靠、坚固耐用、运行效率较高和具有适用的工作特征。
异步电动机的缺点:功率因数较差。异步电动机运行时,必须从电网里吸收落后性的无功功率,它的功率因数总是小于1。
直流电机原理应用:
直流电机的基本工作原理:
直流电机工作原理图
直流电机工作原理图,当电刷A、B接在电压为U的直流电源上时,若电刷A是正电位,B是负电位,在N极范围内的导体ab中的电流是从a流向b,在S极范围内的导体cd中的电流是从c流向d。载流导体在磁场中要受到电磁力的作用,因此,ab和cd两导体都要受到电磁力的作用。根据磁场方向和导体中的电流方向,利用电动机左手定则判断,ab边受力的方向是向左,而cd边则是向右。由于磁场是均匀的,导体中流过的又是相同的电流,所以,ab边和cd边所受电磁力的大小相等。这样,线圈上就受到了电磁力的作用而按逆时针方向转动了。当线圈转到磁极的中性面上时,线圈中的电流等于零,电磁力等于零,但是由于惯性的作用,线圈继续转动。线圈转过半周之后,虽然ab与cd的位置调换了,ab边转到S极范围内,cd边转到N极范围内,但是,由于换向片和电刷的作用,转到N极下的cd边中电流方向也变了,是从d流向c,在S极下的ab边中的电流则是从b流向a。因此,电磁力的方向仍然不变,线圈仍然受力按逆时针方向转动。可见,分别处在N、S极范围内的导体中的电流方向总是不变的,因此,线圈两个边的受力方向也不变,这样,线圈就可以按照受力方向不停的旋转了,通过齿轮或皮带等机构的传动,便可以带动其它工作机械。
从以上的分析可以看到,要使线圈按照一定的方向旋转,关键问题是当导体从一个磁极范围内转到另一个异性磁极范围内时(也就是导体经过中性面后),导体中电流的方向也要同时改变。换向器和电刷就是完成这个任务的装置。在直流电动机中,换向器和电刷把输入的直流电变为线圈中的交流电。可见,换向器和电刷是直流电机中不可缺少的关键性部件。
当然,在实际的直流电动机中,也不只有一个线圈,而是有许多个线圈牢固地嵌在转子铁芯槽中,当导体中通过电流、在磁场中因受力而转动,就带动整个转子旋转。这就是直流电动机的基本工作原理。
直流电机的参数
转矩:电动机得以旋转的力矩,单位为 kg·m 或N·m。
转矩系数:电动机所产生转矩的比例系数,一般表示每安培电枢电流所产生的转矩大小。
摩擦转矩:电刷、轴承、换向单元等因摩擦而引起的转矩损失。
启动转矩:电动机启动时所产生的旋转力矩。
转速:电动机旋转的速度,工程单位为r/min,即转每分,在国际单位制中为rad/s,即弧每秒。
电枢电阻:电枢内部的电阻,在有刷电动机里一般包括电刷与换向器之间的接触电阻,由于电阻中流过电流时会发热,因此总希望电枢电阻尽量小些。
电枢电感:因为电枢绕组是由金属线圈构成,必然存在电感,从改善电动机运行性能的角度来说,电枢电感越小越好。
电气时间常数:电枢电流从零开始达到稳定值的63.2%时所经历的时间。测定电气时间常数时,电动机应处于堵转状态并施加阶跃性质的驱动电压。电气时间常数工程上常常利用电枢绕组的电阻Ra和电感La求出:Te=La/Ra。
机械时间常数:电动机从启动到转速达到空载转速的63.2%时所经历的时间。测定机械时间常数时,电动机应处于空载运行状态并施加阶跃性质的阶跃电压。机械时间常数工程上常常利用电动机转子的转动惯量J和电枢电阻Ra以及电动机反电动势系数Ke、转矩系数Kt求出:Tm=(J×Ra)/(Ke×Kt)。
转动惯量:具有质量的物体维持其固有运动状态的一种性质。
反电动势系数:电动机旋转时,电枢绕组内部切割磁力线所感应的电动势相对于转速的比例系数,也称为发电系数或感应电动势系数。
功率密度:电动机每单位质量所能获得的输出功率值,功率密度越大,电动机的有效材料的利用率就越高。
转子:rotor ;定子:stator; 电枢:armature; 励磁:excitation。
三相异步电动机的结构:
三相鼠笼型异步电动机的外形图
主要部件的拆分图
定子是用来产生旋转磁场的。三相电动机的定子一般由外壳、定子铁心、定子绕组等部分组成。
(1)外壳:三相电动机外壳包括机座、端盖、轴承盖、接线盒及吊环等部件。
机座:铸铁或铸钢浇铸成型,它的作用是保护和固定三相电动机的定子绕组。中、小型三相电动机的机座还有两个端盖支承着转子,它是三相电动机机械结构的重要组成部分。通常,机座的外表要求散热性能好,所以一般都铸有散热片。
端盖:用铸铁或铸钢浇铸成型,它的作用是把转子固定在定子内腔中心,使转子能够在定子中均匀地旋转。
轴承盖:也是铸铁或铸钢浇铸成型的,它的作用是固定转子,使转子不能轴向移动,另外起存放润滑油和保护轴承的作用。
接线盒:一般是用铸铁浇铸,其作用是保护和固定绕组的引出线端子。
吊环:一般是用铸钢制造,安装在机座的上端,用来起吊、搬抬三相电动机。
(2)定子铁心
异步电动机定子铁心是电动机磁路的一部分,由0.35mm~0.5mm厚表面涂有绝缘漆的薄硅钢片叠压而成,如下图所示。由于硅钢片较薄而且片与片之间是绝缘的,所以减少了由于交变磁通通过而引起的铁心涡流损耗。铁心内圆有均匀分布的槽口,用来嵌放定子绕圈。
(3)定子绕组
定子绕组是三相电动机的电路部分,三相电动机有三相绕组,通入三相对称电流时,就会产生旋转磁场。三相绕组由三个彼此独立的绕组组成,且每个绕组又由若干线圈连接而成。每个绕组即为一相,每个绕组在空间相差120°电角度。线圈由绝缘铜导线或绝缘铝导线绕制。中、小型三相电动机多采用圆漆包线,大、中型三相电动机的定子线圈则用较大截面的绝缘扁铜线或扁铝线绕制后,再按一定规律嵌入定子铁心槽内。定子三相绕组的六个出线端都引至接线盒上,首端分别标为U1, V1, W1,末端分别标为U2,V2, W2。这六个出线端在接线盒里的排列如下图所示,可以接成星形或三角形。
(a)星形连接;(b)三角形连接
定子绕组的联结
定子绕组:是电路重要的组成部分定子绕组用绝缘的铜(或铝)导线绕成,嵌在定子槽内。
异步电动机的转子是由转子铁心、转子绕组和转轴组成的 。
1、转子铁心:是电动机磁路的一部分,它用0.5mm厚的硅钢片叠压而成。铁心固定在转轴或转子支架上,整个转子的外表呈圆柱形。
2、转子绕组:分为笼型和绕线型两类。
笼型转子:笼型绕组是一个自己短路的绕组。在转子的每个槽里放上一根导体,在铁心的两端用端环连接起来,形成一个短路的绕组。如果把转子铁心拿掉,则可看出,剩下来的绕组形状像个松鼠笼子,因此又叫鼠笼转子。导条的材料有用铜的,也有用铝的。
如果用的是铜料,就需要把事先做好的裸铜条插入转子铁心上的槽里,再用铜端环套在伸了两端的铜条上,最后焊在一起,如图(b)所示。如果用的是铸铝,就连同端环、风扇一次铸成,如图(c)所示 。笼型转子结构简单、制造方便、是一种经济、耐用的电机,所以应用极广。
其他部分包括端盖、风扇等。端盖除了起防护作用外,在端盖上还装有轴承,用以支撑转子轴。风扇则用来通风冷却电动机。三相异步电动机的定子与转子之间的空气隙,一般仅为0.2mm~1.5mm。气隙太大,电动机运行时的功率因数降低;气隙太小,使装配困难,运行不可靠,高次谐波磁场增强,从而使附加损耗增加以及使启动性能变差。
异步电机的工作原理:
三相交流电通入定子绕组后,便形成了一个旋转磁场,其转速:
旋转磁场的磁力线被转子导体切割,根据电磁感应原理,转子导体产生感应电动势。转子绕组是闭合的,则转子导体有电流流过。设旋转磁场按顺时针方向旋转,且某时刻为上为北极N下为南极S,如下图所示。根据右手定则,在上半部转子导体的电动势和电流方向由里向外,用⊙表示;在下半部则由外向里,用⊕表示。
原理:定子旋转磁场以速度n0切割转子导体感生电动势(发电机右手定则),在转子导体中形成电流,使导体受电磁力作用形成电磁转矩,推动转子以转速n顺n0方向旋转(电动机左手定则),并从轴上输出一定大小的机械功率。(n不能等于n0)。
特点:电动机内必须有一个以n0旋转的磁场。
-实现能量转换的前提;电动运行时n恒不等于n0(异步)。
-必要条件n<n0;建立转矩的电流由感应产生。
-感应名称的来源。
流过电流的转子导体在磁场中要受到电磁力作用,力F的方向可用左手定则确定,如上图所示。电磁力作用于转子导体上,对转轴形成电磁转矩,使转子按照旋转磁场的方向旋转起来,转速为n。
三相电动机的转子转速n始终不会加速到旋转磁场的转速n1。因为只有这样,转绕组与旋转磁场之间才会有相对运动而切割磁力线,转子绕组导体中才能产生感应电动势和电流,从而产生电磁转矩,使转子按照旋转磁场的方向继续旋转。由此可见
,且 ,是异步电动机工作的必要条件,“异步”的名称也由此而来。
异步电机旋转磁场的产生:
异步电机的旋转磁场:
空间相差 120°角的三相绕组,通入对称三相电流时,产生的是一对磁极的旋转磁场,当电流经过一个周期变化时,磁场也沿着顺时针方向旋转了一周(在空间旋转的角度为360°)。
改变旋转磁场的转向:
综上分析可以得出:改变流入三相绕组的电流相序,就能改变旋转磁场的转向;改变了旋转磁场的转向,也就改变了三相异步电动机的旋转方向。
直流电机的驱动:
用单片机控制直流电机时,需要加驱动电路,驱动电路要为直流电机提供足够大的驱动电流,使用不同的直流电机,其驱动电流就不同,要根据实际需求选择合适的驱动电路,通常有以下几种驱动电路:三极管电流放大驱动电路、电机专用驱动模块(如L298)、达林顿驱动器等。如果是驱动单个电机,并且电机的驱动电流不大的情况下,可自己用三极管搭驱动电路,不过这样要稍微麻烦些。如果电机所需要的驱动电流较大,可直接选用市场上现成的电机专用驱动模块,这种模块接口简单,操作方便,而且可为电机提供较大的驱动电流,不过它的价格要贵一些。如果是自己学习电机原理及电路驱动原理,建议大家可选用第三种方案,使用达林顿驱动器,它实际上就是一个集成芯片,单块芯片同时可驱动8个电机,每个电机由单片机的一个I/O口控制,当需要调节直流电机转速时,使单片机的相应I/O口输出不同占空比的PWM波形,在接下来的例程中我们就该驱动电路做介绍。在这之前首先介绍一下PWM波。
PWM波:PWM是英文Pulse Width Modulation(脉冲宽度调制)的缩写,按一定规律改变脉冲序列的脉冲宽度,以调节输出量和波形的一种调制方式,我们在控制系统中最常用的是矩形波PWM信号,在控制时需要调节PWM波的占空比。如图所示,占空比是指高电平持续的时间在一个周期时间内的百分比。控制电机的转速时,占空比越大,速度越快,如果全为高电平,即占空比为100%时,速度达到最快。
当用单片机I/O口输出PWM信号时,有三种方法可采用:
(1)可以利用软件延时,当高电平延时时间到时对I/O口电平取反变成低电平,然后再延时,当低电平延时时间到时再对该I/O口电平取反,如此循环就可得到PWM信号;
(2)利用定时器,控制方法同上,只是在这里利用单片机的定时器来定时进行高低电平的翻转,而不用软件延时;
(3)利用单片机自带的PWM控制器,STC12系列单片机自身带有PWM控制器,STC89系列单片机无此功能,其它型号的很多单片机也带有PWM控制器,比如PIC单片机、AVR单片机等。
直流电机与单片机的硬件连接
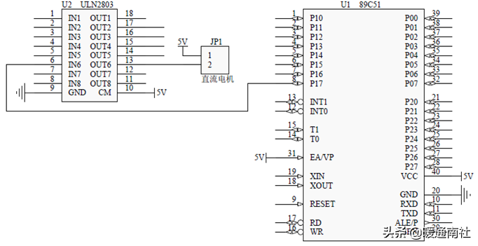
图8是使用TX-1C实验板做直流电机扩展实验时的硬件连接图,电机扩展板独立于TX-1C实验板,电机扩展板上使用5V直流电源,在做本实验时,两电源需要共地。电机扩展板上用一个达林顿反相驱动器ULN2803驱动电机,这里仅驱动一路电机,电机的一端接+5V电源,另一端接ULN2803的OUT6引脚,ULN2803的IN6引脚与单片机的P1.7相连,通过控制单片机的P1.7输出PWM信号就可控制直流电机的速度与启停。
直流电机和单片机连接原理图
实验所用直流电机实物图
直流电机参数,电压:2-6V,直径:24mm,高度:12mm.。
C语言程序实例:
电机铭牌数据:
要正确使用电动机,必须要看懂铭牌。今以Y132M-4型电动机为例,来说明铭牌上各个数据的意义。
此外,还有功率因数0.85,效率87%。
为了适应不同用途和不同工作环境的需要,电动机制成不同的系列,每种系列用各种型号表示。
型号说明:
电机铭牌数据-型号:
电机铭牌数据-接法:
电压:铭牌上所标的电压值是指电动机在额定运行时定子绕组上应加的线电压。
电流:铭牌上所标的电流值是指电动机在额定运行时定子绕组的线电流。
功率与效率:铭牌上所标的功率值是指电动机在额定运行时轴上输出的机械功率值。所谓效率就是输出功率与输入功率的比值。
功率因数:因为电动机是电感性负载,定子相电流比相电压滞后一个Φ角。cosΦ 就是功率因数。
转速:由于生产机械对转速的要求不同,需要生产不同磁极数的异步电动机,因此有不同的转速等级。最常用的是四磁极的(n0=1500r/min)。
绝缘等级:绝缘等级是按电动机绕组所用的绝缘材料在使用时容许的极限温度来分级的。所谓极限温度,是指电动机绝缘结构中最热点的最高容许温度。
防护等级:防护等级表示三相电动机外壳的防护等级,其中IP是防护等级标志符号,其后面的两位数字分别表示电机防固体和防水能力。数字越大,防护能力越强,如IP44中第一位数字“4”表示电机能防止直径或厚度大于1毫米的固体进入电机内壳。第二位数字“4”表示能承受任何方向的溅水。
本文来源于互联网,暖通南社整理编辑。
相关问答
STM32是什么啊,是32位的 单片机 吗 - 5UTewoX7wo 的回答 - 懂得STM32是ST公司推出的基于ARM-Cortex-M3内核的32位单片机。想了解这个系列的单片机,可以去百度百科搜'STM32'如果你从未入门,建议你学51系列的8位单...
51单片机 乘法指令MUL,求大虾?A就是累加器ACCB是B寄存器。这个执行完以后,B放结果高8位,A放结果低8位你的数据,执行以后A=56H,B=1CHBA=1C56HA就是累加器ACCB是B寄存器。这个执行完以后,B放...
一个 单片机 的乘法指令?单片机乘法指令是MULAB,只能是累加器A和寄存器B相乘,结果低八位存入A,高八位存入B。比如题中,A=4EH,B=5DH,A*B=1C56H,所以A=56H,B=1CH单片机乘法指令是MULAB,...
单片机 编程为什么要进行模块化编程 - 圈小姐的freestyle 的...以功能块为单位进行程序设计,实现其求解算法的方法称为模块化。模块化的目的是为了降低程序复杂度,使程序设计、调试和维护等操作简单化。模块化编...
A转换模块和显示模块四个部分.控制模块选用AT89S52 单片机 ...[回答]89s52thisarticletotherealizationofaprogramcombiningdac0832controlsinusoidalwaves,wavea...
求 51单片机 的音乐播放程序 实验仪器必须是 DP-51 proc-ZOL问答0x30,0x20,0x39,0x10,0x30,0x10,0x30,0x80,0x26,0x20,0x20,0x20,0x20,0x20,0x1c,0x20,0x20,0x80,0x2b,0x20...
ADDA,R0其中(A)=0C3H,(R0)=0AAH中CY,AC怎么求,_作业帮[回答]CY是最高位(D7位)向前的进位标志,AC是D3位向D4位的进位标志.0C3H+0AAH=11000011B+10101010B,注意这里两个数C3H和AAH前面的0是起到一个提示的作用,...
定时器在 单片机 中程序的运行过程 - yn4Wk5LPWx 的回答 - 懂得我觉得是这样的,单片机的定时器,它的计数过程是相当于电脑里面一个后台运行的东东一样。在计数时单片机同时在执行其他程序,计数周期就是单片机的一...
用c语言在 单片机 AT89 C51 编写音乐程序,求程序,求求你们了-ZOL问答电子书纽曼纽曼C51讨论回答(5)下面是一段个完整的程序,有两首歌曲编码...0x20,0x20,0x20,0x40,0x26,0x20,0x2b,0x20,0x30,0x20,0x30,...
单片机 中A=4EH,B=5DH,MULAB怎么计算的结果是AB= 1C 56H?怎么来...[最佳回答]列算式就可以知道怎么得到的了:01001110;A=4EH,01011101;B=5DH,------------------------;x;MULAB01001110000000000100...
