基于单片机的采集与处理北斗定位信息系统
史旭涛, 宫铭举,曹丽娜
(天津理工大学 计算机与通信工程学院,天津 300384)
摘要 :针对当代社会空巢老人的增多,突发意外时不能及时呼救的问题,设计了一款基于北斗定位系统的集应急报警与信息交互为一体的多功能报警器。该报警器采用双串口单片机为主处理器,以北斗定位模块为核心,结合GSM无线通信模块、液晶显示模块及蜂鸣器,实现快速报警并发送所在位置信息的功能。简述了硬件与软件的实施方案及定位信息采集原理,通过多方面对比北斗与GPS定位模块的速度与检测卫星数来比较二者性能,实验结果表明,该系统具有定位快速、可靠性与稳定性较高等特点。
随着社会的逐渐老龄化,当老人们外出发生意外时,周围人因不了解情况无法采取正确措施,家人因不知道事发地点无法及时营救,这已成为严重的社会问题,人们对老人呼救报警器的需求越来越高。现阶段报警器多为GSM呼救器[1],对定位应用较少。而作为空间基础设施的卫星定位系统,可应用于老年人遇险定位。我国自主研发北斗导航定位卫星系统(BDS)[2]具有全天候快速定位、无定位盲区、高度可靠与稳定等优越性,对我国在经济、国防建设、综合国力的提高起到了促进与推动作用,北斗定位系统将成为中国导航与定位系统的趋势[3]。
本文设计一种以STC双串口单片机为主处理器,以北斗定位模块为核心,集液晶显示模块、蜂鸣器、GSM无线通信模块为一体的多功能报警器。当老人或弱势群体发生意外时,按下报警按键,蜂鸣器响起,引起周围群众的注意,液晶屏上显示重要信息,如过敏史、药品位置与家人信息等,提醒援救人员采取正确措施。北斗定位模块将定位信息传给单片机,并通过GSM无线通信模块将定位信息发送到家人手机中,使伤者得到及时营救。相较于传统通用的GPS定位系统,本设计采用北斗定位系统,具有更好的抗干扰能力、更快的定位速度。
1系统总体设计
系统主要由双串口单片机、北斗定位UM220ⅢN模块、GSM无线通信SIM900A模块、液晶屏显示模块LCD12864和蜂鸣器组成,系统框图如图1所示。利用双串口的STC12C5A60S2单片机,一路将北斗定位模块接收的定位报文数据传送至单片机,通过单片机芯片内部预先编写好的程序对定位信息进行择优采集并解析,将其经纬度坐标转换成高斯平面坐标,最后将需要的解析完毕的信息由GSM无线通信模块SIM900A发送到预定手机号码中,用户便可得到报警人具体的地址信息。液晶显示模块负责显示报警人的重要信息,蜂鸣器引起周围群众的注意,实施救援。
2北斗定位信息格式与提取
北斗UN220Ⅲ模块上电后,会每隔一定时间返回一定格式的数据帧,因北斗定位模块采用NMEA0183传输协议[4],所以其数据格式与全球定位系统(GPS)[5]基本相同,其数据格式为:“$——信息类型,x,x,x,x,x,x,x,x,x,x,x,x,x,x”。每帧的起始字符都是“$”,紧接着为信息类型,而后是定位参数,各信息间均以逗号分隔。一帧完整的信息格式如下所示:
$GNRMC,123400000,A,4002217821,N,11618105743,E,0026,181631, 110415,,,*CS
以上数据帧表示的意义如下:GNRMC表示推荐最小定位;123 400000表示当前时间为12时34分00秒;A表示有效定位;4 002217 821表示纬度;N表示北纬;11 618105 743表示经度;E表示东经;0026表示速率;181631表示航向,指的是偏离正北的角度;110415表示日期;*为语句结束标识符;CS表示从$开始到*之间所有ASCII码进行异或得到的16进制数。
系统设计中对数据信息进行采集与解析是通过STC12C5A60S2单片机内设程序完成的,首先通过识别帧数据的启示字符ASCII码“$”来进行数据帧信息提取,再通过信息类型的判断来选择接收,识别正确后,再通过检索“,”来确定当前北斗模块所接收的定位参数,从中提取需要的定位信息,本系统仅提取与解析GNRMC中经纬度和时间等信息。
3系统的硬件设计
STC12C5A60S2单片机是一个具有超快速度、超强抗干扰能力、低功耗等优点的双串口单片机[6],本系统中串口1接收北斗定位模块的数据信息,并对其进行解析;串口2将解析完毕的坐标通过GSM无线通信模块发送到预定手机号码中。通过按键控制单片机P3~P7的高低电平,使蜂鸣器、液晶显示模块及北斗定位模块开始工作。
3.1北斗定位模块
北斗定位模块UM220ⅢN硬件原理如图2所示。
北斗定位采用的是UM220ⅢN模块,该模块基于双系统多频率高性能低功耗GNSS SoC芯片,该芯片可同时支持高达6路不同频率的卫星信号,涵盖北斗等4大导航系统的12个频点,可对抗数十个单音干扰,支持毫米测量精度。前段芯片采用RFIC,该芯片集成了低噪放(LNA)、混频器(MIXER)、中频放大和滤波器、数模转换器(ADC)、自动增益控制以及本振频率合成器等。综合两芯片,实现了通过外部天线对北斗定位数据的准确接收。
UM220ⅢN的串口(UART)1为主串口,支持数据传输,将串口1的TXD与单片机串口1的RXD连接,使接收的定位数据传送至单片机内。默认波特率为9 600 b/s。
3.2GMS无线通信模块
GSM无线通信模块SIM900A硬件原理框图如图3所示。
GSM模块采用SIMCOM公司的SIM900A模块[7],其内部设有存储器、基带信号、射频,它的工作频段为EGSM 900 MHz和DCS 1 800 MHz。SIM900A支持GPRS multislot class10/class8(可选)和GPRS编码格式CS1、CS2、CS3及CS4。其外围电路由天线(进行信号的网络注册)、串口UART(通过MAX3232芯片进行电平转化)、数据输入输出端(GPIO)、音频、电源接口、信号指示灯(LCD)和SIM卡槽组成,通过AT指令集进行短信的收发及语音通话等。
通过STC12C5A60S2双串口单片机进行供电,将单片机串口2的TXD与SIM900A模块的RXD相连,串口2的RXD与SIM900A的TXD相连,使GSM无线通信模块SIM900A与单片机相通,实现定位信息的发送。
4系统的软件设计
本系统的软件部分主要完成北斗定位信息的采集、单片机对定位信息提取与解析、定位信息通过GSM发送并通过液晶显示模块显示。上电后,首先对各个模块进行初始化,通过按键控制使蜂鸣器响起,液晶显示屏开始显示,与此同时北斗定位模块通过天线接收定位帧信息,接收正确后进入数据处理流程,单片机通过识别起始符“$”对定位信息类型GNRMC进行判断,若正确则进行该信息帧的接收与解析,否则继续进行数据接收,解析完成后将得到的高斯平面坐标发送给GSM模块,最终由GSM模块转发给相关用户。软件编程采用C语言,语法灵活,运行速度快,实行效率高。程序流程图如图4所示。
5北斗与GPS模块接收定位数据实验研究
在对北斗定位系统与GPS定位系统接收定位数据对比的实验研究中,北斗与GPS定位系统分别采用UM220ⅢN模块和UBLOXGPS模块,在多功能报警器的样机上进行实验。实验时间为5月份(夏季),地点在北纬N 3904′1927″,东经11 707′3184″附近,对时间的定时采用秒表计算,对卫星数的测量采用ucenter软件进行检测。
5.1不同时间段的实验研究
对于不同时间段的UM220ⅢN模块与UBLOXGPS模块的对比实验研究,一天中天气无明显差异(相对湿度平均为30%),结果如表1所示。
分析:测试结果显示,在无明显天气变化的一天中,午间与傍晚定位速度较快,夜间则较慢。总体来说,北斗UN220ⅢN要比UBLOXGPS定位时间快,检测卫星数多。反映出北斗的性能要优于GPS。
5.2不同天气的实验研究
对于不同天气情况的UM220ⅢN模块与UBLOXGPS模块的对比实验研究中,晴天的相对湿度为26%,小雨天的相对湿度为55%,阴天的相对湿度为43%,大风天的相对湿度为32%。结果如表2所示。
分析:测试结果显示,不同的天气情况对于信号与卫星的接收有较小的影响,对于UM220ⅢN来说,定位时间与检测卫星数有微小的变化,但对于UBLOXGPS来说,雨天对于定位时间有较大的影响,定位时间明显加长。总体对比来说,针对不同天气情况的外界因素,北斗模块具有较好的抗干扰能力。
5.3不同位置的实验研究
对于不同位置的UM220ⅢN模块与UBLOXGPS模块的对比实验研究中,对不同位置的实验所选时间一致,天气情况(或相对湿度28%)基本相同。结果如表3所示。
分析:根据测试结果显示,北斗定位UM220ⅢN模块和GPS 定位UBLOXGPS模块均在不同的地理位置对于信号接收速度与卫星检测数量上有较大影响,在室外空旷地带定位速度快,检测卫星数较多,而在楼道或室内则效果较差,随着位置地点的优化,定位时间随之减少,检测卫星数增加。
总结:不同时间、不同天气情况、不同地点都会对北斗与GPS的定位数据有一定的影响,而不同位置情况影响较为显著。但总体来说,北斗的UM220ⅢN对比与UBLOXGPS定位速度很快,检测卫星数较多,具有较好的调节作用。
6结论
本文采用单片机控制技术,设计实现了基于北斗卫星定位信息采集与处理终端接收北斗定位信息,通过GSM无线通信模块SIM900A发送地址信息和液晶屏显示重要信息的多功能报警器,并对其硬件与软件进行了深入讨论。该报警器简单、便捷,为广大的普通老年百姓独自出行发生意外提供了报警系统,保障生命安全。本系统以我国自主研发的北斗定位系统的UM220ⅢN为核心,通过实验研究中北斗定位UM220ⅢN模块与GPS定位UBLOXGPS模块在各个方面的对比,可以清晰地看出北斗定位系统具有更快的定位速度、更高的稳定性。
参考文献
[1] 吴青,仵博.基于TC35i的GSM报警器的设计与实现[J].微计算机信息,2009,25(2):306307.
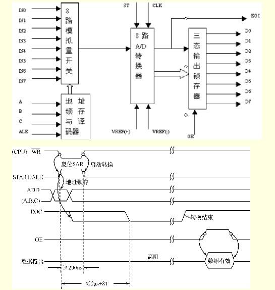
维修电工技师技能培训之单片机模拟量输入接口学习
学习内容:
1.常用模拟量输入信号转换电路设计;
2.AD0809芯片学习;
3.系统程序流程图绘制方法;
4.根据程序流程图编写C语言程序;
5.系统调试与检修。
学习任务:
利用89S52单片机作为控制核心实现对一系统的反馈电压信号采集:
1.技术要求:
(1)采用AD0809芯片搭建模数转换电路;
(2)系统反馈电压为0~10V的模拟量信号,利用运算放大器LM324将其转换为0~5V的电压信号作为模数转换信号;
(3)将采集的信号显示在LCD12864液晶上,显示数据对应的实际的物理量;
2.任务要求:
(1)根据装置和指导书测绘电路,作出详细的电路原理图;
(2)列出单片机I/O列表并写明信号去向和作用;
(3)根据要求绘制程序流程图;
(4)根据流程图编写C语言程序;
(5)系统调试,实现其技术要求。
学习准备:
2.设备与器材明细如下表所示。
学习过程:
1.信号转换电路认知
2.硬件实践学习
(1)实践者根据所学内容自行分析电路原理。
(2)学员自行查阅或者检索资料,结合完整电路图和实际硬件结构填写下表,
认知AD0809电路:
2.实践学习
(3)AD0809内部结构和工作时序
2.实践学习
2.实践学习
(7)信号测试,填入下表
请思考
(1)分析89S52单片机ALE管脚的作用和工作原理。
(2)分析74LS74电路在系统中作用,分析具体原理。
(3)流程图设计的注意事项是什么?
(4)单片机处理模拟量输入信号时,要满足那些要求?
实际操作;
利用89S52单片机作为控制核心实现对一系统的反馈电流信号采集:
1.技术要求:
(1)采用AD0809芯片搭建模数转换电路;
(2)系统反馈电流为4~20mA的模拟量信号,利用运算放大器LM324将其转换为1~5V的信号作
为模数转换信号;
(3)将采集的信号显示在LCD12864液晶上,显示数据对应的实际的物理量;
2.实训任务:
(1)根据实验装置绘制并改进电路,作出详细的电路原理图;
(2)列出单片机I/O列表并写明作用;
(3)根据AD0809芯片时序图编写C语言程序;
(4)系统调试,实现其技术要求。
(5)撰写实训任务书。
相关问答
16位 单片机 与ARM嵌入式系统的问题如何解决?[回答]如果有单片机基础或感觉自己实力强就选后者,否则就从前者学起,然后自学后者.后者是前者的深入学习.ARM也是单片机的一种,属于32位的了,不过可以实...
单板机 单片机 个人计算机有什么区别吗 - 不喝雪碧的可乐 的...后来,随着大规模集成电路(ic)的出现,可以把cpu、串口、DA、时钟等功能模块集成在一块芯片中,也就是现在说的单片机(singlechipunit/micro-control-u...
单板机 单片机 个人计算机有什么区别吗 - 139****0848 的回...后来,随着大规模集成电路(ic)的出现,可以把cpu、串口、DA、时钟等功能模块集成在一块芯片中,也就是现在说的单片机(singlechipunit/micro-control-u...
东北大学,西北大学,西南大学,东华大学,中北大学,江南大学,长安大学咋排?简介一点儿我所了解的东北大学秦皇岛分校,与大家分享:在所有985分校、由分校改名而来的校区、分校区、新建校区(非985校本部院系整体搬迁过去的)中,东北大...
信号与信息处理基本知识?(1)实时信号与信息处理主要研究内容:嵌入式操作系统的分析、DSP的开发和设计、信号控制技术。信号的采集、压缩编码、传输、交互和控制技术,流媒体技术以及多...
塔里木大学信息工程学院怎么样?设有哪些专业? 申请方[回答]~接下来我为大家简单介绍一下我们塔里木大学的信息工程学院开设的专业以及研究情况专业设置:计算机科学与技术、物联网工程、网络工程、通信工程、...
莆田学院信息工程学院怎么样?设有哪些专业? 申请方[回答]~接下来我为大家简单介绍一下我们莆田学院的信息工程学院开设的专业以及研究情况专业设置:电子信息工程、计算机科学与技术、通信工程、物联网工程...
河北省秦皇岛市有哪些高校?各高校有哪些特点?由分校自动化、测控、电气、机械、车辆等专业的学生组成的代表队在控制工程学院教师团队的指导下,综合运用机械制图、电子电路、自动控制、单片机、传感技术、计...
怎么用图表解释云计算、大数据、物联网、人工智能的关系?物联网是由无数的终端节点组成的网络物联网可用下图抽象而简单地描述1、终端节点网络可抽象为传感器网络和执行网络2、传感器网络是物联网应用中的终端节点产...
IT类技能,主要是包括哪些?应用,指搜集、存储、检索、分析、应用、评估使用各种信息,包括应用ERP、CRM、SCM等软件直接辅助决策,也包括利用其它决策分析模型或借助DW/DM等技术手段来进...
