用AT89C52单片机作为控制器,设计简单实用的步进电机控制系统
1 引言
作为工业领域广泛应用的控制电机,步进电机具有出色的开环性能,易于实现数字化、智能化控制。步进电机组成的控制系统具有结构简单、性能稳定、造价便宜等特点,在工业控制领域中得到了广泛的应用。单片机对步进电机的控制成本低、操作灵活,在步进电机的控制中得到了广泛的应用。本文以AT89C52单片机作为控制器设计一种新型的两相混合式步进电机的控制系统。
2 系统结构设计
控制系统主要由单片机、键盘、显示、驱动、PC上位机等5个模块组成,其中PC上位机用于编写及烧录程序。控制器通过相应的IO接口,将控制指令发送至驱动电路,可以控制步进电机的运行,完成系统的伺服控制。
控制系统可实现以下功能:(1)控制步进电机的启动和停止、运行方向、运行速度。(2)显示步进电机的运行状态、方向、转速。(3)通过软件实现细分控制。图1为控制系统总体结构图。
图1 控制系统总体结构图
3 系统硬件设计
3.1 单片机模块
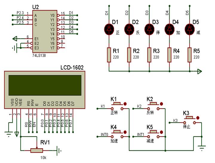
单片机模块主要由AT89C52单片机及外围滤波、电源管理、晶振和复位电路组成。AT89C52单片机具有8KB内存的可编程可擦除只读存储器,便于反复的进行程序的编写。电源管理电路提供的3.5V和5V电压分别给单片机、晶振、LED和控制电路供电。12MHZ的晶振给单片机提供时钟信号。单片机的串口用于和PC上位机的通信以及烧录软件程序。P1口控制驱动电路开关管的通断。P0和P2口控制LCD1602和LED组成的显示模块。P3口检测键盘信号及外部中断信号。
3.2 键盘及显示模块
控制系统设置了5位独立按键组成的键盘模块以及由LCD1602和5位LED组成的显示模块。通过键盘可以对步进电机进行正转、反转、加速、减速、停止功能的操作。步进电机运行时的状态信息可以通过显示模块直观的显示出来。图2为键盘及显示模块硬件原理图。
键盘模块的特点在于用单片机的两个外部中断来控制步进电机进行加、减速,即每引入一次外部中断,步进电机加/减速一次。正转、反转、停止按键分别由单片机的P3.0、P3.1、P3.4口引入。加速、减速按键分别由单片机的P3.2和P3.3口引入。
LCD1602的数据/命令选择端、读写选择端、使能信号分别接在单片机的P2.0、P2.1、P2.2口上,数据口接在单片机的P0口上。LCD1602可以显示步进电机的5种运行状态以及运行速度。5位LED通过74LS138接在单片机的P2.3—P2.5口上,5位LD分别用于表示步进电机的正转、反转、加速、减速、停止5种运行状态。
图2 键盘及显示模块硬件原理图
3.3 驱动模块
控制系统的电机驱动模块采用双极性驱动的方式。双极性驱动是指步进电机线圈中电流的流动方向不是单向的,即绕组中的电流有时沿某一方向流动,有时沿相反的方向流动。双极性驱动电路可以同时驱动四线式或六线式的两相混合式步进电机。
控制系统所选用的二相混合式步进电机工作时的额定电压为12V,绕组的阻值为1.5Ω,额定电流为8A。由于该步进电机工作时的电流较大,因此需要选择额定电流较大的功率开关管,否则步进电机工作时较大的工作电流产生的热效应极易烧毁开关管。功率开关管BUW49工作时的额定电压为80V,额定电流为30A,属于高电流型功率开关管,因此完全能够满足需要。
根据步进电机的工作原理,当控制电路给驱动电路发出相应的脉冲信号时,电机绕组的通电顺序为A+B+→A-B+→A-B-→A+B-,其4个状态按顺序进行循环,电机则正向转动。若相序变为A+B-→A-B-→A-B+→A+B+,电机则逆向转动。
因此,当单片机AT89C52的引脚P1.0至P1.7输出的脉冲时序依次为10011001→01101001→01100110→10010110时,控制各个开关管依次导通,产生相应的正向通电时序,从而驱动步进电机正向旋转。同样,当单片机的引脚输出的脉冲时序相反时,电机则反向旋转。图3为驱动电路硬件原理图。
图3 驱动电路硬件原理图
控制系统的硬件原理图由电子技术虚拟仿真软件Proteus 7.5进行仿真,仿真时两相混合式步进电机的参数按照控制系统所选用的步进电机实际参数设置。经过仿真得出该系统能够实现对步进电机的正/反转、停止、加/减速的控制,并且控制非常灵敏、工作可靠、不会出现误操作。
步进电机在运行时的运行状态、速度参数以及按键的操作状态能够以英文的形式非常直观的显示在LCD1602和5位LED上。通过分析仿真时虚拟示波器测出的A、B两相的绕组电压波形得知,步进电机在系统仿真运行的过程中具有良好的动态响应。图4为控制系统整体硬件原理图。
图4 控制系统整体硬件原理图
4 系统软件设计
4.1 步进电机工作方式
由于按双四拍方式工作时步进电机不容易失步,并且控制精度较高,因此步进电机采用双四拍的工作方式。这种工作方式每次都有两相绕组导通,两相绕组处在相同的电压之下,以A+B+→A-B+→A-B-→A+B-(或反向)方式导通。当A、B绕组完成一次通电循环以后,磁场旋转一周,转子则前进一个步距角。
4.2 运行方向控制
步进电机的运行方向由其内部绕组的通电顺序及通电方式决定。由于两相双四拍步进电机不容易失步,控制精度比较高,所以本文采用两相双四拍的工作方式对步进电机进行控制。
对于两相双四拍工作方式:
正向旋转:A+B+→A-B+→A-B-→A+B-反向旋转:A+B-→A-B-→A-B+→A+B+两相双四拍控制模型如表3.1所示。
表3.1 两相双四拍控制模型
4.3 运行速度控制
控制步进电机的运行速度,实际上是控制驱动脉冲的发出频率或换相周期。即在加速的过程中,使驱动脉冲的发出频率升高;在减速的过程中,使驱动脉冲的发出频率降低。对驱动脉冲频率的控制可以通过软件延时和硬件中断的方式来实现。
软件延时是指根据所需的延时时间常数编写一个延时子程序,当CPU执行延时子程序时,系统达到延时的目的。采用软件延时方式,CPU一直被占用,使得CPU的利用率降低。
可编程的硬件定时器可以对系统的时钟脉冲进行计数,计数值可以通过编程的方式设定。当计数到预定的脉冲数时,定时器产生中断信号,系统得到所需的延时时间。定时器延时可以提高CPU的利用率。
4.4 系统程序设计
系统程序设计的思想是:
(1)对单片机进行初始化:首先应该关中断,然后对用到的一些寄存器和功能模块进行初始化,最后再开中断,并且给定步进电机的速度初值和每次加速/减速时速度变化的幅值。(2)调入子程序:分块调入方向、速度、键盘、显示的子程序。速度控制程序写入外部中断程序中,这样可以在不改变运动方向的前提下改变速度的参数。(3)等待功能按键按下:采用查询方式编写按键程序,通过按键程序扫描等待功能按键的按下。(4)执行按键功能:当程序检测到有按键被按下后,执行相应的功能,并且显示步进电机对应的运行状态信息。图5为系统程序结构图。图5 系统程序结构图
5 实验验证
在实验中本系统选57HS56DF101TK-01混合式步进电机作为控制对象。该步进电机为两相四线步进电机,步距角为1.8°,额定电流为8A,静转矩为10Kg·cm。图6为控制系统实物图。
图6 控制系统实物图
实验时,测得电机绕组阻值Rs为1.5Ω,系统选择12V直流电源供电,符合步进电机的要求。图7为步进电机运行时A相的电压波形图。图8为步进电机的静态矩角特性曲线图。
图7 步进电机A相电压图
图8 步进电机矩角特性曲线图
实验结果说明,本控制系统在步进电机的运行过程中可以实现对步进电机的运行控制,改变步进电机的工作状态,控制精确,能够较好的满足工作要求。
6 结语
本文基于AT89C52单片机设计的两相混合式步进电机控制系统具有体积小、可靠性高、功能丰富、造价便宜等特点,适用范围广,具有很强的实用价值和经济价值。
(编自《电气技术》,原文标题为“基于AT89C52单片机的步进电机控制系统研究”,作者为何冲、王淑红 等。)
数码管驱动芯片怎么使用?
这是74HC245芯片,它常用于电路中增加控制器的驱动能力。 如图1。
图1 74HC254芯片
单片机等微控制器的引脚拉电流能力一般在20mA左右,想要直接点亮数码管、显示屏等大功率显示器件则明显不够,这时,我们用一颗74 HC245芯片来增加单片机引脚的驱动能力。如图2。
图2 74HC245用于增加驱动能力
这颗芯片的引脚拉电流能够达到73-83mA。它的引脚有三种输出状态:高电平、低电平和高阻态。同时,有八路输入与八路输出,他的工作电压范围是3至5V。如图3。
图3 74HC245的性能
下面我们来依次分析其引脚的功能,这是它的原理图,第2-9脚也就是a0至a7,是芯片的输入或输出,第18至第11脚也就是b0-b7是芯片的输出或输入。第1脚DIR为方向控制引脚,当该引脚为高电平时,信号由a端为输入,b端输出;电平为低时,信号由b端输入,a端输出。第19脚OE是芯片使能引脚,也就是当引脚电平为低时,芯片才有输出,否则则为高阻状态。最后两只第10、20引脚是芯片的电源引脚。如图4。
图4 芯片的引脚说明
这是一颗stc单片机在驱动数码管时,74HC245芯片的使用方法。第19引脚接地,使能芯片。方向控制引脚接VCC,则A端输入、B端输出。如果我们把这两只引脚接入单片机的IO端口,则可以通过单片机来控制74HC245的使能及输出方向。这是单片机的八个输出引脚,也是这颗芯片的八个输入引脚,这里各接一只下拉电阻,保证芯片在没有工作时电位被稳定钳位在低电平。芯片的输出引脚直接连接数码管,这里每条线路串接了一只100Ω的电阻,这个电阻起限流的作用,根据负载的不同,我们选取不同阻值的电阻来进行限流。如图5
图5 芯片的使用方法
相关问答
单片机引脚 连接方法?连接单片机引脚的方法取决于您使用的单片机和具体的应用场景。以下是一般的步骤和注意事项:1.确定引脚功能:首先,查阅单片机芯片的数据手册,了解每个引脚的...
单片机 给蜂鸣器的是什么信号?在单片机驱动蜂鸣器时,如果选用的是无源蜂鸣器,则单片机引脚输出的是方波脉冲频率,大约是1k赫兹左右,如果选用的是有源蜂鸣器,则单片机输出的信号是低电平。...
单片机引脚 的低电平高于1V,甚至快到2V了,怎么调低呢?估计是被你的外围电路把电压给抬高了,加一个下拉电阻试试或者加个隔离电路,将后面的电路隔离,避免后面电路影响前端补充回答;加下拉,高电平下来了,电路...
【 单片机引脚 为何接上拉电阻它的大小怎么计算啊】作业帮[最佳回答]上拉电阻下拉电阻的总结作者:佚名转贴自:网络点击数:68文章录入:admin上拉电阻:1、当TTL电路驱动COMS电路时,如果TTL电路输出的高电平低于COMS电...
单片机 的 引脚 的输出电压多大~-ZOL问答单片机的引脚电流一般为30~40ma单片机(Microcontrollers)是一种集成电路芯片,是采用超大规模集成电路技术把具有数据处理能力的中央处理器CPU、随机存储器RAM...
单片机驱动 交流接触器的方法[回答]在各种自动控制设备中,都存在一个低压的自动控制电路与高压电气电路的互相连接问题,一方面要使低压的电子电路的控制信号能够控制高压电气电路的执...
单片机引脚 电源怎么接?直接从单片机的40脚接到5V电源就可以了直接从单片机的40脚接到5V电源就可以了
单片机 主io扩展模块的作用?通过单片机IO控制扩展口,增加单片机IO口能控制的端口的数量。单片机(Microcontrollers)是一种集成电路芯片,是采用超大规模集成电路技术把具有数据处理能力的...
单片机 有多少PWM输出的 引脚 - 懂得不是哪,PWM简称脉宽调制,是利用微处理器的数字输出来对模拟电路进行控制的一种非常有效的技术。能够有PWM输出只是单片机的个别引脚,这些引脚能够配...
要 驱动 一个4*20点的段码lcd,通常会用哪种 单片机 直接 驱动 ?谢谢邀请,能直接驱动断码屏的单片机有很多,目前有使用过合泰系列,价格也较为便宜,比如常见的HT46R62,HT56R64,HT67F50等如上图所示的选型清单中,LCD部分...谢...
