基于九齐单片机开发的智能可视门铃方案
智能可视门铃是一款可以直接连接wifi的智能看家产品,现在很多家庭安装门铃都会选择智能可视门铃,因为它可以随时随地看到家门口,与门口访客进行双向可视通话,达到图像、语音双重识别从而增加安全可靠性。可视门铃是一种可以取代传统门铃的新型智能家居产品,广泛应用于高层住宅、公寓建筑、家庭信息传输和防盗门控制领域。芯岭小编为大家带来了一种基于单片机开发的智能可视门铃方案 ,下面是该可视门铃方案的相关知识说明。
一、智能可视门铃方案开发原理:
该智能可视门铃的基本结构主要由电源、电气控制锁、解码器、保护器、信号转换器和信号中继器组成。访客可以通过楼下单元前的主机轻松地呼叫居民并与他们交谈。居民在室内就可以控制单元门打开和关闭,社区主机可以随时接收居民报警信号,通知社区保安人员。该系统不仅加强了高层住宅的安全工作,而且极大地方便了居民,不再需要经常上下楼梯。
二、智能可视门铃方案功能介绍:
芯岭技术设计的智能可视门铃方案 ,主控芯片采用了九齐NY8A062D这款单片机,封装型号为16引脚sop,单片机工程师通过程序烧录,电路设计,功能模块搭建,测试调控好之后,最终可以实现如下功能:
(1)自动省电休眠保护,可外部唤醒工作;
(2)多种工作模式:单工、半双工、双工;
(3)2节1.5V干电池,安装简单方便;
(4)自适应调频技术,随机生成密码;
(5)自动拍照,图片自适应。
深圳市芯岭技术有限公司 是一家创新的物联网整体应用解决方案商,从事芯片代理、方案开发、物联网产品研发、生产、销售,同时为众多企业提供物联网应用解决方案服务。公司具备智能家电、智能家居、智能硬件、智能门店、智慧农业等物联网解决方案,公司一直致力于物联网技术及市场推进。
用51单片机制作一个门铃
51单片机应用实例
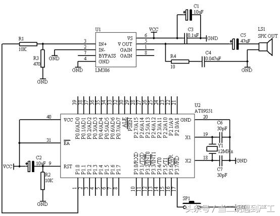
当按下开关SP1,AT89S51单片机产生“叮咚”声从P1.0端口输出到LM386,经过放大之后送入喇叭。
电路原理图
系统板上硬件连线
(1. 把“单片机系统”区域中的P1.0端口用导线连接到“音频放大模块”区域中的SPK IN端口上;
(2. 在“音频放大模块”区域中的SPK OUT端口上接上一个8欧或者是16欧的喇叭;
(3. 把“单片机系统”区域中的P3.7/RD端口用导线连接到“独立式键盘”区域中的SP1端口上;
程序设计方法
(1. 我们用单片机实定时/计数器T0来产生700HZ和500HZ的频率,根据定时/计数器T0,我们取定时250us,因此,700HZ的频率要经过3次250us的定时,而500HZ的频率要经过4次250us的定时。
(2. 在设计过程,只有当按下SP1之后,才启动T0开始工作,当T0工作完毕,回到最初状态。
(3. “叮”和“咚”声音各占用0.5秒,因此定时/计数器T0要完成0.5秒的定时,对于以250us为基准定时2000次才可以。
C语言源程序
#include <AT89X51.H>
unsigned char t5hz;
unsigned char t7hz;
unsigned int tcnt;
bit stop;
bit flag;
void main(void)
{
unsigned char i,j;
TMOD=0x02;
TH0=0x06;
TL0=0x06;
ET0=1;
EA=1;
while(1)
{
if(P3_7==0)
{
for(i=10;i>0;i--)
for(j=248;j>0;j--);
if(P3_7==0)
{
t5hz=0;
t7hz=0;
tcnt=0;
flag=0;
stop=0;
TR0=1;
while(stop==0);
}
}
}
}
void t0(void) interrupt 1 using 0
{
tcnt++;
if(tcnt==2000)
{
tcnt=0;
if(flag==0)
{
flag=~flag;
}
else
{
stop=1;
TR0=0;
}
}
if(flag==0)
{
t7hz++;
if(t7hz==3)
{
t7hz=0;
P1_0=~P1_0;
}
}
else
{
t5hz++;
if(t5hz==4)
{
t5hz=0;
P1_0=~P1_0;
}
}
}
相关问答
dnake可视 门铃 故障?...第二个故障,主机不能够正常的密码开锁。这个时候应该及时的检查自己输入的密码是否比较正确,或者是由于自己操作不当所造成的密码输入错误,有部分的楼宇对...
自己怎么制作蜂鸣器?如果声音质量要求不高,比如市面上那种生日贺卡发出的蜂鸣声,只有音高变化即可的话,用单片机就行了,把乐谱写成数组,写程序按照乐谱输出对应音高频率的方波给...
对讲 门铃 的电路原理与维修方法是什么?-设计本有问必答不能实现密码kaisuo1、检查输入密码是否正确;2、操作不正确:请仔细阅读说明书,看一下设置密码方法是否有误,或设置密码不成功;3、部份楼...不给...
哪个了解对讲 门铃 室内机坏了怎么办[回答]1.如果能确定是设备问题的话,则可以根据故障判断,无反应一般查,或者单片机芯片是否故障,其次通讯模块或者语音模块都要相应去查各个模块。2.不确定...
中国最大的mcu制造商?中颖电子是家电MCU市场的龙头企业。锂电池管理芯片和AMOLED显屏芯片是公司的增量业务。中颖电子本着专业专精的精神,专注于单片机(MCU)产品集成电路...锂...
可视对讲 门铃 维修常见故障方法是什么_住范儿家装官网发白或发黑A、检查CCD输出信号和传输过程;B、检查主机是否安装不合理,处于十分背光位置,调整摄像机视频角度,调整CCD前面光源;C、检查分机...六...
什么是高科技和低科技?高科技,就是给一个功能本来很单一,需求也很简单的瓶起子,加上统计喝过多少瓶酒的功能。不过具体怎么计数的,我们不是很清楚,也许有个按钮,开一瓶就按一下...
对讲 门铃 室内机使用方法是什么_门窗[回答]楼门平时总处于闭锁状态,无线摄像头避免非本楼人员在未经允许的情况下进入楼内,本楼内的住户可以用钥匙自由的出入大楼。当有客人来访时,客人在门铃...
楼道 门铃 维修方法有哪些?_住范儿家装官网一般在住户对讲和楼下单元对讲之间会接一个隔离器或者转换器,你将所有住户对讲线先拆除,接一个好的住户对讲测试,行的话,就是某户对讲故障影响到了;...
防盗对讲 门铃 如何修理_其他[回答]1如果能确定是设备问题的话,则可以根据故障判断,无反应一般查电源模块,或者单片机芯片是否故障,其次通讯模块或者语音模块都要相应去查各个模块。2...
