华维实战小项目:教你如何用51单片机驱动步进电机
前言
步进电机是一种无刷电机,可将电脉冲转换为机械旋转。顾名思义,它根据输入脉冲逐步旋转,是现代数字程序控制系统中的主要执行元件。
步进电机相比其他电机来说,一般具有5个比较明显的特征:
第一,可实现精细,正确的定位
第二,可通过脉冲信号简单控制
第三,体积小型,高转矩
第四,可自行保持停止位置
第五,可进行大惯性负载
广泛应用于工业、医疗、消费电子应用。简而言之,用于任何需要精确旋转或定位对象的地方。
在单片机领域应用比较广泛,在此和大家分享一个小项目。
-操作
步进电机内部线圈原理图:
步进电机通常具有多个励磁线圈(相)和一个带齿转子。电机的步长由相数和转子上的齿数决定。步长是转子一步的角位移。比如一个步进电机有 4 相 50 个齿,则转一圈需要 50×4=200 步。因此步距角为 360/200=1.8°。
本次使用的步进电机有 4 极和一个 1/64 减速齿轮机构,用于增加扭矩。电机的步距角为 5.64°。但在考虑减速齿轮,输出轴的步距角为5.64/64°。
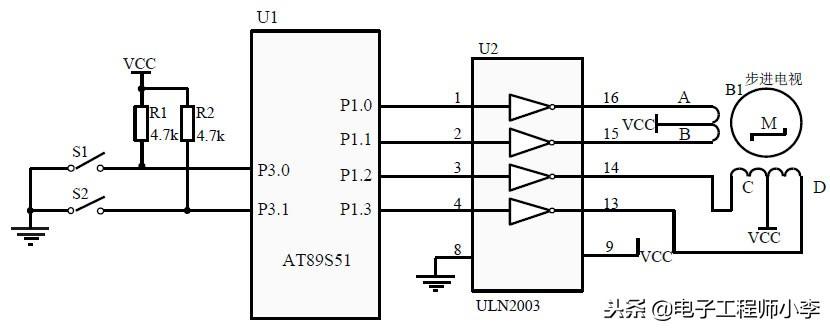
电路原理图:
将步进电机按照电路图连接到 8051 的P1.0、P1.1、P1.2 和 P1.3 引脚分别用于控制步进电机的 A1、A2、A3 和 A4 相。ULN2003 用于驱动步进电机的各个相位。
ULN2003 是一种达林顿晶体管阵列,用于驱动继电器和电机等大电流负载。ULN2003 有 8 个单独的通道,每个通道的容量为 1A,通道可以并联以增加电流容量。每个通道都配有单独的续流二极管,通道通过提供逻辑低电平来激活。例如,我们将 ULN2003 的引脚 1 设为低电平,则步进电机的 A1 接通。
程序设计
按照上图的引线顺序,按时序循环给A1、A2、A3、A4相应的控制。
程序首先将 P1.0 清零以启动步进电机(A1),此状态保持 65ms,然后设置 P1.0 为1以停用电机的第 1 相。然后对 P1.1 到 P1.3 重复相同的过程,并一遍又一遍地重复整个循环,使电机沿顺时针方向旋转。
将定时器 0 配置为模式 1,用于产生 65 毫秒的延迟。65ms 是每个控制脉冲的宽度。
结束
这个小项目非常简单,主要是电机控制在单片机项目中太常见了,很有必要掌握。希望通过这个分享能帮助到有需要的同学。
想要进阶单片机的同学,找我领取入门和进阶教程,加入我们,就可以与导师一对一互动,快速成长。
华维团队
专注单片机十年
物联网 丨 嵌入式 丨 单片机
单片机控制步进电机的应用实例
【例9-3】 采用1-2 相励磁法实现电机的正转控制。
单片机的I/O口驱动电流较小,一般无法直接驱动步进电机,图9-10采用ULN2003作为步进电机的驱动芯片,ULN2003工作电压高,工作电流大,灌电流可达500mA,并且能够在关状态时承受50V的电压,输出还可以在高负载电流并行运行。只需按表9-2(c)的8个步序向P1口发送数据,通过ULN2003的驱动,即可实现步进电机按1-2相励磁法正转运行。
图9-10 步进电机驱动控制电路图
C51程序如下:
提示
上面的delay( )程序可参考之前例子中的延时程序编写,这里不再重复。
利用相同的程序编写方式可以实现1相励磁和2相励磁的电机控制。
【例9-4】 步进电机的正反转控制
利用接在单片机P3.7口的开关对步进电机的正反转进行控制,当开关闭合时,步进电机正转运行,当开关断开时,步进电机反转运行。此处采用1相励磁法。步进电机正反转控制电路如图9-11所示。
图9-11 步进电机正反转控制电路图
C51程序如下:
【例9-5】 利用查表方式通过两组开关实现三种励磁状态的切换。
两组开关实现三种励磁状态切换的电路如图9-12所示。利用接在P3.0、P3.1口的两个开关的四种状态实现步进电机的1相励磁、2相励磁、1-2相励磁及停止状态的切换。开关实现步进电机运行状态切换如表9-3所示。
图9-12 两组开关实现三种励磁状态切换的电路图
表9-3 开关实现步进电机运行状态切换表
由于三种励磁状态每拍的状态均为已知,在软件设计中,可以将这些状态预先存储到3个数组当中,根据2组开关的状态去查询对应的数组即可实现步进电机励磁方式的切换。
C51程序如下:
相关问答
电机驱动 模块如何与 单片机 连接?电机驱动模块通常通过接口引脚与单片机连接,主要包括控制引脚(如PWM信号输入)、电源引脚(如VCC和GND)以及反馈引脚(如速度、电流反馈)。在连接时,需要确...
单片机 与 驱动 器的接法?公共正端------->单片机5V脉冲信号------->串个小电阻再接到单片机输出脉冲引脚方向信号------->串个小电阻下接到单片机输出方向引脚有上面3根线就可以控制步...
如何将 单片机 的输出5V 驱动 12V 电机 ?TB6560是一种很好用的驱动IC,对它的驱动要用TTL电平。STM32的工作电压是3.3V,直接驱动肯定不行,提议在TB6560的3个驱动信号中用74LS14过渡,74LS14用5V供电,...
单片机驱动 交流接触器的方法[回答]在各种自动控制设备中,都存在一个低压的自动控制电路与高压电气电路的互相连接问题,一方面要使低压的电子电路的控制信号能够控制高压电气电路的执...
伺服 电机 控制方法有哪些? 单片机 或 驱动 CPU原理?伺服电机也叫舵机。控制方法很简单不同占空比的pwm可以控制它正转反转。用单片机的引脚产生pwm接到电机的信号脚上即可。伺服电机也叫舵机。控制方法很简单...
单片机 是如何控制步进 电机 扎旋转的?结合按键程序,我们设计这样一个功能程序:按数字键1~9,控制电机转过1~9圈;配合上下键改变转动方向,按向上键后正向转1~9圈,向下键则反向转1~9圈...voidKe...
单片机 是怎么通过pwm波来控制 电机 运转的,工作原理是什么?在微观世界里,由于斩波的存在,电机并不是连续工作,而是一会有能量(工作),一会没有能量(停止工作)。工作的时候是按额定工作电压送电的,所以不会输出无...三、单...
请问这个步进 电机驱动 器可以直接接5V 单片机 io口控制吗?一般这样的步进电机使用12-24V直流控制的,其DIR,PULSE及EN信号可以使用单片机IO口直接驱动,但是为了单片机及电路的稳定性、抗干扰考虑,一般由单片机控制光耦...
atmega16 单片机 输出pwm 驱动电机 ?比如快速PWM方式,定点使用ICP寄存器,这时改变ICP的值,就改变了PWM频率,当然占空比也跟着变化了,需要你重新调整。Atmega16的OC1A和OC1B输出两路PWM的程序,...
如何提高 单片机 的 驱动 能力?如果用NPN的管子的话建议在单片机IO上加上拉电阻,或者干脆改成PNP的管子,比如9012或者8550,如果电机电流很大,就要用大功率的管子.上拉电阻就是一头接电源一...
