基于单片机和GSM的智能家居系统的设计
崔冰清,褚丽莉,杜仁鹏
(辽宁工业大学 电子与信息工程学院,辽宁 锦州 121001)
:介绍了单片机操作系统、C语言技术与GSM模块结合完成智能家居系统的设计与实现。该系统主要实现三大功能:监控室内温度、防盗和检测室内可燃气以及烟雾。首先通过3个传感器模块采集室内信息,例如温度、人体、可燃气与烟雾等,然后发送到以51系列单片机为核心控制器构建的数据采集终端上进行处理,若发生特殊情况,系统发出报警声,并通过GSM模块发送报警信息到远程接收端。仿真结果证明,该系统成本低,操作方便,并且达到了预期的稳定性和可靠性。
:单片机;C语言;传感器;GSM
:TP273文献标识码:ADOI: 10.19358/j.issn.1674-7720.2017.07.015
引用格式:崔冰清,褚丽莉,杜仁鹏.基于单片机和GSM的智能家居系统的设计[J].微型机与应用,2017,36(7):50-52.
0引言
智能家居的概念最早是美国在20世纪70年代提出来的。此后,在欧洲、新加坡、日本等发达国家和地区,智能家居这个概念被引入,并且势头越来越猛[1]。20世纪90年代末传入中国。随着中国综合国力的增强,人民生活水平的提高,住宅消费观念的不断进化,对于住宅的要求也相应提高,于是形成智能住宅及智能家居的概念[2]。
本文结合单片机接口技术以及C语言的相关知识设计了智能家居系统,目的是实现以下功能:当有人闯入住宅时,红外报警模块触发,报警指示灯亮,并通过蜂鸣器发出警报,通过GSM模块传到远程的手机接收端,从而通过远程接收端对智能家居系统进行控制;通过温度检测模块和烟雾传感器模块设置额定温度值以及额定的烟雾值,当温度以及烟雾超过额定值时,报警指示灯亮并通过蜂鸣器发出警报,然后通过GSM模块发送到远程手机接收端,并通过接收端进行控制。
1系统总体设计
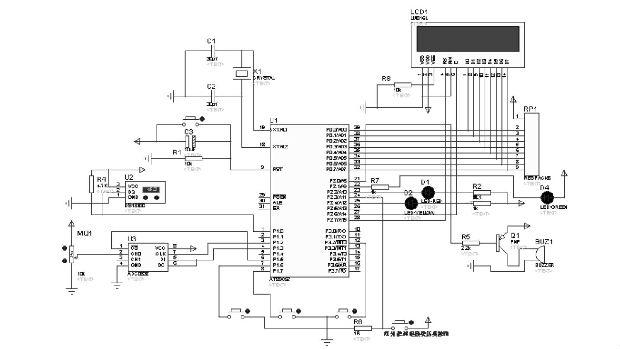
本文所设计的智能家居系统包括以下几个部分:温度检测模块、红外监控模块、烟雾传感器模块、LCD液晶显示模块、GSM模块等。本系统是基于安卓操作系统建立的远程控制平台,以51系列单片机为核心控制器构建数据采集终端[34]。按键电路控制系统的额定值,并模拟门的状态。蜂鸣器电路用以报警时发出警报,LED灯模拟报警时发出照明警报。室内环境监控系统是系统的重要组成部分,其作用就是对室内环境进行实时监测,并依据事先设定好的参数和控制规则对室内环境进行干预。它分为3个子系统:温度监控系统、红外感应报警系统、烟雾与可燃气报警系统[5]。温度监控系统将传感器采集到的温度数据传送给单片机,同时单片机将实际温度与设定的额定温度进行比较,如果实际值大于额定值,系统就会发出警报,并通过GSM模块发送到远程控制平台,通过接收端进行控制。红外传感器检测到有人非法进入时,触发报警。数据采集终端会将报警信息及时反馈到安卓监控平台进行控制。烟雾传感器的原理类似于温度传感器,传感器将采集到的烟雾值传送给单片机,并与实际设定值进行比较,若实际值大于额定值,系统发出警报,并通过GSM模块发送到远程控制平台,通过接收端进行控制。系统设计的总体框图如图1所示。
2硬件设计
系统采用Atmel公司生产的AT89C52作为系统的主控芯片,在其外围添加温度传感器、红外传感器、烟雾传感器、GSM模块等硬件设备,这些设备主要用于检测室内环境因素,当超过额定的设置值时,在液晶显示屏上显示当前值和额定值,并通过蜂鸣器报警以及GSM模块发送到远程接收端,当然,报警指示灯会亮。
2.1温度传感器模块
本系统温度传感器模块选用的是DS18B20。它采用单总线通信方式,其内部包含地址,非常适合于各种工业和民用场合的应用[6]。其测温范围是-55°~+125°;其分辨率用户可以自行选择,9~12 bit之间;内部也分别设置了温度的上限与下限的报警设置。除此之外,DS18B20的成本也比较廉价,适合推广。
2.2烟雾传感器模块
烟雾与可燃气报警系统的作用是监测室内环境的气体成分,当监测到特定烟雾或者可燃气体时,系统立即发出警报。该系统检测到特定烟雾或者可燃气体时,会发出声光报警,并将报警信息反馈至远程监控平台[7]。
本系统选用MQ-2气体传感器模块作为前端数据采集器件。MQ-2的电路连接图如图2所示。
可以通过RV1上下两个箭头调节接收到的烟雾值。当调到大于或者等于设定的额定值时,系统就会发生警报。
2.3红外人体感应传感器
本系统采用的红外人体感应传感器模块是HC-SR501。该模块灵敏度高,可靠性强,广泛应用于各类自动感应电器设备,尤其是干电池供电的自动控制产品。
其硬件电路设计图如图3所示。
2.4GSM模块
GSM模块是一个类似于手机的通讯模块,集成了手机的若干功能于一块小电路板上,与手机部分功能一样,具备发短信、打电话的功能。它在很多领域中都有着广泛的应用。通过使用AT指令才能对GSM模块进行控制。模块可以与电脑RS232串口连接,也可以用单片机来进行控制。
本系统通过SIM800模块对温度、烟雾以及红外模块信号进行接收,将报警信号发送到用户接收端。其主要功能部分包括:(1)GSM基带;(2)GSM射频;(3)天线接口;(4)其他接口。
模块功能图如图4所示。
2.512864LCD液晶显示屏模块
由于LCD具有显示信息量大、能够实现良好人机交互的特性,所以得到了广泛的使用[8]。常见的液晶有字符型液晶和图形型液晶,由于字符型液晶只能显示字母和数字,不能显示汉字,所以在国内用得比较少。而图形型液晶在国内应用比较广泛,它可以显示汉字、图形等各种信息。其中12864LCD液晶显示电路如图5所示。
3软件程序设计
本次实验的仿真部分是在Proteus软件中进行的,相应的软件程序是在Keil C51中完成。在一般由单片机控图512864LCD液晶显示屏电路连接图制的系统中,主程序中某一部分是被系统反复执行的 。当然本系统也不例外,当单片机上电后,系统开始运行,从main函数中开始执行。在本系统的主函数中,主要完成一些外设的初始化,并根据用户对于按键的操作来控制外部信息的接收。本系统主要实现的功能有监控室内温度、检测室内烟雾以及可燃气、防盗等,并且通过GSM模块发送报警信息到远程终端。对于软件程序的编写,可以通过按键对单片机设计最小初始的最高温度和最低温度、额定的烟雾值以及红外感应等各方面的数值来达到设计的目的。下面是主程序的部分代码:
#include <reg52.h>
#include "lcd12864.c"
#include "key.c"
#include "ds18b20.h"
#include "gsm_model.c"
sbit buzzer=P1^5;//蜂鸣器
sbit mq_2=P1^4;//mq_2
#define buzzer_onbuzzer=0;
#define buzzer_off buzzer=1;
extern uchar temp_value;
uchar TxRxBuf[4]={0xff,0x00,0x00,0x00};
uchar high_temp=29;
uchar low_temp=2;
uchar temp_now=0;
uchar set_flag=0;
bit warn_flag=1;
ucharbuzzer_flag=0;
4仿真结果
为了验证系统的各项指标,对系统进行仿真,在仿真测试过程中,主要模拟测试了智能家居系统对室内环境,包括室内温度值、烟雾值以及是否有人闯入等方面的监测,并模拟报警。首先测试第一个功能:监控室内温度。设置初始的额定温度报警值最高为38°,最低为5°,通过温度传感器改变温度值,当温度达到或超过额定最高温度值或者等于或低于额定最低温度值时,LCD显示屏显示当前温度,报警指示灯亮,蜂鸣器工作,GSM模块发送报警信息到接收端。实验结果显示该功能可以正常工作。其次测试第二个功能:检测室内是否有烟雾以及可燃气,该功能与第一个功能类似。设置初始额定烟雾指数为25,给烟雾传感器一个烟雾值,当烟雾达到或超过额定烟雾指数时,LCD显示屏显示当前烟雾指数,蜂鸣器工作,报警指示灯变亮,GSM模块发送报警信息到远程终端。通过仿真
验证,该功能能正常工作。测试最后一个功能:防盗。当人体感应传感器检测到有人非法进入时,显示屏上入侵状态显示有,反之,则显示无。
5结论
本次设计采用了单片机作为中央处理器,各个传感器采集家居的内部环境因素,并通过GSM模块发送报警信息到接收端。各个硬件设备的互相有效协作,完成了智能家居的模拟。
参考文献
[1] 吕莉,罗杰.智能家居及其发展趋势[J].计算机与现代化,2007(11):18-20.
[2] 高小平.中国智能家居的现状及发展趋势[J].低压电器,2005(4):18-21.
[3] 王朝华,陈德艳,黄国宏,等.基于Android的智能家居系统的研究与实现[J].计算机技术与发展,2012,22(6):225-228.
[4] 李涛.基于Android的智能家居APP的设计与实现[D].苏州:苏州大学,2014.
[5] 花铁森.智能家居系统核心技术探讨[J].智能建筑电气技术,2009,3(1):92-98.
[6] 刘晓彤.嵌入式智能家居远程监控系统的设计与实现[D].北京:北京交通大学,2009.
[7] 崔若飞.基于ARM和GPRS智能家居监控系统的设计与研究[D].北京:北京交通大学,2009.
[8] 徐子豪,张腾飞.基于语音识别和无线传感网络的智能家居系统设计[J].计算机测量与控制,2012,20(1):180-182.
虎居商城分享基于单片机的智能家居防火防盗系统设计
随着现代电子通信技术的蓬勃发展以及经济水平的快速提高, 人们对家居安全和家居品质提出了越来越高的要求, 因此设计简单实用、功能强大的智能家居防火防盗系统意义重大. 本文基于 STC89C51单片机设计了一套智能家居防火防盗系统, 该系统能及时发出危险警报, 提醒用户迅速对突发情况采取有效措施, 从而及时有效地保证人身安全, 最大程度地降低财产损失.1 系统总体设计该系统由信号采集模块、数据处理模块、中心控制器 STC89C51、声光报警模块、环境数据显示模块和按键控制模块六个模块组成. 系统可根据收到的特定指令获取数据处理模块和传感器采集的信息, 此外, 系统自带的液晶屏能够准确地显示环境数据. 同时, 用户还可根据实际需要, 通过对独立按键设置警戒值进行布防、撤防等. 系统总体设计框图虎居商城
2 系统硬件设计系统硬件主要由信号采集、中心控制、信号处理、环境数据显示、外部功能管理及报警等六大部分组成. 利用传感器采集外部环境信号, 经过数据处理模块后传入 STC89C51 单片机, 从而实现对周围环境信息的识别与处理. 通过独立键盘预设警戒值, 使数据在液晶屏幕上得到显示. 系统硬件设计电路图虎居商城
2.1 信息采集部分利用 DS18B20 温度传感器(测温范围在 0~95 )) ℃ 、MQ-2 烟雾传感器和红外热释电传感器对温度、烟雾浓度等外部环境信号进行采集 , 并将这些信息通过适当地放大稳定处理传递给CPU. 以上传感器具有稳定性强、测量精度高、价格低廉等优点.2.2 中心控制和信号处理部分STC89C51 主控芯片分别通过其 P1.0 脚、P1.2~P1.5 脚以及 P2.3 脚完成对三个传感电路的控制, 其中烟雾传感电路部分还应包括 ADC0832 模数转换电路, 以达到单片机对气体信号浓度的识别.2.3 环境数据显示部分液晶显示电路部分使用的是 LCD1602 液晶显示器, 它是一种最常用的平面超薄显示设备, 有两行可进行显示, 每一行可显示 16 个字符, 符合系统设计中液晶显示屏的性能要求. 此时液晶芯片要经过主程序初始化后, 再调用一个 10ms 的延时函数. 单片机以 10ms 为一周期, 处理从温度传感器、烟雾传感器发送过来的信息, 经过 10ms 后将通过电路处理的信息反馈在显示器上 .2.4 外部功能管理及警报部分单片机电源可由外部或内部供给, 但两种供电方式不可同时运行, 若外部电源一旦被切断, 为了维护系统正常运行, 内部电源将立刻启动自动供给. 警报电路部分采用蜂鸣器外加 LED 灯以实现报警功能.预先对系统设定报警温度值和烟雾浓度值, 当发生火灾时, 温度或烟雾浓度超出报警值, 单片机将发送高电平信号给报警电路, 蜂鸣器发生鸣叫, 同时 LED 灯亮起, 自动报警功能得到实现. 这套方案是由继电器产生电磁场吸引和断开开关来实现的. 在操作报警系统工作时, 按键电路是人机交互的一个核心. 其中S1: 设置/保存; S2: 加/布防; S3: 减/撤防.3 系统软件设计系统软件部分主要包含数据处理和显示模块. 以STC89C51 单片机为核心, 利用三个传感器和模数转换芯片实现数据的采集和处理, 经过单片机程序处理后将数据信号与预设的警界值进行比较. 若这些信号超出预设的警界值, 单片机将发送命令给报警电路进行声光报警, 同时LCD1602 液晶将其数据显示出来. 人工交互的功能 [4] , 主要是采用按键来控制, 如预设环境警戒值和布防、撤防. 系统程序设计流程图.虎居商城
软件设计主要子模块介绍:(1) 数据处理模块信号处理模块的程序主要包含: 初始化模块、接收传感器采集的数据模块、选择放大信号模块、启动模数转换模块四个模块. 当程序开始工作时, 首先对系统的各个模块进行初始化, 然后对环境进行检测, 经传感器和 A/D 转换器转换处理后将数据传送给单片机, 再进行相应的判断和比较.(2) 显示模块显示部分程序要进行初始化的显示、环境实测数据的显示、预设警戒值的显示以及布防、撤防的标志显示. 其中, 警戒值和布防/撤防均通过按键来进行控制, 由此实现人机交互操作.4 系统功能实现4.1 模拟作品制作(1) 将液晶模块、最小系统模块、传感器模块等焊接好以后, 对系统通电进行实验与调试. 制作的智能家居防火防盗系统上电后显示.虎居商城
(2) 当系统接上电源并按下复位键后, 若按下键 3, 系统开启设防, 防盗系统开始工作. 一旦有不法分子入侵时, 接收器收到的红外信号发生改变,单片机将发送报警信号给报警电路模块和显示电路模块. 此时, 显示电路启动, 环境的温度、烟雾浓度在液晶屏上得到显示, 同时报警电路启动, 声光报警功能得以实现. 红外热释电报警图.虎居商城
(3) 焊接时采用洞洞板, 将所有元器件整理完后, 根据 AD 中的原理图先把单片机最小系统焊接完成并成功上电, 接着焊接液晶模块, 结合液晶模块和 CPU 模块考虑整体布局, 每做完一个模块就立刻测试其显示情况, 并针对所出现的问题制定相应措施, 在确定电路的准确性后将作品完成.4.2 功能实现本系统实现的主要功能如下:(1) 利用 MQ-2 烟雾传感器和温度传感器 DS18D20, 实现环境数据的检测;(2) 利用三个按键, 实现环境警戒值的设置;(3) 利用 LCD1602 液晶显示当前温度、烟雾浓度数值, 实现环境数据的显示;(4) 利用蜂鸣器和 LED, 实现声光报警.本系统设计的温度传感器能将测量误差控制在±1℃内, 拥有较高的精确度; 通过三个独立按键的控制, 能够预设环境的警戒值和布防/撤防; 在进行布防过程中有一定时间的过渡阶段, 需要根据实际情况对系统进行调试修改以降低误报率; 当检测到环境中的温度和烟雾浓度超过预设的警戒值时, 系统电路板上的蜂鸣器将发出警报声, 相应颜色的 LED 灯将被点亮, 从而实现声光报警功能.4.3 系统实现效果评价对系统功能进行了分析、拓展和延伸, 其根本目的是使市面大部分家居系统都能够实现智能化, 具有自动防火、防盗、报警等功能. 通过实验仿真和对硬件、软件部分进行调试, 基本达到了系统防火、防盗的功能要求, 可实现对家居智能化管控要求. 实验结果与理论分析基本吻合, 表明该设备在技术上有一定智能性和可靠性 .相关问答
基于 51单片机 中等难度的毕业设计题目?TOP1.基于51单片机人脸简易识别系统TOP2.基于51单片机智能非特定人声语音识别系统TOP3.基于51单片机指纹考勤系统TOP4.基于51单片机智能小型穿戴手表TOP5...
单片机 会被淘汰吗?单片机不会被淘汰。就像当年更高性能的单片机出来后,一直都有人说51单片机会被淘汰,可是我们看到,51单片机不但没有被淘汰,反而活的有滋有味。就像提问里说...
xds 51 码适合多高?XDS51码是一种线性条形码,适合于各类物品的标识和追踪。其大小并没有规定标准,一般根据需要来确定。如果需要在小的物品上使用,可以选择较小的XDS51码,如果需...
什么是嵌入式系统?嵌入式系统是指由硬件和软件组成并且能够移植到硬件设备的操作系统。而相比较于普通的PC操作系统,嵌入式操作系统不能存储大容量的内存和程序。所以嵌入式操作系...
你家里有在使用 智能家居 吗?说说智能家居的优缺点有哪些?比如模拟电视发展成数字电视,VCD变成DVD,电冰箱、洗衣机、微波炉等也将会变成数字化、网络化、智能化的信息家电[6]。从广义的分类来看,信息家电产品实际上包...
智能家居 中控系统是什么_家用电器[回答]这个应该是物联网的学习,智能家居又称智能住宅,当家庭智能网络将家庭中各种各样的家电通过家庭总线技术连接在一起时,就构成了功能强大、高度智能化...
什么是 单片机 ?单片机是一种集成电路芯片,它集成了中央处理器、存储器、输入输出接口等功能模块,能够完成特定的任务。单片机通常被用于控制和管理各种电子设备,如家电、汽车...
智能家居 采用的主要技术有哪些 - hahhyyuntin 的回答 - 懂得智能家居是以住宅环境为依托,采用网络通信技术、自动控制技、综合布线技术、音视频技术、安全防范技术等多种无线设施结合的方式,从而构成整个...
单片机 怎么入门?1、首先要了解单片机的基本概念,掌握单片机的结构、功能和特点;2、学习单片机的编程语言,比如C语言、Assembly语言等;3、学习单片机的硬件知识,比如外设的...
设计工业机械手,控制部分用PLC、 单片机 、ARM那个好?你好,谢谢邀请!工业机械手的编程很多是用的不是这些语言,他们很多是制造商自己开发了一种语言。这个语言很像汇编语言。但不是汇编语言。你现在学了AVR单片机...
