单片机小制作,智能触摸延时开关
功能设计
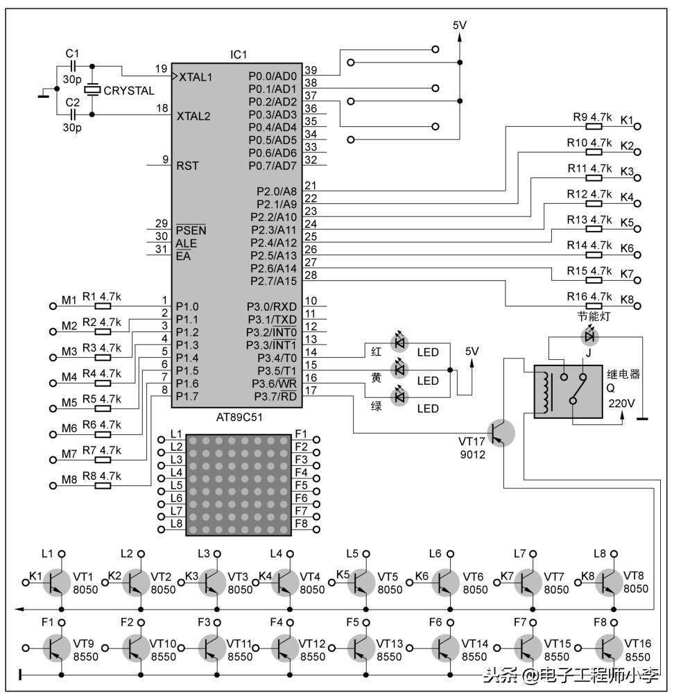
图1.1 电路原理图
本智能开关的电路如图1.1所示,设计了两种工作模式,分别为静态模式和工作模式。静态模式下,红、绿、黄LED指示灯亮,点阵屏和节能灯都是熄灭状态;工作模式下,相应的LED指示灯熄灭,点阵屏和节能灯开启。
为了使用方便,本智能开关设计了3个触摸按键(见图1.2)。
图1.2 实际效果图(LED下方为触摸式开关,节能灯以220U指示灯代替)
绿键:在静态模式(上电即进入静态模式)下,触摸此键即进入工作模式,绿色指示灯熄灭,节能灯和点阵屏开启,延时1min后转入静态模式。
黄键:在静态模式下,触摸此键则进入工作模式,黄色指示灯熄灭,节能灯和点阵屏开启,延时2min后转入静态模式。
红键:在静态模式下,触摸此键则进入工作模式,红色指示灯熄灭,节能灯和点阵屏开启,延时4min后转入静态模式。
材料准备
表1.1 元器件清单
制作过程
1.测试点阵的行列引脚。因为点阵引脚排列不规则,所以我们需要先测其引脚,然后记录在纸上。注意,每一排引脚有行也有列,一定要耐心测试。
2.将排孔、铜线、LED焊接在万用板上。固定好之后,将点阵屏插到排孔上。注意I/O接口线要平行排列,且上端要做成按钮式,既美观大方又容易触发。
3.将余下的电子元器件焊接在另外一块板上。注意,元器件布局要以连线不交插、美观大方作为两个基本点。还要注意,继电器要远离单片机,防止其干扰单片机电路。
4.按照电路图将元器件连接起来,这个工作很是烦琐,一定要有耐心。注意尽量不要使导线交叉,点阵连接最好用不同颜色的排线连接。
5.用铜柱将两块板子固定在一起。至此,开关的硬件已完工。
软件设计
程序包括主程序、初始化程序、触摸键检测子程序、提醒显示子程序、定时器0溢出中断子程序。
初始化程序除了对继电器、3个LED指示灯、点阵屏进行设置外,还必须将P0置1设为高阻输入状态,这是实现触摸功能的前提。
触摸键检测子程序的任务是根据触摸键操作来执行相应的处理程序,例如,触摸了绿指示灯的触摸按键,接下来单片机要执行4个任务:(1)打开定时器中断;(2)打开继电器,开启节能灯;(3)熄灭绿指示灯;(4)调用提醒显示子程序。注意,触摸键检测子程序需检测单片机引脚高电平,跟普通按键正好相反,当然消抖延时也是必不可少的。
提醒显示子程序的任务是显示所在位置的楼层数。
定时器中断的任务是延时一段时间,然后关掉定时器中断、继电器及提醒显示子程序,打开对应指示灯。定时器延时时间的到来需用中断次数和标志位相与作为判定条件。
另外,要提醒大家几点,调试的时候应该根据出现的现象分析程序哪一部分有问题,程序尽量条理清晰、模块化,以节省调试时间。切记不要使用交流电源,那样对触摸键的干扰会很大。编程部分难度不大,我相信,只要用心编写,耐心调试,把错误一步一步改正过来,大家会很快享受到电子制作带给我们的快乐。
分享单片机控制16个触摸按键芯片使用,设计注意事项?
在某一项目应用中需用到多个触摸按键,此产品按键次数频繁,工作环境湿度大,对机械按键的寿命有有影响,于是上网查询了一些触摸芯片,常用的单按键触摸,2个按键,4个按键比较多,由于单片机管脚数量有限,只能选择带通信接口的芯片,于是找到WTC6316BSI这颗芯片。这个芯片的参数如下图
WTC6316BSI 使用 16bit 高精度的 CDC(数字电容转换器)IC 检测感应盘(sense element)
(电容传感器)上的电容变化来识别人手指的触摸动作,CDC 输出的数据由内嵌的 RISC
CPU 用高效可靠的算法进行处理。用户可以通过 SPI 接口读取被触摸按键的按键状态。
只需调节 1 个电容 Csel 即可改变所有通道的灵敏度。外围元件少,生产效率高。
设计注意事项
1.SPI总线走线要靠近单片机,如果距离比较远要加上拉电阻提高驱动能力。
2.按键焊盘不能太小,距离要保持一致,避免相互干扰。
3.在不需要软件调节按键灵敏度时,SDI引脚应接高电平。
4.在测试时,先测OUTFLAG管脚,在按键触摸时,有一个低电平脉冲,证明电路工作正常。
5.通过项目使用,这颗触摸芯片还是比较好用的,灵敏度比较高,适合多触摸按键产品。
由于作者水平有限难免有不足之处,发现问题及时提醒作者,望指教。不明之处下方评论。
本人多年软件硬件开发经验,学电路,加关注,分享更多硬件设计知识,电器维修经验,技术干货,让我们共同学习进步。
相关问答
请问如何进行 触摸开关 设计?-设计本有问必答触摸式电器开关电路关键字:基极导通回路功率如下图所示为一触摸式电器开关电路,电路简单,容易制作.原理及制作:开始通电时,由于继电器不吸合...
51 单片机 能做 触摸 屏吗?51单片机没有专用的触摸接口,但可以外挂触摸芯片,这些触摸芯片通常是I2C、SPl或TTL232串行接口,可以通过51单片机的相应接口驱动。另外一种方法是选用串行接...
开关 是 触摸 的好还是按钮的好?-ZOL问答这个问题没有一个绝对的答案,因为选择开关类型取决于使用场景和个人偏好。对于触摸开关,它们通常具有现代感和时尚感,可以通过简单的触摸动作来控制。触摸开关...
触摸开关 模块要多少钱?_土巴兔装修问答触摸开关模块大概要25元左右,价格就、合理,它的特点:1、具有输出信号指示。2、直接可接单片机输输入口。3、抗干扰能力强4、延时时间可以调整5秒~1...
该如何设计植物温室 单片机 控制系统?对于选用lcd彩屏的高档版,单片机平台在选型时需要考虑彩屏的驱动能力,比如STM32F7系列,或者国产新唐的ARM9系列5按键预留两个按键,或者三个按键,这里提下...
哪位看官!问大家一下 关于 触摸 芯片哪家的好, 触摸 芯片的应用...现在能够做金属触摸的技术有用到电容、电感以及光感的,像安防类的厂商推出了一些光感技术的金属触摸按键门口主机。用光感的话每一个按键都需要进行...
单片机 控制机械臂划动触屏,用哪种机械臂好?,工厂用机械臂...首先你要说明白你所说的机械臂是那种类型,是串联式机器人还是桁架式或者其他。用什么东西取决于你工程的实际需要,如果想对简单的,对精度要求不是太...
三角牌油烟机关机屏幕显示一直亮怎么关闭?抽油烟机显示屏一直亮,可以尝试拔掉抽油烟机插头,再重新插上就可以。因为现在的吸油烟机采用的触摸感应式开关,这种开关与电灯开关原理不同,电灯开关是通...
智能空调控制器原理是什么?_中央空调_舒适100网触屏版[回答]根据人们对生活环境的要求和单片机的应用特性,本文介绍了应用STC89C52单片机进行控制的智能空调控制系统。智能空调控制系统主要由电源电路、液晶显...
三合一板是什么板?三合一板是指软件版的一种,也使用了单片机和电源IC,集成同步整流充电、同步整流升压、触摸按键功能,提升了转换效率到百分之九十以上。三合一相当于传统木工里...
