单片机初学者轻松入门之(十九):8乘8点阵显示汉字
字模提取软件
1、打开软件,单击选择 "参数设置"
2、单击"文字输入区字体选择"
设置完成单击"确定"
3、单击"其它选项"
如果是点阵显示,则选择"横向取模",字节倒序;
如果是12864显示,则选择"纵向取模",字节倒序。
4、 在文字输入区输入要取模的文字,按下Ctrl+Enter结束文字输入
5、单击"取模方式"
双击"C51格式"进行字模生成
如下图所示在点阵生成区生成了字库代码
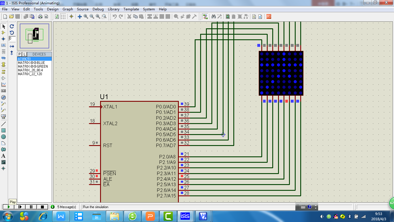
1、 电路图
2、 程序设计
#include<reg51.h>
#include<intrins.h>
unsigned char code a[]={0x10,0x10,0xFF,0x10,0x28,0x44,0x82,0x01};
void delay(unsigned int m)
{
unsigned char i;
while(m--)
for(i=0;i<120;i++);
}
void main()
{
unsigned char m,k=0;
m=0xfe;
while(1)
{
P0=m; //行0有效
m=_crol_(m,1);
P2=a[k++]; //列1有效
if(k==8)k=0;
delay(1);
}
}
3、下载程序并设计
玩转单片机!基于ESP8266模块的WIFI点阵时钟制作
用ESP8266模块制作的网络授时点阵时钟
美图镇楼
楼主是一名业余的单片机爱好者,做过许多各种各样的时钟,能看过眼去的都发在了本版,还蒙版主厚爱给过精华。可是至今也没有做出一个十分满意的“作品”来。因为做的每个时钟都有这样那样的缺点, DS1302并不太准确;DS3231要好一点但还是有误差(其实也够用了);GPS授时倒是准了,但是要拖一根GPS天线到室外,不够整洁。一直想DIY一个准确、简洁的时钟治愈我的“强迫症”,苦于一直没有找到好的方案。
在一个月黑风高的晚上我偶然地发现了物联网模块ESP8266,能连接WIFI,竟然还集成了32位的单片机,关键还是白菜价,简直就是神器啊!就想着用它来做一个从网络获取时间的时钟,这样只要有网络,时间就准确无误,再也不用纠结了。
1: 认识ESP8266
ESP8266是上海乐鑫(ESPRESSIF)生产的WI-FI低功耗芯片,是业内集成度最高的 Wi-Fi 芯片,封装尺寸仅为 5mm x 5mm。 ESP8266EX 高度集成了天线开关、射频 balun、功率放大器、低噪放大器、过滤器和电源管理模块,仅需很少的外围电路,可将所占 PCB 空间降到最低。ESP8266EX 内置 Tensilica L106 32 位微型控制器 (MCU),具有超低功耗和 16 位RSIC,时钟速度最高可达 160 MHz。支持实时操作系统 (RTOS),目前 Wi-Fi 协议栈只用了 20% 的 MIPS,其他均可用于用户编程和开发。ESP8266EX 专为移动设备、可穿戴电子产品和物联网应用而设计,通过多项专有技术实现了最低功耗。ESP8266EX 有三种运行模式:激活模式、睡眠模式和深度睡眠模式,能够延长电池寿命。(PS:这段是抄的)
当然了,只有芯片是没法玩的,网上有和外围电路一起封装好的模块。还有基于这些模块的开发板,板载USB转串口电路,只要用MicroUSB线(安卓手机数据线)连接电脑就可以调试了。方便好用价格也不贵。
Esp8266模块
Esp8266开发板
为便于理解,我们可以把ESP8266模块看作一个可以连接WIFI的单片机。但是要玩转这片小小的板子,却没有想像中那么简单。模块的编程和51单片机有很大的区别,需要从头开始学起,没有找到系统的教程,只好从网络上多如牛毛的信息中提取所需要的知识点,用蚂蚁啃骨头的精神,一点点攻克难关,终于实现了想要的功能。在这里分享一下个人的一些不成熟经验,有兴趣的同好可以参考一下。
2:流行的几种开发方式
AT指令:模块通过串口与上位机连接,上位机发出指令,模块收到指令后做出响应。可以用PC端的串口助手调试。当然也可以用另一片单片机做上位机,不过放着模块集成的32位MCU不用,再用51之类的8位单片机驱动的话就有点小马拉大车了。
NodeMCU:运行于ESP8266模块上的一种固件,该固件提供一些封装好的模块(API),直接调用就可以了。使用LUA语言编程。
Arduino:模块可以在Arduino环境下调试,有基础的同学可以使用此方式。本菜鸟没玩过Arduino,只是按教程简单试了一下,发现编译下载好慢。
几种方法都试了试,发现最适合自己的是NodeMCU。LUA语言与C有共通之处,很快就能适应了。还有现成的API,一些复杂的功能用几行代码就能实现。
3:刷NodeMCU固件
买来模块后需要刷入NodeMCU固件,NodeMCU的源代码发布在Github网站,但是要编译成可刷入模块的bin固件,需要在陌生的Linux环境下,没有Linux基础貌似玩不转。
好在像作者这样的菜鸟可以在线订制固件,打开http://nodemcu-build.com/,留下自己的Email,根据自己的需要选择相应的模块和版本。等会就收到订制好的固件了。
刷入固件用的工具从这里下载https://github.com/nodemcu,按住Flash键不放,把模块接入USB,选好COM口和要刷入的固件,速度不要选的太高,可能会刷入失败,用哪个波特率自己多试几次就好。
固件刷好后,就可以开心的玩了。开发软件个人建议使用Esplorer,此软件需要安装JAVA。试一下第一句程序:print(“Hello NodeMCU!”),模块正常的话会显示Hello NodeMCU!
试试node.restart(),重新启动一下模块,会显示当前固件的版本、生成时间、包含模块等信息。
最新的NODEMCU固件支持可变波特率,不再局限于9600bps。比如可以在Esplorer里把波特率改为57600。如下图:
至此开发环境搭建完毕,可以试着先把模块连接到家里的WIFI,网上有例程,把SSID和密码改成自己的,运行一下就能连接了。
4:从Internet获取时间
关于从网络获取标准时间,先试了试获取百度网站返回的HTTP头,里面包含当前的日期时间等数据,提取一下就好,但是有网友说这个时间也不是十分的准确。
后来发现NodeMCU包含SNTP模块,是专门干校准时间这活的。并且操作也非常的简单,就决定了采用这种方式。
SNTP简介:
SNTP,即简单网络时间协议(Simple Network Time Protocol),主要被用来同步因特网上计算机的时间。SNTP协议采用客户端/服务器的工作方式。SNTP服务器通过接收GPS信号或自带的原子钟作为系统的时间基准。SNTP客户端通过定期访问SNTP服务器获得准确的时间信息,用于调整客户端自身所在系统的时间,达到同步时间的目的。
上网找到国内常用的NTP服务器,用PC端的Ping命令简单的测试了一下,结果如下。
NodeMCU固件sntp模块用法很简单,本制作只使用其中的sntp.sync()函数。
语法:sntp.sync({ server1, server2, .. }, [callback], [errcallback], [autorepeat])。
各参数解释:
1. Server1,server2,..:指定要使用的一个或多个ntp服务器
2. Callback:同步成功回调,不需要在这里显式的调用rtctime.set(),该模块在内部自动执行此操作,以获得最佳的准确性。
3.Errcallback:失败回调,返回失败的原因。
1:DNS查找失败
2:内存分配失败
3:UDP发送失败
4:超时,不接收NTP响应
4. autorepeat:如果是非零值,那么每1000秒同步将发生一次,每次同步操作后都会调用回调。
找来例程试一下
sntp.sync("202.120.2.101",
function(sec, usec, server, info)
print('sync', sec, usec, server)
end,
function()
print('failed!')
end)
运行结果:sync 1497432519 920178 202.120.2.101
结果显示同步成功,并返回了1970/01/01到现在的UNIX时间戳和同步服务器。SNTP每次成功同步后会自动更新ESP8266模块的实时时钟,也就是自动调用rtctime.set()函数。所以要使用sntp授时需要rtctime模块的支持,定制固件时不要落下。需要说明的是,成功同步后会自动更新MCU内部的RTC。
当然那一大串UNIX时间戳我们人类是不太能看懂的,还要转为我们习惯使用的日期和时间,这就要用到rtctime模块中的rtctime.epoch2cal()函数,语法为rtctime.epoch2cal(timestamp)。函数成功运行后返回一个数组,数组包括:
year 1970年 ~ 2038年
mon 1 ~ 12月
day 1 ~ 31 日
hour 小时
min 分钟
sec 秒
yday 当前是一年中的第1 ~ 366天
wday 星期 (星期天是1)
例程:
tm = rtctime.epoch2cal(rtctime.get()) --获取当前日期时间并转换
print(string.format("%04d/%02d/%02d %02d:%02d:%02d",
tm["year"], tm["mon"], tm["day"],
tm["hour"], tm["min"], tm["sec"]))
运行结果:2017/07/08 09:48:04
5:显示标准时间
标准时间有了,下一步的工作就是怎样显示出来的问题,总不能开着电脑用串口助手看时间吧。家里用的话1602或12864液晶字太小,远了就看不清楚;数码管做的太多,都审美疲劳了;最后决定用点阵,但是ESP8266模块的GPIO太少,不够用来直驱点阵,为解决这个问题,特地从淘宝上淘了基于MAX7219的点阵模块,4个MAX7219驱动4片8*8点阵。使用SPI串口通讯,还可以多片级联,只要用3个GPIO就能驱动若干片8*8点阵。
MAX7219简介(来自百度百科)
MAX7219是一种集成化的串行输入/输出共阴极显示驱动器,它连接微处理器与8位数字的7段数字LED显示,也可以连接64个独立的LED。其上包括一个片上的B型BCD编码器、多路扫描回路,段字驱动器,而且还有一个8*8的静态RAM用来存储每一个数据。 只有一个外部寄存器用来设置各个LED的段电流。 MAX7221与SPI™、 QSPI™以及 MICROWIRE™相兼容,同时它有限制回转电流的段驱动来减少EMI(电磁干扰)。 一个方便的四线串行接口可以联接所有通用的微处理器。 每个数据可以寻址在更新时不需要改写所有的显示。MAX7219允许用户对每一个数据选择编码或者不编码。 整个设备包含一个150μA的低功耗关闭模式,模拟和数字亮度控制,一个扫描限制寄存器允许用户显示1-8位数据,还有一个让所有LED发光的检测模式。
第一次玩MAX7219,由于LUA语言用的不顺手,调试起来有点麻烦。先用熟悉的51来点亮点阵,调试通过后再一点一点地移植到ESP8266。买的点阵是32*8,即使用不美观的4*8字体,时分秒也无法全部显示,更不用说标准的5*8的字体了。最后决定只用3片点阵,使用5*8字体,只显示小时和分钟,但也不够用,折衷一下:0-19时用24小时制,20-23时用12小时制。
成功点亮后的点阵,私人订制的字体,还是很漂亮的。
6:开始制作:
硬件很简单,就是一个ESP8266模块, 5V转3.3V的电路和几个阻容。用洞洞板很快就搞定了。
用茶色亚克力做面板,可以增强点阵的可读性。插上电源,模块尝试连接WIFI,蓝色LED亮起,成功连接后该LED熄灭,稍等就会显示当前准确的时间了。如果WIFI断线,模块会尝试自动重连,LED会指示当前的WIFI连接状态。
在每次上电后自动同步时间,然后每隔一个小时与NTP服务器同步一下。这样只要有网络,本时钟显示的时间就是准确的。
功耗也不大,白天正常亮度,不到100ma。21:30后降低亮度,避免影响睡觉。
再来几张美图
7:后记
对于一个仅仅靠兴趣驱动的爱好者来说,做这么一个小玩意遇到的困难太多了,身边没有谁可以请教,只能在网上一点一点的找答案,好在还算是成功的实现了自己想要的功能。现在已经正常的运行了一个多月,时间与GPS几乎一秒不差。
不足的地方就是本时钟只能在一个WIFI环境下使用。其实NodeMCU也提供了通过浏览器设定模块的SSID和密码的功能,但试了几次发现不太稳定,再说换了WIFI只要简单的改改程序就好,也不算麻烦。决定不再折腾,能做到这样就很满意了。
-----官方NodeMCU文档,请移步http://nodemcu.readthedocs.io/en/master/en/
还有调试中的一张图,用液晶屏显示,一起发上来
谢谢观看!
浏览更多精彩内容请登录数码之家网站
技术交流请联系原作者
作者:qxgm
本文来源:数码之家
相关问答
...状态等.本文给出了一种基于MCS-51 单片机 的16×16 点阵 _作业帮[最佳回答]IsbecomesbasedonthemonolithicintegratedcircuitLEDdisplaymonitorbymanyindependentLEDli...
单片机 P1口与集成的好的led 点阵 模块接法?直插LED压降在1.8V~2.2V之间,贴片LED压降在2V~3.3V之间,按3V压降计算,LED的电流I=(Vcc-Uled-Uce)÷R=(5V-3V-0.3V)÷200Ω=8.5mA;理...
单片机 的 点阵 亮度不一致?亮度不够可以加大驱动电流或改变扫描周期,1/8扫描肯定要比1/16扫描亮得多。在扫描方式时,LED的驱动电流可增大到50mA,通常不会有问题;在静态驱动方式时,用20...
为什么 单片机点阵 只亮一些?程序没写对,有些信号没输出程序没写对,有些信号没输出
单片机 走马灯实验灯亮原理?跑马灯可以用MCS-51单片机控制一个LED点阵来实现,一个简单的跑马灯,每一个小方格代表一个发光二极管,黑色代表相应位置的发光二极管被点亮,白色的空格表示未...
为什么 单片机点阵 模块亮不了?单片机点阵模块亮不了的原因可能有多种。首先,可能是电源供电不足或者接线不正确导致模块无法正常工作。其次,可能是程序编写错误或者单片机与点阵模块之间的...
用电机带动一镜子高速旋转,还有一 点阵 ,用 单片机 控制每一小灯...[回答]这个简单的,你先自己想想先了,想不出来再来找找我也行
如何用 单片机 小精灵生成汉字,用16*16的LED 点阵 显示?通过撰写代码来实现。Proteus中只有5×7和8×8等LED点阵,并没有16×16LED点阵,而在实际应用中,要良好地显示一个汉字,则至少需要16×16点阵。下面我们就首先...
单片机点阵式 led显示屏显示汉字是镜像怎么处理-ZOL问答如果你的单片机点阵LED显示屏显示汉字是镜像,首先检查数据传输方向是否正确,可能是字库选择或者扫描顺序反了。调整一下这些设置,确保从左到右、自上而下的正确...
电脑CPU控制外围元件和 单片机 控制外围元件有什么不同 - 想知...没有本质的区别,单片机也是个CPU,不过集成了内存和管脚驱动器。电脑CPU功能更加强大一些,主频和性能要远远高于一般单片机。它们两个有本质上的区...
